Проблемы в работе ТПА ДЕ3132
-
- Сообщения: 72
- Зарегистрирован: 21 мар 2018, 21:17
- Страна, Регион, Область: ЛНР
- Город: Луганск
- Благодарил (а): 19 раз
- Поблагодарили: 5 раз
Проблемы в работе ТПА ДЕ3132
Доброго дня!
Проблема возникает во время впрыска. В самом конце происходит отход сопла миллиметра на два и возвращается на место.Соответственно в этот момент материал вытекает наружу. Где и что капать?
Видео есть, но прикрепить не дает....
Проблема возникает во время впрыска. В самом конце происходит отход сопла миллиметра на два и возвращается на место.Соответственно в этот момент материал вытекает наружу. Где и что капать?
Видео есть, но прикрепить не дает....
- ПластСтер
- Сообщения: 2933
- Зарегистрирован: 29 окт 2009, 13:15
- Страна, Регион, Область: Россия
- Город: Стерлитамак
- Откуда: Как все
- Благодарил (а): 458 раз
- Поблагодарили: 807 раз
- Контактная информация:
Re: Проблемы в работе ТПА ДЕ3132
Здравствуйте.
Я как обычно с нравоучениями
Первое - проверьте настройки.
Второе, если первое не помогло, и у Вас есть гидросхема, электромонтажная схема и циклограмма, находите клапана, отвечающие за этот период работы, подключайтесь к электромагнитам этих клапанов индикатором(мы даже на старых ТПА, впаивали туда светодиоды, что бы видеть подачу напряжения) и прогоняйте цикл. И поймете, по какой из ветвей(гидро, электро, КИП), происходит сбой. Если непонятно написал, спрашивайте.
Ну и третье: В зависимости от неисправности, копаете. Такое бывает из-за настроек, и если у Вас будет потухать индикатор, на этот промежуток времени, то скорее всего, нужно будет возвращаться к п. 1.
Удачи
Я как обычно с нравоучениями

Первое - проверьте настройки.
Второе, если первое не помогло, и у Вас есть гидросхема, электромонтажная схема и циклограмма, находите клапана, отвечающие за этот период работы, подключайтесь к электромагнитам этих клапанов индикатором(мы даже на старых ТПА, впаивали туда светодиоды, что бы видеть подачу напряжения) и прогоняйте цикл. И поймете, по какой из ветвей(гидро, электро, КИП), происходит сбой. Если непонятно написал, спрашивайте.
Ну и третье: В зависимости от неисправности, копаете. Такое бывает из-за настроек, и если у Вас будет потухать индикатор, на этот промежуток времени, то скорее всего, нужно будет возвращаться к п. 1.
Удачи
- Рейтинг: 5%
Звать меня, Сергей
-
- Сообщения: 72
- Зарегистрирован: 21 мар 2018, 21:17
- Страна, Регион, Область: ЛНР
- Город: Луганск
- Благодарил (а): 19 раз
- Поблагодарили: 5 раз
Re: Проблемы в работе ТПА ДЕ3132
Доброго дня!
Можно по подробней с настройками? Что проверить, где проверить, как проверить.... Я очень далёк от таких знаний а соответствующие спецы давно разбежались из нашего региона.... По этой причине уже два ТПА стоит.... Не можем ладу дать.
Пы.Сы.: - ни гидросхемы, ни электромонтажной схемы нет. Ну или почти нет.....
-
- Сообщения: 3455
- Зарегистрирован: 02 фев 2020, 10:56
- Страна, Регион, Область: Германия
- Город: NRW
- Благодарил (а): 1219 раз
- Поблагодарили: 1429 раз
Re: Проблемы в работе ТПА ДЕ3132
Как там на ДЕ происходит, не знаю. Но была на старых батеннфельдах такая фишка. При неправильных установках литья с отводом , агрегат мог раза два, три вперёд , назад ездить, пока форма не начнёт открываться. Что в вашем случае в самом конце? Цикл полностью закончен или нет? Происходит ли ещё что то одновременно с отводом ? Лучше бы конечно фото настроек. Ну или видео на Яндекс диск прицепите. Форум хорошо просмотрели? Это чуть ли не самый обсуждаемый тпа.
Nein zum Krieg.
-
- Сообщения: 72
- Зарегистрирован: 21 мар 2018, 21:17
- Страна, Регион, Область: ЛНР
- Город: Луганск
- Благодарил (а): 19 раз
- Поблагодарили: 5 раз
Re: Проблемы в работе ТПА ДЕ3132
Форум просмотрел, ничего похожего не нашел. Видео прикрепляю.
В момент отвода процес не нарушается, впрыск идёт, сопло в момент отвода подтекает.....
https://disk.yandex.ru/i/wyyJgS5MjgHoug
В момент отвода процес не нарушается, впрыск идёт, сопло в момент отвода подтекает.....
https://disk.yandex.ru/i/wyyJgS5MjgHoug
- Димитрий
- Сообщения: 718
- Зарегистрирован: 09 апр 2008, 01:15
- Страна, Регион, Область: Россия
- Город: Калуга
- Откуда: Калуга
- Благодарил (а): 17 раз
- Поблагодарили: 80 раз
- Контактная информация:
Re: Проблемы в работе ТПА ДЕ3132
Если лить с недостатком массы (чтобы деталь была не полная), то особенность сохраняется?
Вопрос, ответ на который встречается на первых двух страницах тематической литературы - глупый!
Используйте технологии 21 века, пока он не кончился! (с) МихалИваныч
Используйте технологии 21 века, пока он не кончился! (с) МихалИваныч
-
- Эксперт Гидравлик
- Сообщения: 5584
- Зарегистрирован: 24 окт 2012, 20:41
- Страна, Регион, Область: СССР
- Город: Деревня Малая Малявня
- Откуда: деревня МАЛАЯ МАЛЯВНЯ
- Благодарил (а): 602 раза
- Поблагодарили: 816 раз
Re: Проблемы в работе ТПА ДЕ3132
Куда пропал Бегемот, он спец по хмельницким ТПА. Отжимает прижатый механизм впрыска 1) Не достаточно давления прижима сопла.( Проверить герметичность цилиндра прижима сопла) 2) Слишком большое давление впрыска. ( Снизить давление впрыска) ) 3) Отверстие сопла велико.4) Радиус сопла больше радиуса литниковой втулки. Прижать сопло на бумагу в наладке посмотреть отпечаток и нам показать.( покажите изделие и литник) ( Отлить деталь с недоливом наблюдая за соплом. Вот жадные ребята до фоток. Машину покажите?. Забываются некоторые модели. Надо, что бы схему открыть и посмотреть. Тогда детально ответить. Манометры живые?
Последний раз редактировалось ЗЮМ 11 окт 2021, 17:12, всего редактировалось 2 раза.
- Рейтинг: 5%
-
- Сообщения: 1584
- Зарегистрирован: 01 окт 2013, 15:06
- Страна, Регион, Область: Россия
- Город: Екатеринбург
- Откуда: Yevlax
- Благодарил (а): 414 раз
- Поблагодарили: 386 раз
Re: Проблемы в работе ТПА ДЕ3132
Не туда смотрите при съёмке видео.pavel37 писал(а): ↑10 окт 2021, 20:06Форум просмотрел, ничего похожего не нашел. Видео прикрепляю.
В момент отвода процес не нарушается, впрыск идёт, сопло в момент отвода подтекает.....
https://disk.yandex.ru/i/wyyJgS5MjgHoug
1) Если в конце впрыска у Вас есть движения на штоках цилиндров прижима сопла, тогда скорее всего есть износ уплотнения поршней. Можно еще проверить гидрораспределитель отвечающий за перемещения каретки.
2) Если в конце впрыска есть движения материального цилиндра, а коретка жестко стоит, тогда нужно посмотреть не открутилась ли гайка которая фиксирует материальный цилиндр в каретке узла впрыска.
- Рейтинг: 5%
-
- Эксперт Гидравлик
- Сообщения: 5584
- Зарегистрирован: 24 окт 2012, 20:41
- Страна, Регион, Область: СССР
- Город: Деревня Малая Малявня
- Откуда: деревня МАЛАЯ МАЛЯВНЯ
- Благодарил (а): 602 раза
- Поблагодарили: 816 раз
Re: Проблемы в работе ТПА ДЕ3132
Вы говорите нет схем. На этот ТПА на форуме есть схемы. Поищите и опубликуйте. Готовы глянуть другие причины. Мои схемы временно вне доступа. Интернет глючит. Самое время ПИТЬ.....чай.
-
- Сообщения: 72
- Зарегистрирован: 21 мар 2018, 21:17
- Страна, Регион, Область: ЛНР
- Город: Луганск
- Благодарил (а): 19 раз
- Поблагодарили: 5 раз
Re: Проблемы в работе ТПА ДЕ3132
Завтра постараюсь выполнить рекомендации и сделаю фотки. Манометры живые.ЗЮМ писал(а): ↑11 окт 2021, 16:57Куда пропал Бегемот, он спец по хмельницким ТПА. Отжимает прижатый механизм впрыска 1) Не достаточно давления прижима сопла.( Проверить герметичность цилиндра прижима сопла) 2) Слишком большое давление впрыска. ( Снизить давление впрыска) ) 3) Отверстие сопла велико.4) Радиус сопла больше радиуса литниковой втулки. Прижать сопло на бумагу в наладке посмотреть отпечаток и нам показать.( покажите изделие и литник) ( Отлить деталь с недоливом наблюдая за соплом. Вот жадные ребята до фоток. Машину покажите?. Забываются некоторые модели. Надо, что бы схему открыть и посмотреть. Тогда детально ответить. Манометры живые?
Ссылки находил, но к сожалению, они не работают, со временем на всех ресурсах происходит затирание "старых" ссылок.
-
- Эксперт Гидравлик
- Сообщения: 5584
- Зарегистрирован: 24 окт 2012, 20:41
- Страна, Регион, Область: СССР
- Город: Деревня Малая Малявня
- Откуда: деревня МАЛАЯ МАЛЯВНЯ
- Благодарил (а): 602 раза
- Поблагодарили: 816 раз
Re: Проблемы в работе ТПА ДЕ3132
!Надо смотреть начиная с 2013 года. В 2019 все слетело по вложениям. Зайдите в мои сообщения и все что касается Хмельницкий Машин почитайте . будет полезно.
- Вложения
-
- ДЕ3127.JPG (18.1 КБ) 6156 просмотров
-
- узел впрыска.jpg (17.55 КБ) 6156 просмотров
-
- сканирование0001.pdf
- (851.76 КБ) 31 скачивание
- Рейтинг: 5%
-
- Эксперт Гидравлик
- Сообщения: 5584
- Зарегистрирован: 24 окт 2012, 20:41
- Страна, Регион, Область: СССР
- Город: Деревня Малая Малявня
- Откуда: деревня МАЛАЯ МАЛЯВНЯ
- Благодарил (а): 602 раза
- Поблагодарили: 816 раз
Re: Проблемы в работе ТПА ДЕ3132

- Вложения
-
- Lenovo_A1000_IMG_20170413_160558.jpg (22.02 КБ) 6138 просмотров
Последний раз редактировалось ЗЮМ 11 окт 2021, 21:29, всего редактировалось 1 раз.
-
- Сообщения: 3455
- Зарегистрирован: 02 фев 2020, 10:56
- Страна, Регион, Область: Германия
- Город: NRW
- Благодарил (а): 1219 раз
- Поблагодарили: 1429 раз
Re: Проблемы в работе ТПА ДЕ3132
Не совсем уверен , но но такое чувство, что отскок происходит вместе с движением механизма перекрытия сопла. Ох уж эти рычаги
. Там нет случайно возможности отключить функцию перекрытия. На многих знаю есть .

Nein zum Krieg.
-
- Сообщения: 3455
- Зарегистрирован: 02 фев 2020, 10:56
- Страна, Регион, Область: Германия
- Город: NRW
- Благодарил (а): 1219 раз
- Поблагодарили: 1429 раз
-
- Сообщения: 72
- Зарегистрирован: 21 мар 2018, 21:17
- Страна, Регион, Область: ЛНР
- Город: Луганск
- Благодарил (а): 19 раз
- Поблагодарили: 5 раз
Re: Проблемы в работе ТПА ДЕ3132
Сегодня не смог произвести манипуляции со станком, оператор приболел.....
Пока выкладываю фотки.
Пока выкладываю фотки.
-
- Сообщения: 72
- Зарегистрирован: 21 мар 2018, 21:17
- Страна, Регион, Область: ЛНР
- Город: Луганск
- Благодарил (а): 19 раз
- Поблагодарили: 5 раз
Re: Проблемы в работе ТПА ДЕ3132
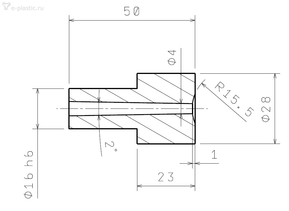
Литьевая втулка расточена под сопло. Остальное на чертеже.
Отмечу, что эта форма на другом ТПА работает нормально. На 3132 работают три п/формы. На двух эта проблема есть а третья более-менее работает нормально.
Отмечу, что эта форма на другом ТПА работает нормально. На 3132 работают три п/формы. На двух эта проблема есть а третья более-менее работает нормально.
- d_y
- Сообщения: 301
- Зарегистрирован: 04 окт 2008, 13:10
- Страна, Регион, Область: Украина
- Город: Киев
- Откуда: Киев, Украина
- Благодарил (а): 1 раз
- Поблагодарили: 13 раз
Re: Проблемы в работе ТПА ДЕ3132
Пауза перед загрузкой установлена ? Если ее отключить (установить 0 значение времени) есть изменения ?
Кто сейчас на конференции
Сейчас этот форум просматривают: нет зарегистрированных пользователей и 9 гостей