Вопрос по ТПА Windsor HSI-250
-
Val0266
- Сообщения: 167
- Зарегистрирован: 07 май 2011, 11:59
- Страна, Регион, Область: Россия, Нижегородская обл.
- Город: Арзамас
- Благодарил (а): 8 раз
- Поблагодарили: 11 раз
Вопрос по ТПА Windsor HSI-250
Никак не могу решить проблему: рвет сальник уплотнения вала насоса. Марку насоса сообщу чуть позднее. Насос подобный, как на Kuasy 170/55, 410/100 (Orsta).
Все что руками сделано - можно починить. Нужны знания и время.
- Олька
- Сообщения: 1012
- Зарегистрирован: 18 окт 2010, 17:36
- Страна, Регион, Область: Россия, Северо-западный регион, Новгородская обл.
- Город: Великий Новгород
- Откуда: Великий Новгород
- Благодарил (а): 32 раза
- Поблагодарили: 84 раза
Re: Вопрос по ТПА Windsor HSI-250
О-о-о!!! Мой друг! :roll: Хана твоему насосу!!! ;)
Износ в распределительных пластинах между которыми расположен ротор! ;) Это как минимум!!!
Дальше расписывать???
Износ в распределительных пластинах между которыми расположен ротор! ;) Это как минимум!!!
Дальше расписывать???
Злая ты, Олечка!
-
Jtsuken
- Сообщения: 76
- Зарегистрирован: 02 июл 2010, 11:37
- Страна, Регион, Область: Украина
- Город: Киев
- Откуда: Киев
- Благодарил (а): 0
- Поблагодарили: 1 раз
Re: Вопрос по ТПА Windsor HSI-250
Val0266
- несоосность валов приводного электродвигателя и насоса;
- несработка (золотник залип в закрытом положении) предохранительного клапана.
Что при этом на манометре (какое давление)?
Марку насоса давайте, у каждого типа насосов есть свои "болячки".
Олька
Расписывайте!
Возможные причины подобной проблемы:Никак не могу решить проблему: рвет сальник уплотнения вала насоса.
- несоосность валов приводного электродвигателя и насоса;
- несработка (золотник залип в закрытом положении) предохранительного клапана.
Что при этом на манометре (какое давление)?
Марку насоса давайте, у каждого типа насосов есть свои "болячки".
Олька
Расписывайте!
- Бегемот
- Сообщения: 2815
- Зарегистрирован: 03 окт 2009, 13:39
- Страна, Регион, Область: Россия
- Город: Владимир
- Откуда: Из Аршинцево, г. Керчь, Крым-Россия.
- Благодарил (а): 53 раза
- Поблагодарили: 166 раз
- Контактная информация:
Re: Вопрос по ТПА Windsor HSI-250
В таком случае сначала будет греметь и кандрашить, потом разобьёт подшипник и начнёт сосать воздух, а в выключенном состоянии течь потихоньку. Но чтобы сальник наизнанку вывернуло или порвало- навряд ли.- несоосность валов приводного электродвигателя и насоса;
Он если начнёт клинить, то давлением его откроет, а вот закрыться он не захочет.несработка (золотник залип в закрытом положении) предохранительного клапана.
И сальник не держит давление нагнетания, оно там не создаётся.
Оленька-злорадная)Хана твоему насосу!!! ;)
Бегемот!!! Ты меня не зли!!! ©Олька
- Олька
- Сообщения: 1012
- Зарегистрирован: 18 окт 2010, 17:36
- Страна, Регион, Область: Россия, Северо-западный регион, Новгородская обл.
- Город: Великий Новгород
- Откуда: Великий Новгород
- Благодарил (а): 32 раза
- Поблагодарили: 84 раза
Re: Вопрос по ТПА Windsor HSI-250
Пол года назад, на KuASY 170/55 произошел обширный инфаркт большого насоса!
При загрузке большого, "кровь" наружу! Сняли, вскрыли. Задран ротор с торцов, и распределительные пластины. Все остальное, (статор, пружины, лопатки...) в хорошем состоянии! :o
Хорошо был запасной! :D
Вот так!
При загрузке большого, "кровь" наружу! Сняли, вскрыли. Задран ротор с торцов, и распределительные пластины. Все остальное, (статор, пружины, лопатки...) в хорошем состоянии! :o
Хорошо был запасной! :D
Вот так!
Злая ты, Олечка!
-
Val0266
- Сообщения: 167
- Зарегистрирован: 07 май 2011, 11:59
- Страна, Регион, Область: Россия, Нижегородская обл.
- Город: Арзамас
- Благодарил (а): 8 раз
- Поблагодарили: 11 раз
Re: Вопрос по ТПА Windsor HSI-250
На шильдике насоса прочитали следующее:
Getriebe
Typ. 664p.118.072.021.rf
В нете пошарил, о таких насосах даже нет упоминаний. К сожалению у нас вероятно не полный комплект документации, и уточнить марку насоса негде. Если у кого такая машина есть, убедительная просмотрите пжста марку и напишите мне.
Конечно самый верный способ-это вскрытие. Сейчас пока заказчик не дает машину остановить, срочный заказ надо выполнить. Я заранее пытаюсь че нить узнать-к чему заказчика готовить. (В смысле скока бобла надо будет). Насос 3-х секционный, компоновка и внешний вид-как у куасишного. Чуть позднее сделаю фотки и выложу.
Getriebe
Typ. 664p.118.072.021.rf
В нете пошарил, о таких насосах даже нет упоминаний. К сожалению у нас вероятно не полный комплект документации, и уточнить марку насоса негде. Если у кого такая машина есть, убедительная просмотрите пжста марку и напишите мне.
Конечно самый верный способ-это вскрытие. Сейчас пока заказчик не дает машину остановить, срочный заказ надо выполнить. Я заранее пытаюсь че нить узнать-к чему заказчика готовить. (В смысле скока бобла надо будет). Насос 3-х секционный, компоновка и внешний вид-как у куасишного. Чуть позднее сделаю фотки и выложу.
Все что руками сделано - можно починить. Нужны знания и время.
- Олька
- Сообщения: 1012
- Зарегистрирован: 18 окт 2010, 17:36
- Страна, Регион, Область: Россия, Северо-западный регион, Новгородская обл.
- Город: Великий Новгород
- Откуда: Великий Новгород
- Благодарил (а): 32 раза
- Поблагодарили: 84 раза
Re: Вопрос по ТПА Windsor HSI-250
У вас еще она и работает!!!!! :o
У нас и цикла не с могла сделать! ;)
У нас и цикла не с могла сделать! ;)
Злая ты, Олечка!
-
Jtsuken
- Сообщения: 76
- Зарегистрирован: 02 июл 2010, 11:37
- Страна, Регион, Область: Украина
- Город: Киев
- Откуда: Киев
- Благодарил (а): 0
- Поблагодарили: 1 раз
Re: Вопрос по ТПА Windsor HSI-250
Val0266
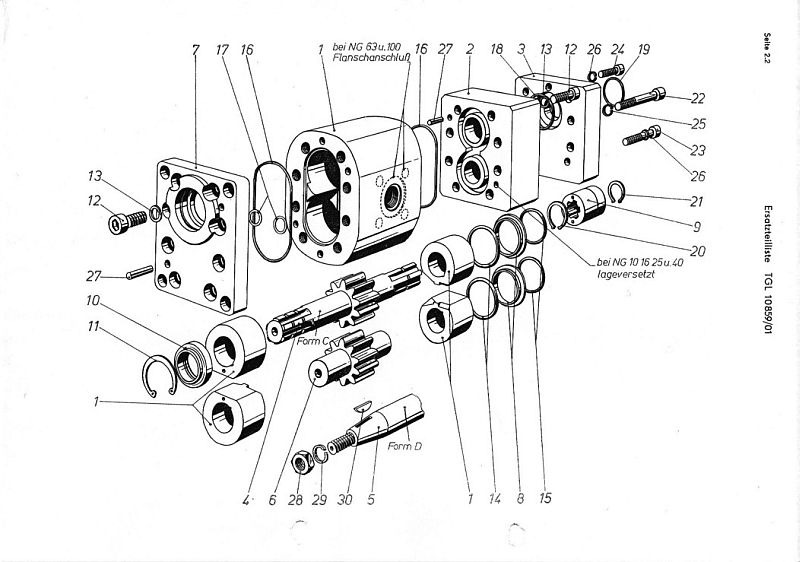
Три секции с рабочими объемами 118 см3, 72 см3, 21 см3.
Подобные смотрите здесь: ищите каталог TGL 10859.
Аналогов нет. Под заказ возможно сделают ОАО"Гидросила". Вам подойдет (если давление в гидросистеме не превышает 20 МПа) насос трехсекционный НШ112М-71М-20М-4.443***(присоединение надо уточнить).
Олька
В шестеренном насосе что Вы называете ротором и статором, и распределительными пластинами? :)
Бегемот
В однопоточных шестеренных насосах течь по валу через сальник 10 (см. рис.):
- неправильное направление вращения приводного двигателя;
- износ задних втулок 1 вследствие естественного износа или перегруженного предохранительного клапана;
- повышенное внутрикорпусное давление вследствие перегруженного (заклинившего в закрытом положении) предохранительного клапана.
Мне известны два типа (устаревшие модели) предохранительных клапанов, намертво залипающих в "закрытом" положении при естественном износе или попадании примесей определенного размера.
Насос шестеренный секционный.На шильдике насоса прочитали следующее:
Getriebe
Typ. 664p.118.072.021.rf
Три секции с рабочими объемами 118 см3, 72 см3, 21 см3.
Подобные смотрите здесь: ищите каталог TGL 10859.
Аналогов нет. Под заказ возможно сделают ОАО"Гидросила". Вам подойдет (если давление в гидросистеме не превышает 20 МПа) насос трехсекционный НШ112М-71М-20М-4.443***(присоединение надо уточнить).
Олька
В шестеренном насосе что Вы называете ротором и статором, и распределительными пластинами? :)
Бегемот
Не обязательно. Но шум будет повышенный. При небольшой несоосности - течь по валу будет идти только под нагрузкой. Это критично для вновь созданных установок или при замене насоса на насос другого типа (когда осуществлялась замена фланца и полумуфт).В таком случае сначала будет греметь и кандрашить, потом разобьёт подшипник и начнёт сосать воздух, а в выключенном состоянии течь потихоньку. Но чтобы сальник наизнанку вывернуло или порвало- навряд ли.
В однопоточных шестеренных насосах течь по валу через сальник 10 (см. рис.):
- неправильное направление вращения приводного двигателя;
- износ задних втулок 1 вследствие естественного износа или перегруженного предохранительного клапана;
- повышенное внутрикорпусное давление вследствие перегруженного (заклинившего в закрытом положении) предохранительного клапана.
Он если начнёт клинить, то давлением его откроет, а вот закрыться он не захочет.
Мне известны два типа (устаревшие модели) предохранительных клапанов, намертво залипающих в "закрытом" положении при естественном износе или попадании примесей определенного размера.
Вы утверждаете, что давление нагнетания не присутствует в корпусе насоса?И сальник не держит давление нагнетания, оно там не создаётся.
-
Val0266
- Сообщения: 167
- Зарегистрирован: 07 май 2011, 11:59
- Страна, Регион, Область: Россия, Нижегородская обл.
- Город: Арзамас
- Благодарил (а): 8 раз
- Поблагодарили: 11 раз
Re: Вопрос по ТПА Windsor HSI-250
А в чем пролблема?Олька писал(а):У вас еще она и работает!!!!! :o
У нас и цикла не с могла сделать! ;)
Все что руками сделано - можно починить. Нужны знания и время.
-
Val0266
- Сообщения: 167
- Зарегистрирован: 07 май 2011, 11:59
- Страна, Регион, Область: Россия, Нижегородская обл.
- Город: Арзамас
- Благодарил (а): 8 раз
- Поблагодарили: 11 раз
Re: Вопрос по ТПА Windsor HSI-250
Насос шестеренный секционный.
Три секции с рабочими объемами 118 см3, 72 см3, 21 см3.
Подобные смотрите здесь: ищите каталог TGL 10859.
Аналогов нет. Под заказ возможно сделают ОАО"Гидросила". Вам подойдет (если давление в гидросистеме не превышает 20 МПа) насос трехсекционный НШ112М-71М-20М-4.443***(присоединение надо уточнить).
Насос у нас не шестеренный! (Хотя на шильдике Getriebe). А исполнение у него такое же, как в TGL 10885_03. Повышенный шум действительно есть. Причем без нагрузки. Под нагрузкой вполне "мягкий", нормальный шелест. Про заклинивание клапана нечего говорить. С этим никаких проблем нет. Кстати там не просто клапан, а пропорциональный регулятор давления. С новыми сальниками проработать может день, а то и два. К сожалению не довелось видеть, какие события происходят в момент повреждения сальника. Видим только результат.
Три секции с рабочими объемами 118 см3, 72 см3, 21 см3.
Подобные смотрите здесь: ищите каталог TGL 10859.
Аналогов нет. Под заказ возможно сделают ОАО"Гидросила". Вам подойдет (если давление в гидросистеме не превышает 20 МПа) насос трехсекционный НШ112М-71М-20М-4.443***(присоединение надо уточнить).
Насос у нас не шестеренный! (Хотя на шильдике Getriebe). А исполнение у него такое же, как в TGL 10885_03. Повышенный шум действительно есть. Причем без нагрузки. Под нагрузкой вполне "мягкий", нормальный шелест. Про заклинивание клапана нечего говорить. С этим никаких проблем нет. Кстати там не просто клапан, а пропорциональный регулятор давления. С новыми сальниками проработать может день, а то и два. К сожалению не довелось видеть, какие события происходят в момент повреждения сальника. Видим только результат.
Все что руками сделано - можно починить. Нужны знания и время.
-
иван211
- Сообщения: 1
- Зарегистрирован: 07 июн 2011, 16:31
- Страна, Регион, Область: Россия
- Город: Арзамас
- Благодарил (а): 0
- Поблагодарили: 0
Re: Вопрос по ТПА Windsor HSI-250
Val0266
Как ты просил, я тут, в добавок все прочитал, пока если честно, ни кто информации по ремонту и профилактики нашего случая не дал! Приведенный выше насосTGL_10859 , не подойдет, на подобие такого стоят на куаси 170\55
Как ты просил, я тут, в добавок все прочитал, пока если честно, ни кто информации по ремонту и профилактики нашего случая не дал! Приведенный выше насосTGL_10859 , не подойдет, на подобие такого стоят на куаси 170\55
-
Jtsuken
- Сообщения: 76
- Зарегистрирован: 02 июл 2010, 11:37
- Страна, Регион, Область: Украина
- Город: Киев
- Откуда: Киев
- Благодарил (а): 0
- Поблагодарили: 1 раз
Re: Вопрос по ТПА Windsor HSI-250
Val0266
Насос пластинчатый, он же шиберный (schieberpumpen).
Моя ошибка.
Привлекло слово "шестерня". :oops: Олька права в определении комплектующих.
Замена, кстати, та же.
С такой конструкцией вживую не знаком. Обычно, при перегрузке по давлению, в пластинчатых насосах "выворачивает" пластины, они царапают распределительные диски, и насос после этого не дает давление (или низкое - вполовину меньше чем обычно). Или более критические мех.повреждения (обрыв вала, трещина в роторе).
Возможно износ переднего подшипника?
По пластинчатым насосам можно посмотреть руководство по пластинчатым насосам Denison.
Насос пластинчатый, он же шиберный (schieberpumpen).
Моя ошибка.
Привлекло слово "шестерня". :oops: Олька права в определении комплектующих.
Замена, кстати, та же.
С такой конструкцией вживую не знаком. Обычно, при перегрузке по давлению, в пластинчатых насосах "выворачивает" пластины, они царапают распределительные диски, и насос после этого не дает давление (или низкое - вполовину меньше чем обычно). Или более критические мех.повреждения (обрыв вала, трещина в роторе).
Возможно износ переднего подшипника?
По пластинчатым насосам можно посмотреть руководство по пластинчатым насосам Denison.
-
Val0266
- Сообщения: 167
- Зарегистрирован: 07 май 2011, 11:59
- Страна, Регион, Область: Россия, Нижегородская обл.
- Город: Арзамас
- Благодарил (а): 8 раз
- Поблагодарили: 11 раз
Re: Вопрос по ТПА Windsor HSI-250
Кароч, как эксперты говорят-результаты экспертизы тока после вскрытия. :lol: Мрачно, но по существу. Дождемся когда дадут вскрытие сделать. О резудьтатх обязательно отпишемся.Jtsuken писал(а):Val0266
Насос пластинчатый, он же шиберный (schieberpumpen).
Моя ошибка.
Привлекло слово "шестерня". :oops: Олька права в определении комплектующих.![]()
Обычно, при перегрузке по давлению, в пластинчатых насосах "выворачивает" пластины, они царапают распределительные диски, и насос после этого не дает давление (или низкое - вполовину меньше чем обычно). Или более критические мех.повреждения (обрыв вала, трещина в роторе).
Возможно износ переднего подшипника?
По пластинчатым насосам можно посмотреть руководство по пластинчатым насосам Denison.
По поводу давления-все 3 секции давление прекрасно выдают. 160 bar запросто.
Все что руками сделано - можно починить. Нужны знания и время.
- Олька
- Сообщения: 1012
- Зарегистрирован: 18 окт 2010, 17:36
- Страна, Регион, Область: Россия, Северо-западный регион, Новгородская обл.
- Город: Великий Новгород
- Откуда: Великий Новгород
- Благодарил (а): 32 раза
- Поблагодарили: 84 раза
Re: Вопрос по ТПА Windsor HSI-250
Мужики! Вы уж определитесь, про какой насос идет речь! :roll:
Вот ВАМ внутренности шиберного насоса Orsta:
Я и написала!!! :PНасос подобный, как на Kuasy 170/55, 410/100 (Orsta).
Вот ВАМ внутренности шиберного насоса Orsta:
Злая ты, Олечка!
- Олька
- Сообщения: 1012
- Зарегистрирован: 18 окт 2010, 17:36
- Страна, Регион, Область: Россия, Северо-западный регион, Новгородская обл.
- Город: Великий Новгород
- Откуда: Великий Новгород
- Благодарил (а): 32 раза
- Поблагодарили: 84 раза
Re: Вопрос по ТПА Windsor HSI-250
Вид снаружи
- Вложения
-
- Фото0058.jpg (67.43 КБ) 9174 просмотра
Злая ты, Олечка!
- Олька
- Сообщения: 1012
- Зарегистрирован: 18 окт 2010, 17:36
- Страна, Регион, Область: Россия, Северо-западный регион, Новгородская обл.
- Город: Великий Новгород
- Откуда: Великий Новгород
- Благодарил (а): 32 раза
- Поблагодарили: 84 раза
Re: Вопрос по ТПА Windsor HSI-250
Внутри: статор с ротором и лопатками
Если присмотреться, то виден износ лопаток.
Если присмотреться, то виден износ лопаток.
- Вложения
-
- Фото0036.jpg (266.12 КБ) 9173 просмотра
Последний раз редактировалось Олька 07 июн 2011, 23:18, всего редактировалось 1 раз.
Злая ты, Олечка!
- Олька
- Сообщения: 1012
- Зарегистрирован: 18 окт 2010, 17:36
- Страна, Регион, Область: Россия, Северо-западный регион, Новгородская обл.
- Город: Великий Новгород
- Откуда: Великий Новгород
- Благодарил (а): 32 раза
- Поблагодарили: 84 раза
Re: Вопрос по ТПА Windsor HSI-250
Износ в распределительном диске (подписано)
- Вложения
-
- Фото0037.jpg (160.71 КБ) 9173 просмотра
Злая ты, Олечка!
- Олька
- Сообщения: 1012
- Зарегистрирован: 18 окт 2010, 17:36
- Страна, Регион, Область: Россия, Северо-западный регион, Новгородская обл.
- Город: Великий Новгород
- Откуда: Великий Новгород
- Благодарил (а): 32 раза
- Поблагодарили: 84 раза
Re: Вопрос по ТПА Windsor HSI-250
Если в этом месте износ, то масло будет течь по валу и сальник не спасет!!! Эта камера высокого давления!
Злая ты, Олечка!
- Бегемот
- Сообщения: 2815
- Зарегистрирован: 03 окт 2009, 13:39
- Страна, Регион, Область: Россия
- Город: Владимир
- Откуда: Из Аршинцево, г. Керчь, Крым-Россия.
- Благодарил (а): 53 раза
- Поблагодарили: 166 раз
- Контактная информация:
Re: Вопрос по ТПА Windsor HSI-250
Оленька, зачем так категорично?Олька писал(а):Если в этом месте износ, то масло будет течь по валу и сальник не спасет!!! Эта камера высокого давления!
Немцы это давно продумали) Заодно это смазывает подшипники.
Нет на валу, на подшипниках и на сальнике высокого давления.
В нормально собранном насосе там наоборот подсос, и при худых сальниках подсасывает воздух, пенит масло и рычит.
Небольшой обзорчик принципа работы от Бегемота:
Принцип действия насоса: Принцип сбора утечек между ротором и щеками на вал: Утечки из передней плиты, там где сальник, выводятся через желобки на валу.
Корпус большой, внутри много чего, и давление и разряжение....я говорил про полость сальника.Jtsuken писал(а):Вы утверждаете, что давление нагнетания не присутствует в корпусе насоса?
Пи.Си. Олькин, у вас там нижняя лопатка раком стоит, канавки на её стенке должны смотреть на полость нагнетания, через них подпирающее давление подаётся, иначе прижиматься не будут, одними коромыслами не удержите, сломаются. Если они будут смотреть в сторону всаса- их наоборот будет втягивать в статор.
А износ, который Вы отметили, он соеденит полость нагнетания с полостью всаса. На хмельницких насосах при этом давление совсем падает, и я шлифую щёки))), и он снова давит нормально, а сальнику при этом ни чего не угрожает.
Бегемот!!! Ты меня не зли!!! ©Олька
-
Val0266
- Сообщения: 167
- Зарегистрирован: 07 май 2011, 11:59
- Страна, Регион, Область: Россия, Нижегородская обл.
- Город: Арзамас
- Благодарил (а): 8 раз
- Поблагодарили: 11 раз
Re: Вопрос по ТПА Windsor HSI-250
Уважаемый Бегемот! А как у Вас обстоит дело с ремонтом насосов? Если делаете, то хотелось бы узнать Ваши расценки и сроки? Мы от Вас не так далеко находимся, всего 250 км.
Все что руками сделано - можно починить. Нужны знания и время.
- Олька
- Сообщения: 1012
- Зарегистрирован: 18 окт 2010, 17:36
- Страна, Регион, Область: Россия, Северо-западный регион, Новгородская обл.
- Город: Великий Новгород
- Откуда: Великий Новгород
- Благодарил (а): 32 раза
- Поблагодарили: 84 раза
Re: Вопрос по ТПА Windsor HSI-250
Я знаю что лопатки не так стоят! По этому насосу помойка плачет!!! ;)
Я не глядя его собрала в кучу, дабы показать!
Я не глядя его собрала в кучу, дабы показать!
Да! Так оно и есть! Пока не пояляются лишние зазоры в виде задиров, куда масло не должно попадать в больших количествах!!! ;)Утечки из передней плиты, там где сальник, выводятся через желобки на валу.
Злая ты, Олечка!
- Бегемот
- Сообщения: 2815
- Зарегистрирован: 03 окт 2009, 13:39
- Страна, Регион, Область: Россия
- Город: Владимир
- Откуда: Из Аршинцево, г. Керчь, Крым-Россия.
- Благодарил (а): 53 раза
- Поблагодарили: 166 раз
- Контактная информация:
Re: Вопрос по ТПА Windsor HSI-250
Очень плохо, в основном "на коленке" из того, что под рукой.Val0266 писал(а):Уважаемый Бегемот! А как у Вас обстоит дело с ремонтом насосов?
Вот у Ольки начальство доброе, оно ей всё покупает, чего она не скапризничает.
Бегемот!!! Ты меня не зли!!! ©Олька
- Бегемот
- Сообщения: 2815
- Зарегистрирован: 03 окт 2009, 13:39
- Страна, Регион, Область: Россия
- Город: Владимир
- Откуда: Из Аршинцево, г. Керчь, Крым-Россия.
- Благодарил (а): 53 раза
- Поблагодарили: 166 раз
- Контактная информация:
Re: Вопрос по ТПА Windsor HSI-250
Милая Олечка, задир(зазор, износ) этот идёт по кругу и равномерно.Олька писал(а):Пока не пояляются лишние зазоры в виде задиров, куда масло не должно попадать в больших количествах!!! ;)
Или ты хочешь сказать, что образуется умная ступенька, которая через оранжевую зону пропускает легко, а через голубую запирает намертво?
При равномерном износе что протечёт из нагнетания, то усосётся всасом по малиновой траектории.
Разве только у тебя насос выдаёт по литражу больше, чем засасывает))
Бегемот!!! Ты меня не зли!!! ©Олька
- Олька
- Сообщения: 1012
- Зарегистрирован: 18 окт 2010, 17:36
- Страна, Регион, Область: Россия, Северо-западный регион, Новгородская обл.
- Город: Великий Новгород
- Откуда: Великий Новгород
- Благодарил (а): 32 раза
- Поблагодарили: 84 раза
Re: Вопрос по ТПА Windsor HSI-250
Бегемот Я излагаю факты! :P
Я уже писала выше! В этом месте, как в поле пропахано было, и тоже рвало сальник!!! :x
Я уже писала выше! В этом месте, как в поле пропахано было, и тоже рвало сальник!!! :x
Злая ты, Олечка!
- Бегемот
- Сообщения: 2815
- Зарегистрирован: 03 окт 2009, 13:39
- Страна, Регион, Область: Россия
- Город: Владимир
- Откуда: Из Аршинцево, г. Керчь, Крым-Россия.
- Благодарил (а): 53 раза
- Поблагодарили: 166 раз
- Контактная информация:
Re: Вопрос по ТПА Windsor HSI-250
Олькин, да фик с ним, тут пока не разберёшь и в живую не увидишь, гадать на кофейной гуще бесполезно)
Бегемот!!! Ты меня не зли!!! ©Олька
-
Val0266
- Сообщения: 167
- Зарегистрирован: 07 май 2011, 11:59
- Страна, Регион, Область: Россия, Нижегородская обл.
- Город: Арзамас
- Благодарил (а): 8 раз
- Поблагодарили: 11 раз
Re: Вопрос по ТПА Windsor HSI-250
Выкладываю результаты вскрытия нашего насоса
- Вложения
-
- Это марка нашего насоса
- PIC-83.jpg (121.16 КБ) 8911 просмотров
Все что руками сделано - можно починить. Нужны знания и время.
-
Val0266
- Сообщения: 167
- Зарегистрирован: 07 май 2011, 11:59
- Страна, Регион, Область: Россия, Нижегородская обл.
- Город: Арзамас
- Благодарил (а): 8 раз
- Поблагодарили: 11 раз
Re: Вопрос по ТПА Windsor HSI-250
Продолжение...
- Вложения
-
- Как раз на краю, где вращается ротор
- PIC-89.jpg (87.69 КБ) 8909 просмотров
-
- Это раковина
- PIC-88.jpg (67.61 КБ) 8909 просмотров
-
- Видимо здесь есть износ...
- PIC-87.jpg (75.53 КБ) 8909 просмотров
Все что руками сделано - можно починить. Нужны знания и время.
-
Val0266
- Сообщения: 167
- Зарегистрирован: 07 май 2011, 11:59
- Страна, Регион, Область: Россия, Нижегородская обл.
- Город: Арзамас
- Благодарил (а): 8 раз
- Поблагодарили: 11 раз
Re: Вопрос по ТПА Windsor HSI-250
Уважаемые Господа эксперты! Какие будут мнения? Мы думаем, если шлифануть поверхности, должно помочь. Вопрос в другом: изменится толщина пакета после сборки. Как это может повлиять на установку соединительной муфты между валами секций и не упрется ли слишком сильно передний подшипник в переднюю крышку? Шлифовать надо 4 поверхности. Снять придется от 0.3 до 0.5 мм. Итого будет приблизительно 1.2...1.5 мм.
Все что руками сделано - можно починить. Нужны знания и время.
- Олька
- Сообщения: 1012
- Зарегистрирован: 18 окт 2010, 17:36
- Страна, Регион, Область: Россия, Северо-западный регион, Новгородская обл.
- Город: Великий Новгород
- Откуда: Великий Новгород
- Благодарил (а): 32 раза
- Поблагодарили: 84 раза
Re: Вопрос по ТПА Windsor HSI-250
У нас по всему кругу борозды были! Ротору тоже досталось!
Насосы такого типа, мы реанимировать и непытаемся. Раньше пробовали на БГ, все размеры выдерживали, всё хорошо собирилось и крутилось от руки. А как ставили на машину, "поросячий визг" - всё задирало окончательно!
Сразу скажу, масло в насосе при запуске было!
Проще новый купить. А немецких, ещё есть запасы!!! Один раз, собрали одын насос (немецкий, родной) из двух! Сутки 3е работал в холостую чтоб притерся, прошел год, отлично работает!
Насосы такого типа, мы реанимировать и непытаемся. Раньше пробовали на БГ, все размеры выдерживали, всё хорошо собирилось и крутилось от руки. А как ставили на машину, "поросячий визг" - всё задирало окончательно!
Сразу скажу, масло в насосе при запуске было!
Проще новый купить. А немецких, ещё есть запасы!!! Один раз, собрали одын насос (немецкий, родной) из двух! Сутки 3е работал в холостую чтоб притерся, прошел год, отлично работает!
Злая ты, Олечка!
- ВЕТАЛ
- Сообщения: 618
- Зарегистрирован: 16 апр 2008, 12:19
- Страна, Регион, Область: Рідна ненька Україна
- Город: Харків
- Благодарил (а): 1 раз
- Поблагодарили: 9 раз
Re: Вопрос по ТПА Windsor HSI-250
Олька, ну если вы не умеете ремонтировать БГ-шные насосы, то и немецкие вообще не стоит трогать, а они восстанавливаются, не пугайте человека, только стоит этим заниматься профессионалам.
Технологию ремонта подсказать не могу, т.к. последний раз это делал еще в прошлом веке и многих нюансов уже не помню, а отечественные ремонтирую "на раз", без всяких поросячих завываний.
Технологию ремонта подсказать не могу, т.к. последний раз это делал еще в прошлом веке и многих нюансов уже не помню, а отечественные ремонтирую "на раз", без всяких поросячих завываний.
Кто сейчас на конференции
Сейчас этот форум просматривают: нет зарегистрированных пользователей и 8 гостей