Ну что ,Попробуем развеять Миф о не понятном Китае. Отпишемся.ЗЮМ писал(а): ↑04 мар 2024, 22:54https://aliexpress.ru/item/100500467607 ... 3f82YUhEmbПроф болезнь. Все равно Буду копать через человека с проверенным каналом по чертежам заказчика.
Изготовление сопел (мундштуков) для ТПА.
-
- Эксперт Гидравлик
- Сообщения: 5584
- Зарегистрирован: 24 окт 2012, 20:41
- Страна, Регион, Область: СССР
- Город: Деревня Малая Малявня
- Откуда: деревня МАЛАЯ МАЛЯВНЯ
- Благодарил (а): 602 раза
- Поблагодарили: 816 раз
Re: Изготовление сопел (мундштуков) для ТПА.
- За это сообщение автора ЗЮМ поблагодарили (всего 2):
- Оксана Викторовна • KsunReh
- Рейтинг: 10%
- ПластСтер
- Сообщения: 2932
- Зарегистрирован: 29 окт 2009, 13:15
- Страна, Регион, Область: Россия
- Город: Стерлитамак
- Откуда: Как все
- Благодарил (а): 458 раз
- Поблагодарили: 807 раз
- Контактная информация:
Re: Изготовление сопел (мундштуков) для ТПА.
Утро доброе всем. Тоже выскажусь.
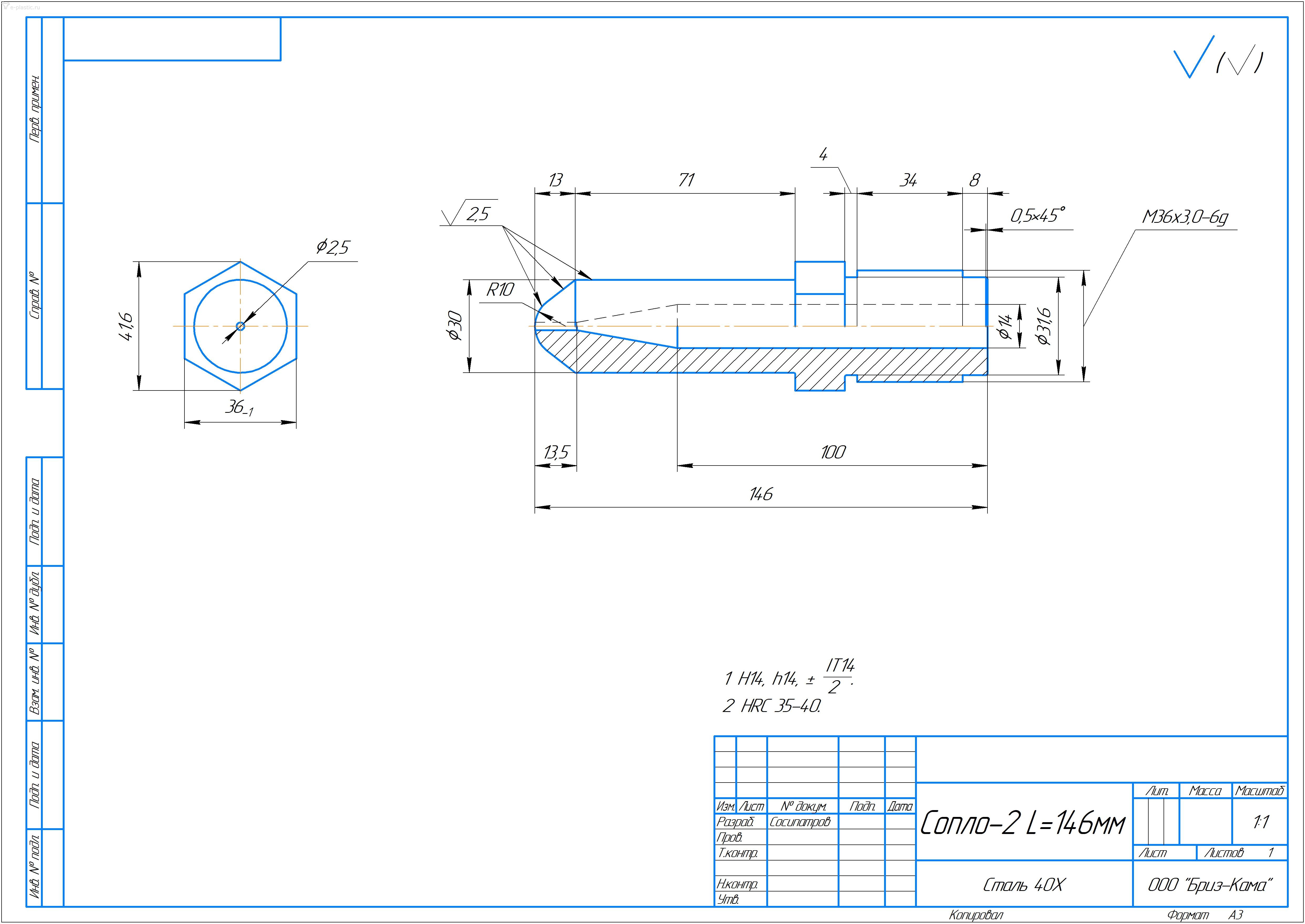
Сопла делаем сами. Материал 40Х. Закалка объёмная, 40-45 HRS. Внутренний конус делается элементарно, на разную глубину разным диаметром сверлятся отверстия, далее либо резцом, если позволяет размер, либо конусной фрезой. Выравниваем все разверткой. Фрезы и развертки заказываем на заказ. после закалки, проходим разверткой и шлифуем наждачкой. Все прекрасно работает. Инструменталка своя, поэтому мне рассуждать проще.
Длинные сопла не очень люблю, особенно на ПВХ и ПК, горят зараза, вроде и конус, и переход плавный, но все равно подгорает. На таких материалах, сопло делаем так, что бы конусом наконечника шнека, материал выдавливался практически в ноль. В этом случае, что бы не подгонять внутренний конус, делаем наконечник и подгоняем конус на наконечнике шнека. Наконечники точим либо из 40Х, либо 40Х13. Калим объёмно, после закалки немного стабилизируем, что бы снять напряжения и хрупкость.
Ну как то так.
Сопла делаем сами. Материал 40Х. Закалка объёмная, 40-45 HRS. Внутренний конус делается элементарно, на разную глубину разным диаметром сверлятся отверстия, далее либо резцом, если позволяет размер, либо конусной фрезой. Выравниваем все разверткой. Фрезы и развертки заказываем на заказ. после закалки, проходим разверткой и шлифуем наждачкой. Все прекрасно работает. Инструменталка своя, поэтому мне рассуждать проще.
Длинные сопла не очень люблю, особенно на ПВХ и ПК, горят зараза, вроде и конус, и переход плавный, но все равно подгорает. На таких материалах, сопло делаем так, что бы конусом наконечника шнека, материал выдавливался практически в ноль. В этом случае, что бы не подгонять внутренний конус, делаем наконечник и подгоняем конус на наконечнике шнека. Наконечники точим либо из 40Х, либо 40Х13. Калим объёмно, после закалки немного стабилизируем, что бы снять напряжения и хрупкость.
Ну как то так.
- За это сообщение автора ПластСтер поблагодарили (всего 4):
- Оксана Викторовна • ЗЮМ • Артур69 • KsunReh
- Рейтинг: 20%
Звать меня, Сергей
-
- Сообщения: 446
- Зарегистрирован: 14 фев 2014, 21:56
- Страна, Регион, Область: Россия
- Город: Санкт-Петербург
- Благодарил (а): 153 раза
- Поблагодарили: 213 раз
Re: Изготовление сопел (мундштуков) для ТПА.
На наши деньги 14 т.р. без доставки, в принципе +/- то что мы заказываем. Коллеги, поймите, никто не будет делать единичный заказ (хоть 1 хоть 15 сопел) по цене массового пр-ва, так что если есть источник подходящих сопел то это идеальный вариант

Это тоже самое что со штуцерами (например) для форм. 1 штука стоит 80-100 рублей у поставщиков комплектующих для форм. Попробуйте найдите производство которое сделает вам на заказ ну пусть 50 штук по такой цене

Выглядит заманчиво, но для сопла главное это совпадение с фланцем материального цилиндра по запорной поверхности и совпадение по диаметру входного отверстия (если оно будет больше - будет застойная зона). Конкретно в этой карточке товара никаких чертежей и пояснений толковых нет, как заказывать непонятно ???ЗЮМ писал(а): ↑04 мар 2024, 22:54https://aliexpress.ru/item/100500467607 ... 3f82YUhEmb Проф болезнь. Все равно Буду копать через человека с проверенным каналом по чертежам заказчика.

-
- Эксперт Гидравлик
- Сообщения: 5584
- Зарегистрирован: 24 окт 2012, 20:41
- Страна, Регион, Область: СССР
- Город: Деревня Малая Малявня
- Откуда: деревня МАЛАЯ МАЛЯВНЯ
- Благодарил (а): 602 раза
- Поблагодарили: 816 раз
Re: Изготовление сопел (мундштуков) для ТПА.
Порядок пока такой: Стандарт под конкретный ТПА набор сопел. Подбор из того что в продаже. А будут они приглядываться к чертежу заказчика, не знаю. Риск пролететь по какому то параметру есть. Но риск дешёвый. Ещё добавил, на 40Х им чихать у них своя кухня. Вот и кот в мешке. Не попробуешь не узнаешь. Стучит кулаком в грудь что все будет нормально. Посмотрим. Срок доставки 20 дней. Я более ни чем помочь не могу. Закинули на расценку ещё в одну фирму , думаю ценник будет ещё выше. Московские утверждают рыночная цена 28000 руб штука.
- За это сообщение автора ЗЮМ поблагодарили (всего 2):
- Оксана Викторовна • Артур69
- Рейтинг: 10%
- ПластСтер
- Сообщения: 2932
- Зарегистрирован: 29 окт 2009, 13:15
- Страна, Регион, Область: Россия
- Город: Стерлитамак
- Откуда: Как все
- Благодарил (а): 458 раз
- Поблагодарили: 807 раз
- Контактная информация:
Re: Изготовление сопел (мундштуков) для ТПА.
Дайте чертеж какое Вам сопло нужно и количество. У меня арендаторы есть, занимаются металлообработкой, дам им пусть расценят. Ради интереса.ЗЮМ писал(а): ↑05 мар 2024, 12:28Порядок пока такой: Стандарт под конкретный ТПА набор сопел. Подбор из того что в продаже. А будут они приглядываться к чертежу заказчика, не знаю. Риск пролететь по какому то параметру есть. Но риск дешёвый. Ещё добавил, на 40Х им чихать у них своя кухня. Вот и кот в мешке. Не попробуешь не узнаешь. Стучит кулаком в грудь что все будет нормально. Посмотрим. Срок доставки 20 дней. Я более ни чем помочь не могу. Закинули на расценку ещё в одну фирму , думаю ценник будет ещё выше. Московские утверждают рыночная цена 28000 руб штука.
Сам делать не возьмусь, инструменталка на пять лет вперед работой завалена своей.
- За это сообщение автора ПластСтер поблагодарили (всего 2):
- ЗЮМ • Оксана Викторовна
- Рейтинг: 10%
Звать меня, Сергей
-
- Эксперт Гидравлик
- Сообщения: 5584
- Зарегистрирован: 24 окт 2012, 20:41
- Страна, Регион, Область: СССР
- Город: Деревня Малая Малявня
- Откуда: деревня МАЛАЯ МАЛЯВНЯ
- Благодарил (а): 602 раза
- Поблагодарили: 816 раз
Re: Изготовление сопел (мундштуков) для ТПА.
Очень хорошо. Снимаем шляпу. Спасибо.Так как я тут волонтёр скажу следующее: Не определились делать конус внутри или делать стандарт.!!! Образцы: по внутрянке. Шаг 1) Определиться. 2) Новые чертежи, количество.3) Отправить тех задание Сергею . Разница по цене внутрянки будет ощутимая. Оксана, придётся опять потревожить конструктора.
-
- Эксперт Гидравлик
- Сообщения: 5584
- Зарегистрирован: 24 окт 2012, 20:41
- Страна, Регион, Область: СССР
- Город: Деревня Малая Малявня
- Откуда: деревня МАЛАЯ МАЛЯВНЯ
- Благодарил (а): 602 раза
- Поблагодарили: 816 раз
Re: Изготовление сопел (мундштуков) для ТПА.
Очень хорошо. Снимаем шляпу. Спасибо.Так как я тут волонтёр скажу следующее: Не определились делать конус внутри или делать стандарт.!!! Образцы: по внутрянке. Шаг 1) Определиться. 2) Новые чертежи, количество.3) Отправить тех задание Сергею . Разница по цене внутрянки будет ощутимая. Оксана, придётся опять потревожить конструктора. А пока поищу почту ПластСтера.
-
- Сообщения: 446
- Зарегистрирован: 14 фев 2014, 21:56
- Страна, Регион, Область: Россия
- Город: Санкт-Петербург
- Благодарил (а): 153 раза
- Поблагодарили: 213 раз
Re: Изготовление сопел (мундштуков) для ТПА.
В принципе согласен, за 1000р. можно купить чисто "на попробовать" если по фотографиям похоже и по резьбе совпадаетЗЮМ писал(а): ↑05 мар 2024, 12:28Порядок пока такой: Стандарт под конкретный ТПА набор сопел. Подбор из того что в продаже. А будут они приглядываться к чертежу заказчика, не знаю. Риск пролететь по какому то параметру есть. Но риск дешёвый. Ещё добавил, на 40Х им чихать у них своя кухня. Вот и кот в мешке. Не попробуешь не узнаешь. Стучит кулаком в грудь что все будет нормально. Посмотрим. Срок доставки 20 дней. Я более ни чем помочь не могу. Закинули на расценку ещё в одну фирму , думаю ценник будет ещё выше. Московские утверждают рыночная цена 28000 руб штука.

Что касается 28 000р - на мой взгляд дорого и опять таки из чего и как. Как уже писал в Питере удается найти за 16-18р с отличным качеством (только без внутреннего конуса во всю длину сопла)
А вообще конечно лучше свой токарь. Когда есть свой станок и работник можно много чего делать "на коленке" и вместо закалки разогревать горелкой, как уже писали... огрехи по качеству будут компенсироваться возможностью быстро и только по цене металла сделать новую деталь

- За это сообщение автора KsunReh поблагодарили (всего 3):
- ЗЮМ • Оксана Викторовна • Артур69
- Рейтинг: 15%
-
- Сообщения: 21
- Зарегистрирован: 05 май 2021, 12:31
- Страна, Регион, Область: Россия
- Город: Владимир
- Благодарил (а): 24 раза
- Поблагодарили: 12 раз
Re: Изготовление сопел (мундштуков) для ТПА.
Хорошо, всё поняла. Поправим, но к сожалению только завтра после обеда.
-
- Эксперт Гидравлик
- Сообщения: 5584
- Зарегистрирован: 24 окт 2012, 20:41
- Страна, Регион, Область: СССР
- Город: Деревня Малая Малявня
- Откуда: деревня МАЛАЯ МАЛЯВНЯ
- Благодарил (а): 602 раза
- Поблагодарили: 816 раз
Re: Изготовление сопел (мундштуков) для ТПА.
Спешить не надо. Работают КриминалистыОксана Викторовна писал(а): ↑05 мар 2024, 14:53Хорошо, всё поняла. Поправим, но к сожалению только завтра после обеда.

-
- Эксперт Гидравлик
- Сообщения: 5584
- Зарегистрирован: 24 окт 2012, 20:41
- Страна, Регион, Область: СССР
- Город: Деревня Малая Малявня
- Откуда: деревня МАЛАЯ МАЛЯВНЯ
- Благодарил (а): 602 раза
- Поблагодарили: 816 раз
Re: Изготовление сопел (мундштуков) для ТПА.
Пришла расценка второго исполнителя. Стоимость без цены металла и термообработки. 22730 рублей каждое из 11-ти шт. Ха, правильно че там кроить. Так что рыночная цена Москвы работает. Это Балашиха. А таких фирм в одной Балашихе пруд пруди. Опять же коты в мешке с офигенно красивыми сайтами. Ну с этими то двумя я хоть работал. Иначе бы не рекомендовал. Не отказали, уже радует. Ждём отклика из Китая и ПластСтер. 

-
- Эксперт Гидравлик
- Сообщения: 5584
- Зарегистрирован: 24 окт 2012, 20:41
- Страна, Регион, Область: СССР
- Город: Деревня Малая Малявня
- Откуда: деревня МАЛАЯ МАЛЯВНЯ
- Благодарил (а): 602 раза
- Поблагодарили: 816 раз
Re: Изготовление сопел (мундштуков) для ТПА.
ЗЮМ писал(а): ↑05 мар 2024, 00:44Ну что ,Попробуем развеять Миф о не понятном Китае. Отпишемся.ЗЮМ писал(а): ↑04 мар 2024, 22:54https://aliexpress.ru/item/100500467607 ... 3f82YUhEmbПроф болезнь. Все равно Буду копать через человека с проверенным каналом по чертежам заказчика.
https://aliexpress.ru/item/100500639326 ... ofece6-BAL Там их как тараканов. Чтоб воду в ступе не толочь ТаймАут.ЗЮМ писал(а): ↑05 мар 2024, 00:44Ну что ,Попробуем развеять Миф о не понятном Китае. Отпишемся.ЗЮМ писал(а): ↑04 мар 2024, 22:54https://aliexpress.ru/item/100500467607 ... 3f82YUhEmbПроф болезнь. Все равно Буду копать через человека с проверенным каналом по чертежам заказчика.
-
- Сообщения: 3455
- Зарегистрирован: 02 фев 2020, 10:56
- Страна, Регион, Область: Германия
- Город: NRW
- Благодарил (а): 1219 раз
- Поблагодарили: 1429 раз
Re: Изготовление сопел (мундштуков) для ТПА.
Оксана Викторовна. Пока затишье. Можно я у вас в теме ещё помусорю. Просто интересно кто из коллег видел или работал с подобным. Или просто для расширения кругозора 

- За это сообщение автора Артур69 поблагодарил:
- Оксана Викторовна
- Рейтинг: 5%
Nein zum Krieg.
-
- Эксперт Гидравлик
- Сообщения: 5584
- Зарегистрирован: 24 окт 2012, 20:41
- Страна, Регион, Область: СССР
- Город: Деревня Малая Малявня
- Откуда: деревня МАЛАЯ МАЛЯВНЯ
- Благодарил (а): 602 раза
- Поблагодарили: 816 раз
Re: Изготовление сопел (мундштуков) для ТПА.
Угадайка: Для отвода газов, клапан. Для установки датчика давления.
для впрыска азота для вспенивания. Для сброса предохранеия давления типа сапун. Подогрев сопла термостатом. 


- Рейтинг: 5%
-
- Сообщения: 3455
- Зарегистрирован: 02 фев 2020, 10:56
- Страна, Регион, Область: Германия
- Город: NRW
- Благодарил (а): 1219 раз
- Поблагодарили: 1429 раз
-
- Сообщения: 3455
- Зарегистрирован: 02 фев 2020, 10:56
- Страна, Регион, Область: Германия
- Город: NRW
- Благодарил (а): 1219 раз
- Поблагодарили: 1429 раз
Re: Изготовление сопел (мундштуков) для ТПА.
При литье с газом , хочешь или нет часть его выдавливается в цилиндр. Хотя газ подклюен к формообразующей. А если что не так пойдёт, без такого сопла , шнек просто улетает в заднее крайнее положение. 300 бар творят чудеса.
Nein zum Krieg.
-
- Сообщения: 21
- Зарегистрирован: 05 май 2021, 12:31
- Страна, Регион, Область: Россия
- Город: Владимир
- Благодарил (а): 24 раза
- Поблагодарили: 12 раз
-
- Сообщения: 3455
- Зарегистрирован: 02 фев 2020, 10:56
- Страна, Регион, Область: Германия
- Город: NRW
- Благодарил (а): 1219 раз
- Поблагодарили: 1429 раз
Re: Изготовление сопел (мундштуков) для ТПА.
Nein zum Krieg.
-
- Сообщения: 3455
- Зарегистрирован: 02 фев 2020, 10:56
- Страна, Регион, Область: Германия
- Город: NRW
- Благодарил (а): 1219 раз
- Поблагодарили: 1429 раз
Re: Изготовление сопел (мундштуков) для ТПА.
А и вправду. Будет ли положительный эффект с работой на пвх ? Или пом. То тоже газует мама не горюй, если долго в цилиндре стоит . Или перегрет. Надо попробовать. Спасибо Оксана Викторовна. Подтолкнули на подумать

Nein zum Krieg.
-
- Сообщения: 21
- Зарегистрирован: 05 май 2021, 12:31
- Страна, Регион, Область: Россия
- Город: Владимир
- Благодарил (а): 24 раза
- Поблагодарили: 12 раз
Re: Изготовление сопел (мундштуков) для ТПА.
Попробовать нужно обязательно, результаты в студию, потом разыщем чертежи, подшаманим и пустим в дело 

- За это сообщение автора Оксана Викторовна поблагодарил:
- Артур69
- Рейтинг: 5%
-
- Сообщения: 3455
- Зарегистрирован: 02 фев 2020, 10:56
- Страна, Регион, Область: Германия
- Город: NRW
- Благодарил (а): 1219 раз
- Поблагодарили: 1429 раз
Re: Изготовление сопел (мундштуков) для ТПА.
Кстати Вячеслав был дважды прав , если честно. При другой схеме литья с газом подобные сопла (Airmould Düse) применяются именно для прямого впрыска газа в форму через сопло и литниковую втулку. Выглядит внутри вот так. Есть как перекрываемый вариант, так и открытый.Оксана Викторовна писал(а): ↑05 мар 2024, 21:44Попробовать нужно обязательно, результаты в студию, потом разыщем чертежи, подшаманим и пустим в дело![]()
- Вложения
-
- Screenshot_20240305-202817_Samsung Notes.jpg (38.33 КБ) 35844 просмотра
Nein zum Krieg.
-
- Эксперт Гидравлик
- Сообщения: 5584
- Зарегистрирован: 24 окт 2012, 20:41
- Страна, Регион, Область: СССР
- Город: Деревня Малая Малявня
- Откуда: деревня МАЛАЯ МАЛЯВНЯ
- Благодарил (а): 602 раза
- Поблагодарили: 816 раз
Re: Изготовление сопел (мундштуков) для ТПА.
И так. Доброе утро. Вариант 3 Китай. Дублирую переписку:(Доброе утро! 650$ -13 шт с доставкой до вашего города . 25 дней - (5 дней изготовить - 20 путь…))А вы уверены что контактные места совпадут с чертежами заказчика.?Уверен делаю каждую неделю!
-
- Сообщения: 446
- Зарегистрирован: 14 фев 2014, 21:56
- Страна, Регион, Область: Россия
- Город: Санкт-Петербург
- Благодарил (а): 153 раза
- Поблагодарили: 213 раз
Re: Изготовление сопел (мундштуков) для ТПА.
Тогда просьба поделиться контактами замечательного китайца

-
- Эксперт Гидравлик
- Сообщения: 5584
- Зарегистрирован: 24 окт 2012, 20:41
- Страна, Регион, Область: СССР
- Город: Деревня Малая Малявня
- Откуда: деревня МАЛАЯ МАЛЯВНЯ
- Благодарил (а): 602 раза
- Поблагодарили: 816 раз
Re: Изготовление сопел (мундштуков) для ТПА.
Обязательно. В случае накладок, чур я не виноват

-
- Эксперт Гидравлик
- Сообщения: 5584
- Зарегистрирован: 24 окт 2012, 20:41
- Страна, Регион, Область: СССР
- Город: Деревня Малая Малявня
- Откуда: деревня МАЛАЯ МАЛЯВНЯ
- Благодарил (а): 602 раза
- Поблагодарили: 816 раз
Re: Изготовление сопел (мундштуков) для ТПА.
Вот мы почти и до Урала добрались. Вариант 4. Персонально благодарим ПластСтера за оперативность. Цена штуки без конуса 7.800 р С конусом плюс цена инструмента на заказ. Уже глаза разбежались. А кто то говорил, мы до Воркуты дошли,найти не можем, никто не хочет делать
Извините за прикол. Хотел бы я заказать у каждого по соплу и попробовать на зуб. Но не буду, и так думаю куда теперь датчики с тестерами девать после опытов. Которые и брали для опытов для просветления мозгов. Артуру что ли подарить 


-
- Сообщения: 3455
- Зарегистрирован: 02 фев 2020, 10:56
- Страна, Регион, Область: Германия
- Город: NRW
- Благодарил (а): 1219 раз
- Поблагодарили: 1429 раз
Re: Изготовление сопел (мундштуков) для ТПА.
Давай. После работы заеду, заберуЗЮМ писал(а): ↑06 мар 2024, 12:24Вот мы почти и до Урала добрались. Вариант 4. Персонально благодарим ПластСтера за оперативность. Цена штуки без конуса 7.800 р С конусом плюс цена инструмента на заказ. Уже глаза разбежались. А кто то говорил, мы до Воркуты дошли,найти не можем, никто не хочет делатьИзвините за прикол. Хотел бы я заказать у каждого по соплу и попробовать на зуб. Но не буду, и так думаю куда теперь датчики с тестерами девать после опытов. Которые и брали для опытов для просветления мозгов. Артуру что ли подарить
![]()

Nein zum Krieg.
-
- Эксперт Гидравлик
- Сообщения: 5584
- Зарегистрирован: 24 окт 2012, 20:41
- Страна, Регион, Область: СССР
- Город: Деревня Малая Малявня
- Откуда: деревня МАЛАЯ МАЛЯВНЯ
- Благодарил (а): 602 раза
- Поблагодарили: 816 раз
Re: Изготовление сопел (мундштуков) для ТПА.
Юг МКАДа, увидишь голубятню с нарисованным красивым голубем. Дом напротив мой. Жду.Артур69 писал(а): ↑06 мар 2024, 12:32Давай. После работы заеду, заберуЗЮМ писал(а): ↑06 мар 2024, 12:24Вот мы почти и до Урала добрались. Вариант 4. Персонально благодарим ПластСтера за оперативность. Цена штуки без конуса 7.800 р С конусом плюс цена инструмента на заказ. Уже глаза разбежались. А кто то говорил, мы до Воркуты дошли,найти не можем, никто не хочет делатьИзвините за прикол. Хотел бы я заказать у каждого по соплу и попробовать на зуб. Но не буду, и так думаю куда теперь датчики с тестерами девать после опытов. Которые и брали для опытов для просветления мозгов. Артуру что ли подарить
![]()
![]()
- Рейтинг: 5%
-
- Сообщения: 102
- Зарегистрирован: 12 мар 2018, 12:04
- Страна, Регион, Область: РФ
- Город: Смоленск
- Благодарил (а): 46 раз
- Поблагодарили: 25 раз
Re: Изготовление сопел (мундштуков) для ТПА.
Артур69 , Можно вопросик?
Вот эта подкладка между ТЭНом и соплом (и зажимами) - для электробезопасности? Или ещё для чего-ниб? Например, чтобы потом чистить было легче :) У нас просто нигде такого не встречал, стало очень интересно. Вероятнее всего какая-ниб тефлоновая лента?
[/quote]
А вот для глубоких нужд. Специально машину остановил. Постоит . Форум важнее
[/quote]
Вот эта подкладка между ТЭНом и соплом (и зажимами) - для электробезопасности? Или ещё для чего-ниб? Например, чтобы потом чистить было легче :) У нас просто нигде такого не встречал, стало очень интересно. Вероятнее всего какая-ниб тефлоновая лента?
[/quote]
А вот для глубоких нужд. Специально машину остановил. Постоит . Форум важнее

[/quote]
-
- Эксперт Гидравлик
- Сообщения: 5584
- Зарегистрирован: 24 окт 2012, 20:41
- Страна, Регион, Область: СССР
- Город: Деревня Малая Малявня
- Откуда: деревня МАЛАЯ МАЛЯВНЯ
- Благодарил (а): 602 раза
- Поблагодарили: 816 раз
Re: Изготовление сопел (мундштуков) для ТПА.
Отправил в личное сообщение. Это постоянный клиент, постоянного Китайца.
- Рейтинг: 5%
-
- Сообщения: 3455
- Зарегистрирован: 02 фев 2020, 10:56
- Страна, Регион, Область: Германия
- Город: NRW
- Благодарил (а): 1219 раз
- Поблагодарили: 1429 раз
Re: Изготовление сопел (мундштуков) для ТПА.
А вот для глубоких нужд. Специально машину остановил. Постоит . Форум важнееs2dent6732 писал(а): ↑06 мар 2024, 13:48Артур69 , Можно вопросик?
Вот эта подкладка между ТЭНом и соплом (и зажимами) - для электробезопасности? Или ещё для чего-ниб? Например, чтобы потом чистить было легче :) У нас просто нигде такого не встречал, стало очень интересно. Вероятнее всего какая-ниб тефлоновая лента?
2024-03-06_13-45-41.png

[/quote]
[/quote]
Коллега. Вы знаете что это

Nein zum Krieg.
Кто сейчас на конференции
Сейчас этот форум просматривают: нет зарегистрированных пользователей и 32 гостя