ЗЮМ писал(а): ↑01 мар 2024, 19:16
Как мы находим быстро услугу мехобработки металла: Заходим на сайт Профи.ру или Яндекс услуги. Сотни спецов. Читаем отзывы, тип выполняемых работ, примеры работ, расценки. Списываемся или созваниваемся, файлы чертежей показываем. Местоположение исполнителя. Мастера в основном частные, самозанятые. Не дорогие. Официальные мехобработчики это дорого. Проходили. Поисковик сайтов покажет спецов в вашем городе и области. Сопло деталь не сложная. И не может стоить от 17000 никак. Нормочас токаря от 1000 р. Часа за глаза хватит. Закалка не нужна. По крайне мере твердость не должна равняться или быть больше твердости литниковой втулки.
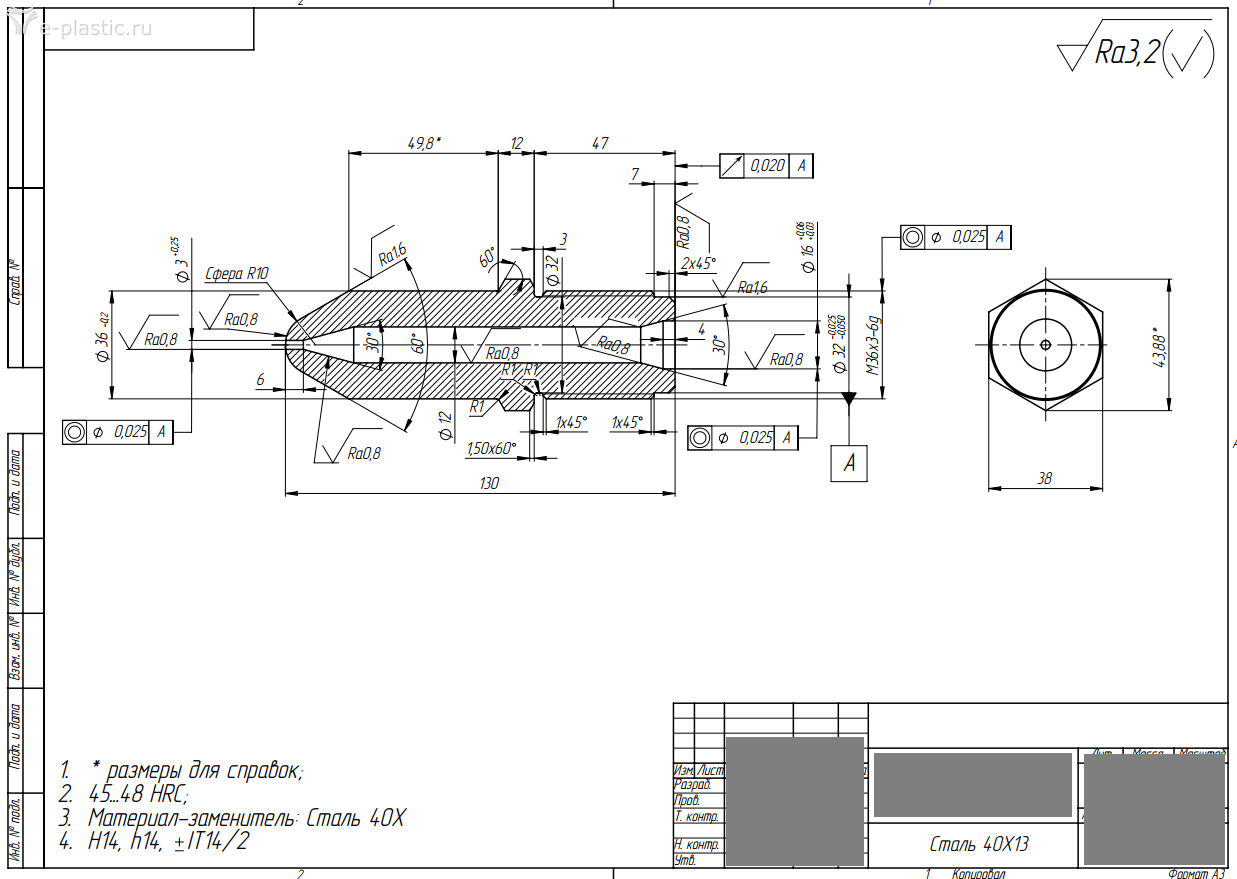
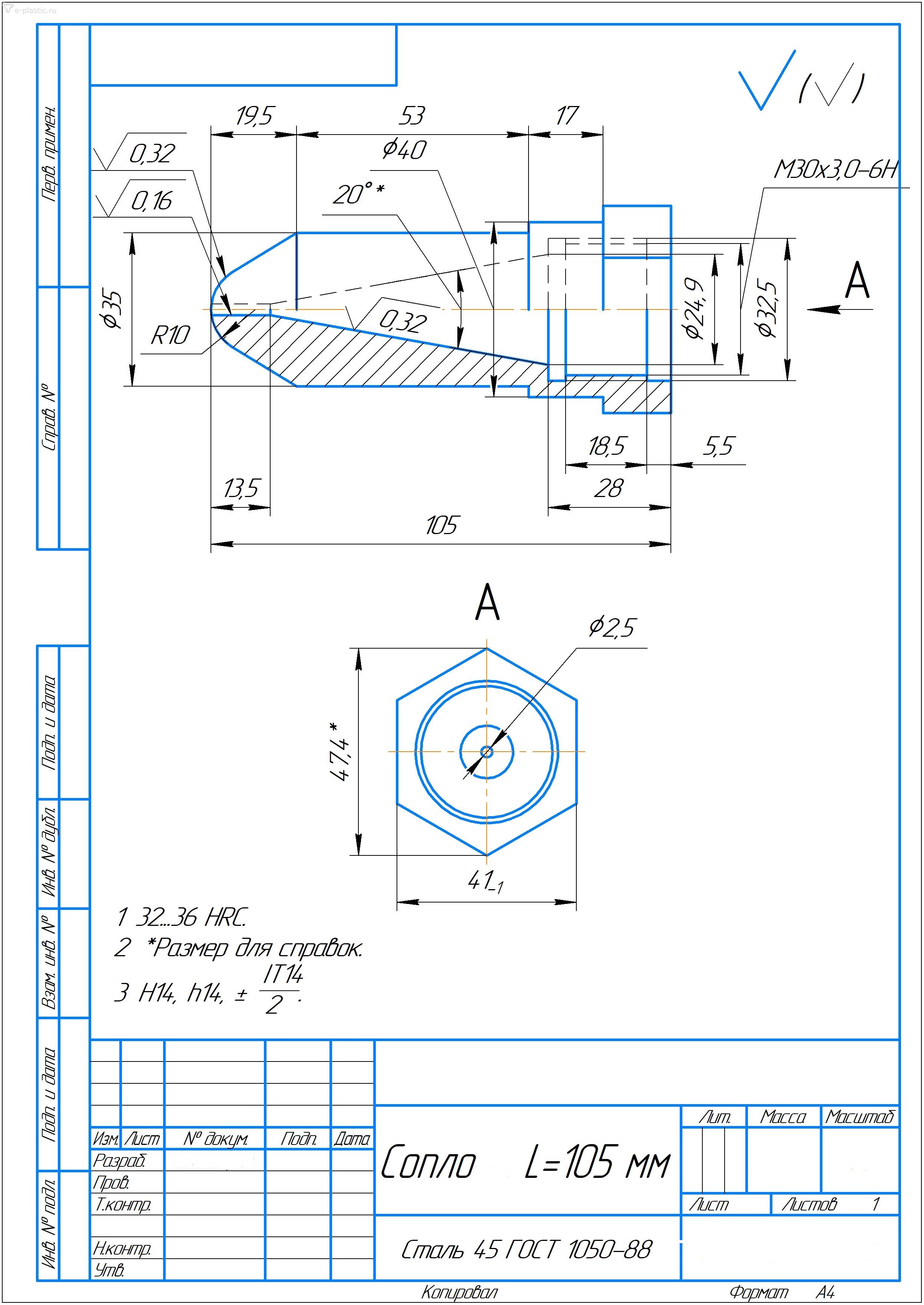
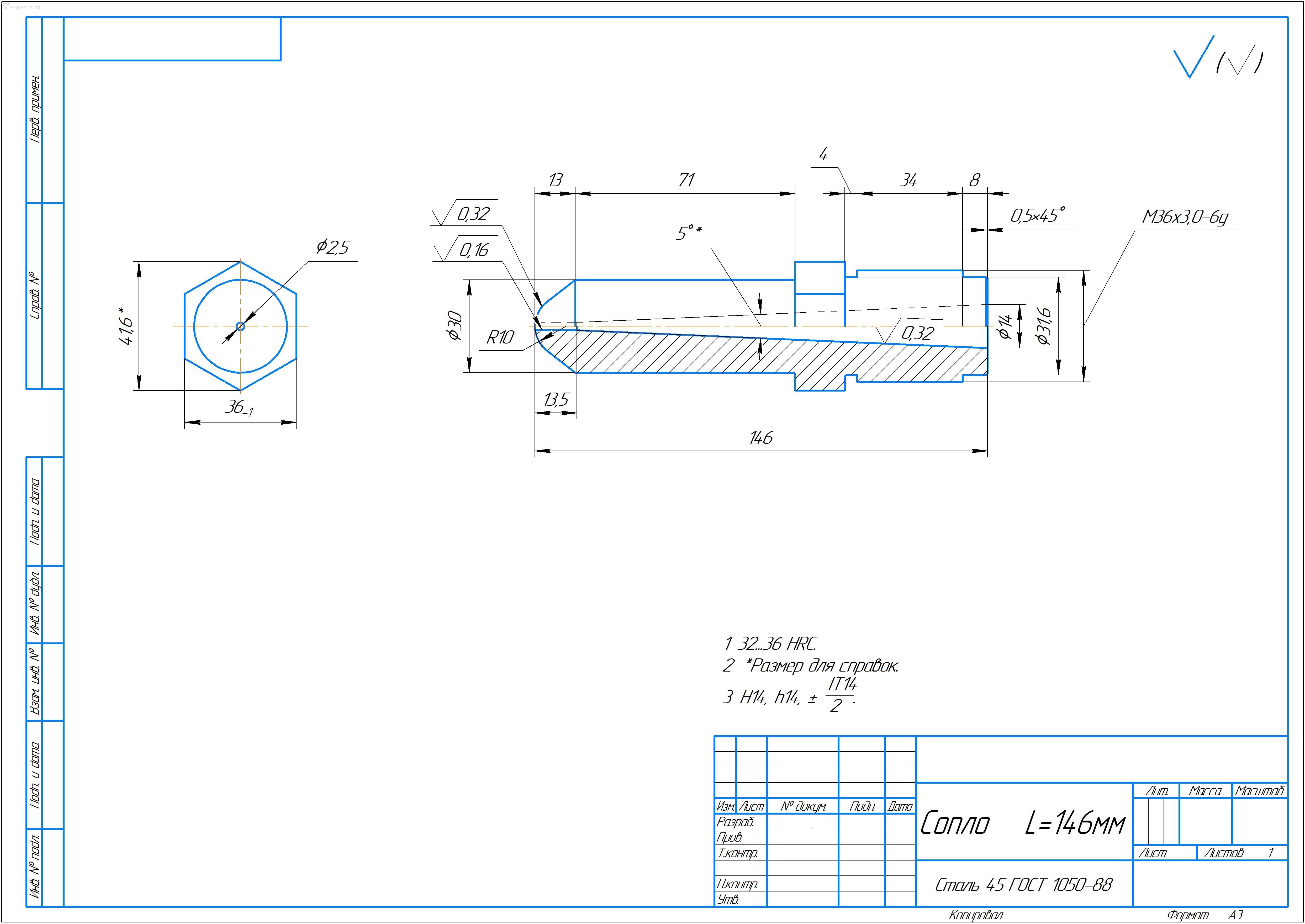
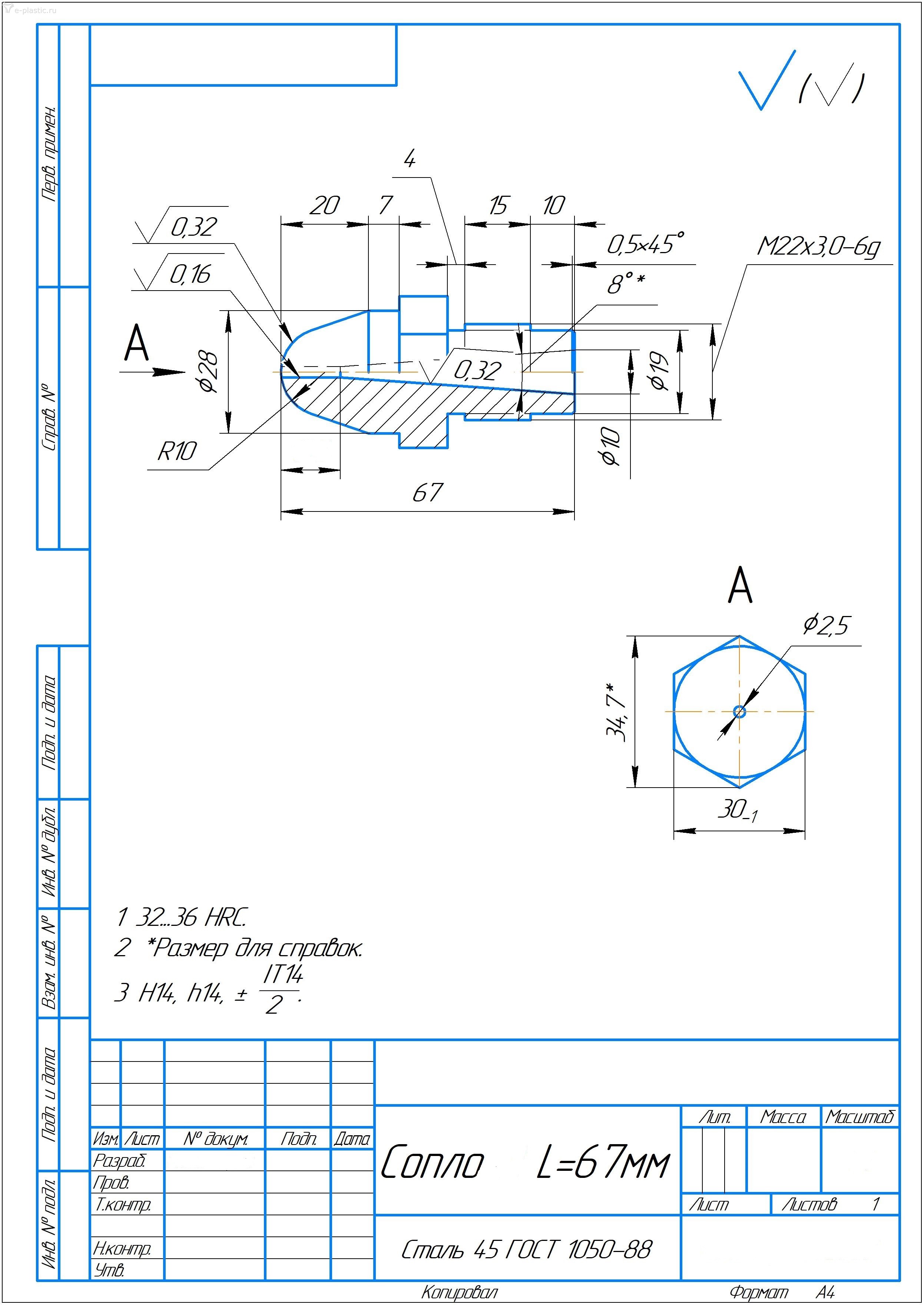
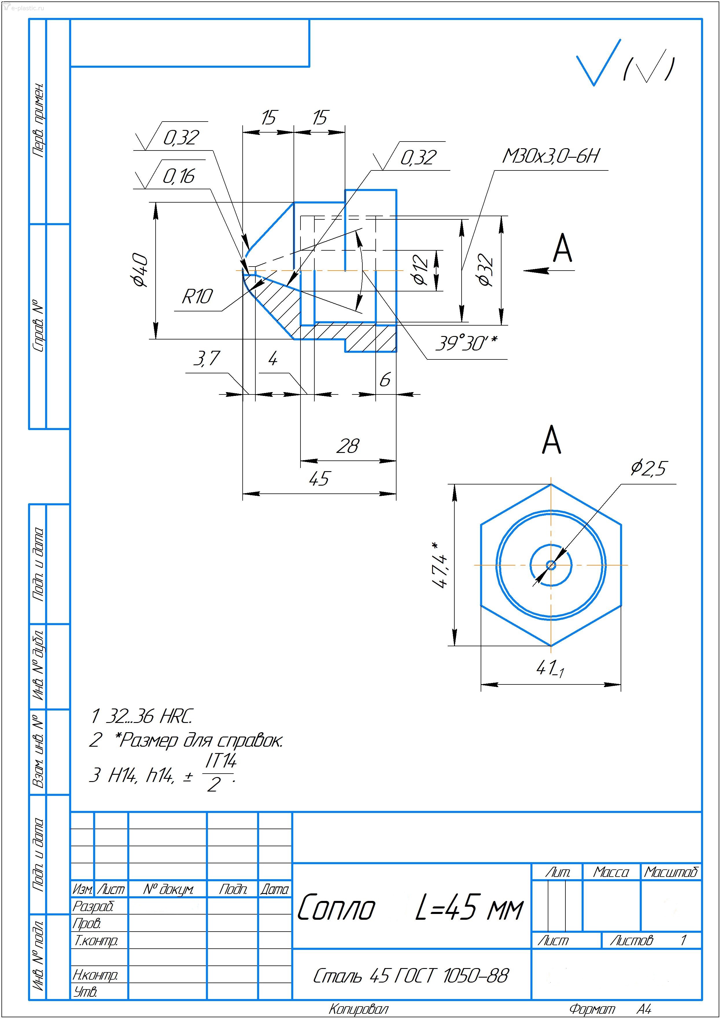
Абсолютно не согласен. У литниковой втулки в среднем 55-58 HRC потому что стандарт, полностью самостоятельно мало кто делает. Под такую втулку вполне нормально подкалить сопло до 45 единиц. На сырых соплах при работе в режиме "с отводом сопла" вы сырое сопло разобьёте очень быстро. Далее внутренний канал - шероховатость 0,8 (у китайцев вообще 0,4) - такое вам токарь на коленке не сделает. далее металл. ПОНЯТНО, что можно и попроще сделать, я писал про ценник на нормальное изготовленное сопло по оригинальным чертежам. Если упростить, заплатить токарю налом, а металл он украдет, то будет дешевле 17 т.р. конечно.
ПолимерМакс месяц молчит.
В Вивтехе нужного нет. С них и начинали поиски.
ПолимерМакс нам тоже не ответил, хотя два раза звонили, похоже у них эта услуга не актуальная
Артур69 писал(а): ↑01 мар 2024, 18:23
Извиняюсь, что встреваю , а готовые не продают? И ещё , мундштук и сопло одно и тоже? Mundstück раньше только как часть ГКС знал . Чисто для понимания.
У поставщиков ТПА сопла обычно дешевле, чем на заказ но или 1) очень долго ждать 3 мес. из Китая 2) большой шаг длинны (например 100 мм, это очень много) либо только один радиус (например R10 под втулки R15,5, а под втулки R40 он не идеален мягко говоря. Так что поставщики ТПА отвечают - "да закажите сами здесь в РФ"

Ситуация упрощается если ЗАРАНЕЕ на этапе подписания договора на ТПА сделать список доп. сопел к нему - тогда докинут.