- "Чудеса" случившиеся с вашими дорогими Куаси, Хмельницкими, Одесскими, Белорусскими, Русскими, Немецкими, Китайскими, Итальянскими и даже Американскими машинами.
- Various cases and problems with your IMM: Kuasy from DDR, Soviet-made machines, German, Chinese, American, Italian, Belarusian made machines.
-
ЗЮМ
- Эксперт Гидравлик
- Сообщения: 5584
- Зарегистрирован: 24 окт 2012, 20:41
- Страна, Регион, Область: СССР
- Город: Деревня Малая Малявня
- Откуда: деревня МАЛАЯ МАЛЯВНЯ
-
Благодарил (а):
602 раза
-
Поблагодарили:
816 раз
#541
Сообщение
ЗЮМ » 28 мар 2023, 17:14
sp34 писал(а): ↑28 мар 2023, 17:05
так на фото ранее выложенное 8 и 10 на приборке все равно отверстия - какая разница будет точка подключения или манометр стоять !
Ничего не понял. Разъясни. Чего ты хочешь подробно. И по порядку а не обрывками фраз. Ты хочешь ликвидировать кран золотник. Дело твое. Так сопли и начинают появляться в хороших делах. Может и правильно. От долгого не использования кран закисает. Потом его ломают пытаясь расшевелить. А снять разобрать промыть руки не доходят. Варвары. Будет шесть манометров.

У всех полтора и те не работают а у тебя шесть. Тогда и седьмой на давление автосмазки.
-
sp34
- Сообщения: 87
- Зарегистрирован: 22 мар 2023, 10:16
- Страна, Регион, Область: Россия
- Город: Москва
-
Благодарил (а):
6 раз
-
Поблагодарили:
1 раз
#542
Сообщение
sp34 » 28 мар 2023, 18:24
Все верно именно шесть .
Скоро начну машину чистить и проводить дефектовку.
Последний раз редактировалось
sp34 28 мар 2023, 18:53, всего редактировалось 1 раз.
-
ЗЮМ
- Эксперт Гидравлик
- Сообщения: 5584
- Зарегистрирован: 24 окт 2012, 20:41
- Страна, Регион, Область: СССР
- Город: Деревня Малая Малявня
- Откуда: деревня МАЛАЯ МАЛЯВНЯ
-
Благодарил (а):
602 раза
-
Поблагодарили:
816 раз
#543
Сообщение
ЗЮМ » 28 мар 2023, 18:38
sp34 писал(а): ↑28 мар 2023, 18:24
Все верно именно шесть .
Шесть манометров - 1200 Евро. Шесть переходников. Трубки не достающие по длине. Новая доска панель с отверстиями под манометры. Не с того начинаем. Поверь, когда вас накроют другие проблемы, будет не до шести манометров. Одного хватит. Хотя, интересно понаблюдать ну и помочь конечно.
-
sp34
- Сообщения: 87
- Зарегистрирован: 22 мар 2023, 10:16
- Страна, Регион, Область: Россия
- Город: Москва
-
Благодарил (а):
6 раз
-
Поблагодарили:
1 раз
#544
Сообщение
sp34 » 28 мар 2023, 18:56
Хотя, интересно понаблюдать ну и помочь конечно.
Отлично ! Усаживайтесь по удобнее - я вас постараюсь удивить в будующем !
-
ЗЮМ
- Эксперт Гидравлик
- Сообщения: 5584
- Зарегистрирован: 24 окт 2012, 20:41
- Страна, Регион, Область: СССР
- Город: Деревня Малая Малявня
- Откуда: деревня МАЛАЯ МАЛЯВНЯ
-
Благодарил (а):
602 раза
-
Поблагодарили:
816 раз
#545
Сообщение
ЗЮМ » 28 мар 2023, 19:01
sp34 писал(а): ↑28 мар 2023, 18:56
Хотя, интересно понаблюдать ну и помочь конечно.
[/quote]
Отлично ! Усаживайтесь по удобнее - я вас постараюсь удивить в будующем !
[/quote] Форум затаил дыхание. Это радует и совпадает с планами нашей страны. Я верю, все будет хорошо.

-
ЗЮМ
- Эксперт Гидравлик
- Сообщения: 5584
- Зарегистрирован: 24 окт 2012, 20:41
- Страна, Регион, Область: СССР
- Город: Деревня Малая Малявня
- Откуда: деревня МАЛАЯ МАЛЯВНЯ
-
Благодарил (а):
602 раза
-
Поблагодарили:
816 раз
#546
Сообщение
ЗЮМ » 28 мар 2023, 19:37
Во что превратилась Куаси 170/55 1е-40 после установки пропорциональных клапанов по давлению и расходу. Куаси 170/55 II SR. 99 позиций по скорости и давлению. Как зарекомендовала себя фирма ORSTA DDR это другой вопрос. Появился внушительный шкаф с кучей цифровых переключателей. Исчезло то о чем я писал выше. Мотор насос остался без изменений. Ни одного регулятора ручного управления нет. Кроме монтажной высоты и кривого стартера к ней. Конец 80-х и ведь работают до сих пор.
-
Вложения
-

-
ЗЮМ
- Эксперт Гидравлик
- Сообщения: 5584
- Зарегистрирован: 24 окт 2012, 20:41
- Страна, Регион, Область: СССР
- Город: Деревня Малая Малявня
- Откуда: деревня МАЛАЯ МАЛЯВНЯ
-
Благодарил (а):
602 раза
-
Поблагодарили:
816 раз
#547
Сообщение
ЗЮМ » 28 мар 2023, 20:01
https://youtu.be/Qh2_3ekyZME Не,думаю надо тебе махнуть этот гибрид на II SR. Хлопот меньше будет наверное. И ее уже переделывать. Вместо VM01 слева стоит пропорциональник с обратной связью. За кадром рядом пропорциональник скоростей в место 23,24,25. К чему это я. Есть над чем подумать.
-
Вложения
-

-

-

- IMG_20171227_095444.jpg (13.9 КБ) 7620 просмотров
-

-
ЗЮМ
- Эксперт Гидравлик
- Сообщения: 5584
- Зарегистрирован: 24 окт 2012, 20:41
- Страна, Регион, Область: СССР
- Город: Деревня Малая Малявня
- Откуда: деревня МАЛАЯ МАЛЯВНЯ
-
Благодарил (а):
602 раза
-
Поблагодарили:
816 раз
#548
Сообщение
ЗЮМ » 28 мар 2023, 20:23
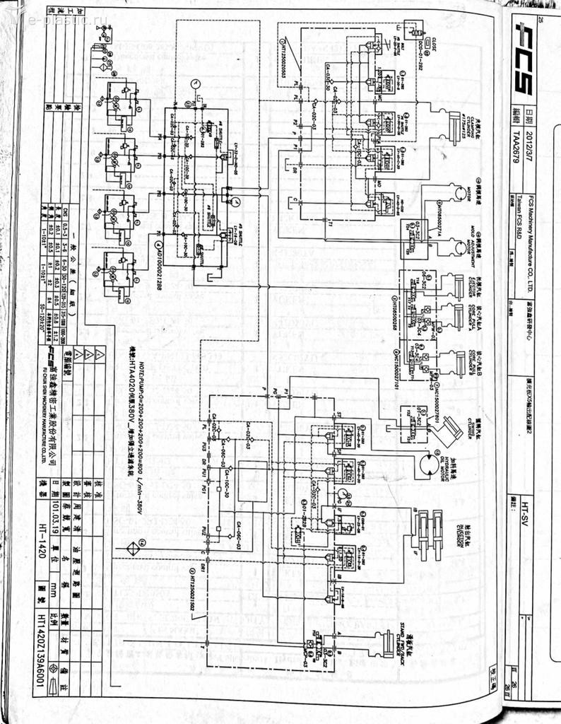
А вот обещал пример схемы с сервоприводом. Тайвань. Регуляторов нет. А предохранители дежурные стоят. Но тут четыре или пять насосов Три мотора. Большая машина.
-
Вложения
-

-

-

-

-
ЗЮМ
- Эксперт Гидравлик
- Сообщения: 5584
- Зарегистрирован: 24 окт 2012, 20:41
- Страна, Регион, Область: СССР
- Город: Деревня Малая Малявня
- Откуда: деревня МАЛАЯ МАЛЯВНЯ
-
Благодарил (а):
602 раза
-
Поблагодарили:
816 раз
#549
Сообщение
ЗЮМ » 28 мар 2023, 20:28
А вот обещал пример схемы с сервоприводом. Тайвань. Регуляторов нет. А предохранители дежурные стоят. Но тут четыре или 4 насоса 4 мотора. Большая машина. Q = 200+200+200+200=800 литров в минуту. 13 литров в секунду летит. По максимуму. И не греется бак.
-
sp34
- Сообщения: 87
- Зарегистрирован: 22 мар 2023, 10:16
- Страна, Регион, Область: Россия
- Город: Москва
-
Благодарил (а):
6 раз
-
Поблагодарили:
1 раз
#550
Сообщение
sp34 » 28 мар 2023, 20:51
на видео что он делает ? меняет давление ! меняет его чем , какой исполнительный элемент VDD1? схема на II SR у меня есть !
-
Вложения
-

-
ЗЮМ
- Эксперт Гидравлик
- Сообщения: 5584
- Зарегистрирован: 24 окт 2012, 20:41
- Страна, Регион, Область: СССР
- Город: Деревня Малая Малявня
- Откуда: деревня МАЛАЯ МАЛЯВНЯ
-
Благодарил (а):
602 раза
-
Поблагодарили:
816 раз
#551
Сообщение
ЗЮМ » 28 мар 2023, 21:04
Давление 807. Скорость 808. При включении 283 пропорциональная игла 807-го управляет работой клапана подпора который под 282 магнитом. На переключателе задействованы только три цыфры1,2,3. На видео он показывает десять шагов 0-10-20-30-40-50-60-70-80-90-99. Между ними еще по десять шагов. На подвод сопла заложено 0-1-2-3-4-5-6-7-8-9 этого хватает.
-
sp34
- Сообщения: 87
- Зарегистрирован: 22 мар 2023, 10:16
- Страна, Регион, Область: Россия
- Город: Москва
-
Благодарил (а):
6 раз
-
Поблагодарили:
1 раз
#552
Сообщение
sp34 » 28 мар 2023, 21:22
Запутался в давлениях на этих машинах - для чего оно регулируется на SR ? - если мы выяснили что лучше что бы оно было стабильным .
На видео давление регулируется или у него и по скорости 99 скоростей и 99 ступеней давления ?
-
ЗЮМ
- Эксперт Гидравлик
- Сообщения: 5584
- Зарегистрирован: 24 окт 2012, 20:41
- Страна, Регион, Область: СССР
- Город: Деревня Малая Малявня
- Откуда: деревня МАЛАЯ МАЛЯВНЯ
-
Благодарил (а):
602 раза
-
Поблагодарили:
816 раз
#553
Сообщение
ЗЮМ » 28 мар 2023, 21:35
И по скорости и по давлению. Раз зашел разговор о этой машине. Была у нас мысль поставить клапана без обратной связи и по давлению и по расходу. Так как старые было купить проблематично. Показываю примерно какие. Которые встанут на место. Самый верхний регулятор расхода скорости золотникового типа.808 Такой и родной, только с обратной связью.ДУ 10 мм. Вторая картинка относится к нижнему клапан давления. 807. Но руки не дошли. И денег не дали на закупку.
-
Вложения
-

-

-

- Бывают игольчатые, бывают золотниковые управляют VD01
- full_boschrexroth-rd29161.jpg (4.61 КБ) 7563 просмотра
-
ЗЮМ
- Эксперт Гидравлик
- Сообщения: 5584
- Зарегистрирован: 24 окт 2012, 20:41
- Страна, Регион, Область: СССР
- Город: Деревня Малая Малявня
- Откуда: деревня МАЛАЯ МАЛЯВНЯ
-
Благодарил (а):
602 раза
-
Поблагодарили:
816 раз
#554
Сообщение
ЗЮМ » 28 мар 2023, 21:49
sp34 писал(а): ↑28 мар 2023, 21:22
Запутался в давлениях на этих машинах - для чего оно регулируется на SR ? - если мы выяснили что лучше что бы оно было стабильным .
На видео давление регулируется или у него и по скорости 99 скоростей и 99 ступеней давления ?
Елы палы. От 0 до 165-ти выбираешь сколько надо давления для работы и получения какого то изделия. А по скорости подзабыл сколько их подзабыл по скорости какие там задатчики. Не суть. Надо фото шкафа. Или лезть в архив. Ты думаешь я все помню. Это время,так что на всякий случай не задавай вопросы, если планов на них нет. По уму технолог приносит тех карту в которой указан режим работы. Опер устанавливает данные и начинает работать. Корректирует по необходимости.
-
ЗЮМ
- Эксперт Гидравлик
- Сообщения: 5584
- Зарегистрирован: 24 окт 2012, 20:41
- Страна, Регион, Область: СССР
- Город: Деревня Малая Малявня
- Откуда: деревня МАЛАЯ МАЛЯВНЯ
-
Благодарил (а):
602 раза
-
Поблагодарили:
816 раз
#555
Сообщение
ЗЮМ » 28 мар 2023, 22:12
viewtopic.php?f=28&t=31918#p211704Вспоминаем скорости. Ну вот приемлемая фотка. Итак смотрим. Скорости на закрытие открытие формы быстро и торможение в конце хода. Одно рядный задатчик. Скорости от 0-9. Также на сопло. Короче где 0-9 везде видно. Скорость V. Где давление Р там двух рядные 0-99. На впрыск там вроде побольше скоростей стоят двух рядные задатчики. Надо форум почитать.
-
Вложения
-

- 20221010_133410 (1).jpg (130.4 КБ) 7532 просмотра
-

-

-

-
ЗЮМ
- Эксперт Гидравлик
- Сообщения: 5584
- Зарегистрирован: 24 окт 2012, 20:41
- Страна, Регион, Область: СССР
- Город: Деревня Малая Малявня
- Откуда: деревня МАЛАЯ МАЛЯВНЯ
-
Благодарил (а):
602 раза
-
Поблагодарили:
816 раз
#557
Сообщение
ЗЮМ » 28 мар 2023, 23:03
ЗЮМ писал(а): ↑28 мар 2023, 21:49
sp34 писал(а): ↑28 мар 2023, 21:22
Запутался в давлениях на этих машинах - для чего оно регулируется на SR ? - если мы выяснили что лучше что бы оно было стабильным .
На видео давление регулируется или у него и по скорости 99 скоростей и 99 ступеней давления ?
Елы палы. От 0 до 165-ти выбираешь сколько надо давления для работы и получения какого то изделия. А по скорости подзабыл сколько их подзабыл по скорости какие там задатчики. Не суть. Надо фото шкафа. Или лезть в архив. Ты думаешь я все помню. Это время,так что на всякий случай не задавай вопросы, если планов на них нет. По уму технолог приносит тех карту в которой указан режим работы. Опер устанавливает данные и начинает работать. Корректирует по необходимости.
Вот СКАЖИ мне, что мы выяснили стабильном давлении!!!!!????? О стабильном потоке скорости был разговор. По моему кулибин

перебрал информации. Так что мы выяснили о СТАБИЛЬНОМ давлении.
-
ЗЮМ
- Эксперт Гидравлик
- Сообщения: 5584
- Зарегистрирован: 24 окт 2012, 20:41
- Страна, Регион, Область: СССР
- Город: Деревня Малая Малявня
- Откуда: деревня МАЛАЯ МАЛЯВНЯ
-
Благодарил (а):
602 раза
-
Поблагодарили:
816 раз
#558
Сообщение
ЗЮМ » 28 мар 2023, 23:32
Короче , если не кому напомнить сколько скоростей V на задатчиках 0-99. То я думаю так: Аналогично Куаси 170/55 1е. Также до 7-ки работает малый насос, после 7-ки работает средний насос до 12-ти . после 12-ти до 17. работают оба насоса вместе. А 808 обеспечивает такую щель необходимую по пропускной способности. На движение формы две ступени скорости вперед и назад. На каждой ступени задатчик от 0-9. Так что на скорости задание от 0-99ти не существует. От нуля до 17-ти. Подпор при наборе 0 до 3-х. Больше не требуется.
-
Вложения
-

-
sp34
- Сообщения: 87
- Зарегистрирован: 22 мар 2023, 10:16
- Страна, Регион, Область: Россия
- Город: Москва
-
Благодарил (а):
6 раз
-
Поблагодарили:
1 раз
#559
Сообщение
sp34 » 29 мар 2023, 00:58
Вот СКАЖИ мне, что мы выяснили стабильном давлении!!!!!????? О стабильном потоке скорости был разговор. По моему кулибин

перебрал информации. Так что мы выяснили о СТАБИЛЬНОМ давлении.
Наверное - слишком много инфы плохо усваивается !
-
ЗЮМ
- Эксперт Гидравлик
- Сообщения: 5584
- Зарегистрирован: 24 окт 2012, 20:41
- Страна, Регион, Область: СССР
- Город: Деревня Малая Малявня
- Откуда: деревня МАЛАЯ МАЛЯВНЯ
-
Благодарил (а):
602 раза
-
Поблагодарили:
816 раз
#560
Сообщение
ЗЮМ » 29 мар 2023, 00:59
https://youtu.be/aH3esan_hJ8Про модернезированый ТПА SR ll. То что придётся менять систему управления это так. Концевые выключатели остаются родные или аналоги. Система применима к линейкам. Провода обратной связи не используются. Провода на пропорциональный силовой магнит подключаются к новой системе управления. Пропорциональники не менялись, использованы родные что стояли с завода. ( Информация из кoментариев под видео работы SR ll в ютюбе. Вопрос- ответ)
-
ЗЮМ
- Эксперт Гидравлик
- Сообщения: 5584
- Зарегистрирован: 24 окт 2012, 20:41
- Страна, Регион, Область: СССР
- Город: Деревня Малая Малявня
- Откуда: деревня МАЛАЯ МАЛЯВНЯ
-
Благодарил (а):
602 раза
-
Поблагодарили:
816 раз
#561
Сообщение
ЗЮМ » 29 мар 2023, 01:38
Не спать, продолжаем работать.
https://incomewm.ru/sistema-upravleniya ... u-01a.html система управления ИСУ 01 А. Г Белгород интернет магазин. Фото выше с пропорциональниками выбраны наугад. Как выглядят примерно. Надо уточнять выбор. Что бы они подружились с системой.
-
ЗЮМ
- Эксперт Гидравлик
- Сообщения: 5584
- Зарегистрирован: 24 окт 2012, 20:41
- Страна, Регион, Область: СССР
- Город: Деревня Малая Малявня
- Откуда: деревня МАЛАЯ МАЛЯВНЯ
-
Благодарил (а):
602 раза
-
Поблагодарили:
816 раз
#562
Сообщение
ЗЮМ » 29 мар 2023, 10:26
questions-from-beginners-f25/-t16052.html. Попробуй ознакомиться с этой темой. Эта тема поможет расширить понимание. И потом лезть в высшию математику не зная арифметики смысла нет совсем. Но понимать физические зависимости, сопромат, детали машин и немного чуйки надо попробовать. Ясный пень и мне образования не хватает. Но вопрос и что тебе не понятно я так и не совсем понял. Можно идти шаг за шагом по схеме от насоса до цилиндра, все осмысливать. И для осмысления нужна База знаний и понимания работы каждого клапана и компонента схемы. И что интересно, когда мозг встал в тех соснах свои же ранние посты перечитываю и вертается память и понимание.
-
ЗЮМ
- Эксперт Гидравлик
- Сообщения: 5584
- Зарегистрирован: 24 окт 2012, 20:41
- Страна, Регион, Область: СССР
- Город: Деревня Малая Малявня
- Откуда: деревня МАЛАЯ МАЛЯВНЯ
-
Благодарил (а):
602 раза
-
Поблагодарили:
816 раз
#564
Сообщение
ЗЮМ » 29 мар 2023, 12:47
https://youtu.be/ncw39JDlkvkА вот другой путь решения задачи. По скорости и давлению. Нашёл Дяденьку учёного. И их там как тараканов.
-
ЗЮМ
- Эксперт Гидравлик
- Сообщения: 5584
- Зарегистрирован: 24 окт 2012, 20:41
- Страна, Регион, Область: СССР
- Город: Деревня Малая Малявня
- Откуда: деревня МАЛАЯ МАЛЯВНЯ
-
Благодарил (а):
602 раза
-
Поблагодарили:
816 раз
#565
Сообщение
ЗЮМ » 29 мар 2023, 13:27
ЗЮМ писал(а): ↑29 мар 2023, 12:47
https://youtu.be/ncw39JDlkvkА вот другой путь решения задачи. По скорости регулирования. Нашёл Дяденьку учёного. И их там как тараканов.
В смысле обсуждения, нужны знания. Это понятно. Эта лекция для студентов не первого курса. Но есть идругие лекции. А для моего лично уровня язык формул не приемлим. Достаточно объяснения на пальцах. Я же не конструктор. Просто ремонтник. Отмазался
-
sp34
- Сообщения: 87
- Зарегистрирован: 22 мар 2023, 10:16
- Страна, Регион, Область: Россия
- Город: Москва
-
Благодарил (а):
6 раз
-
Поблагодарили:
1 раз
#566
Сообщение
sp34 » 29 мар 2023, 13:44
Пока буду двигаться именно так от насоса к цилиндру - изучая элементы и их работу.
Пока делаю дефектовку - интересны разьемы саленоидов в прозрачном корпусе с индикатором (светодиодом ) и винтиком по центру - где то пробегал у нас в разговоре на фото !
Он стандартный DIN43650 или специальный ?
-
Вложения
-

-
ЗЮМ
- Эксперт Гидравлик
- Сообщения: 5584
- Зарегистрирован: 24 окт 2012, 20:41
- Страна, Регион, Область: СССР
- Город: Деревня Малая Малявня
- Откуда: деревня МАЛАЯ МАЛЯВНЯ
-
Благодарил (а):
602 раза
-
Поблагодарили:
816 раз
#568
Сообщение
ЗЮМ » 29 мар 2023, 14:31
sp34 писал(а): ↑29 мар 2023, 13:44
Пока буду двигаться именно так от насоса к цилиндру - изучая элементы и их работу.
Пока делаю дефектовку - интересны разьемы саленоидов в прозрачном корпусе с индикатором (светодиодом ) и винтиком по центру - где то пробегал у нас в разговоре на фото !
Он стандартный DIN43650 или специальный ?
Есть в продаже. От 163р до 400 р примерно. Продаются там же где и распределители. В каком районе живете. Подберу адрес. может рядом окажется. Разъемы как разъемы. 24 вольта со светодиодом. Гугли сайты. Найдется легко. Да DIN 43650 LD
-
Вложения
-

- mPm-DIN43650B.jpg (57.83 КБ) 7378 просмотров
Последний раз редактировалось
ЗЮМ 29 мар 2023, 15:00, всего редактировалось 1 раз.
-
sp34
- Сообщения: 87
- Зарегистрирован: 22 мар 2023, 10:16
- Страна, Регион, Область: Россия
- Город: Москва
-
Благодарил (а):
6 раз
-
Поблагодарили:
1 раз
#569
Сообщение
sp34 » 29 мар 2023, 14:50
Это не наш - это > 43650В < у него другие размеры .
Нашел на Али .
У нас катушки саленоидов на 24v - АС переменки или DC постоянки ?
-
ЗЮМ
- Эксперт Гидравлик
- Сообщения: 5584
- Зарегистрирован: 24 окт 2012, 20:41
- Страна, Регион, Область: СССР
- Город: Деревня Малая Малявня
- Откуда: деревня МАЛАЯ МАЛЯВНЯ
-
Благодарил (а):
602 раза
-
Поблагодарили:
816 раз
#570
Сообщение
ЗЮМ » 29 мар 2023, 15:09
ЗЮМ писал(а): ↑29 мар 2023, 14:31
sp34 писал(а): ↑29 мар 2023, 13:44
Пока буду двигаться именно так от насоса к цилиндру - изучая элементы и их работу.
Пока делаю дефектовку - интересны разьемы саленоидов в прозрачном корпусе с индикатором (светодиодом ) и винтиком по центру - где то пробегал у нас в разговоре на фото !
Он стандартный DIN43650 или специальный ?
Есть в продаже. От 163р до 400 р примерно. Продаются там же где и распределители. В каком районе живете. Подберу адрес. может рядом окажется. Разъемы как разъемы. 24 вольта со светодиодом. Гугли сайты. Найдется легко. Да DIN 43650
DIN 43650 LED DC 12 и 24 вольта. надо глянуть может в Озоне есть. Цены 0т 200 -1500р. Я иногда на маркировки не смотрю берем у одних и тех же по пути. Продавцы уже знают что нам надо.
Последний раз редактировалось
ЗЮМ 29 мар 2023, 15:15, всего редактировалось 1 раз.
Кто сейчас на конференции
Сейчас этот форум просматривают: нет зарегистрированных пользователей и 18 гостей