Куаси 410.Слабый впрыск

- "Чудеса" случившиеся с вашими дорогими Куаси, Хмельницкими, Одесскими, Белорусскими, Русскими, Немецкими, Китайскими, Итальянскими и даже Американскими машинами.
- Various cases and problems with your IMM: Kuasy from DDR, Soviet-made machines, German, Chinese, American, Italian, Belarusian made machines.
Сообщение
Автор
saransk
Сообщения: 32
Зарегистрирован: 10 июн 2009, 18:12
Откуда: саранск
Благодарил (а): 0
Поблагодарили: 2 раза

Куаси 410.Слабый впрыск

#1 Сообщение saransk » 24 авг 2024, 11:10

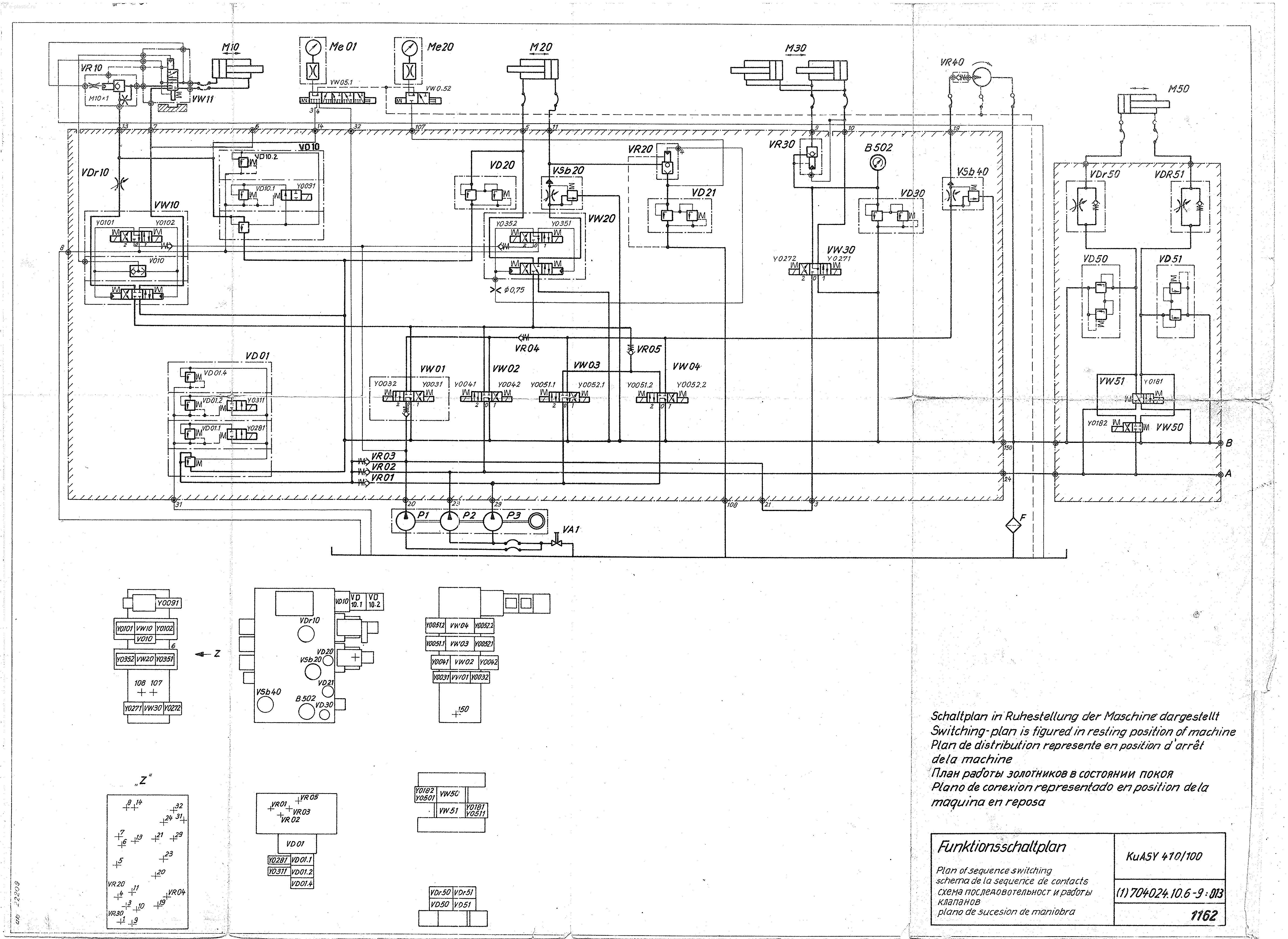
Хорошего утра и доброго дня.Проблема началась с того что решил отдохнуть.Два одареных за выходные нашли новые слова в моем лексиконе.Впрыск есть.но слабый.Регулировка VSB 20 есть.Посмотрел его .подклинивает.но давлением поршень внутри него при регулировке прижимает.Когда его вынул не было половины уплотнительной резинки.Заменил обе.при снятие установке их не закусывает.Вместе с резинками были пластиковые кольца.Они играют какую то роль?VD 20 тоже регулируется.Загрузка нормальная.Значит насос нормально качает.Поменял местами VD351-352 на VD 101-102.Ничего не изменилось.Значит управление большим клапаном в норме утечек нет.Что посоветуете дальше искать?

saransk
Сообщения: 32
Зарегистрирован: 10 июн 2009, 18:12
Откуда: саранск
Благодарил (а): 0
Поблагодарили: 2 раза

Re: Куаси 410.Слабый впрыск

#2 Сообщение saransk » 24 авг 2024, 14:11

Попробовал порегулировать VD21.регулировка есть .результата нет.Как я понял давление впрыска куда то уходит.За это отвечать могут Vr20 VSB 20 VW20. Управление VR20 поменял,результата нет.VD20 проверил.Слив давления до него идет.Насос и на загрузку и на впрыск один.Его тоже отсекаем.Давление управления на все операции одно.Все кроме впрыска работает.Тоже не оно.Остался только большой клапан.На моей памяти не один не сломался.Не знаю что дальше делать

saransk
Сообщения: 32
Зарегистрирован: 10 июн 2009, 18:12
Откуда: саранск
Благодарил (а): 0
Поблагодарили: 2 раза

Re: Куаси 410.Слабый впрыск

#3 Сообщение saransk » 24 авг 2024, 16:22

Давления впрыска совсем нет.Закрыл VD21.скинул трубку с манометра надел шланг.масло не идет на впрыске.Разобрал большой клапан VW20.Все нормально.

saransk
Сообщения: 32
Зарегистрирован: 10 июн 2009, 18:12
Откуда: саранск
Благодарил (а): 0
Поблагодарили: 2 раза

Re: Куаси 410.Слабый впрыск

#4 Сообщение saransk » 26 авг 2024, 07:59

Доброе утро всем.В результате получается что давление впрыска есть(50 кг) загрузка (100 кг)но оно уходит почти сразу через утечки.или VSB 20 или VR20 VD21. VR20 менял.нет результата.Как поменять VSB20 ? что можно вставить вместо него или у кого есть рабочий на продажу.Конец месяца.подгорает.

ЗЮМ
Эксперт Гидравлик
Сообщения: 5711
Зарегистрирован: 24 окт 2012, 20:41
Страна, Регион, Область: СССР
Город: Деревня Малая Малявня
Откуда: деревня МАЛАЯ МАЛЯВНЯ
Благодарил (а): 607 раз
Поблагодарили: 830 раз

Re: Куаси 410.Слабый впрыск

#5 Сообщение ЗЮМ » 26 авг 2024, 16:52

Да, удивительный цейтнот спецов по оказанию помощи. Или в блогеры подались? Сергей работаем по Телеграмм.

ЗЮМ
Эксперт Гидравлик
Сообщения: 5711
Зарегистрирован: 24 окт 2012, 20:41
Страна, Регион, Область: СССР
Город: Деревня Малая Малявня
Откуда: деревня МАЛАЯ МАЛЯВНЯ
Благодарил (а): 607 раз
Поблагодарили: 830 раз

Re: Куаси 410.Слабый впрыск

#6 Сообщение ЗЮМ » 29 авг 2024, 14:11

Добрый день. Причина установлена. Регулятор скорости впрыска заклинил обломками пружины . При разборке сломали корпус.
Вложения
IMG-20240829-WA0005.jpg
IMG-20240829-WA0004.jpg
IMG-20240829-WA0003.jpg

ЗЮМ
Эксперт Гидравлик
Сообщения: 5711
Зарегистрирован: 24 окт 2012, 20:41
Страна, Регион, Область: СССР
Город: Деревня Малая Малявня
Откуда: деревня МАЛАЯ МАЛЯВНЯ
Благодарил (а): 607 раз
Поблагодарили: 830 раз

Re: Куаси 410.Слабый впрыск

#7 Сообщение ЗЮМ » 29 авг 2024, 14:12

Модель
Вложения
IMG-20240827-WA0003.jpg
IMG-20240827-WA0002.jpg
IMG-20240827-WA0001.jpg

ЗЮМ
Эксперт Гидравлик
Сообщения: 5711
Зарегистрирован: 24 окт 2012, 20:41
Страна, Регион, Область: СССР
Город: Деревня Малая Малявня
Откуда: деревня МАЛАЯ МАЛЯВНЯ
Благодарил (а): 607 раз
Поблагодарили: 830 раз

Re: Куаси 410.Слабый впрыск

#8 Сообщение ЗЮМ » 29 авг 2024, 14:14

Общий вид. Обозначение на схеме VSb 20. Идентичен с VSb40- регулятором оборотов шнека. У кого есть в запасе просьба помочь Сергею.
Вложения
IMG-20240828-WA0001.jpg
IMG-20240828-WA0001.jpg

ЗЮМ
Эксперт Гидравлик
Сообщения: 5711
Зарегистрирован: 24 окт 2012, 20:41
Страна, Регион, Область: СССР
Город: Деревня Малая Малявня
Откуда: деревня МАЛАЯ МАЛЯВНЯ
Благодарил (а): 607 раз
Поблагодарили: 830 раз

Re: Куаси 410.Слабый впрыск

#9 Сообщение ЗЮМ » 29 авг 2024, 14:23

Олька прислала фото что есть. Правые два похожи тгл, не совпадает. Если они с Куаси 170- к, надо смотреть схему, сравнить символы обозначения.
Вложения
-5368765887039004639_121.jpg

ЗЮМ
Эксперт Гидравлик
Сообщения: 5711
Зарегистрирован: 24 окт 2012, 20:41
Страна, Регион, Область: СССР
Город: Деревня Малая Малявня
Откуда: деревня МАЛАЯ МАЛЯВНЯ
Благодарил (а): 607 раз
Поблагодарили: 830 раз

Re: Куаси 410.Слабый впрыск

#10 Сообщение ЗЮМ » 29 авг 2024, 14:41

Сравнил схемы 410/100 и 170/55. Дросселя внешне похожи. Но внутри разные . Первый 410-ка трёх линейный, второй 170-ка, двух линейный. Кто не в курсе. 410/100 три линии в аппарате. 170/55 две линии в аппарате. По символам схемы видно. Поэтому TGL 410-ки 26245/20. -21.11. А 170-ки 26244/20...? Я не в курсе взаимозаменяемы или нет. На скорость формы двух линейный и визуально на много короче. Вот такие мысли.
Вложения
DOC-20240826-WA0007..pdf
(202.37 КБ) 8 скачиваний
IMG-20240829-WA0007.jpg

ЗЮМ
Эксперт Гидравлик
Сообщения: 5711
Зарегистрирован: 24 окт 2012, 20:41
Страна, Регион, Область: СССР
Город: Деревня Малая Малявня
Откуда: деревня МАЛАЯ МАЛЯВНЯ
Благодарил (а): 607 раз
Поблагодарили: 830 раз

Re: Куаси 410.Слабый впрыск

#11 Сообщение ЗЮМ » 29 авг 2024, 16:09

Ревизия опрос. Опись с работающей машины из Москвы. Впрыск: TGL 26245/20-6/83 ∆ ORSTA 05 -20-21.12/0. Обороты шнека: TGL26245/20-3/83∆ORSTA 05- SB20-21.02/0 . TGL- номер каталога, 20- условный проход, 3/83 - дата выпуска, ОRSTA- фирма ГДР, 05-20-21.12/0- назначение думаю начинка функция аппарата. Надо уточнять где то видел в инете раскодировку. Теперь надо Сергею переписать что у него. Для порядка. Вечером.

ЗЮМ
Эксперт Гидравлик
Сообщения: 5711
Зарегистрирован: 24 окт 2012, 20:41
Страна, Регион, Область: СССР
Город: Деревня Малая Малявня
Откуда: деревня МАЛАЯ МАЛЯВНЯ
Благодарил (а): 607 раз
Поблагодарили: 830 раз

Re: Куаси 410.Слабый впрыск

#12 Сообщение ЗЮМ » 29 авг 2024, 18:25


ЗЮМ
Эксперт Гидравлик
Сообщения: 5711
Зарегистрирован: 24 окт 2012, 20:41
Страна, Регион, Область: СССР
Город: Деревня Малая Малявня
Откуда: деревня МАЛАЯ МАЛЯВНЯ
Благодарил (а): 607 раз
Поблагодарили: 830 раз

Re: Куаси 410.Слабый впрыск

#13 Сообщение ЗЮМ » 29 авг 2024, 18:39

Клапаны стандарта TGL серии 26245/20 могут быть заказаны в следующих исполнениях:

21 - без предохранительного клапана, без обратного клапана, с функцией обратного клапана или предохранительного Клапана
23 - с предохранительным клапаном, фиксированная установка на 8 МПа давления, без функции обратного клапана
26 - с предохранительным клапаном, фиксированной установкой 12 МПа давления, без функции обратного клапана
28 - с предохранительным клапаном, фиксированной установкой 14,5 МПа давления, без функции обратного клапана
31 - без предохранительного клапана, с обратным клапаном
51-Номинальное давление 16 МПа, без предохранительного клапана с допустимым остаточным расходом, без функции обратного клапана
Кроме того, эти устройства могут быть оснащены:

01 - шпилька с контргайкой и колпачком, пломбируемая
02 - кнопка управления с фиксатором
11 - кнопка управления со шкалой и замком
12 - кнопка управления со шкалой без замка
65 - фиксированная установка расход воздуха подключение 6,3 л / мин
70 - фиксированный расход 10 л / мин
72 - фиксированный расход 16 л / мин
Пример заказа:

Ограничительный клапан 06-26.72 TGL 26245/20

Другие предложения

Orsta Hydraulik AG
Цена и срок поставки
Тесное взаимодействие с производителем позволяет оперативно дать цену и срок поставки. Прямая закупка и логистика, обеспечивают, пожалуй, наиболее выгодную стоимость и быструю доставку.

Запрос предложения
ФИО*
Наименование организации*
Адрес электронной почты*
Телефон(по усмотрению)
Описание запроса*
Вложения или реквизиты Файл не выбран







Каталоги
В некоторых разделах приведены оригинальные каталоги завода-производителя. За отсутствием каталогов на русском языке, в описаниях приведены краткие технические переводы. При необходимости в оригинальном заводском каталоге, имеется возможность запросить его у наших специалистов. Также, в доступе компетентные консультации от нашего технического бюро.

Официальный сайт
Официальный сайт Службы Подготовки Производства содержит информацию, собственноручно переведенную с официальных сайтов производителей. Переводы выполняются при участии специалистов собственного технического бюро. Бренды, фотоматериалы, логотипы и товарные знаки принадлежат их собственникам - производителям оборудования.

гидравлические компоненты

пневматические компоненты

мехатроника

электротехническое оборудование

оснастка для станков

промышленный инструмент

Санкт-Петербург post@spp-prom.ru

Москва +7(495)118-42-37

Казань +7(843)204-29-28

Екатеринбург +7(343)247-25-58

Москва Казань Екатеринбург
Москва Дмитровское шоссе, д.110, стр. 3, ТК "СтройМакс", 4 этаж

Казань ул. Аделя Кутуя, д.151, здание "Деловые Линии", 3 этаж

Екатеринбург улица Фронтовых Бригад, 15к37, 2 этаж, пом. 24

Подробные контактные данные

Поставка по всей России

Служба Подготовки Производства (КО)

Санкт-Петербург, 2017-2022 год

Копирование без указания источника запрещено. Все права защищены.

Санкт-Петербург
198152, Санкт-Петербург, ул. Краснопутиловская,д.69, корп. А, БизнесПарк "Цитадель", оф 206-211

ЗЮМ
Эксперт Гидравлик
Сообщения: 5711
Зарегистрирован: 24 окт 2012, 20:41
Страна, Регион, Область: СССР
Город: Деревня Малая Малявня
Откуда: деревня МАЛАЯ МАЛЯВНЯ
Благодарил (а): 607 раз
Поблагодарили: 830 раз

Re: Куаси 410.Слабый впрыск

#14 Сообщение ЗЮМ » 29 авг 2024, 18:43

Если ориентироваться на этот текст выше можно понять что вследствии ревизии сравнения у нас меняются цифры, 11- Саранск, 12- Москва, 02- обороты шнека. Эти цифры указывают на конструкцию головы крутилки управления. Остальное идентично. Вот и разобрались. Дело за малым, найти и купить.

Аватара пользователя
Олька
Сообщения: 1012
Зарегистрирован: 18 окт 2010, 17:36
Страна, Регион, Область: Россия, Северо-западный регион, Новгородская обл.
Город: Великий Новгород
Откуда: Великий Новгород
Благодарил (а): 32 раза
Поблагодарили: 84 раза

Re: Куаси 410.Слабый впрыск

#15 Сообщение Олька » 29 авг 2024, 21:03

ЗЮМ писал(а): 29 авг 2024, 18:43 Если ориентироваться на этот текст выше можно понять что вследствии ревизии сравнения у нас меняются цифры, 11- Саранск, 12- Москва, 02- обороты шнека. Эти цифры указывают на конструкцию головы крутилки управления. Остальное идентично. Вот и разобрались. Дело за малым, найти и купить.
Так мой вариант не подходит?!
Злая ты, Олечка!

ЗЮМ
Эксперт Гидравлик
Сообщения: 5711
Зарегистрирован: 24 окт 2012, 20:41
Страна, Регион, Область: СССР
Город: Деревня Малая Малявня
Откуда: деревня МАЛАЯ МАЛЯВНЯ
Благодарил (а): 607 раз
Поблагодарили: 830 раз

Re: Куаси 410.Слабый впрыск

#16 Сообщение ЗЮМ » 29 авг 2024, 21:20

Те которые на фото не подходят.

ЗЮМ
Эксперт Гидравлик
Сообщения: 5711
Зарегистрирован: 24 окт 2012, 20:41
Страна, Регион, Область: СССР
Город: Деревня Малая Малявня
Откуда: деревня МАЛАЯ МАЛЯВНЯ
Благодарил (а): 607 раз
Поблагодарили: 830 раз

Re: Куаси 410.Слабый впрыск

#17 Сообщение ЗЮМ » 29 авг 2024, 22:15

Смотрим ещё раз. TGL 26244 а надо 26245 условный проход 20мм а на фото 10. Эти Олькины может с Куаси 105/
Вложения
IMG_20240829_122825_605.jpg
IMG_20240829_220222_509.jpg
IMG_20240829_220221_993.jpg

ЗЮМ
Эксперт Гидравлик
Сообщения: 5711
Зарегистрирован: 24 окт 2012, 20:41
Страна, Регион, Область: СССР
Город: Деревня Малая Малявня
Откуда: деревня МАЛАЯ МАЛЯВНЯ
Благодарил (а): 607 раз
Поблагодарили: 830 раз

Re: Куаси 410.Слабый впрыск

#18 Сообщение ЗЮМ » 29 авг 2024, 22:32

Файл можно получить по ссылке:
VID-20240829-WA0031.mp4
https://disk.yandex.ru/i/Dy5EKwAibLEr7w Нужен такой: TGL 26245/20 ORSTA 05-20-21.11/0 Вместо цифры 11 может быть 12 или 02.

ЗЮМ
Эксперт Гидравлик
Сообщения: 5711
Зарегистрирован: 24 окт 2012, 20:41
Страна, Регион, Область: СССР
Город: Деревня Малая Малявня
Откуда: деревня МАЛАЯ МАЛЯВНЯ
Благодарил (а): 607 раз
Поблагодарили: 830 раз

Re: Куаси 410.Слабый впрыск

#19 Сообщение ЗЮМ » 29 авг 2024, 23:43

А вот в этом мы нуждались всю сознательную жизнь. Огромное спасибо Артуру.Файл можно получить по ссылке:
TGL 26245-20-1.pdf
https://disk.yandex.ru/i/9TVO5vYyC9se4A. Теперь все тайны шифра как на ладони. Распечатываем и переводим.

ЗЮМ
Эксперт Гидравлик
Сообщения: 5711
Зарегистрирован: 24 окт 2012, 20:41
Страна, Регион, Область: СССР
Город: Деревня Малая Малявня
Откуда: деревня МАЛАЯ МАЛЯВНЯ
Благодарил (а): 607 раз
Поблагодарили: 830 раз

Re: Куаси 410.Слабый впрыск

#20 Сообщение ЗЮМ » 30 авг 2024, 01:27

Возникла дискуссия, не спор. Одинаковые ли дроссели на впрыск и на обороты шнека. VSb 20 b VSb 40. По графике схемы ДА. Можно ли их местами менять? ДА. Теперь еще раз расписываем кодировку: TGL 26245\20 ORSTA 20-21.11 26245/20- стандарт. 20- условный проход . 21- конструктив. 11- способ регулирования. Подробности в ссылке выше. Характеристики габариты и прочее. Отличаются только способом регулирования. 11 и 02. Итак по управлению. 02-пломбируемое управление с фиксатором. 11-Рукоятка управления со шкалой и замком. 12- Рукоятка управления со шкалой без замка. Вся разница.
Вложения
DOC-20240829-WA0032_.jpg

ЗЮМ
Эксперт Гидравлик
Сообщения: 5711
Зарегистрирован: 24 окт 2012, 20:41
Страна, Регион, Область: СССР
Город: Деревня Малая Малявня
Откуда: деревня МАЛАЯ МАЛЯВНЯ
Благодарил (а): 607 раз
Поблагодарили: 830 раз

Re: Куаси 410.Слабый впрыск

#21 Сообщение ЗЮМ » 30 авг 2024, 02:14

Почему так долго копаемся? Дело в том что что разрушился дроссель впрыска VSb 20. Поставили с загрузки VSb 40.То есть Поменяли местами для проверки. Давление на впрыске не появилось все сливает в бак с самого дросселя, за дросселем шланг снят и заглушен. В системе 100 атмосфер до распределителя на впрыск. А на загрузке c VSb 40 есть 50 в момент вращения шнека. Пред история: Машина работала. Крутанули дроссель впрыска и впрыск пропал, после этого достали обломки пружины. Со слов Сергея Саранск. Мое мнение и второй дроссель не внушает доверия. Либо делается что то не так. Нужен проверенный дроссель. Ищем.

ЗЮМ
Эксперт Гидравлик
Сообщения: 5711
Зарегистрирован: 24 окт 2012, 20:41
Страна, Регион, Область: СССР
Город: Деревня Малая Малявня
Откуда: деревня МАЛАЯ МАЛЯВНЯ
Благодарил (а): 607 раз
Поблагодарили: 830 раз

Re: Куаси 410.Слабый впрыск

#22 Сообщение ЗЮМ » 30 авг 2024, 02:59

Понятно что надо проверять и VR 20 и VR 21.

ЗЮМ
Эксперт Гидравлик
Сообщения: 5711
Зарегистрирован: 24 окт 2012, 20:41
Страна, Регион, Область: СССР
Город: Деревня Малая Малявня
Откуда: деревня МАЛАЯ МАЛЯВНЯ
Благодарил (а): 607 раз
Поблагодарили: 830 раз

Re: Куаси 410.Слабый впрыск

#23 Сообщение ЗЮМ » 30 авг 2024, 22:07

Готовим спец заглушку. Цель перекрыть слив в бак с VSb20
Вложения
IMG_20240830_005334_683.jpg
IMG_20240830_105615_111.jpg
IMG_20240830_215653_147.jpg
IMG_20240830_215053_851.jpg

ЗЮМ
Эксперт Гидравлик
Сообщения: 5711
Зарегистрирован: 24 окт 2012, 20:41
Страна, Регион, Область: СССР
Город: Деревня Малая Малявня
Откуда: деревня МАЛАЯ МАЛЯВНЯ
Благодарил (а): 607 раз
Поблагодарили: 830 раз

Re: Куаси 410.Слабый впрыск

#24 Сообщение ЗЮМ » 30 авг 2024, 23:16

!
Вложения
IMG_20240830_005334_683.jpg
IMG_20240830_215653_147~2.jpg

ЗЮМ
Эксперт Гидравлик
Сообщения: 5711
Зарегистрирован: 24 окт 2012, 20:41
Страна, Регион, Область: СССР
Город: Деревня Малая Малявня
Откуда: деревня МАЛАЯ МАЛЯВНЯ
Благодарил (а): 607 раз
Поблагодарили: 830 раз

Re: Куаси 410.Слабый впрыск

#25 Сообщение ЗЮМ » 31 авг 2024, 11:19

ЗЮМ писал(а): 30 авг 2024, 23:16!
На базе сломанногоVSb20 готовим универсальную заглушку. Отверстие L нарезать резьбу, заглушить. Пистон блокирует отвод в бак Т.
Вложения
IMG_20240831_094153_759.jpg
IMG_20240830_215653_147~3.jpg

ЗЮМ
Эксперт Гидравлик
Сообщения: 5711
Зарегистрирован: 24 окт 2012, 20:41
Страна, Регион, Область: СССР
Город: Деревня Малая Малявня
Откуда: деревня МАЛАЯ МАЛЯВНЯ
Благодарил (а): 607 раз
Поблагодарили: 830 раз

Re: Куаси 410.Слабый впрыск

#26 Сообщение ЗЮМ » 31 авг 2024, 11:43

Vr20
Вложения
IMG_20240831_113243_946.jpg
IMG_20240831_113205_989.jpg

ЗЮМ
Эксперт Гидравлик
Сообщения: 5711
Зарегистрирован: 24 окт 2012, 20:41
Страна, Регион, Область: СССР
Город: Деревня Малая Малявня
Откуда: деревня МАЛАЯ МАЛЯВНЯ
Благодарил (а): 607 раз
Поблагодарили: 830 раз

Re: Куаси 410.Слабый впрыск

#27 Сообщение ЗЮМ » 31 авг 2024, 11:51

Vr21
Вложения
IMG_20240831_115312_075.jpg
IMG_20240831_114651_744.jpg

ЗЮМ
Эксперт Гидравлик
Сообщения: 5711
Зарегистрирован: 24 окт 2012, 20:41
Страна, Регион, Область: СССР
Город: Деревня Малая Малявня
Откуда: деревня МАЛАЯ МАЛЯВНЯ
Благодарил (а): 607 раз
Поблагодарили: 830 раз

Re: Куаси 410.Слабый впрыск

#28 Сообщение ЗЮМ » 31 авг 2024, 12:36

Линия L видна тут. Другое исполнение дросселя.
Вложения
IMG_20240830_005353_322.jpg

ЗЮМ
Эксперт Гидравлик
Сообщения: 5711
Зарегистрирован: 24 окт 2012, 20:41
Страна, Регион, Область: СССР
Город: Деревня Малая Малявня
Откуда: деревня МАЛАЯ МАЛЯВНЯ
Благодарил (а): 607 раз
Поблагодарили: 830 раз

Re: Куаси 410.Слабый впрыск

#29 Сообщение ЗЮМ » 01 сен 2024, 10:24


ЗЮМ
Эксперт Гидравлик
Сообщения: 5711
Зарегистрирован: 24 окт 2012, 20:41
Страна, Регион, Область: СССР
Город: Деревня Малая Малявня
Откуда: деревня МАЛАЯ МАЛЯВНЯ
Благодарил (а): 607 раз
Поблагодарили: 830 раз

Re: Куаси 410.Слабый впрыск

#30 Сообщение ЗЮМ » 01 сен 2024, 10:25

На гидравлических схемах может встречаться буквенные обозначения P, Т, Х, Y, L и М – это линии напора, слива,
управления, слива управления, дренажа и место подключения манометра.

Ответить

Вернуться в «Термопластавтоматы не могут без ремонта/Injection molding machines need in repair»

Кто сейчас на конференции

Сейчас этот форум просматривают: Baidu [Spider] и 1 гость