Номер магнита пнемосдува на DEMAG Ergotech Compact

- "Чудеса" случившиеся с вашими дорогими Куаси, Хмельницкими, Одесскими, Белорусскими, Русскими, Немецкими, Китайскими, Итальянскими и даже Американскими машинами.
- Various cases and problems with your IMM: Kuasy from DDR, Soviet-made machines, German, Chinese, American, Italian, Belarusian made machines.
Ответить
Сообщение
Автор
agent_serg
Сообщения: 812
Зарегистрирован: 29 июл 2011, 20:30
Страна, Регион, Область: Её уже нет, только память...
Город: Город, который помню с детства
Благодарил (а): 108 раз
Поблагодарили: 164 раза

Номер магнита пнемосдува на DEMAG Ergotech Compact

#1 Сообщение agent_serg » 08 мар 2020, 21:34

Всем привет!
Надо выяснить номер магнита пневмосдува ТПА DEMAG Ergotech Compact. Может кто помнит или глянет?
Схемы под рукой нет.
Предположу, что у всех ТПА DEMAG номер магнита пневмосдува одинаковый, потому как на других узлах номера по электросхеме реально одинаковые, что на старых, что на поновее и, даже, на NCIII и NCIV совпадают.
Качество - это делать что-либо правильно, даже когда никто не смотрит.
© Генри Форд

ЗЮМ
Эксперт Гидравлик
Сообщения: 5734
Зарегистрирован: 24 окт 2012, 20:41
Страна, Регион, Область: СССР
Город: Деревня Малая Малявня
Откуда: деревня МАЛАЯ МАЛЯВНЯ
Благодарил (а): 612 раз
Поблагодарили: 836 раз

Re: Номер магнита пнемосдува на DEMAG Ergotech Compact

#2 Сообщение ЗЮМ » 08 мар 2020, 22:03

На гидросхеме D 55NC|||P не нашел пневматику. В циклограмме тоже одна гидравлика.

Аватара пользователя
dedaborja
Сообщения: 930
Зарегистрирован: 16 июл 2008, 16:55
Страна, Регион, Область: Россия
Город: Воронеж
Откуда: Колыма
Благодарил (а): 31 раз
Поблагодарили: 123 раза

Re: Номер магнита пнемосдува на DEMAG Ergotech Compact

#3 Сообщение dedaborja » 09 мар 2020, 01:02

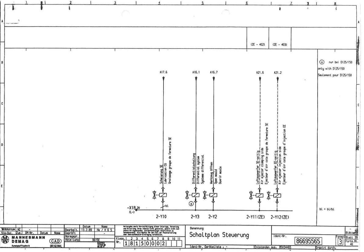
Случайно, не они?
39.jpg
(у нас опциально)
За это сообщение автора dedaborja поблагодарил:
Мулланур
Рейтинг: 5%

agent_serg
Сообщения: 812
Зарегистрирован: 29 июл 2011, 20:30
Страна, Регион, Область: Её уже нет, только память...
Город: Город, который помню с детства
Благодарил (а): 108 раз
Поблагодарили: 164 раза

Re: Номер магнита пнемосдува на DEMAG Ergotech Compact

#4 Сообщение agent_serg » 09 мар 2020, 07:44

dedaborja писал(а): 09 мар 2020, 01:02Случайно, не они?
Спасибо.
Похоже, что они.
На экране процесса есть 2-Y11 и 2-Y12, но я не знал их назначение.
Завтра проверю.
Качество - это делать что-либо правильно, даже когда никто не смотрит.
© Генри Форд

TV13M
Сообщения: 18
Зарегистрирован: 14 апр 2016, 19:18
Страна, Регион, Область: Belarus
Город: Minsk
Благодарил (а): 4 раза
Поблагодарили: 1 раз

Re: Номер магнита пнемосдува на DEMAG Ergotech Compact

#5 Сообщение TV13M » 09 мар 2020, 08:10

Пневмосдув на NC4 2003 г.в.
Вложения
NC4
NC4

Артур69
Сообщения: 3457
Зарегистрирован: 02 фев 2020, 10:56
Страна, Регион, Область: Германия
Город: NRW
Благодарил (а): 1219 раз
Поблагодарили: 1431 раз

Re: Номер магнита пнемосдува на DEMAG Ergotech Compact

#6 Сообщение Артур69 » 09 мар 2020, 11:05

agent_serg писал(а): 08 мар 2020, 21:34 Всем привет!
Надо выяснить номер магнита пневмосдува ТПА DEMAG Ergotech Compact. Может кто помнит или глянет?
Схемы под рукой нет.
Предположу, что у всех ТПА DEMAG номер магнита пневмосдува одинаковый, потому как на других узлах номера по электросхеме реально одинаковые, что на старых, что на поновее и, даже, на NCIII и NCIV совпадают.
Простите за глупый вопрос , но не удержался, пневмосдув это что ?
Nein zum Krieg.

agent_serg
Сообщения: 812
Зарегистрирован: 29 июл 2011, 20:30
Страна, Регион, Область: Её уже нет, только память...
Город: Город, который помню с детства
Благодарил (а): 108 раз
Поблагодарили: 164 раза

Re: Номер магнита пнемосдува на DEMAG Ergotech Compact

#7 Сообщение agent_serg » 09 мар 2020, 12:42

TV13M писал(а): 09 мар 2020, 08:10Пневмосдув на NC4 2003 г.в.
Спасибо. Это подтверждает принцип маркировки узлов DEMAG-ом вне зависимости от серии ТПА.

Артур69 писал(а): 09 мар 2020, 11:05Простите за глупый вопрос , но не удержался, пневмосдув это что ?
Air Ejector.
Используют, чтобы изделие не оставалось в матрице и/или для облегчения съёма с пуансона.
За это сообщение автора agent_serg поблагодарил:
Артур69
Рейтинг: 5%
Качество - это делать что-либо правильно, даже когда никто не смотрит.
© Генри Форд

Артур69
Сообщения: 3457
Зарегистрирован: 02 фев 2020, 10:56
Страна, Регион, Область: Германия
Город: NRW
Благодарил (а): 1219 раз
Поблагодарили: 1431 раз

Re: Номер магнита пнемосдува на DEMAG Ergotech Compact

#8 Сообщение Артур69 » 09 мар 2020, 15:10

agent_serg писал(а): 09 мар 2020, 12:42
TV13M писал(а): 09 мар 2020, 08:10Пневмосдув на NC4 2003 г.в.
Спасибо. Это подтверждает принцип маркировки узлов DEMAG-ом вне зависимости от серии ТПА.

Артур69 писал(а): 09 мар 2020, 11:05Простите за глупый вопрос , но не удержался, пневмосдув это что ?
Air Ejector.
Используют, чтобы изделие не оставалось в матрице и/или для облегчения съёма с пуансона.
Спасибо, в принципе так и думал , просто слово не знакомоё😁. Учусь .
Nein zum Krieg.

Ответить

Вернуться в «Термопластавтоматы не могут без ремонта/Injection molding machines need in repair»

Кто сейчас на конференции

Сейчас этот форум просматривают: нет зарегистрированных пользователей и 6 гостей