Не корректная работа гидравлики?
-
ЗЮМ
- Эксперт Гидравлик
- Сообщения: 5725
- Зарегистрирован: 24 окт 2012, 20:41
- Страна, Регион, Область: СССР
- Город: Деревня Малая Малявня
- Откуда: деревня МАЛАЯ МАЛЯВНЯ
- Благодарил (а): 611 раз
- Поблагодарили: 835 раз
Re: Не корректная работа гидравлики?
Потребуются короче болты на толщину регулятора давления. Я поступаю проще. Беру 1 метр строительной шпильки м 5. отрезаю ножовкой четыре штуки нужной длины и креплю гайками на М 5 , есть в продаже крепежа на строительных рынках усиленные удлиненные гайки и шайбы усиленные или несколько обычных. Много раз таким способом делаю оперативный крепеж аппаратуры. Промышленный болт не всега быстро найдешь. Либо на Москворецком рынке в Чертаново искать болты короче. Еще вариант: Под головки болтов вставить втулки изготовленные токарем или отрезать от трубки соответствующего размера. Либо тупо под головку накидать гаек и шайб. Это если ДУ 6мм. А если ДУ 10. то крепеж м 6.
-
syler
- Сообщения: 28
- Зарегистрирован: 13 июл 2015, 19:39
- Страна, Регион, Область: Россия
- Город: Москва
- Благодарил (а): 0
- Поблагодарили: 0
Re: Не корректная работа гидравлики?
Всем привет!
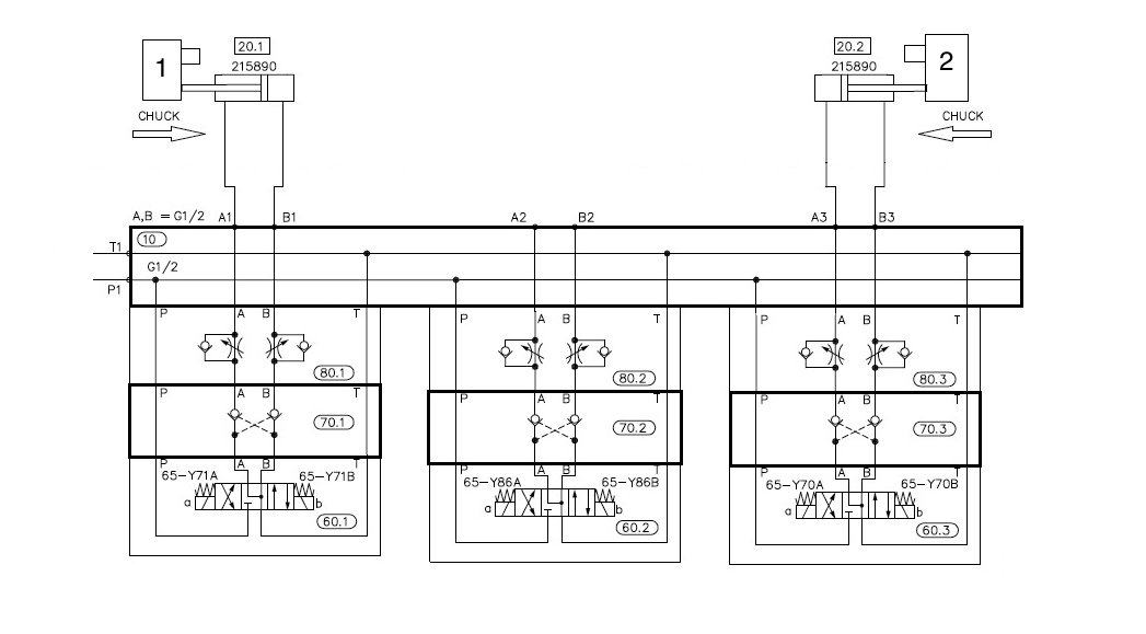
Продолжаем пытаться исправить проблему с разъезжающимися стойками размотчика станка. На этот раз были демонтированы блоки регуляторов давления (см. схему). Результат оказался положительным, стойки прекратили самопроизвольное разъезжание в нейтральном положении гидрораспределителя.
Однако осталось незначительное, но в то же время недопустимое отъезжание стоек назад (см. видео).
Еще один озадачивающий момент - если поставить шпулю, зажать ее и начать давить например второй стойкой на первую, первая продавливается и очень-очень медленно начинает ехать. То же самое происходит если давить первой на вторую.
Обратный клапан 70.2 был разобран и осмотрен. Поверхности ровные, чистые, без задиров.
Ваши соображения?
Продолжаем пытаться исправить проблему с разъезжающимися стойками размотчика станка. На этот раз были демонтированы блоки регуляторов давления (см. схему). Результат оказался положительным, стойки прекратили самопроизвольное разъезжание в нейтральном положении гидрораспределителя.
Однако осталось незначительное, но в то же время недопустимое отъезжание стоек назад (см. видео).
Еще один озадачивающий момент - если поставить шпулю, зажать ее и начать давить например второй стойкой на первую, первая продавливается и очень-очень медленно начинает ехать. То же самое происходит если давить первой на вторую.
Обратный клапан 70.2 был разобран и осмотрен. Поверхности ровные, чистые, без задиров.
Ваши соображения?
-
syler
- Сообщения: 28
- Зарегистрирован: 13 июл 2015, 19:39
- Страна, Регион, Область: Россия
- Город: Москва
- Благодарил (а): 0
- Поблагодарили: 0
Re: Не корректная работа гидравлики?
Обновление!
Решили "проверить на вшивость" гидроцилиндры. Зафиксировали вторую стойку, откинули шланг B3 и подали команду "Движение вправо". Из стыковочного отверстия побежало масло.
То же самое проделали с цилиндром первой стойки. Он оказался вроде как исправным, но было замечена интересная особенность: в момент подачи команды на движение, из отсоединенного шланга (который подключается гидрораспределителем на слив) кратковременным импульсом бьет фонтанчик масла и тут же пропадает, из отверстия в то же время не течет.
Остается не понятным: как неисправный цилиндр может передавливать исправный (см.видео в предыдущем посте)?
Решили "проверить на вшивость" гидроцилиндры. Зафиксировали вторую стойку, откинули шланг B3 и подали команду "Движение вправо". Из стыковочного отверстия побежало масло.
То же самое проделали с цилиндром первой стойки. Он оказался вроде как исправным, но было замечена интересная особенность: в момент подачи команды на движение, из отсоединенного шланга (который подключается гидрораспределителем на слив) кратковременным импульсом бьет фонтанчик масла и тут же пропадает, из отверстия в то же время не течет.
Остается не понятным: как неисправный цилиндр может передавливать исправный (см.видео в предыдущем посте)?
-
Мулланур
- Сообщения: 1586
- Зарегистрирован: 01 окт 2013, 15:06
- Страна, Регион, Область: Россия
- Город: Екатеринбург
- Откуда: Yevlax
- Благодарил (а): 415 раз
- Поблагодарили: 386 раз
Re: Не корректная работа гидравлики?
У Вас на схеме написано что цилиндры которые перемещают стойки имеют шток d=45 мм, а сам поршень d=63 мм. Эти размеры соответствуют действительности?
-
syler
- Сообщения: 28
- Зарегистрирован: 13 июл 2015, 19:39
- Страна, Регион, Область: Россия
- Город: Москва
- Благодарил (а): 0
- Поблагодарили: 0
Re: Не корректная работа гидравлики?
Да, соответствуют.Мулланур писал(а):У Вас на схеме написано что цилиндры которые перемещают стойки имеют шток d=45 мм, а сам поршень d=63 мм. Эти размеры соответствуют действительности?
-
Мулланур
- Сообщения: 1586
- Зарегистрирован: 01 окт 2013, 15:06
- Страна, Регион, Область: Россия
- Город: Екатеринбург
- Откуда: Yevlax
- Благодарил (а): 415 раз
- Поблагодарили: 386 раз
Re: Не корректная работа гидравлики?
Скорость перемещения стоек у вас регулируется по сливу, то есть давление в цилиндре есть с обоих сторон.
Если цилиндр штоковой полостью может продавливать без штоковую полость второго цилиндра с площадью в два раза больше чем у первого, значит гидрозамки открыты.
Гидрозамки не могут закрыться потому что есть давление со стороны распределителя это :
или перепутаны подвод "Р" с "Т";
или фильтр на линии "Т" имеет низкую пропускную способность (засорен, маленькой площади);
или есть на линии"Т" от распределителя до бака еще есть какое то сопротивление по сечению.
Если цилиндр штоковой полостью может продавливать без штоковую полость второго цилиндра с площадью в два раза больше чем у первого, значит гидрозамки открыты.
Гидрозамки не могут закрыться потому что есть давление со стороны распределителя это :
или перепутаны подвод "Р" с "Т";
или фильтр на линии "Т" имеет низкую пропускную способность (засорен, маленькой площади);
или есть на линии"Т" от распределителя до бака еще есть какое то сопротивление по сечению.
-
atm
- Сообщения: 241
- Зарегистрирован: 26 дек 2013, 04:53
- Страна, Регион, Область: Россия
- Город: Тюмень
- Благодарил (а): 0
- Поблагодарили: 16 раз
Re: Не корректная работа гидравлики?
Самому не нравится объяснение, просто как вариант,syler писал(а):Еще один озадачивающий момент - если поставить шпулю, зажать ее и начать давить например второй стойкой на первую, первая продавливается и очень-очень медленно начинает ехать. То же самое происходит если давить первой на вторую.
При включении распределителя пытаются передавить друг друга штоковые полости (имеющие связь А1 - В3). Допустим включен распределитель 60.1 и толкает полость А1, здесь как говорится разница потенциалов между А1 и В1 и есть куда и зачем двигаться штоку. В3 тоже под давлением, но здесь полости уравновешиваются по давлению с А3 запертыми замками 70.3 и 70.2, таким образом А1 может толкать, а В3 нет. Правда движение при этом микроимпульсное (А3 будет работать импульсами на "всасывание" - "удержание").
Откровенная неисправность в таких случаях предпочтительней, поскольку проверить на стенде вряд ли есть возможность.Обратный клапан 70.2 был разобран и осмотрен. Поверхности ровные, чистые, без задиров.
-
Мулланур
- Сообщения: 1586
- Зарегистрирован: 01 окт 2013, 15:06
- Страна, Регион, Область: Россия
- Город: Екатеринбург
- Откуда: Yevlax
- Благодарил (а): 415 раз
- Поблагодарили: 386 раз
Re: Не корректная работа гидравлики?
При включении этих магнитов (разъемы выделены кругом), стойки зажимают шпулю?
-
Мулланур
- Сообщения: 1586
- Зарегистрирован: 01 окт 2013, 15:06
- Страна, Регион, Область: Россия
- Город: Екатеринбург
- Откуда: Yevlax
- Благодарил (а): 415 раз
- Поблагодарили: 386 раз
Re: Не корректная работа гидравлики?
Просмотрев ваши два видео и фотографии по блоку и не обнаружив "криминала" в сборке. Считаю что у Вас проблема связана с очень длинным путем сливной линии что дает подпор и поднимает в этой линии давление, а учитывая что в цилиндрах площадь штоковой полости меньше поршневой в два раза Вы получаете "дифференциальный цилиндр" когда распределители в нейтральном положении (мешают ему двигаться только дросселя).
Есть смысл увеличить сечение в линии "Т" при помощи РВД большего Д/У или параллельно бросить еще один РВД. Другой вариант: заменить три распределителя на 44 схему и убрать гидрозамки, тогда можно будет вернуть регуляторы давления на прижим стоек.
Есть смысл увеличить сечение в линии "Т" при помощи РВД большего Д/У или параллельно бросить еще один РВД. Другой вариант: заменить три распределителя на 44 схему и убрать гидрозамки, тогда можно будет вернуть регуляторы давления на прижим стоек.
-
ЗЮМ
- Эксперт Гидравлик
- Сообщения: 5725
- Зарегистрирован: 24 окт 2012, 20:41
- Страна, Регион, Область: СССР
- Город: Деревня Малая Малявня
- Откуда: деревня МАЛАЯ МАЛЯВНЯ
- Благодарил (а): 611 раз
- Поблагодарили: 835 раз
Re: Не корректная работа гидравлики?
Предлагал еще на заре этой эпопеи установить контрольные манометры и влинии слива. И на участках не доступных контролю. Делов то. Дрель, сверло, метчик, переходник, манометр на 60 атмосфер. Все в гидравлике начинается с манометра.
-
syler
- Сообщения: 28
- Зарегистрирован: 13 июл 2015, 19:39
- Страна, Регион, Область: Россия
- Город: Москва
- Благодарил (а): 0
- Поблагодарили: 0
Re: Не корректная работа гидравлики?
Сверлить что-либо в этой системе, да еще и нарезать резьбу ох как не хочется. Еще и потому, что нет ни заглушек, ни переходников/адаптеров. Думаю, что вот эти "точки контроля давления" наиболее рациональное решение.
-
Мулланур
- Сообщения: 1586
- Зарегистрирован: 01 окт 2013, 15:06
- Страна, Регион, Область: Россия
- Город: Екатеринбург
- Откуда: Yevlax
- Благодарил (а): 415 раз
- Поблагодарили: 386 раз
Re: Не корректная работа гидравлики?
Ну узнаете что у вас давление в линии "Т" например 25 бар, и дальше что?syler писал(а):Сверлить что-либо в этой системе, да еще и нарезать резьбу ох как не хочется. Еще и потому, что нет ни заглушек, ни переходников/адаптеров. Думаю, что вот эти "точки контроля давления" наиболее рациональное решение.
Мое мнение замена распределителей на 44 схему.
Если хотите дальше доводить данную схему то, в нижней части у вас есть технологическая заглушка в Линии "Т" к ней подключить еще один РВД (рукав высокого давления) а другой конец в бак.
Ещё раз проверить куда подсоединены РВД к маслостанции, Возможно линия "Т" дросселируется и нужно сменить точку подключения. Возможно отверстия очень малы или в ниппеле у РВД, или у штуцеров.
P.S. Можно фотографию маслостанции?
-
syler
- Сообщения: 28
- Зарегистрирован: 13 июл 2015, 19:39
- Страна, Регион, Область: Россия
- Город: Москва
- Благодарил (а): 0
- Поблагодарили: 0
Re: Не корректная работа гидравлики?
Согласен с Вами. Идея повышенного гидравлического сопротивления на сливе, создаваемого длинным РВД, мне кажется вполне жизнеспособной, учитывая, что длина РВД не менее 4 метров (опытные гидравлики, подскажите много это или мало?). Штуцеры имеют резьбу 3/8''.Мулланур писал(а):Ну узнаете что у вас давление в линии "Т" например 25 бар, и дальше что?
Мое мнение замена распределителей на 44 схему.
Если хотите дальше доводить данную схему то, в нижней части у вас есть технологическая заглушка в Линии "Т" к ней подключить еще один РВД (рукав высокого давления) а другой конец в бак.
Ещё раз проверить куда подсоединены РВД к маслостанции, Возможно линия "Т" дросселируется и нужно сменить точку подключения. Возможно отверстия очень малы или в ниппеле у РВД, или у штуцеров.
P.S. Можно фотографию маслостанции?
На фото ниже видно, как РВД от одного манифолда идет через полую балку, перпендикулярно станку, там разворачивается и идет обратно, и наконец подходит к маслостанции, где втыкается в другой манифолд. Что ж, попытаюсь найти РВД и прокинуть еще одну линию слива до маслостанции.
-
Мулланур
- Сообщения: 1586
- Зарегистрирован: 01 окт 2013, 15:06
- Страна, Регион, Область: Россия
- Город: Екатеринбург
- Откуда: Yevlax
- Благодарил (а): 415 раз
- Поблагодарили: 386 раз
Re: Не корректная работа гидравлики?
Главное не резьба а проходное отверстие.
На станции к фильтру из блока идет труба, а с другой стороны китайские друзья с экономили поставили по дешевле РВД, то есть меньшим сечением. Я бы взял сечение трубы на фильтре за образец и от дальнего блока на линию "Т" поставил РВД такого же сечения. Ну и длину 4 метра тоже не чему.
На станции к фильтру из блока идет труба, а с другой стороны китайские друзья с экономили поставили по дешевле РВД, то есть меньшим сечением. Я бы взял сечение трубы на фильтре за образец и от дальнего блока на линию "Т" поставил РВД такого же сечения. Ну и длину 4 метра тоже не чему.
-
Мулланур
- Сообщения: 1586
- Зарегистрирован: 01 окт 2013, 15:06
- Страна, Регион, Область: Россия
- Город: Екатеринбург
- Откуда: Yevlax
- Благодарил (а): 415 раз
- Поблагодарили: 386 раз
Re: Не корректная работа гидравлики?
Я постоянно использую для подбора РВД эту шпаргалку http://uvenk.com/files/sertifikati/%D0% ... D0%B9).pdf ,мне кажется что она очень удобная и простая.
-
syler
- Сообщения: 28
- Зарегистрирован: 13 июл 2015, 19:39
- Страна, Регион, Область: Россия
- Город: Москва
- Благодарил (а): 0
- Поблагодарили: 0
Re: Не корректная работа гидравлики?
Всем привет! Поздравляю всех с Новым годом и Рождеством!
Продолжаем разбираться с насущной проблемой. Опишу эксперименты, проведенные мной в последнее время с гидравликой станка.
Сначала был заменен тонкий и длинный сливной шланг. Был взят шланг достаточно большого сечения, практически того же, что и у выходного отверстия линии слива на манифолде и направлен в заливную горловину бака гидростанции. При проверке работы стоек было все то же самое: а) одной стойкой можно сдвинуть другую; б) при движении любой из стоек к центру, другая при этом начинает самостоятельно двигаться очень очень медленно от центра.
В итоге было принято решение разъединить связи между камерами гидроцилиндров (которые используются для организации одновременного движения с уже зажатым рулоном). Блоки 110.1, 110.2 и 110.3 были сняты. При этом взаимное влияние исчезло, то есть при движении к центру одной стойки, другая стоит на месте, НО продавить одну стойку другой все также возможно. Обновленная схема установки ниже. Также еще раз были проверены гидроцилиндры по следующему алгоритму (для примера привожу алгоритм для второй стойки):
Продолжаем разбираться с насущной проблемой. Опишу эксперименты, проведенные мной в последнее время с гидравликой станка.
Сначала был заменен тонкий и длинный сливной шланг. Был взят шланг достаточно большого сечения, практически того же, что и у выходного отверстия линии слива на манифолде и направлен в заливную горловину бака гидростанции. При проверке работы стоек было все то же самое: а) одной стойкой можно сдвинуть другую; б) при движении любой из стоек к центру, другая при этом начинает самостоятельно двигаться очень очень медленно от центра.
В итоге было принято решение разъединить связи между камерами гидроцилиндров (которые используются для организации одновременного движения с уже зажатым рулоном). Блоки 110.1, 110.2 и 110.3 были сняты. При этом взаимное влияние исчезло, то есть при движении к центру одной стойки, другая стоит на месте, НО продавить одну стойку другой все также возможно. Обновленная схема установки ниже. Также еще раз были проверены гидроцилиндры по следующему алгоритму (для примера привожу алгоритм для второй стойки):
- Выставляю стойку так, чтобы поршень оказался примерно посередине гидроцилиндра
- Ставлю упорную дощечку между корпусом стойки и рамой, тем самым блокирую движение стойки от центра
- Для безопасности снимаю штеккер с катушки отвечающей за движение к центру
- Отсоединяю РВД B3 в точке крепления к манифолду и направляю его в емкость
- Ставлю заглушку на отверстие в манифолде
- Даю команду двигаться от центра и слежу за отсоединенным РВД
-
Мулланур
- Сообщения: 1586
- Зарегистрирован: 01 окт 2013, 15:06
- Страна, Регион, Область: Россия
- Город: Екатеринбург
- Откуда: Yevlax
- Благодарил (а): 415 раз
- Поблагодарили: 386 раз
Re: Не корректная работа гидравлики?
Вам давно предлагали поставить распределители 44 схемы.
Возможно крепление поршня на штоке ослабло (гайка ослабла и поршень гуляет по штоку, теряя уплотнение). Думаю информация будет полезной http://pkmoscow.ru/uploads/wys/File/RRS ... 8_0101.pdf
Возможно крепление поршня на штоке ослабло (гайка ослабла и поршень гуляет по штоку, теряя уплотнение). Думаю информация будет полезной http://pkmoscow.ru/uploads/wys/File/RRS ... 8_0101.pdf
-
syler
- Сообщения: 28
- Зарегистрирован: 13 июл 2015, 19:39
- Страна, Регион, Область: Россия
- Город: Москва
- Благодарил (а): 0
- Поблагодарили: 0
Re: Не корректная работа гидравлики?
А чем это поможет, если жидкость из одной камеры в другую через поршень может перетекать?Мулланур писал(а):Вам давно предлагали поставить распределители 44 схемы.
Возможно крепление поршня на штоке ослабло (гайка ослабла и поршень гуляет по штоку, теряя уплотнение). Думаю информация будет полезной http://pkmoscow.ru/uploads/wys/File/RRS ... 8_0101.pdf
-
atm
- Сообщения: 241
- Зарегистрирован: 26 дек 2013, 04:53
- Страна, Регион, Область: Россия
- Город: Тюмень
- Благодарил (а): 0
- Поблагодарили: 16 раз
Re: Не корректная работа гидравлики?
Логично выглядит, если не заблокировано движение к центру, будем иметь дело с выдавливанием масла из полости а есть течь, нет хез.Ставлю упорную дощечку между корпусом стойки и рамой, тем самым блокирую движение стойки от центра
Таким образом я проверил обе стойки, при попытке движения от центра все хорошо, из РВД не вытекало масло, но при попытке движения К ЦЕНТРУ из РВД полилось масло. Иными словами уплотнение поршня держит в одну сторону и пропускает в другую.
-
syler
- Сообщения: 28
- Зарегистрирован: 13 июл 2015, 19:39
- Страна, Регион, Область: Россия
- Город: Москва
- Благодарил (а): 0
- Поблагодарили: 0
Re: Не корректная работа гидравлики?
Конечно же я блокировал движение к центру!atm писал(а):Логично выглядит, если не заблокировано движение к центру, будем иметь дело с выдавливанием масла из полости а есть течь, нет хез.Ставлю упорную дощечку между корпусом стойки и рамой, тем самым блокирую движение стойки от центра
Таким образом я проверил обе стойки, при попытке движения от центра все хорошо, из РВД не вытекало масло, но при попытке движения К ЦЕНТРУ из РВД полилось масло. Иными словами уплотнение поршня держит в одну сторону и пропускает в другую.
Кто сейчас на конференции
Сейчас этот форум просматривают: нет зарегистрированных пользователей и 1 гость