Не корректная работа гидравлики?
-
- Сообщения: 728
- Зарегистрирован: 06 май 2008, 11:51
- Страна, Регион, Область: РФ
- Город: Москва
- Благодарил (а): 0
- Поблагодарили: 30 раз
Не корректная работа гидравлики?
Добрый день уважаемые участники.
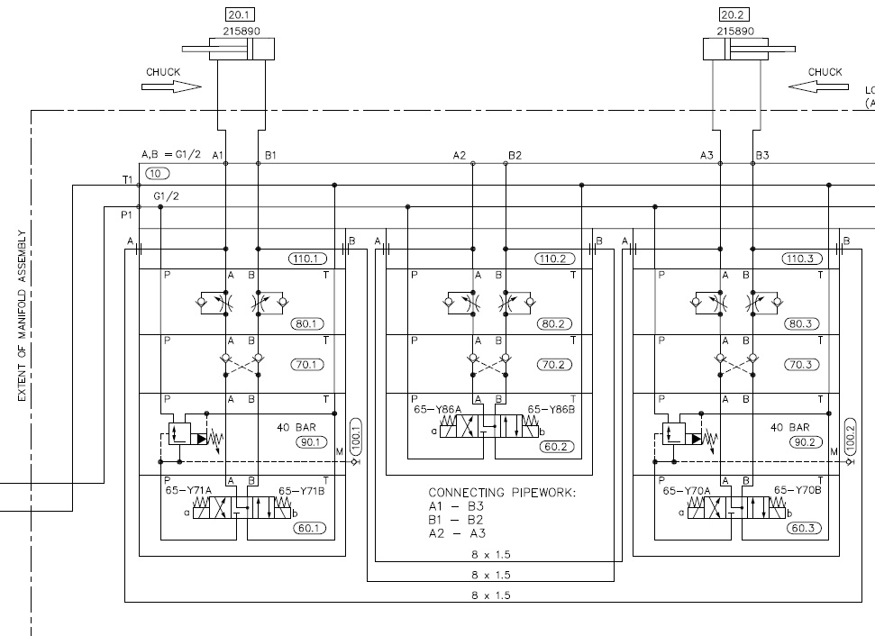
На форуме много опытных людей разбирающихся в гидравлике, мне к сожалению опыта не хватает, поэтому прошу помочь разобраться в проблеме. Имеем размотчик пленки с гидравлическим приводом зажима станций. В прилагаемом файле находится часть гидравлической схемы перемещения стоек размотчика.
Суть проблемы: После установки рулона с пленкой, сводим стойки, усилием сходящихся стоек через механические разжимы фиксируется рулон. Далее через несколько минут фиксация рулона падает со всеми вытекающими проблемами размотки. Машине год, проблема началась с момента запуска, но мы сначала грешили на управление приводом размотки пока не убедились, что проблема не там.
Что сделали:
1. Пометили маркером положения штоков гидроцилиндров в момент зажима. Через пару минут зафиксировали изменение позиции обоих гидроцилиндров и соответственно ослабление фиксации разматываемого рулона. Выводы: либо перепускают оба распределителя 60.1 и 60.3 либо неправильный сигнал на обратный ход цилиндрам.
2. После зажатия гидроцилиндров скинули катушки с распределителей- эффекта нет. Вывод: неправильный сигнал на разжатие отсутствует.
Общие мысли: в перепускание обоих клапанов верится с трудом, отсечь данный вопрос затруднительно, у нас нет арматуры, чтобы поставить в разрыв краны и попробовать их перекрыть. Никто из нас не понимает для чего в схеме распределитель 60.2 и может ли он влиять на данную проблему.
Если есть мысли по дальнейшему рашению данной проблемы прошу поделиться. Заранее благодарен.
Утечек в системе нет. Перегрева нет. Масло штатное, чистое.
На форуме много опытных людей разбирающихся в гидравлике, мне к сожалению опыта не хватает, поэтому прошу помочь разобраться в проблеме. Имеем размотчик пленки с гидравлическим приводом зажима станций. В прилагаемом файле находится часть гидравлической схемы перемещения стоек размотчика.
Суть проблемы: После установки рулона с пленкой, сводим стойки, усилием сходящихся стоек через механические разжимы фиксируется рулон. Далее через несколько минут фиксация рулона падает со всеми вытекающими проблемами размотки. Машине год, проблема началась с момента запуска, но мы сначала грешили на управление приводом размотки пока не убедились, что проблема не там.
Что сделали:
1. Пометили маркером положения штоков гидроцилиндров в момент зажима. Через пару минут зафиксировали изменение позиции обоих гидроцилиндров и соответственно ослабление фиксации разматываемого рулона. Выводы: либо перепускают оба распределителя 60.1 и 60.3 либо неправильный сигнал на обратный ход цилиндрам.
2. После зажатия гидроцилиндров скинули катушки с распределителей- эффекта нет. Вывод: неправильный сигнал на разжатие отсутствует.
Общие мысли: в перепускание обоих клапанов верится с трудом, отсечь данный вопрос затруднительно, у нас нет арматуры, чтобы поставить в разрыв краны и попробовать их перекрыть. Никто из нас не понимает для чего в схеме распределитель 60.2 и может ли он влиять на данную проблему.
Если есть мысли по дальнейшему рашению данной проблемы прошу поделиться. Заранее благодарен.
Утечек в системе нет. Перегрева нет. Масло штатное, чистое.
-
- Сообщения: 1584
- Зарегистрирован: 01 окт 2013, 15:06
- Страна, Регион, Область: Россия
- Город: Екатеринбург
- Откуда: Yevlax
- Благодарил (а): 414 раз
- Поблагодарили: 386 раз
Re: Не корректная работа гидравлики?
Распределитель 60.2 это дополнительная опция которая в стандарт не входит но вы ее можете использовать для подключения еще чего нибудь.
Все распределители (60.1, 60.2 и 60.3) имеют 34 схему, а это значит что при отключении напряжения на катушках они встают в нейтральное положение тем самым сбрасывают давление в обоих полостях цилиндров.
Вашем случае магниты должны быть включёны всё время прижима, а прижим вы должны регулировать регуляторами давления до 40 кг/см² (90.1, 90.2).
Все распределители (60.1, 60.2 и 60.3) имеют 34 схему, а это значит что при отключении напряжения на катушках они встают в нейтральное положение тем самым сбрасывают давление в обоих полостях цилиндров.
Вашем случае магниты должны быть включёны всё время прижима, а прижим вы должны регулировать регуляторами давления до 40 кг/см² (90.1, 90.2).
-
- Эксперт Гидравлик
- Сообщения: 5584
- Зарегистрирован: 24 окт 2012, 20:41
- Страна, Регион, Область: СССР
- Город: Деревня Малая Малявня
- Откуда: деревня МАЛАЯ МАЛЯВНЯ
- Благодарил (а): 602 раза
- Поблагодарили: 816 раз
Re: Не корректная работа гидравлики?
А я с Александром не согласен. При отключении сигналов 63.1 или 60.3, давление в цилиндрах ни за какие деньги не должно упасть!( аналогия работы знаков формы ТПА)
-
- Сообщения: 1584
- Зарегистрирован: 01 окт 2013, 15:06
- Страна, Регион, Область: Россия
- Город: Екатеринбург
- Откуда: Yevlax
- Благодарил (а): 414 раз
- Поблагодарили: 386 раз
Re: Не корректная работа гидравлики?
Во накосячил
. Не увидел 70.1, 70.2, 70.3, да еще 60.2 напутал.




-
- Эксперт Гидравлик
- Сообщения: 5584
- Зарегистрирован: 24 окт 2012, 20:41
- Страна, Регион, Область: СССР
- Город: Деревня Малая Малявня
- Откуда: деревня МАЛАЯ МАЛЯВНЯ
- Благодарил (а): 602 раза
- Поблагодарили: 816 раз
Re: Не корректная работа гидравлики?
Я так и подумал, Саша поспешил или ночь трудная была... шашлыкиМулланур писал(а):Во накосячил. Не увидел 70.1, 70.2, 70.3, да еще 60.2 напутал.
![]()

-
- Сообщения: 1584
- Зарегистрирован: 01 окт 2013, 15:06
- Страна, Регион, Область: Россия
- Город: Екатеринбург
- Откуда: Yevlax
- Благодарил (а): 414 раз
- Поблагодарили: 386 раз
Re: Не корректная работа гидравлики?
распределитель 60.2 выполняет функцию корректировки положений цилиндров 20.1 и 20.2 относительно друг друга то есть: если включить магнит Y86A при выключенных магнитах распределителей 60.1 и 60.3, масло начнет поступать в поршневую полость цилиндра 20.1 выталкивая масло из его штоковой полости, которое поступает в штоковую полость цилиндра 20.2 и выталкивает масло из поршневой полости цилиндра 20.2 на слив через распределитель 60.2. Если задействовать магнит Y86В то перемещение цилиндров идет в обратную сторону, цилиндр 20.2 начинает выдвигаться, а цилиндр 20.1 втягиваться. Какой то наладочный режим позиционирования цилиндров получается.
По поводу прижима, думаю следует посмотреть на герметичность клапана 70 и оба цилиндра.
По поводу прижима, думаю следует посмотреть на герметичность клапана 70 и оба цилиндра.
-
- Эксперт Гидравлик
- Сообщения: 5584
- Зарегистрирован: 24 окт 2012, 20:41
- Страна, Регион, Область: СССР
- Город: Деревня Малая Малявня
- Откуда: деревня МАЛАЯ МАЛЯВНЯ
- Благодарил (а): 602 раза
- Поблагодарили: 816 раз
Re: Не корректная работа гидравлики?
Не видя агрегата и циклограмы, не буду гадать по поводу модуля 60.2 - В остальном согласен с Муллануром- четыре - вернее пять причин при потере усилия а значит давления в системе. Два цилиндра ( уплотнения поршня) и два гидравлических замка 70.1 и 70.2. и 70.3. Замки должны держать запертое давление в цилиндре безупречно до тех пор пока не поступит противоположная команда. С цилиндрами понятно как они устроены. А замок двух сторонний может барахлить по вине: грязи, поломок пружин, выработок, трещин, зависание запорных элементов. А так же и по вине распределителей хотя мало вероятно- но бывает. Вот набирается уже восемь потенциальных причин. На участке системы до замков контроль давления вижу. На участке непосредственно цилиндров не вижу , может дальше где за краем листа. Хотя если внимательно посмотреть ,нету контроля в цилинрах совсем после отключения команд. ( надо врезочку сделать если штатной нет)
-
- Сообщения: 1584
- Зарегистрирован: 01 окт 2013, 15:06
- Страна, Регион, Область: Россия
- Город: Екатеринбург
- Откуда: Yevlax
- Благодарил (а): 414 раз
- Поблагодарили: 386 раз
Re: Не корректная работа гидравлики?
Коловорот пишет что это было сразу при запуске, а что если РВД к цилиндрам не правильно подсоединены при пусконаладке были Вместо штоковой полости к поршневой? То есть А1 вместо В1 и В2 в место А2.
-
- Эксперт Гидравлик
- Сообщения: 5584
- Зарегистрирован: 24 окт 2012, 20:41
- Страна, Регион, Область: СССР
- Город: Деревня Малая Малявня
- Откуда: деревня МАЛАЯ МАЛЯВНЯ
- Благодарил (а): 602 раза
- Поблагодарили: 816 раз
Re: Не корректная работа гидравлики?
Тут или метод тыка или логический план диагностики. Я бы начал: 1). С установки манометров в линию гидроцилиндров в участок где нет контроля давления. 2). Взял бы распределитель БУ любой нарезал бы в А и В резьбу заглушил бы каналы А и В и установил бы в позицию 60.2. Затем 3) Еще один распределитель сх 134 Бу нарезал бы в канале Т резьбу установил бы заглушку тем самым отсекая слив в бак. Поставил бы вместо 60.1 и включил бы прижим подвод наблюдая за манометром. Давление должно подняться и после отключения остаться на манометре врезке. Если давление падает то в зависимости в какую полость цилиндра вы даете давление можно вычислить направление утечки либо через золотник распределителя глушеного 60.1 Т в тупике Р и далее на предохранительный клапан либо в слив Т распределителя 60.3 по вине замка 70.3 . Общим путем перекидок можно проанализировать. Можно придумать что то более оригинальное. Пункт один выполнить обязательно. Пункт два то же, потом посмотреть - на обеих падает давление или на одном. пункт три возможно и лишним окажется. Да и действия с бу в пункте 3) сомнительны. Можно придумать что то более оригинальное без лишних телодвижений. попробовать по манипулировать дросселями 80.1; 80.2; 80,3: и если в них обратники нормальные перекрывая дроссель полностью в определенной последовательности, то же можно получить информацию. Пусть движений и не будет наблюдать за манометрами врезками.ЕЩЕ к примеру: Пункт два можно не делать а просто перекрыть два дросселя на модуле 110.2 при это мы закроем один из путей утечки и потери давления на цилиндрах. При условии что обратники в дросселях герметичны.
-
- Сообщения: 1584
- Зарегистрирован: 01 окт 2013, 15:06
- Страна, Регион, Область: Россия
- Город: Екатеринбург
- Откуда: Yevlax
- Благодарил (а): 414 раз
- Поблагодарили: 386 раз
Re: Не корректная работа гидравлики?
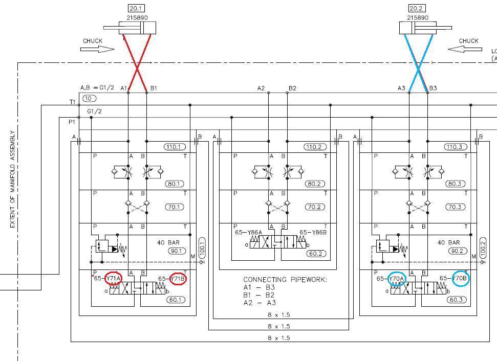
Зажим происходит (судя по стрелкам) штоковыми полостями, а они объединены между собой, то есть давление прижима на одном цилиндре равно давлению прижима второго цилиндра, а если смонтировать РВД (рукава высокого давления) по другому то давления не когда не будет равным.
-
- Сообщения: 728
- Зарегистрирован: 06 май 2008, 11:51
- Страна, Регион, Область: РФ
- Город: Москва
- Благодарил (а): 0
- Поблагодарили: 30 раз
Re: Не корректная работа гидравлики?
Спасибо за интерес к теме. Будем пробовать по рекомендациям ЗЮМ пройтись, как будут новые результаты отпишусь. По рекомендации Мулланур не очень понял, какие РВД смотреть на предмет правильности подсоединения?
-
- Эксперт Гидравлик
- Сообщения: 5584
- Зарегистрирован: 24 окт 2012, 20:41
- Страна, Регион, Область: СССР
- Город: Деревня Малая Малявня
- Откуда: деревня МАЛАЯ МАЛЯВНЯ
- Благодарил (а): 602 раза
- Поблагодарили: 816 раз
Re: Не корректная работа гидравлики?
По поводу шлангов я думаю мало вероятно, тогда бы цилиндры в разные стороны работали бы.
-
- Эксперт Гидравлик
- Сообщения: 5584
- Зарегистрирован: 24 окт 2012, 20:41
- Страна, Регион, Область: СССР
- Город: Деревня Малая Малявня
- Откуда: деревня МАЛАЯ МАЛЯВНЯ
- Благодарил (а): 602 раза
- Поблагодарили: 816 раз
Re: Не корректная работа гидравлики?
Е сли сказать поверхностно следуя логике схема смонтирована с целью соблюсти синхронное действие пары цилиндров с одинаковым усилием зажима. Как то занимались большим гибочным двух цилндровым станком прессом. Который гнет швеллера длиной метров несколько не помню метров может и шесть - не суть. Так вот ,там была применена аппаратура автоматически регулирующая усилие на цилиндрах. Спец клапана автоматически меняли нагрузку на цилиндрах по факту сопротивления металла. Если слева например сопротивление металла было больше то автоматически давление в левом цилиндре росло а в правом снижалось и так по очереди автоматически и швеллера и уголки выходили ровные по всей длине. У нас давило на один бок. Обнаружили засоры жиклеров в одном из выравниватилей давления. Ну а здесь реализовано другим образом. Не совсем до конца сам понимаю но интуитивно предполагаю. Свет может пролить порядок включения магнитов в цикле и доп анализ мысли.Мулланур писал(а):распределитель 60.2 выполняет функцию корректировки положений цилиндров 20.1 и 20.2 относительно друг друга то есть: если включить магнит Y86A при выключенных магнитах распределителей 60.1 и 60.3, масло начнет поступать в поршневую полость цилиндра 20.1 выталкивая масло из его штоковой полости, которое поступает в штоковую полость цилиндра 20.2 и выталкивает масло из поршневой полости цилиндра 20.2 на слив через распределитель 60.2. Если задействовать магнит Y86В то перемещение цилиндров идет в обратную сторону, цилиндр 20.2 начинает выдвигаться, а цилиндр 20.1 втягиваться. Какой то наладочный режим позиционирования цилиндров получается.
По поводу прижима, думаю следует посмотреть на герметичность клапана 70 и оба цилиндра.
Последний раз редактировалось ЗЮМ 08 июн 2015, 21:43, всего редактировалось 1 раз.
-
- Эксперт Гидравлик
- Сообщения: 5584
- Зарегистрирован: 24 окт 2012, 20:41
- Страна, Регион, Область: СССР
- Город: Деревня Малая Малявня
- Откуда: деревня МАЛАЯ МАЛЯВНЯ
- Благодарил (а): 602 раза
- Поблагодарили: 816 раз
Re: Не корректная работа гидравлики?
Наверное он имел ввиду пару труб к самому цилиндру. Коловорот отпишитесь потом пожалуйста по результатам работы. А мы в свою очередь проконсультируемся у более опытных инженеров по этому вопросу. Я лично пока не догоняю смысл среднего модуля.Kolovorot писал(а):Спасибо за интерес к теме. Будем пробовать по рекомендациям ЗЮМ пройтись, как будут новые результаты отпишусь. По рекомендации Мулланур не очень понял, какие РВД смотреть на предмет правильности подсоединения?
-
- Сообщения: 1584
- Зарегистрирован: 01 окт 2013, 15:06
- Страна, Регион, Область: Россия
- Город: Екатеринбург
- Откуда: Yevlax
- Благодарил (а): 414 раз
- Поблагодарили: 386 раз
Re: Не корректная работа гидравлики?
1) У Вас при нажатии любого магнита на распределителе 60.2 один цилиндр должен выдвигаться а другой в тоже время задвигаться.Kolovorot писал(а): По рекомендации Мулланур не очень понял, какие РВД смотреть на предмет правильности подсоединения?
2) Если условия пункта 1 выполняются то, следующий шаг: На одном цилиндре открутить подвод к его штоковой полости, а на другом цилиндре включить прижим то из блока от соединенной части должен появится поток масла (а не из цилиндра), если этого нет то требуется пункт 2.2
2.2)
Соединения идущие к цилиндру 20.1 А1 и В1 поменять между собой местами, а на цилиндре 20.2 А3 и В3 между собой. Также придется поменять разъемы на катушках распределителях 60.1 и 60.3 А с В местами.
-
- Сообщения: 1584
- Зарегистрирован: 01 окт 2013, 15:06
- Страна, Регион, Область: Россия
- Город: Екатеринбург
- Откуда: Yevlax
- Благодарил (а): 414 раз
- Поблагодарили: 386 раз
Re: Не корректная работа гидравлики?
Kolovorot. Как успехи.ЗЮМ писал(а):...Коловорот отпишитесь потом пожалуйста по результатам работы...

-
- Сообщения: 28
- Зарегистрирован: 13 июл 2015, 19:39
- Страна, Регион, Область: Россия
- Город: Москва
- Благодарил (а): 0
- Поблагодарили: 0
Re: Не корректная работа гидравлики?
Всем привет! У нас на производстве такой же станок, с той же самой проблемой :)
К слову сказать, операторы, работающие на данном станке, не мудрствуя лукаво, побороли эту напасть с помощью двух досочек, устанавливаемых "в распор", и не дающих стойкам разойтись. Но все же это не решение проблемы, а решить ее хочется, а заодно и разобраться на практике в принципах работы гидроприводов. Посему, имею ряд вопросов к вам, уважаемые специалисты!
Но для начала, хотел бы уточнить некоторые детали.
Теперь вопросы.
Стойки размотчика могут расходиться, на мой взгляд, по следующим причинам:
К слову сказать, операторы, работающие на данном станке, не мудрствуя лукаво, побороли эту напасть с помощью двух досочек, устанавливаемых "в распор", и не дающих стойкам разойтись. Но все же это не решение проблемы, а решить ее хочется, а заодно и разобраться на практике в принципах работы гидроприводов. Посему, имею ряд вопросов к вам, уважаемые специалисты!
Но для начала, хотел бы уточнить некоторые детали.
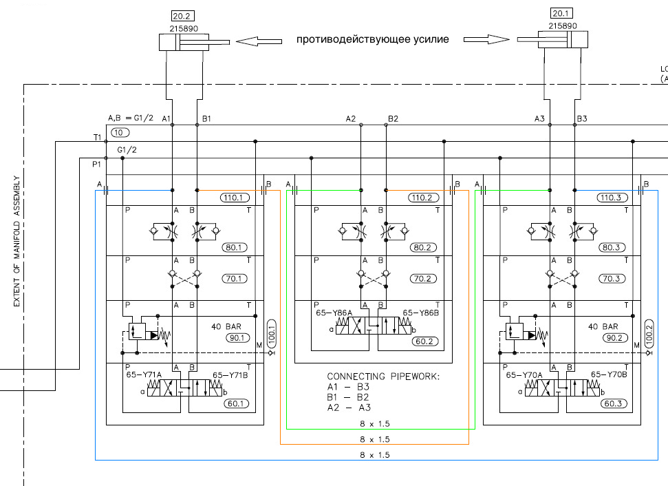
Зажим, в действительности, происходит поршневыми полостями. Стрелками на схеме обозначено противодействующее усилие от зажимаемой шпули. Для удобства восприятия перерисовал схему. Исходя из этого, совершенно точно, что РВД не перепутаны, и перебрасывать их (или катушки) нет необходимости.Мулланур писал(а):Зажим происходит (судя по стрелкам) штоковыми полостями, а они объединены между собой, то есть давление прижима на одном цилиндре равно давлению прижима второго цилиндра, а если смонтировать РВД (рукава высокого давления) по другому то давления не когда не будет равным.
Теперь вопросы.
Стойки размотчика могут расходиться, на мой взгляд, по следующим причинам:
- Неправильная работа любого из трех гидрозамков 70.1, 70.2 или 70.3
- Перетекание жидкости из поршневой в штоковую камеру непосредственно в гидроцилиндре
-
- Эксперт Гидравлик
- Сообщения: 5584
- Зарегистрирован: 24 окт 2012, 20:41
- Страна, Регион, Область: СССР
- Город: Деревня Малая Малявня
- Откуда: деревня МАЛАЯ МАЛЯВНЯ
- Благодарил (а): 602 раза
- Поблагодарили: 816 раз
Re: Не корректная работа гидравлики?
Странный вопрос по манометрам!!! Конечно для контроля давления в полостях цилиндров.Ведь до замков мы видим давление на общем манометре системы а после запирания замков на участке штоковой и бесштоковой полостей мы не видим что происходит с давлением в цилиндрах. И по чему вы решили что давление и так будет падать, если оно не должно падать. А вы можете циклограму нарисовать что включается в момент цикла от начала до конца. То есть последовательность включения магнитов. Я уже говорил что при подаче давления в цилиндры - не важно в какую сторону поршня должны фиксироваться замками двух сторонними и без противоположной команды ни чего ни куда двигаться не должно и давление падать не должно. По причинам с вами согласен.
-
- Сообщения: 28
- Зарегистрирован: 13 июл 2015, 19:39
- Страна, Регион, Область: Россия
- Город: Москва
- Благодарил (а): 0
- Поблагодарили: 0
Re: Не корректная работа гидравлики?
Если Вы согласны с причинами, очевидно, стоит согласиться и с тем, что давление в камерах, так или иначе, будет падать. На мой взгляд, проверка истинности этого утверждения — лишняя трата времени. Возможно, динамика падения давления может дать какую-то информацию, но как ее трактовать? Что скажете?ЗЮМ писал(а):Странный вопрос по манометрам!!! Конечно для контроля давления в полостях цилиндров.Ведь до замков мы видим давление на общем манометре системы а после запирания замков на участке штоковой и бесштоковой полостей мы не видим что происходит с давлением в цилиндрах. И по чему вы решили что давление и так будет падать, если оно не должно падать. А вы можете циклограму нарисовать что включается в момент цикла от начала до конца. То есть последовательность включения магнитов. Я уже говорил что при подаче давления в цилиндры - не важно в какую сторону поршня должны фиксироваться замками двух сторонними и без противоположной команды ни чего ни куда двигаться не должно и давление падать не должно. По причинам с вами согласен.
По поводу циклограммы. На обеих зажимных стойках есть двухпозиционный переключатель: при повороте переключателя влево, срабатывает одна из катушек (не важно какая именно), приводя гидрораспределитель в одно из крайних положений, и стойка начинает движение влево. При повороте переключателя вправо, соответственно, срабатывает другая катушка и стойка движется вправо. Последовательность работы для простоты опишу для пустой шпули: оператор станка с помощью переключателя выставляет правую стойку в требуемое положение, после этого "втыкает" пустую шпулю в держатель, далее "подгоняет" левую стойку, центрирует шпулю и зажимает ее стойкой. Далее оператор может воспользоваться третьим переключателем, воздействующим на катушки распределителя 60.2 и переместить обе стойки и зажатую между ними шпулю так, как ему надо (но обычно они этот переключатель не трогают).
После всех этих операций, происходит описанный нежелательный эффект — стойки слегка разъезжаются.
Самый актуальный вопрос для меня сейчас — как с наименьшими трудозатратами и в короткий срок провести диагностику и определить отказавший узел. Сразу оговорюсь, что наличие исправных и подходящих для данной системы запасных частей на нашем складе не подтверждено. Ваши предложения?
-
- Эксперт Гидравлик
- Сообщения: 5584
- Зарегистрирован: 24 окт 2012, 20:41
- Страна, Регион, Область: СССР
- Город: Деревня Малая Малявня
- Откуда: деревня МАЛАЯ МАЛЯВНЯ
- Благодарил (а): 602 раза
- Поблагодарили: 816 раз
Re: Не корректная работа гидравлики?
1. Установка, врезка манометров позволит по показаниям манометров определить какой из цилиндров теряет давление или оба теряют.2. У вас на этом блоке есть две контрольные точки для установки контрольных манометров. но они покажут давление настройки клапанов давления на левой и правой позиции. Что происходит выше замков мы не видим . Видим только что стойки разъезжаются. 3. Проверить цилиндры не разбирая не сложно: разъединяем магистраль точке В1 например на левом цилиндре штоковой полости. Оставляем открытый выход из штоковой полости через шланг в большое ведро- ответное отверстие из блока В1 глушим резьбовой пробкой. 4. В точку А1 подаем давление нагрузку вашим пакетником, включая распределитель, тем самым нагружаем бесштоковую полость и наблюдаем за шлангом . Визуально будет видно герметичен исправен цилиндр или нет. Таким образом можем проверить и оба цилиндра во всех четырех направлениях при необходимости. Установленные манометры в штатные точки позволят по месту отрегулировать уменьшенное давление во время экспериментов и контролировать ситуацию. Манометры врезанные непосредственно в участок между замками позволят увидеть поведение давления после отключения пакетника. Давление должно дежаться. другое дело перетечка внутри целиндра. Но надо начать с проверки цилиндров. Останется (если цилиндры в порядке) разобраться с замками. Может какой перевернут или засорен или приклинило. По поводу лишней траты ВРЕМЕНИ. Гидравлика не любит торопливых. Да я ни куда не спешу. Вопрос что за сила действует в направлении стрелок и какова она или это торцы рулона или что? Стойки ползут пока на них дейсвуют силы деформации рулона? Проверьте на шильдиках распределителей с электромагнитами соответствует картинка распределения жидкости той что на схеме.
Последний раз редактировалось ЗЮМ 14 июл 2015, 19:26, всего редактировалось 1 раз.
-
- Сообщения: 1584
- Зарегистрирован: 01 окт 2013, 15:06
- Страна, Регион, Область: Россия
- Город: Екатеринбург
- Откуда: Yevlax
- Благодарил (а): 414 раз
- Поблагодарили: 386 раз
Re: Не корректная работа гидравлики?
syler писал(а):Всем привет! У нас на производстве такой же станок, с той же самой проблемой :)
...Зажим, в действительности, происходит поршневыми полостями. Стрелками на схеме обозначено противодействующее усилие от зажимаемой шпули. Для удобства восприятия перерисовал схему. Исходя из этого, совершенно точно, что РВД не перепутаны, и перебрасывать их (или катушки) нет необходимости...
Kolovorot писал(а): Имеем размотчик пленки с гидравлическим приводом зажима станций. В прилагаемом файле находится часть гидравлической схемы перемещения стоек размотчика.
"syler" . При убывании пленки из рулона при вашей схеме, противодействующее усилие от зажимаемой шпули уменьшается и тем самым снижает давления в цилиндрах. Соберите схему как у "Kolovorot" и проблема будет решена.
-
- Эксперт Гидравлик
- Сообщения: 5584
- Зарегистрирован: 24 окт 2012, 20:41
- Страна, Регион, Область: СССР
- Город: Деревня Малая Малявня
- Откуда: деревня МАЛАЯ МАЛЯВНЯ
- Благодарил (а): 602 раза
- Поблагодарили: 816 раз
Re: Не корректная работа гидравлики?
Во время работы размотчика в каком положении пакетники, включены на прижим или в нейтрали. К чему этот вопрос? Как долго должен работать цилиндр без подпитки из системы по давлению ( полчаса, час, смену) Так и не понятна ваша циклограма и что требуется от зажима шпулек. Это если распределители управления в нейтрали во время работы размотчика. А если они включены и поджаты через редукционные клапана и подпитаны из основной системы от насоса это другая история. Схему целиком и циклограму целиком показать бы надо.ЗЮМ писал(а):А что Коловорот уже решил задачу???
-
- Эксперт Гидравлик
- Сообщения: 5584
- Зарегистрирован: 24 окт 2012, 20:41
- Страна, Регион, Область: СССР
- Город: Деревня Малая Малявня
- Откуда: деревня МАЛАЯ МАЛЯВНЯ
- Благодарил (а): 602 раза
- Поблагодарили: 816 раз
Re: Не корректная работа гидравлики?
После описанного метода проверки цилиндров. Тестируем замки. Манометр на участке между замком и цилиндром обязателен.( для удобства и конкретики) Даем давление в цилиндр и следим за давлением. Должно держаться. Проверив один замок. Разбираем крепеж модуля и переставляем сюда другой замок и так потом третий.параллельный способ, Имея опыт замок проверяется визуально( вплоть до полной разборки и осмотра) и путем продувки ртом через трубку из резины или силикона с ровным торцем контакта с отверстием замка , проверяется как на продув так и на присос ( знать принцип работы замка и назначение каналов) если делаем поверку замков под давлением в левой позиции то на правой позиции регулятор потока перекрыть- (регулятор 80.3) для исключения потенциальной утечки через сомнительный замок на правый распред и через него в бак.ЗЮМ писал(а):Во время работы размотчика в каком положении пакетники, включены на прижим или в нейтрали. К чему этот вопрос? Как долго должен работать цилиндр без подпитки из системы по давлению ( полчаса, час, смену) Так и не понятна ваша циклограма и что требуется от зажима шпулек. Это если распределители управления в нейтрали во время работы размотчика. А если они включены и поджаты через редукционные клапана и подпитаны из основной системы от насоса это другая история. Схему целиком и циклограму целиком показать бы надо.ЗЮМ писал(а):А что Коловорот уже решил задачу???
-
- Сообщения: 28
- Зарегистрирован: 13 июл 2015, 19:39
- Страна, Регион, Область: Россия
- Город: Москва
- Благодарил (а): 0
- Поблагодарили: 0
Re: Не корректная работа гидравлики?
Прошу прощения за ошибку в описании, пакетники трехпозиционные, среднее положение является нейтральным. Во время работы размотчика, распределители соответственно тоже в нейтральном положении.ЗЮМ писал(а):Во время работы размотчика в каком положении пакетники, включены на прижим или в нейтрали. К чему этот вопрос? Как долго должен работать цилиндр без подпитки из системы по давлению ( полчаса, час, смену) Так и не понятна ваша циклограма и что требуется от зажима шпулек. Это если распределители управления в нейтрали во время работы размотчика. А если они включены и поджаты через редукционные клапана и подпитаны из основной системы от насоса это другая история. Схему целиком и циклограму целиком показать бы надо.ЗЮМ писал(а):А что Коловорот уже решил задачу???
-
- Сообщения: 28
- Зарегистрирован: 13 июл 2015, 19:39
- Страна, Регион, Область: Россия
- Город: Москва
- Благодарил (а): 0
- Поблагодарили: 0
Re: Не корректная работа гидравлики?
Большое спасибо за подробные ответы, теперь есть понимание, что, в какой последовательности и как проверять! В ближайшее время проверим узлы в соответствии с описанными методиками. По результатам проверки отпишусь :)
-
- Сообщения: 1584
- Зарегистрирован: 01 окт 2013, 15:06
- Страна, Регион, Область: Россия
- Город: Екатеринбург
- Откуда: Yevlax
- Благодарил (а): 414 раз
- Поблагодарили: 386 раз
Re: Не корректная работа гидравлики?
Вячеслав Михайлович! Как вы считаете может есть смысл заменить распределители с 34 схемы на 44 схему, может у них давления в "Т" хватает чтобы подрывать управляемые обратные клапана.
-
- Эксперт Гидравлик
- Сообщения: 5584
- Зарегистрирован: 24 окт 2012, 20:41
- Страна, Регион, Область: СССР
- Город: Деревня Малая Малявня
- Откуда: деревня МАЛАЯ МАЛЯВНЯ
- Благодарил (а): 602 раза
- Поблагодарили: 816 раз
Re: Не корректная работа гидравлики?
Александр, по этому поводу были разговоры и вопрос этот я задавал не простым гидравликам а очень грамотным. ОТВЕТ: Замки такого типа не работают с 44-ой. Так как зависают и не закрываются экстренно. Только работают четко с 34-ой. Что и видим если посмотрим на г/ схемы всех престижных фирм производителей ТПА. Там ни где не увидите 44-ю. НО ТЕМ НЕ МЕНЕЕ... наши поставщики из Китая упорно ставят 44-ю вместо 34-ой. В таком случае от г/ замка толку как бы на 100% нет, но его страхует 44-я схема до поры до времени. На мой не однократный вопрос почему китайцы нарушают гидро-правила, все отмахнулись мол КИТАЙ нынче мировой лидер и ему видней. Я думаю размотчик должен работать с подпиткой и нагрузкой в линии Р. Ведь без подпитки : Ну сколько времени продержится давление в цилиндре запертое ??? У них держится пару минут. Я не зря просил всю схему. Что там с приводом и кто крутит рулон? А вот если бы аккумулятор был в линии прижима.... вот еслиб да кабы росли во рту бобы. По поводу подрыва из линии Т. Надо смотреть всю схему и какое давление в Т замерять. Но изначально замок зажат 40 бар и Т ни как подорвать вроде не может , опять надо изучать баланс, сколько или при каком давлении откроется замок запертый 40-ка барами. ( Спасибо за беседу)
-
- Эксперт Гидравлик
- Сообщения: 5584
- Зарегистрирован: 24 окт 2012, 20:41
- Страна, Регион, Область: СССР
- Город: Деревня Малая Малявня
- Откуда: деревня МАЛАЯ МАЛЯВНЯ
- Благодарил (а): 602 раза
- Поблагодарили: 816 раз
Re: Не корректная работа гидравлики?
Попробовать можно и полезно. Только их же покупать надо. Последняя цена одинарного сх 574 ДУ 6 от 5000 руб до 10000 руб. в зависимости : Ульяновский,китайский Рексрот или настоящий Рексрот ( не суть)Мулланур писал(а):Вячеслав Михайлович! Как вы считаете может есть смысл заменить распределители с 34 схемы на 44 схему, может у них давления в "Т" хватает чтобы подрывать управляемые обратные клапана.
-
- Сообщения: 1584
- Зарегистрирован: 01 окт 2013, 15:06
- Страна, Регион, Область: Россия
- Город: Екатеринбург
- Откуда: Yevlax
- Благодарил (а): 414 раз
- Поблагодарили: 386 раз
Re: Не корректная работа гидравлики?
Что слив должен быть открытым для быстрого закрытия клапана но, 40 кг/см²- небольшое давление, а условный проход у сливной системы возможно занижен из-за экономии у наших китайских друзей, да еще на хвосте фильтр подпирает, да еще пока прижато какое нибудь действие производится с большим сбросом.
44 схемой хотя бы эти подозрения можно будет снять.
44 схемой хотя бы эти подозрения можно будет снять.
Кто сейчас на конференции
Сейчас этот форум просматривают: нет зарегистрированных пользователей и 0 гостей