
Сопло литьевой машины.
-
- Сообщения: 3
- Зарегистрирован: 20 сен 2021, 21:45
- Страна, Регион, Область: Мордовия
- Город: Саранск
- Благодарил (а): 0
- Поблагодарили: 0
Сопло литьевой машины.
Прошу проконсультировать по соплу для литниковой втулки радиусом 10 мм, диаметр канала в сопле меньше на 1 мм чем в литниковой втулке, радиус сопла соответственно 9 мм или 9,5 мм, форма канала в сопле прямая или с уклоном в сторону литника 3 градуса как лучше, материал хочу использовать У8А закалка до 32-40 HRC. Выбор допусков, если есть у кого посмотреть чертеж готового сопла. Работаю по другому направлению, но "инженер должен знать и уметь всё" 

-
- Сообщения: 1584
- Зарегистрирован: 01 окт 2013, 15:06
- Страна, Регион, Область: Россия
- Город: Екатеринбург
- Откуда: Yevlax
- Благодарил (а): 414 раз
- Поблагодарили: 386 раз
Re: Сопло литьевой машины.
Сопло из У8 не надо делать, хватает 40Х, твердость 32-40 HRC нормально. 99 случаев погоняют сопло к втулке.
-
- Сообщения: 154
- Зарегистрирован: 05 дек 2011, 14:44
- Страна, Регион, Область: Россия
- Город: Нальчик
- Благодарил (а): 8 раз
- Поблагодарили: 13 раз
Re: Сопло литьевой машины.
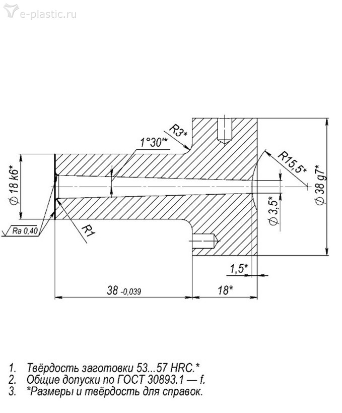
Чертеж мундштука на мои ТПА, но он может сильно отличаться от других машин, конструкция то разная у всех.
Хочу всё знать.
-
- Сообщения: 446
- Зарегистрирован: 14 фев 2014, 21:56
- Страна, Регион, Область: Россия
- Город: Санкт-Петербург
- Благодарил (а): 153 раза
- Поблагодарили: 213 раз
Re: Сопло литьевой машины.
Конкретная конструкция готового сопла зависит от конкретного ТПА: какая резьба на фланце материального цилиндра, должен ли надеваться нагреватель на сопло или нет, какая нужна длинна сопла (этот вопрос актуален для форм с заглубленными литьевыми втулками) и обычно в комплекте документов на ТПА есть чертеж типового сопла. В плане допусков наиболее важна резьба и цилиндрическая бобышка перед ней с края, т.к. именно по торцу этой бобышки происходит уплотнение сопла. Внутренний канал чем чище, тем лучше - сможете сделать Ra0.8 хорошо, сможете Ra0,1 еще лучше

Уклон в сопле в сторону литника делают только в специальных случаях, например при литье полиамида для того чтобы в канале сопла был участок как-бы продолжающий литник и застывший материал литника отделялся не с края сопла а из его глубины. В стандартном варианте условно подходящем для всех полимеров у сопла внутри конус сужается от материального цилиндра к литниковой втулке, а на финальном участке цилиндрическое отверстие.
-
- Сообщения: 1584
- Зарегистрирован: 01 окт 2013, 15:06
- Страна, Регион, Область: Россия
- Город: Екатеринбург
- Откуда: Yevlax
- Благодарил (а): 414 раз
- Поблагодарили: 386 раз
Re: Сопло литьевой машины.
Резьба на сопле должна быть для куаси до 410/100 М30*1.5, но перед резьбой конус 45 градусов.
-
- Эксперт Гидравлик
- Сообщения: 5584
- Зарегистрирован: 24 окт 2012, 20:41
- Страна, Регион, Область: СССР
- Город: Деревня Малая Малявня
- Откуда: деревня МАЛАЯ МАЛЯВНЯ
- Благодарил (а): 602 раза
- Поблагодарили: 816 раз
Re: Сопло литьевой машины.

-
- Эксперт Гидравлик
- Сообщения: 5584
- Зарегистрирован: 24 окт 2012, 20:41
- Страна, Регион, Область: СССР
- Город: Деревня Малая Малявня
- Откуда: деревня МАЛАЯ МАЛЯВНЯ
- Благодарил (а): 602 раза
- Поблагодарили: 816 раз
Re: Сопло литьевой машины.
Не вопрос можем и паспорт приподнять. Будете проездом, заходите, сканируйте.
Кто сейчас на конференции
Сейчас этот форум просматривают: нет зарегистрированных пользователей и 18 гостей