ДЕ3032 - настройка гидравлики
-
- Сообщения: 11
- Зарегистрирован: 18 июл 2018, 11:56
- Страна, Регион, Область: Ukraine
- Город: Сумы
- Благодарил (а): 8 раз
- Поблагодарили: 2 раза
ДЕ3032 - настройка гидравлики
Здравствуйте форумчане! Хмельницкий ТПА ДЕ 3032 - необходимо настроить гидравлику - если ход плит нормальный, то последняя стадия запирания прессформы слишком медленная и выталкиватель слишком медленно работает. Подкручивая распределители получается просто хаос - плиты летают слишком быстро, дожатие и выталкиватель работает нормально. Все делаем методом тыка. Есть ли у кого схема и описание по настройке гидрооборудования? Спасибо!!
-
- Эксперт Гидравлик
- Сообщения: 5584
- Зарегистрирован: 24 окт 2012, 20:41
- Страна, Регион, Область: СССР
- Город: Деревня Малая Малявня
- Откуда: деревня МАЛАЯ МАЛЯВНЯ
- Благодарил (а): 602 раза
- Поблагодарили: 816 раз
Re: ДЕ3032 - настройка гидравлики
Я например, даже забыл как выглядит ДЕ 3032 и чем она отличается от ДЕ 3132. Попросил автор темы помочь а я в принципе не готов ( нужна подготовка) Очень давно рядом с ними не стоял. Может кто ссылку подкинет по схеме и обсуждению. Хмельницкие ТПА самая популярная тема на форуме.
-
- Сообщения: 7
- Зарегистрирован: 20 окт 2018, 23:42
- Страна, Регион, Область: Россия
- Город: Воронеж
- Благодарил (а): 0
- Поблагодарили: 3 раза
Re: ДЕ3032 - настройка гидравлики
Вы упомянули скорость выталкивателя, но если не ошибаюсь на данной модели он срабатывает за счёт открывания пресс-формы (механический)? Или я не прав? Получается что пресс-форма двигается катастрофически медленно?VirtorZ писал(а): ↑22 окт 2018, 10:28Здравствуйте форумчане! Хмельницкий ТПА ДЕ 3032 - необходимо настроить гидравлику - если ход плит нормальный, то последняя стадия запирания прессформы слишком медленная и выталкиватель слишком медленно работает. Подкручивая распределители получается просто хаос - плиты летают слишком быстро, дожатие и выталкиватель работает нормально. Все делаем методом тыка. Есть ли у кого схема и описание по настройке гидрооборудования? Спасибо!!
Может стОит начать с того, что настроите давление на основных клапанах, которые распределяют потоки, они внизу находятся под рабочей зоной, рядом с каждым клапаном есть регулятор, откручивая (против часовой стрелки) давление уменьшается, закручивая - увеличивается. Проверяется механическим открыванием, нажав на клапан контролировать давление на каждом потоке. У меня самый производительный, манометр показывает 120, средний 100, самый слабый 75 - этого за глаза хватает для мелких изделий (ковш, ручка для ведра, коврик и т.д.), проливает отлично.
А дальше, если потребуется - на периферию. Клапана открывания/закрывания пресс-формы находятся с торца ТПА, где заливается масло, там же регуляторы.
Слишком медленное запирание (вход в замок) в полуавтомате/автомате - может быть из-за датчика защиты пресс-формы, не помню его номер, он находится в средней линейке, срабатывает перед тем, как пресс-форма входит в замок, он переводит станок на пониженное давление и когда пресс-форма вошла в замок - срабатывает индуктивный датчик полного закрытия (самый правый в верхней линейке). Попробуйте бегунок среднего датчика сместить как можно ближе к концу линейки, но с учётом того, что он должен отключиться до того, как сработает датчик полного запирания, иначе получите ошибку.
- Рейтинг: 5%
-
- Сообщения: 11
- Зарегистрирован: 18 июл 2018, 11:56
- Страна, Регион, Область: Ukraine
- Город: Сумы
- Благодарил (а): 8 раз
- Поблагодарили: 2 раза
Re: ДЕ3032 - настройка гидравлики
Насос на станке НПСЛ 140-20. На распределительной головке есть те 4-ре барашка об которых вы говорите (приложено фото с инета) - то есть основное распределение давление в системе - какой из них за что отвечает (ибо их 4 шт)? (хочу разобраться по-порядку). Фото ДЕ 3032 вложил - содрано с инета (для примера).
-
- Эксперт Гидравлик
- Сообщения: 5584
- Зарегистрирован: 24 окт 2012, 20:41
- Страна, Регион, Область: СССР
- Город: Деревня Малая Малявня
- Откуда: деревня МАЛАЯ МАЛЯВНЯ
- Благодарил (а): 602 раза
- Поблагодарили: 816 раз
-
- Сообщения: 11
- Зарегистрирован: 18 июл 2018, 11:56
- Страна, Регион, Область: Ukraine
- Город: Сумы
- Благодарил (а): 8 раз
- Поблагодарили: 2 раза
Re: ДЕ3032 - настройка гидравлики
Вот посредством регулировки общего давления отрегулировали движение всего, кроме выталкивателя. Выталкиватель гидравлический. Регулировка давления осуществляется сзади относительно рабочего места оператора (как нами было определено). Но, регулировка или полностью отключает выталкиватели, или полностью включает (летают с бешеной скоростью). В чем может быть причина?
-
- Эксперт Гидравлик
- Сообщения: 5584
- Зарегистрирован: 24 окт 2012, 20:41
- Страна, Регион, Область: СССР
- Город: Деревня Малая Малявня
- Откуда: деревня МАЛАЯ МАЛЯВНЯ
- Благодарил (а): 602 раза
- Поблагодарили: 816 раз
Re: ДЕ3032 - настройка гидравлики
Без схемы подсказать не могу. Регулировка и по скорости и по давлению на толкатель должна быть обязательно. По насосу НАП... могу кое что прислать. А наладку работы этого насоса подробно обсуждали. Нужно зайти в мои сообщения стр.51. Тема:" Пропадает давление на ДЕ 250" Там и скачаете чертежи и описание работы.
-
- Эксперт Гидравлик
- Сообщения: 5584
- Зарегистрирован: 24 окт 2012, 20:41
- Страна, Регион, Область: СССР
- Город: Деревня Малая Малявня
- Откуда: деревня МАЛАЯ МАЛЯВНЯ
- Благодарил (а): 602 раза
- Поблагодарили: 816 раз
-
- Эксперт Гидравлик
- Сообщения: 5584
- Зарегистрирован: 24 окт 2012, 20:41
- Страна, Регион, Область: СССР
- Город: Деревня Малая Малявня
- Откуда: деревня МАЛАЯ МАЛЯВНЯ
- Благодарил (а): 602 раза
- Поблагодарили: 816 раз
Re: ДЕ3032 - настройка гидравлики
Нужна гидросхема. Фото гидростанции. Блоков. Сколько грамм впрыск? Год выпуска?VirtorZ писал(а): ↑22 окт 2018, 16:16Вот посредством регулировки общего давления отрегулировали движение всего, кроме выталкивателя. Выталкиватель гидравлический. Регулировка давления осуществляется сзади относительно рабочего места оператора (как нами было определено). Но, регулировка или полностью отключает выталкиватели, или полностью включает (летают с бешеной скоростью). В чем может быть причина?
-
- Сообщения: 11
- Зарегистрирован: 18 июл 2018, 11:56
- Страна, Регион, Область: Ukraine
- Город: Сумы
- Благодарил (а): 8 раз
- Поблагодарили: 2 раза
Re: ДЕ3032 - настройка гидравлики
Насос НАПСЛ 140-20. Станок ДА 3032-02 (писал ДЕ). Впрыск 400 см.куб. Год выпуска 93-й (определил по году на гидромоторе, который не менялся, как нам кажется). По гидросхеме: от НАПСЛ жидкость через Р4 движится к выталкивателям. На одном из приложенных фото видно 2 гидрораспределитоеля один над другим. Р4 - это нижний, который нас интересует. За ним есть барашек регулировки давления. Когда мы его регулируем он или полностью открывается (виталкиватель сильно бьет) или полностью закрывается (вообще не двигается). ПОЧЕМУ НЕ НАХОДИТСЯ СРЕДНЕЕ ПОЛОЖЕНИЕ? вот в чем вопрос. С регулировкой общего давления НАПСЛ разобрались (благодаря Вам).
-
- Сообщения: 7
- Зарегистрирован: 20 окт 2018, 23:42
- Страна, Регион, Область: Россия
- Город: Воронеж
- Благодарил (а): 0
- Поблагодарили: 3 раза
Re: ДЕ3032 - настройка гидравлики
Я припоминаю подобную проблему, не с толкателем, с другим узлом, но в принципе суть не меняет. Мы тогда разбирали гидроузел, причиной такого поведения оказалась лопнувшая пружина, которая обеспечивала подпор. Кто знает, может у вас подобная ситуация...VirtorZ писал(а): ↑23 окт 2018, 09:33Насос НАПСЛ 140-20. Станок ДА 3032-02 (писал ДЕ). Впрыск 400 см.куб. Год выпуска 93-й (определил по году на гидромоторе, который не менялся, как нам кажется). По гидросхеме: от НАПСЛ жидкость через Р4 движится к выталкивателям. На одном из приложенных фото видно 2 гидрораспределитоеля один над другим. Р4 - это нижний, который нас интересует. За ним есть барашек регулировки давления. Когда мы его регулируем он или полностью открывается (виталкиватель сильно бьет) или полностью закрывается (вообще не двигается). ПОЧЕМУ НЕ НАХОДИТСЯ СРЕДНЕЕ ПОЛОЖЕНИЕ? вот в чем вопрос. С регулировкой общего давления НАПСЛ разобрались (благодаря Вам).
Именно под той ручкой, которую вы вращаете, там что-то на подобии поршенька, который подпирается пружиной с одной стороны и этой ручкой с другой, закручивая ручку - вы меняете его положение, соответственно меняется давление. Будет возможность - разберите этот гидроузел, делается это элементарно, ни чего сложного нет.
- Рейтинг: 5%
-
- Эксперт Гидравлик
- Сообщения: 5584
- Зарегистрирован: 24 окт 2012, 20:41
- Страна, Регион, Область: СССР
- Город: Деревня Малая Малявня
- Откуда: деревня МАЛАЯ МАЛЯВНЯ
- Благодарил (а): 602 раза
- Поблагодарили: 816 раз
Re: ДЕ3032 - настройка гидравлики
Я, вот не вижу на схеме индивидуальной настройки давления и скорости на толкатель. На фото блок Р4 с фронта тоже регулировок не вижу. На до бы с боку сфотать. К чему это я ? Схема не соответствует вроде как. Не видно правого угла нижнего схемы ( штампа) где прописано имя машины. И циклограмма ? последовательность , группа включенных магнитов на толкатель нужна. Теперь видно что за машина. Работал с такой один всего раз. Там гидробак в станине организован. Согласен: При наличии барашка на блоке Р4, который почему то не указан на схеме надо его посмотреть, как советует коллега из Воронежа.
- Рейтинг: 5%
-
- Сообщения: 11
- Зарегистрирован: 18 июл 2018, 11:56
- Страна, Регион, Область: Ukraine
- Город: Сумы
- Благодарил (а): 8 раз
- Поблагодарили: 2 раза
Re: ДЕ3032 - настройка гидравлики
Вот такую историю обнаружил. Спасибо огромное!!! В принципе тоже думали что проблема подобная. Меняем - покрутим - посмотрим что покажет.
-
- Сообщения: 11
- Зарегистрирован: 18 июл 2018, 11:56
- Страна, Регион, Область: Ukraine
- Город: Сумы
- Благодарил (а): 8 раз
- Поблагодарили: 2 раза
Re: ДЕ3032 - настройка гидравлики
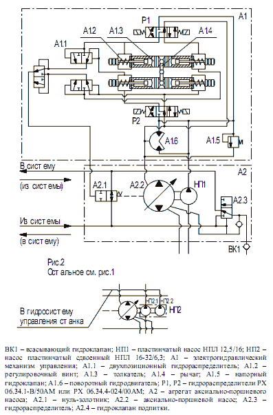
На штампе: ДА 3032 .... Г3, Схема гидравлическая принципиальная. Сфотографирую что еще есть - сброшу.ЗЮМ писал(а): ↑23 окт 2018, 11:08Я, вот не вижу на схеме индивидуальной настройки давления и скорости на толкатель. На фото блок Р4 с фронта тоже регулировок не вижу. На до бы с боку сфотать. К чему это я ? Схема не соответствует вроде как. Не видно правого угла нижнего схемы ( штампа) где прописано имя машины. И циклограмма ? последовательность , группа включенных магнитов на толкатель нужна. Теперь видно что за машина. Работал с такой один всего раз. Там гидробак в станине организован. Согласен: При наличии барашка на блоке Р4, который почему то не указан на схеме надо его посмотреть, как советует коллега из Воронежа.
-
- Эксперт Гидравлик
- Сообщения: 5584
- Зарегистрирован: 24 окт 2012, 20:41
- Страна, Регион, Область: СССР
- Город: Деревня Малая Малявня
- Откуда: деревня МАЛАЯ МАЛЯВНЯ
- Благодарил (а): 602 раза
- Поблагодарили: 816 раз
Re: ДЕ3032 - настройка гидравлики
Ясно. И тем не менее: я к своим баранам опять. Где же этот " барашек который вы приняли за регулировку давления на толкатель? На фото разобранный узел Р4. В большом распределителе лопнула пружина. А вот между "пилотом" управления и большим распредом стоит дроссельная модульная плитка с регулировочными винтами под торцовый шестигранник, которая отвечает за скорость смещения большого золотника. и регулировки плавности хода последнего. К давлению эти винты отношения не имеют. И опять мысль, почему нет на схеме? этой плитки? Хочется восстановить в голове правильную схему и логику. Ну а дальше время покажет , курочка по зернушку клюет. Ну и приятно, что дела идут. Удачи. Ждем продолжения.
-
- Эксперт Гидравлик
- Сообщения: 5584
- Зарегистрирован: 24 окт 2012, 20:41
- Страна, Регион, Область: СССР
- Город: Деревня Малая Малявня
- Откуда: деревня МАЛАЯ МАЛЯВНЯ
- Благодарил (а): 602 раза
- Поблагодарили: 816 раз
Re: ДЕ3032 - настройка гидравлики
Дроссельная плитка. Варианты назначения. И описание к дроссельной плитке.
-
- Сообщения: 1584
- Зарегистрирован: 01 окт 2013, 15:06
- Страна, Регион, Область: Россия
- Город: Екатеринбург
- Откуда: Yevlax
- Благодарил (а): 414 раз
- Поблагодарили: 386 раз
Re: ДЕ3032 - настройка гидравлики
Судя по Вашей схеме. За ДАВЛЕНИЕ выталкивателя (а также за размыкание, подвод/отвод сопла,декомпрессию и загрузку) отвечает КП1. Предположу что магнит УА45 включается во время загрузки и размыкании(?), тогда получается что на при выталкивании используется КП1.2.
На насосе можно настроить 4 разных производительности (скорости), как правило большие производительности используются по диагонали (Впрыск-правый верхний магнит, Загрузка-левый нижний магнит), наладка ТПА и другие "не большие скорости" обычно используют левый верхний или правый нижний магнит.
Регуляторы производительности насоса находятся в противоположной стороне от магнитов. При включении левого верхнего (УА31) работает настройка правая верхняя.
На насосе можно настроить 4 разных производительности (скорости), как правило большие производительности используются по диагонали (Впрыск-правый верхний магнит, Загрузка-левый нижний магнит), наладка ТПА и другие "не большие скорости" обычно используют левый верхний или правый нижний магнит.
Регуляторы производительности насоса находятся в противоположной стороне от магнитов. При включении левого верхнего (УА31) работает настройка правая верхняя.
- Рейтинг: 5%
-
- Эксперт Гидравлик
- Сообщения: 5584
- Зарегистрирован: 24 окт 2012, 20:41
- Страна, Регион, Область: СССР
- Город: Деревня Малая Малявня
- Откуда: деревня МАЛАЯ МАЛЯВНЯ
- Благодарил (а): 602 раза
- Поблагодарили: 816 раз
Re: ДЕ3032 - настройка гидравлики
Тут, либо отследить группу э/ магнитов работающих на толкатель. И покрутить КП1.2 Либо посмотреть циклограмму, которой нет. Люди берегите все циклограммы за семью печатями. 

- Woolfy
- Сообщения: 810
- Зарегистрирован: 08 июн 2018, 08:12
- Страна, Регион, Область: Россия
- Город: Новосибирск
- Благодарил (а): 690 раз
- Поблагодарили: 351 раз
Re: ДЕ3032 - настройка гидравлики
Не, лучше переводите в электронный вид (хорошо бы отрисовать заново), и - на форум. Пусть даже за разумное вознаграждение.

- Рейтинг: 5%
С уважением. Белый и пушистый, а не серый и лохматый.
-
- Сообщения: 11
- Зарегистрирован: 18 июл 2018, 11:56
- Страна, Регион, Область: Ukraine
- Город: Сумы
- Благодарил (а): 8 раз
- Поблагодарили: 2 раза
Re: ДЕ3032 - настройка гидравлики
Пружину заменили, все собрали и установили. На дроссельной плитке вокруг регулировочного винта под шестигранник есть шкала. Чтобы понять куда и зачем крутить предварительно полностью закрутили винты. Установили, включили - выталкиватель выталкивает, но не возвращается на исходную. Потом полностью выкрутили - все нормально работает. В результате поставили в среднее положение, которое практически ничем не отличается от полностью выключенного. Общим, как вы сказали, промежуточная плитка НЕ РЕГУЛИРУЕТ давление, как мы думали раньше (от не знания конструкции).ЗЮМ писал(а): ↑23 окт 2018, 14:48Ясно. И тем не менее: я к своим баранам опять. Где же этот " барашек который вы приняли за регулировку давления на толкатель? На фото разобранный узел Р4. В большом распределителе лопнула пружина. А вот между "пилотом" управления и большим распредом стоит дроссельная модульная плитка с регулировочными винтами под торцовый шестигранник, которая отвечает за скорость смещения большого золотника. и регулировки плавности хода последнего. К давлению эти винты отношения не имеют. И опять мысль, почему нет на схеме? этой плитки? Хочется восстановить в голове правильную схему и логику. Ну а дальше время покажет , курочка по зернушку клюет. Ну и приятно, что дела идут. Удачи. Ждем продолжения.
- Рейтинг: 5%
-
- Сообщения: 11
- Зарегистрирован: 18 июл 2018, 11:56
- Страна, Регион, Область: Ukraine
- Город: Сумы
- Благодарил (а): 8 раз
- Поблагодарили: 2 раза
Re: ДЕ3032 - настройка гидравлики
Регулировка скорости выталкивателя, а значит давления больше всего происходит путем регулировки общего давления системы.
-
- Сообщения: 7
- Зарегистрирован: 20 окт 2018, 23:42
- Страна, Регион, Область: Россия
- Город: Воронеж
- Благодарил (а): 0
- Поблагодарили: 3 раза
Re: ДЕ3032 - настройка гидравлики
Если честно, очень странное конструктивное решение, по всей видимости реализованное, для того, что бы упростить гидравлические узлы, всё таки регулировать скорость какого то отдельного узла, путём изменения общего давления, на мой взгляд - не самая удачная идея. Ну да ладно, оставим это на совести конструкторов. За вас же, можно порадоваться, что дело стронулось с мёртвой точки и наши советы оказались полезными... )
- Рейтинг: 5%
-
- Сообщения: 11
- Зарегистрирован: 18 июл 2018, 11:56
- Страна, Регион, Область: Ukraine
- Город: Сумы
- Благодарил (а): 8 раз
- Поблагодарили: 2 раза
Re: ДЕ3032 - настройка гидравлики
Спасибо огромное помогающим и сочувствующим!!!
В случае обнаружение еще чего-то интересного отпишусь.
Еще раз СПАСИБО!!!


- Рейтинг: 5%
Кто сейчас на конференции
Сейчас этот форум просматривают: нет зарегистрированных пользователей и 19 гостей