Вопрос по гидросхеме ТПА Battenfeld TM 1000/350
- d_y
- Сообщения: 301
- Зарегистрирован: 04 окт 2008, 13:10
- Страна, Регион, Область: Украина
- Город: Киев
- Откуда: Киев, Украина
- Благодарил (а): 1 раз
- Поблагодарили: 13 раз
Вопрос по гидросхеме ТПА Battenfeld TM 1000/350
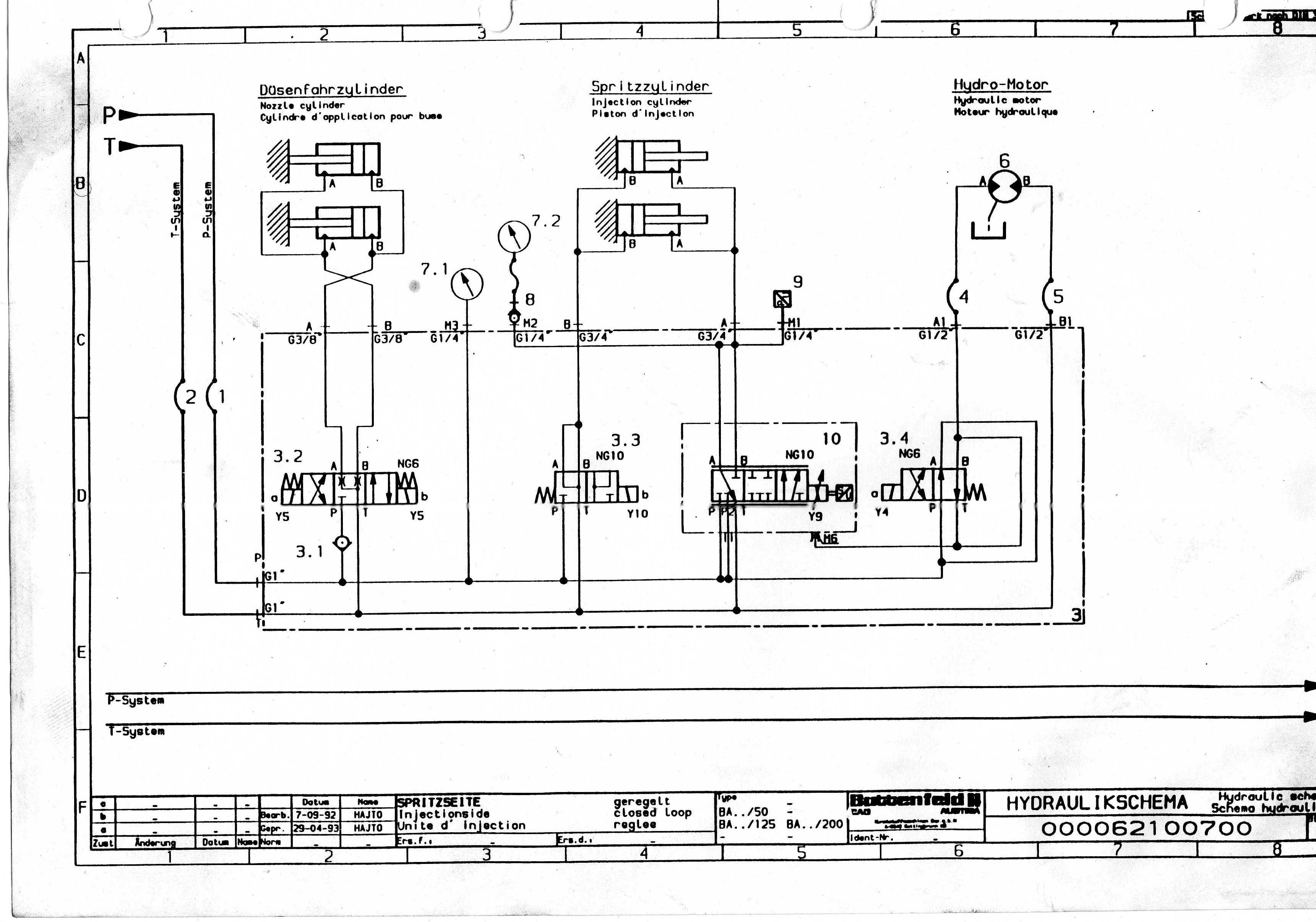
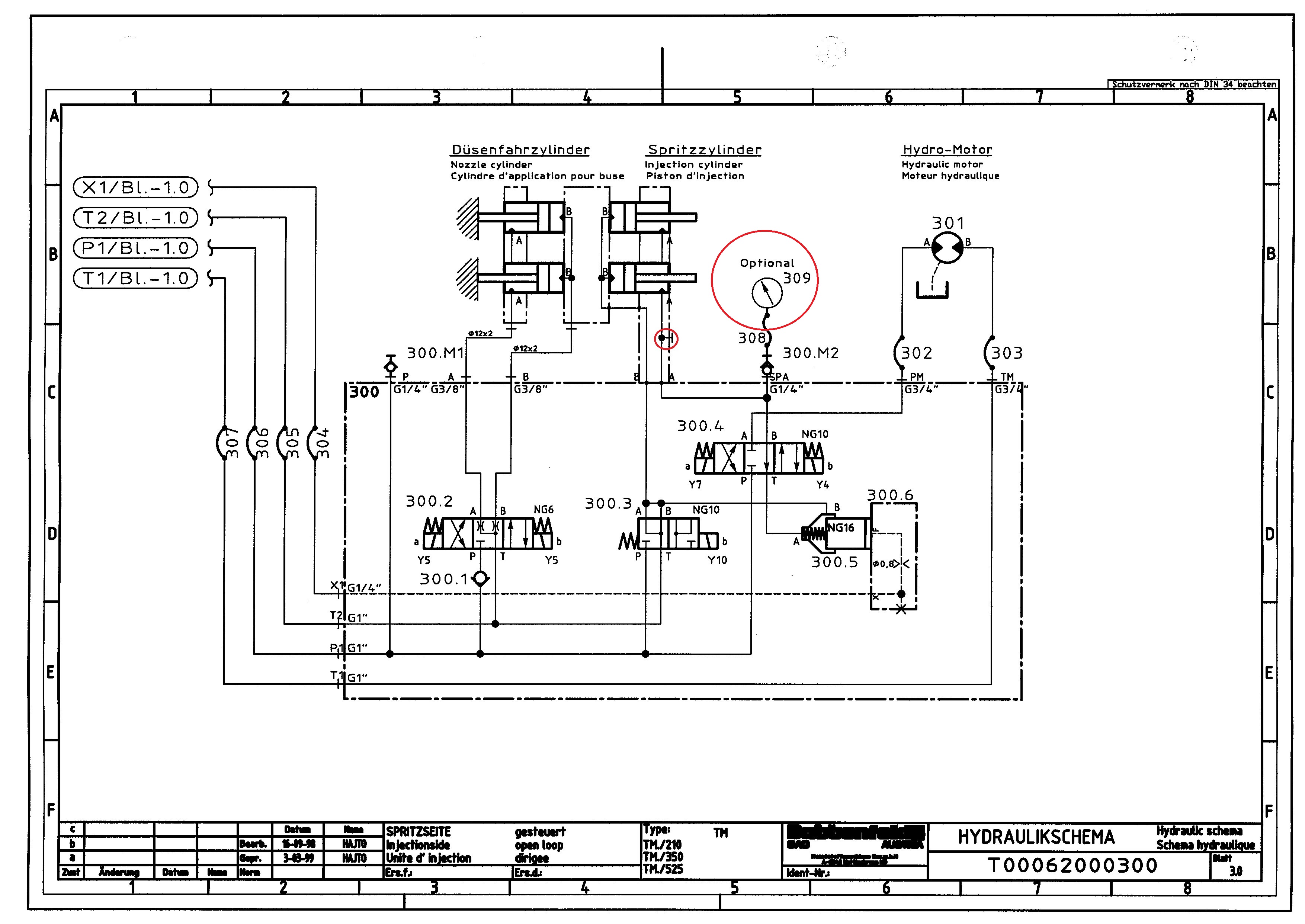
Подскажите пожалуйста назначение клапана Y100 на данном станке. Он используется для задания давления подпора во время загрузки при помощи пропорциональника Y8 вместе с клапаном 300.5? Или у него другое назначение ?
- Рейтинг: 5%
-
- Сообщения: 580
- Зарегистрирован: 20 мар 2015, 11:03
- Страна, Регион, Область: Россия
- Город: Россия
- Благодарил (а): 92 раза
- Поблагодарили: 296 раз
Re: Вопрос по гидросхеме ТПА Battenfeld TM 1000/350
Чет не могу вкурить, что за клапан вам нужен. Y10 или 100.1 который Y19.
Пометьте его в пейнте
Y100 там нет)
Пометьте его в пейнте
Y100 там нет)
- d_y
- Сообщения: 301
- Зарегистрирован: 04 окт 2008, 13:10
- Страна, Регион, Область: Украина
- Город: Киев
- Откуда: Киев, Украина
- Благодарил (а): 1 раз
- Поблагодарили: 13 раз
Re: Вопрос по гидросхеме ТПА Battenfeld TM 1000/350
На первой гидросхеме (насосной станции), он правее пропоциональника Y8. 100.5 он еще обозначен.
-
- Эксперт Гидравлик
- Сообщения: 5583
- Зарегистрирован: 24 окт 2012, 20:41
- Страна, Регион, Область: СССР
- Город: Деревня Малая Малявня
- Откуда: деревня МАЛАЯ МАЛЯВНЯ
- Благодарил (а): 602 раза
- Поблагодарили: 816 раз
Re: Вопрос по гидросхеме ТПА Battenfeld TM 1000/350
Я думаю что так. 100.5 переводит управление пропорциональника по давлению Y8 100.2 с основного клапана 100.3- 100.4 на клапан 300.5-300.6 который контролирует и обеспечивает давление вытесняемого масла из штоковой полости ц. впр. на слив под командой У8. По другому ни как. Получается у 100.5 всего две задачи. Обеспечивать линию управления всеми давлениями основными при выключенном состоянии. И обеспечивать линию управления подпором при активированном состоянии только в момент набора материала то есть вращения гидромотора.
-
- Сообщения: 580
- Зарегистрирован: 20 мар 2015, 11:03
- Страна, Регион, Область: Россия
- Город: Россия
- Благодарил (а): 92 раза
- Поблагодарили: 296 раз
Re: Вопрос по гидросхеме ТПА Battenfeld TM 1000/350
Извиняюсь. Не увидел.
Соглашусь с ЗЮМом. О переводе управления с 100.3 на 300.5.
Однако не могу понять.
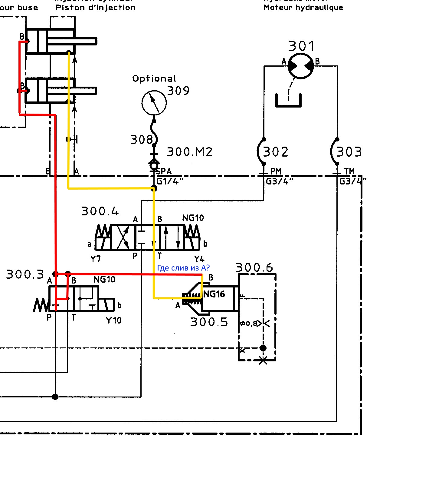
Как выводится масло из полости А при впрыске. У10 включен. 300.4 не задействован.
Соглашусь с ЗЮМом. О переводе управления с 100.3 на 300.5.
Однако не могу понять.
Как выводится масло из полости А при впрыске. У10 включен. 300.4 не задействован.
- d_y
- Сообщения: 301
- Зарегистрирован: 04 окт 2008, 13:10
- Страна, Регион, Область: Украина
- Город: Киев
- Откуда: Киев, Украина
- Благодарил (а): 1 раз
- Поблагодарили: 13 раз
Re: Вопрос по гидросхеме ТПА Battenfeld TM 1000/350
Y10 это принудительный отвод шнека. За впрыск отвечает Y7. Видимо за счет разницы давлений в полостях цилиндра происходит отвод. Хотя 300.5 при этом закрыт.....
-
- Сообщения: 2183
- Зарегистрирован: 27 апр 2013, 02:27
- Страна, Регион, Область: Владимирская обл.
- Город: Владимир
- Благодарил (а): 772 раза
- Поблагодарили: 552 раза
Re: Вопрос по гидросхеме ТПА Battenfeld TM 1000/350
Интересно они 300й клапанный блок спроектировали.
Есть над чем голову поломать
Есть над чем голову поломать

- d_y
- Сообщения: 301
- Зарегистрирован: 04 окт 2008, 13:10
- Страна, Регион, Область: Украина
- Город: Киев
- Откуда: Киев, Украина
- Благодарил (а): 1 раз
- Поблагодарили: 13 раз
Re: Вопрос по гидросхеме ТПА Battenfeld TM 1000/350
Может опечатка в гидросхеме. Хотя на Battenfeld это не похоже.Figaro писал(а):Интересно они 300й клапанный блок спроектировали.
Есть над чем голову поломать
-
- Сообщения: 2183
- Зарегистрирован: 27 апр 2013, 02:27
- Страна, Регион, Область: Владимирская обл.
- Город: Владимир
- Благодарил (а): 772 раза
- Поблагодарили: 552 раза
Re: Вопрос по гидросхеме ТПА Battenfeld TM 1000/350
Всё-таки Y10 (303.3) похож на управление впрыском, и впрыск регенеративный, а Y7(300.4) - отвод.
- d_y
- Сообщения: 301
- Зарегистрирован: 04 окт 2008, 13:10
- Страна, Регион, Область: Украина
- Город: Киев
- Откуда: Киев, Украина
- Благодарил (а): 1 раз
- Поблагодарили: 13 раз
Re: Вопрос по гидросхеме ТПА Battenfeld TM 1000/350
В схемах электрических названия магнитов следующие:Figaro писал(а):Всё-таки Y10 (303.3) похож на управление впрыском, и впрыск регенеративный, а Y7(300.4) - отвод.
Y100 - staudruck;
Y7 - spritzkolben vor;
Y10 - spritzkolben zuruck;
Язык - немецкий.
-
- Сообщения: 580
- Зарегистрирован: 20 мар 2015, 11:03
- Страна, Регион, Область: Россия
- Город: Россия
- Благодарил (а): 92 раза
- Поблагодарили: 296 раз
Re: Вопрос по гидросхеме ТПА Battenfeld TM 1000/350
Магия, не иначе.
Штока гидроцилиндров указывают абсолютно обратное направление для впрыска.

Штока гидроцилиндров указывают абсолютно обратное направление для впрыска.
-
- Сообщения: 2183
- Зарегистрирован: 27 апр 2013, 02:27
- Страна, Регион, Область: Владимирская обл.
- Город: Владимир
- Благодарил (а): 772 раза
- Поблагодарили: 552 раза
Re: Вопрос по гидросхеме ТПА Battenfeld TM 1000/350
Вот вотТоха писал(а):Магия, не иначе.![]()
Штока гидроцилиндров указывают абсолютно обратное направление для впрыска.
-
- Сообщения: 2183
- Зарегистрирован: 27 апр 2013, 02:27
- Страна, Регион, Область: Владимирская обл.
- Город: Владимир
- Благодарил (а): 772 раза
- Поблагодарили: 552 раза
Re: Вопрос по гидросхеме ТПА Battenfeld TM 1000/350
Y100 - разгрузка насосаd_y писал(а):В схемах электрических названия магнитов следующие:Figaro писал(а):Всё-таки Y10 (303.3) похож на управление впрыском, и впрыск регенеративный, а Y7(300.4) - отвод.
Y100 - staudruck;
Y7 - spritzkolben vor;
Y10 - spritzkolben zuruck;
Язык - немецкий.
Y7/Y10 - поршень вперёд/назад - это надо смотреть где и как цилиндр впрыска закреплён по отношению к оператору ...
-
- Сообщения: 1584
- Зарегистрирован: 01 окт 2013, 15:06
- Страна, Регион, Область: Россия
- Город: Екатеринбург
- Откуда: Yevlax
- Благодарил (а): 414 раз
- Поблагодарили: 386 раз
Re: Вопрос по гидросхеме ТПА Battenfeld TM 1000/350
У7- впрыск;
У 10 -декомпрессия без слива из-за большой площади;
загрузка и впрыск на одном распределителе чтобы создать во время загрузки противодавление одним включением.
У 10 -декомпрессия без слива из-за большой площади;
загрузка и впрыск на одном распределителе чтобы создать во время загрузки противодавление одним включением.
-
- Сообщения: 2183
- Зарегистрирован: 27 апр 2013, 02:27
- Страна, Регион, Область: Владимирская обл.
- Город: Владимир
- Благодарил (а): 772 раза
- Поблагодарили: 552 раза
Re: Вопрос по гидросхеме ТПА Battenfeld TM 1000/350
Мулланур - Вы, наверное, обратили внимание что обозначение выходных портов А и В распределителя 300.4 не совпадает с обозначением соответствующих портов А и В клапанного блока.Мулланур писал(а):У7- впрыск;
У 10 -декомпрессия без слива из-за большой площади;
загрузка и впрыск на одном распределителе чтобы создать во время загрузки противодавление одним включением.
Y10 подаёт давление в бесштоковую полость
-
- Сообщения: 1584
- Зарегистрирован: 01 окт 2013, 15:06
- Страна, Регион, Область: Россия
- Город: Екатеринбург
- Откуда: Yevlax
- Благодарил (а): 414 раз
- Поблагодарили: 386 раз
Re: Вопрос по гидросхеме ТПА Battenfeld TM 1000/350
Декомпрессия дифференциальная получается.
Думаю существует ещё 4 гидравлическая схема (общая) на которой указаны датчики давления.
Мне кажется датчиков давления очень не хватает.
Думаю существует ещё 4 гидравлическая схема (общая) на которой указаны датчики давления.
Мне кажется датчиков давления очень не хватает.
- d_y
- Сообщения: 301
- Зарегистрирован: 04 окт 2008, 13:10
- Страна, Регион, Область: Украина
- Город: Киев
- Откуда: Киев, Украина
- Благодарил (а): 1 раз
- Поблагодарили: 13 раз
Re: Вопрос по гидросхеме ТПА Battenfeld TM 1000/350
К сожалению это все что есть.Мулланур писал(а):Декомпрессия дифференциальная получается.
Думаю существует ещё 4 гидравлическая схема (общая) на которой указаны датчики давления.
Мне кажется датчиков давления очень не хватает.
Но физически датчик давления присутствует .
-
- Сообщения: 2183
- Зарегистрирован: 27 апр 2013, 02:27
- Страна, Регион, Область: Владимирская обл.
- Город: Владимир
- Благодарил (а): 772 раза
- Поблагодарили: 552 раза
Re: Вопрос по гидросхеме ТПА Battenfeld TM 1000/350
То что обведено кружком - это контрольная точка для подключения манометра с быстросъёмом.Мулланур писал(а): Мне кажется датчиков давления очень не хватает.
-
- Сообщения: 580
- Зарегистрирован: 20 мар 2015, 11:03
- Страна, Регион, Область: Россия
- Город: Россия
- Благодарил (а): 92 раза
- Поблагодарили: 296 раз
Re: Вопрос по гидросхеме ТПА Battenfeld TM 1000/350
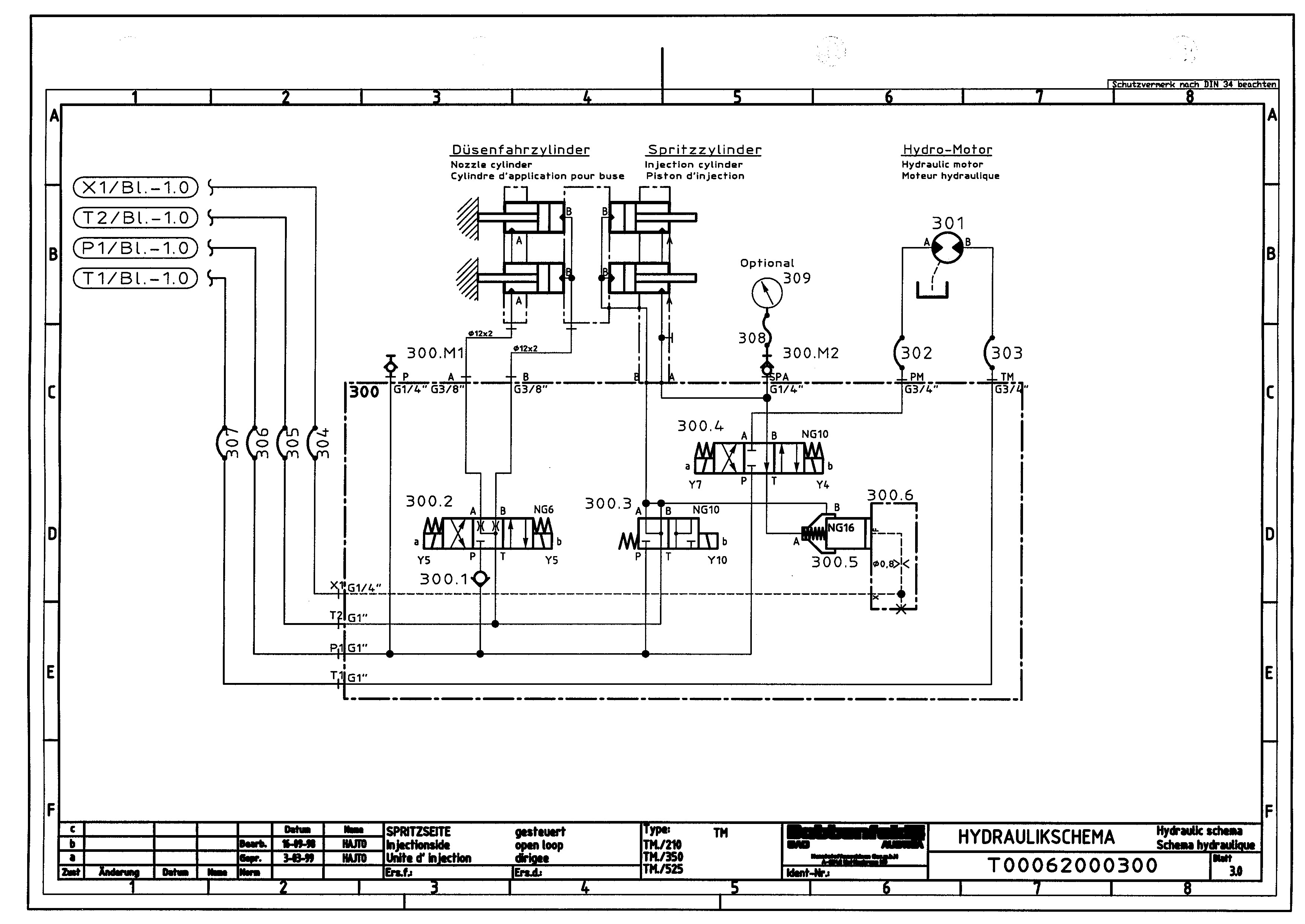
А слона то я и не приметил. Коллеги, взгляните на схемы. Первые 2 листа с серии TM500 и выше. 3 лист с серии TM 210. На 2 листе гидромотор и на 3 листе гидромотор. Не многовато для одного станка?
d_Y ищите листики

d_Y ищите листики
- d_y
- Сообщения: 301
- Зарегистрирован: 04 окт 2008, 13:10
- Страна, Регион, Область: Украина
- Город: Киев
- Откуда: Киев, Украина
- Благодарил (а): 1 раз
- Поблагодарили: 13 раз
Re: Вопрос по гидросхеме ТПА Battenfeld TM 1000/350
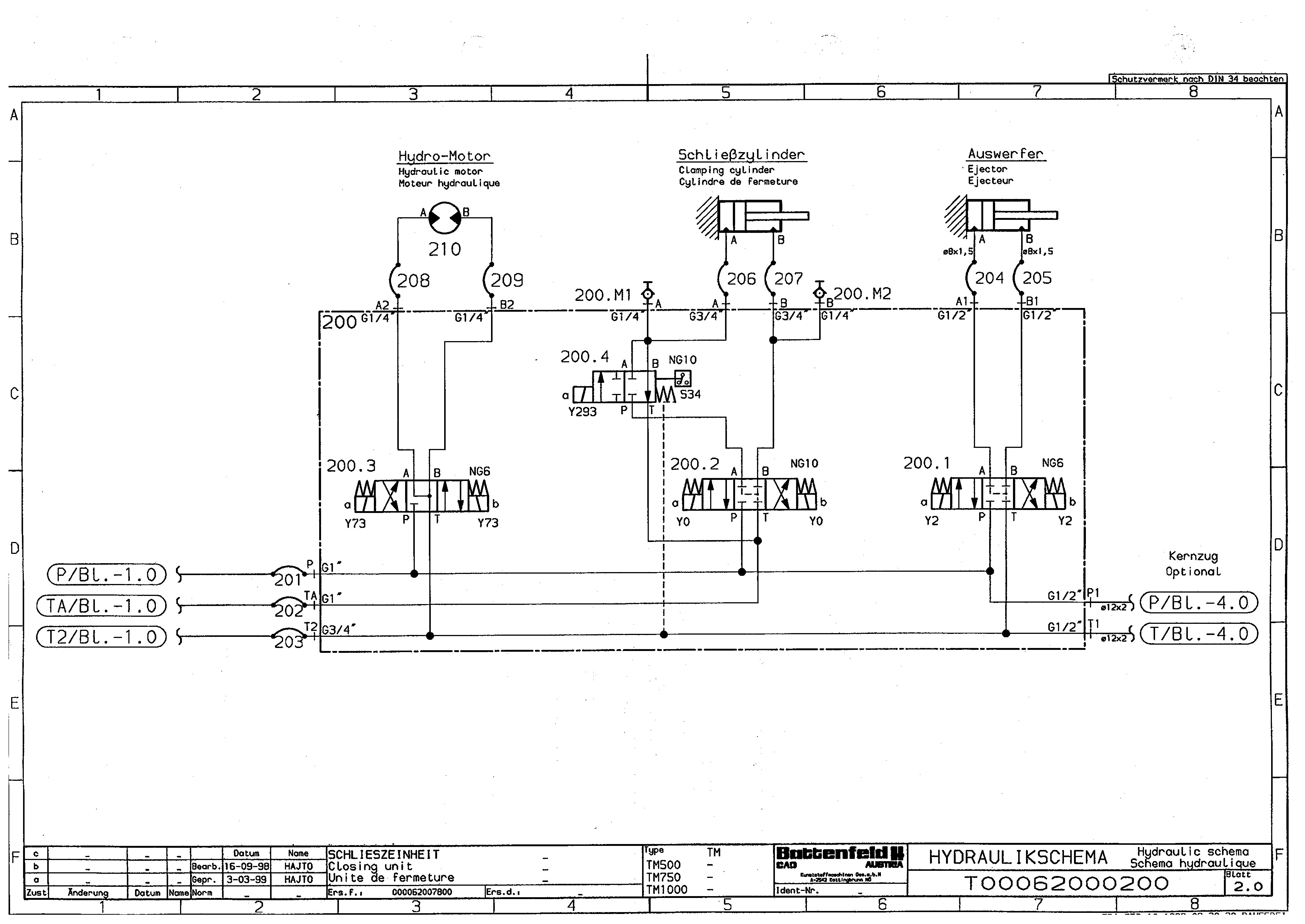
На 2-м листе гидромотор регулировки межштампового расстояния.Тоха писал(а):А слона то я и не приметил. Коллеги, взгляните на схемы. Первые 2 листа с серии TM500 и выше. 3 лист с серии TM 210. На 2 листе гидромотор и на 3 листе гидромотор. Не многовато для одного станка?![]()
d_Y ищите листики
На 3-м соответственно гидромотор шнека.
- Рейтинг: 5%
-
- Сообщения: 580
- Зарегистрирован: 20 мар 2015, 11:03
- Страна, Регион, Область: Россия
- Город: Россия
- Благодарил (а): 92 раза
- Поблагодарили: 296 раз
Re: Вопрос по гидросхеме ТПА Battenfeld TM 1000/350
Согласен. Однако 3 лист все так же под вопросом. Плюс во втором магистрали идут дальше на Blatt 4
- d_y
- Сообщения: 301
- Зарегистрирован: 04 окт 2008, 13:10
- Страна, Регион, Область: Украина
- Город: Киев
- Откуда: Киев, Украина
- Благодарил (а): 1 раз
- Поблагодарили: 13 раз
Re: Вопрос по гидросхеме ТПА Battenfeld TM 1000/350
Спасибо большое, уже увидел что 3-й лист от другого станка, будем запрашивать представительство Battenfeld почему они такую гидросхему прислали.Тоха писал(а):Согласен. Однако 3 лист все так же под вопросом. Плюс во втором магистрали идут дальше на Blatt 4
Обратите внимание на клапан обведенный на фотографии Очень похож на клапан Y9 со встроенной электроникой -
Последний раз редактировалось d_y 15 авг 2016, 09:04, всего редактировалось 1 раз.
-
- Сообщения: 2183
- Зарегистрирован: 27 апр 2013, 02:27
- Страна, Регион, Область: Владимирская обл.
- Город: Владимир
- Благодарил (а): 772 раза
- Поблагодарили: 552 раза
Re: Вопрос по гидросхеме ТПА Battenfeld TM 1000/350
d_y, да сфотографируйте узел впрыска - расположение цилиндров, что к чему закреплено ...
-
- Сообщения: 2183
- Зарегистрирован: 27 апр 2013, 02:27
- Страна, Регион, Область: Владимирская обл.
- Город: Владимир
- Благодарил (а): 772 раза
- Поблагодарили: 552 раза
Re: Вопрос по гидросхеме ТПА Battenfeld TM 1000/350
4й лист опциональный - это всякие стержни (знаки)
-
- Сообщения: 580
- Зарегистрирован: 20 мар 2015, 11:03
- Страна, Регион, Область: Россия
- Город: Россия
- Благодарил (а): 92 раза
- Поблагодарили: 296 раз
Re: Вопрос по гидросхеме ТПА Battenfeld TM 1000/350
Но быть он должен.Figaro писал(а):4й лист опциональный - это всякие стержни (знаки)
- d_y
- Сообщения: 301
- Зарегистрирован: 04 окт 2008, 13:10
- Страна, Регион, Область: Украина
- Город: Киев
- Откуда: Киев, Украина
- Благодарил (а): 1 раз
- Поблагодарили: 13 раз
Re: Вопрос по гидросхеме ТПА Battenfeld TM 1000/350
4-й лист есть, там таки стержниFigaro писал(а):4й лист опциональный - это всякие стержни (знаки)
Если надо то вот он:
-
- Сообщения: 580
- Зарегистрирован: 20 мар 2015, 11:03
- Страна, Регион, Область: Россия
- Город: Россия
- Благодарил (а): 92 раза
- Поблагодарили: 296 раз
Re: Вопрос по гидросхеме ТПА Battenfeld TM 1000/350
Похож. Но на странице нет X1 магистрали. Кстати ниже него стоит датчик давление.d_y писал(а):Спасибо большое, уже увидел что 3-й лист от другого станка, будем запрашивать представительство Battenfeld почему они такую гидросхему прислали.Тоха писал(а):Согласен. Однако 3 лист все так же под вопросом. Плюс во втором магистрали идут дальше на Blatt 4
Обратите внимание на клапан обведенный на фотографии
IMG-20160804-WA00021.JPG
Очень похож на клапан Y9 со встроенной электроникой - img018.jpg
Сам клапан - одна из версий 660го MOOGa
- d_y
- Сообщения: 301
- Зарегистрирован: 04 окт 2008, 13:10
- Страна, Регион, Область: Украина
- Город: Киев
- Откуда: Киев, Украина
- Благодарил (а): 1 раз
- Поблагодарили: 13 раз
Re: Вопрос по гидросхеме ТПА Battenfeld TM 1000/350
Вот фотография что реально стоит в узле впрыска: MOOG серии 661Тоха писал(а):Похож. Но на странице нет X1 магистрали. Кстати ниже него стоит датчик давление.d_y писал(а): Спасибо большое, уже увидел что 3-й лист от другого станка, будем запрашивать представительство Battenfeld почему они такую гидросхему прислали.
Обратите внимание на клапан обведенный на фотографии
IMG-20160804-WA00021.JPG
Очень похож на клапан Y9 со встроенной электроникой - img018.jpg
Сам клапан - одна из версий 660го MOOGa
123й.png
1323й.png
Но куда тогда идет магистраль Х1 от Y100 в этом случае ?
-
- Сообщения: 8
- Зарегистрирован: 06 ноя 2019, 11:24
- Страна, Регион, Область: Россия
- Город: Cheboksary
- Благодарил (а): 0
- Поблагодарили: 2 раза
Re: Вопрос по гидросхеме ТПА Battenfeld TM 1000/350
Всем доброго времени!
У нас две такие маленькие машины. Одна, как на схеме из первго поста.
Вторая с пропорциональником на впрыске. Там 100.5 в гидроблоке присутствует, но не задействован. Даже провода нет.
Прошу помощи в поиске D2 0,8 мм. В гидроблоке нашли почистили и продули все дроссели кроме этого.
Вода попала в масло, не сразу заметили, тпа стал работать нестабильно. Масло заменили систему прочистили, но машина не хочет нормально работать.
По логике вычислили, что у D2 сильно сузился проход, но найти не можем.
У нас две такие маленькие машины. Одна, как на схеме из первго поста.
Вторая с пропорциональником на впрыске. Там 100.5 в гидроблоке присутствует, но не задействован. Даже провода нет.
Прошу помощи в поиске D2 0,8 мм. В гидроблоке нашли почистили и продули все дроссели кроме этого.
Вода попала в масло, не сразу заметили, тпа стал работать нестабильно. Масло заменили систему прочистили, но машина не хочет нормально работать.
По логике вычислили, что у D2 сильно сузился проход, но найти не можем.
-
- Сообщения: 1584
- Зарегистрирован: 01 окт 2013, 15:06
- Страна, Регион, Область: Россия
- Город: Екатеринбург
- Откуда: Yevlax
- Благодарил (а): 414 раз
- Поблагодарили: 386 раз
Re: Вопрос по гидросхеме ТПА Battenfeld TM 1000/350
Получается что, надобность в линии где установлен дроссель D2 отпала (Линия использовалась во время загрузки). Пропорциональный клапан 100.2 теперь работает на давление в системе, а на противодавление контроль идет от пропорциональника на впрыск.
Кто сейчас на конференции
Сейчас этот форум просматривают: нет зарегистрированных пользователей и 17 гостей