Литье PEEK Полиэфирэфиркетона
- ummate
- Сообщения: 6
- Зарегистрирован: 01 июл 2015, 13:20
- Страна, Регион, Область: Россия
- Город: Пенза
- Откуда: Пенза
- Благодарил (а): 0
- Поблагодарили: 0
Литье PEEK Полиэфирэфиркетона
Добрый день, задумали литье уплотнительных колец в штучном исполнении (20-50 штук разных колец месяц). Прошу помощи в подборе оборудования и оснастки. Бюджет 300тр, +/- 50. Возможно ли вообще уложиться в этот бюджет для приобретения ТПА + одной формы под пробный образец. Из-за различной номенклатуры колец бюджет позже увеличю на формы, но в начале надо отработать технологию на средних по диаметру кольцах 35см.
Нашел б\у ТПА на авито
https://www.avito.ru/krasnodar/oborudov ... _155314293
https://www.avito.ru/krasnodar/oborudov ... _355297607
Есть даже у нас в Пензе автомат Kuasy 170/55
https://www.avito.ru/penza/oborudovanie ... _586679069
подойдут ли они мне?
характеристики PEEKa
http://www.rusplast.com/catalog/pfic/6800/
Нашел б\у ТПА на авито
https://www.avito.ru/krasnodar/oborudov ... _155314293
https://www.avito.ru/krasnodar/oborudov ... _355297607
Есть даже у нас в Пензе автомат Kuasy 170/55
https://www.avito.ru/penza/oborudovanie ... _586679069
подойдут ли они мне?
характеристики PEEKa
http://www.rusplast.com/catalog/pfic/6800/
- Вложения
-
- Victrex_Injection Molding Brochure3_9.pdf
- брошура производителя по литью PEEKa
- (753.02 КБ) 388 скачиваний
-
Alexbux1
- Сообщения: 871
- Зарегистрирован: 04 янв 2011, 23:01
- Страна, Регион, Область: ЦФО
- Город: Тверь
- Откуда: Тверь
- Благодарил (а): 18 раз
- Поблагодарили: 10 раз
Re: Литье PEEK Полиэфирэфиркетона
PEEK Требует очень высоких температур перработки, 350-385°C и высокого давления при литье. Хмелик тем более убитый не потянет, да и куаси думаю тоже. Полимер крайне непростой в переработке, бюджет мягко говоря слабоват. На фото тела вращения, не легче ли в таком кол-ве точить из допустим готовых втулок.
-
Alexbux1
- Сообщения: 871
- Зарегистрирован: 04 янв 2011, 23:01
- Страна, Регион, Область: ЦФО
- Город: Тверь
- Откуда: Тверь
- Благодарил (а): 18 раз
- Поблагодарили: 10 раз
Re: Литье PEEK Полиэфирэфиркетона
Да для получения изделия с равномерной степенью кристаличности рекомендуют термостатировать форму до 150 200°С (иначе возможно коробление).Этоуже+ масляный термостат .
- ummate
- Сообщения: 6
- Зарегистрирован: 01 июл 2015, 13:20
- Страна, Регион, Область: Россия
- Город: Пенза
- Откуда: Пенза
- Благодарил (а): 0
- Поблагодарили: 0
Re: Литье PEEK Полиэфирэфиркетона
Произвел небольшие подсчеты:
Диаметр внешний 36,5 см
Диаметр внутренний 35,5 см
Высота 1,45 см
Объем изделия 82 см3 (+30% запаса для цилиндра = 106,6 см3)
Материал PEEK 450G
Рекомендуемые параметры оборудования производителем сырья:
Температура инструмента (формы) 170-200 С
Температура цилиндра 365-375 С (с возможностью до 400 С)
Температура зоны загрузки 70-100 С
Скорость вращения шнека 5-10 м/мин
Давление впрыска 2000 Бар или 2039 килограмм силы на см2.
Запирающее усилие способное выдержать 2000 Бар.
В бюджет не уложимся похоже)) значит придется брать лизинг или кредит))) увеличим бюджет под лизинг до 1000тр
Диаметр внешний 36,5 см
Диаметр внутренний 35,5 см
Высота 1,45 см
Объем изделия 82 см3 (+30% запаса для цилиндра = 106,6 см3)
Материал PEEK 450G
Рекомендуемые параметры оборудования производителем сырья:
Температура инструмента (формы) 170-200 С
Температура цилиндра 365-375 С (с возможностью до 400 С)
Температура зоны загрузки 70-100 С
Скорость вращения шнека 5-10 м/мин
Давление впрыска 2000 Бар или 2039 килограмм силы на см2.
Запирающее усилие способное выдержать 2000 Бар.
В бюджет не уложимся похоже)) значит придется брать лизинг или кредит))) увеличим бюджет под лизинг до 1000тр
-
Sandy
- Сообщения: 635
- Зарегистрирован: 19 янв 2010, 09:16
- Страна, Регион, Область: Россия
- Город: Саров
- Благодарил (а): 39 раз
- Поблагодарили: 74 раза
Re: Литье PEEK Полиэфирэфиркетона
Т.е. Вы хотите потратить 1 млн. рублей чтобы выпускать несколько сотен деталей в месяц?ummate писал(а): 20-50 штук разных колец месяц
увеличим бюджет под лизинг до 1000тр
- ummate
- Сообщения: 6
- Зарегистрирован: 01 июл 2015, 13:20
- Страна, Регион, Область: Россия
- Город: Пенза
- Откуда: Пенза
- Благодарил (а): 0
- Поблагодарили: 0
Re: Литье PEEK Полиэфирэфиркетона
Да все верно :) В дальнейшем, конечно, планируем расширение, но это стартап рассчитанный под конкретную потребность.Sandy писал(а):Т.е. Вы хотите потратить 1 млн. рублей чтобы выпускать несколько сотен деталей в месяц?ummate писал(а): 20-50 штук разных колец месяц
увеличим бюджет под лизинг до 1000тр
-
Sandy
- Сообщения: 635
- Зарегистрирован: 19 янв 2010, 09:16
- Страна, Регион, Область: Россия
- Город: Саров
- Благодарил (а): 39 раз
- Поблагодарили: 74 раза
Re: Литье PEEK Полиэфирэфиркетона
А в 1 млн. рублей Вы что закладываете:
1. Только ТПА.
2. ТПА, его пуско-наладочные работы, пресс-форму, термостат.
1. Только ТПА.
2. ТПА, его пуско-наладочные работы, пресс-форму, термостат.
- ummate
- Сообщения: 6
- Зарегистрирован: 01 июл 2015, 13:20
- Страна, Регион, Область: Россия
- Город: Пенза
- Откуда: Пенза
- Благодарил (а): 0
- Поблагодарили: 0
Re: Литье PEEK Полиэфирэфиркетона
А есть материал с аналогичными параметрами по земной цене? Работа в жестких условиях эксплуатации, требования соответствующие.Shadow писал(а):А почему именно PEEK? Ценник то у него космический...
-
Sandy
- Сообщения: 635
- Зарегистрирован: 19 янв 2010, 09:16
- Страна, Регион, Область: Россия
- Город: Саров
- Благодарил (а): 39 раз
- Поблагодарили: 74 раза
Re: Литье PEEK Полиэфирэфиркетона
А чертеж детали у Вас есть?ummate писал(а):А есть материал с аналогичными параметрами по земной цене? Работа в жестких условиях эксплуатации, требования соответствующие.Shadow писал(а):А почему именно PEEK? Ценник то у него космический...
"Работа в жестких условиях эксплуатации" - это пустые слова, материал по ним не подберешь. Материал РЕЕК просто так не назначается для уплотнений. Ваш заказчик готов пойти на замену материала?
- ummate
- Сообщения: 6
- Зарегистрирован: 01 июл 2015, 13:20
- Страна, Регион, Область: Россия
- Город: Пенза
- Откуда: Пенза
- Благодарил (а): 0
- Поблагодарили: 0
Re: Литье PEEK Полиэфирэфиркетона
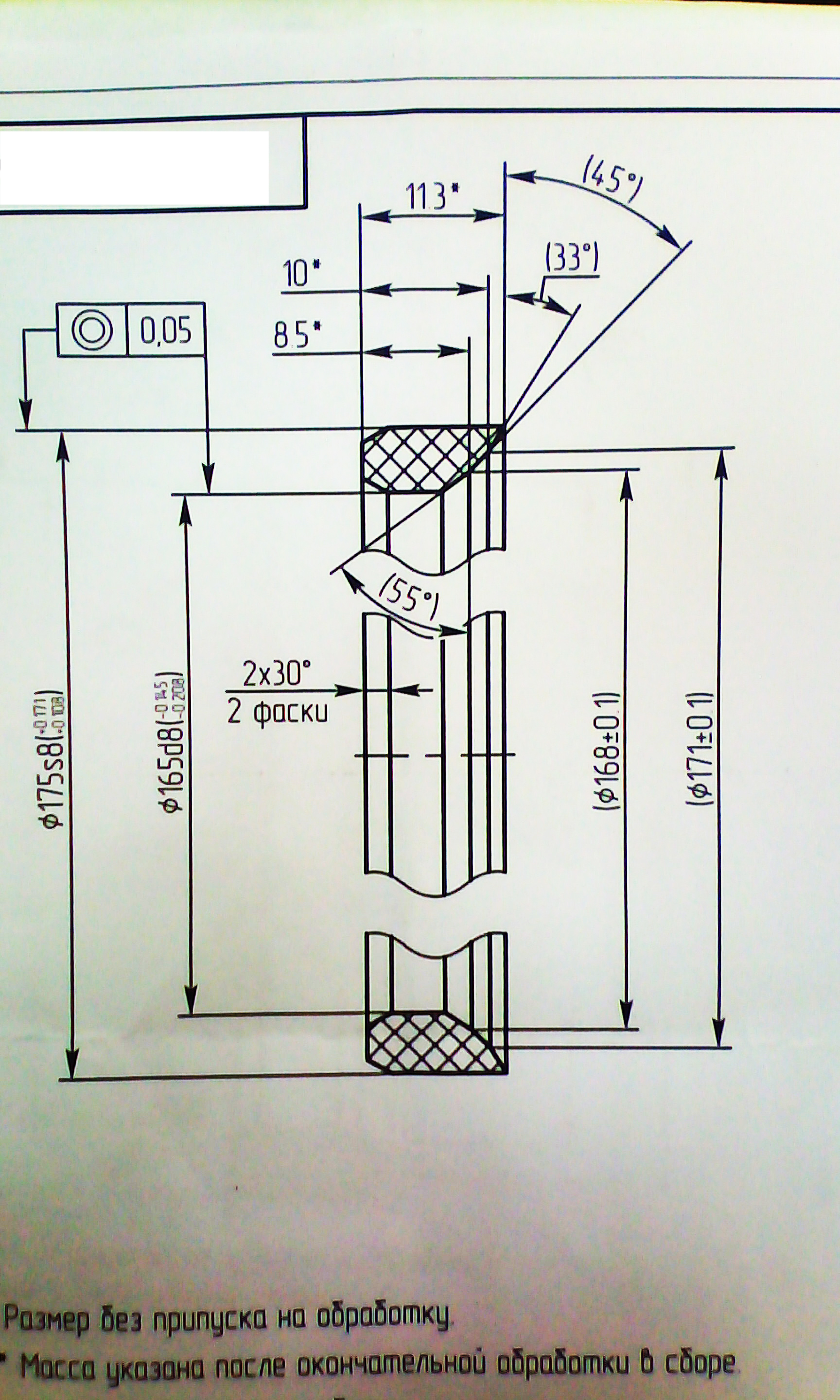
Материал хорошо себя зарекомендовал, план разработки утвержден под внедрение этого материала. Чертеж прилагаю.Sandy писал(а): А чертеж детали у Вас есть?
"Работа в жестких условиях эксплуатации" - это пустые слова, материал по ним не подберешь. Материал РЕЕК просто так не назначается для уплотнений. Ваш заказчик готов пойти на замену материала?
Левая сторона кольца запрессовывается, правая фаска подгоняется токарной обработкой на месте.
-
Hotaka
- Сообщения: 299
- Зарегистрирован: 21 мар 2011, 11:34
- Страна, Регион, Область: РФ,Московская
- Город: Москва
- Благодарил (а): 24 раза
- Поблагодарили: 41 раз
- Контактная информация:
Re: Литье PEEK Полиэфирэфиркетона
смысла вам покупать ТПА нет совсем, найдите грамотных литейшиков неподалеку и закажите пресс-форму,
пусть они вам сделают эти кольца на своих машинах. Даже если вы в будущем планируете расширяться все равно стоит начать с формы - заодно и опыт появится какой никакой.
пусть они вам сделают эти кольца на своих машинах. Даже если вы в будущем планируете расширяться все равно стоит начать с формы - заодно и опыт появится какой никакой.
-
cs-mb
- Сообщения: 2366
- Зарегистрирован: 19 авг 2013, 10:31
- Страна, Регион, Область: MO
- Город: v
- Благодарил (а): 33 раза
- Поблагодарили: 711 раз
Re: Литье PEEK Полиэфирэфиркетона
в таком случае, какой смысл в литье кольца, если в любом случае подразумевается доработка "напильником"?ummate писал(а):[
Материал хорошо себя зарекомендовал, план разработки утвержден под внедрение этого материала. Чертеж прилагаю.
Левая сторона кольца запрессовывается, правая фаска подгоняется токарной обработкой на месте.
проще и дешевле точить, чем лить
-
Alexbux1
- Сообщения: 871
- Зарегистрирован: 04 янв 2011, 23:01
- Страна, Регион, Область: ЦФО
- Город: Тверь
- Откуда: Тверь
- Благодарил (а): 18 раз
- Поблагодарили: 10 раз
Re: Литье PEEK Полиэфирэфиркетона
Разные РЖД и РАО ЕС, прочие производители серьёзного оборудования , вряд ли будут сильно экономить. А вот внести какие либо даже "косметические" изменения, с теми же подрядчиками РЖД , задачка непростая там согласования начнуться, сразу кучу экспертиз назначат. А замена утвержденного материала, просто труба.Sandy писал(а):"Работа в жестких условиях эксплуатации" - это пустые слова, материал по ним не подберешь. Материал РЕЕК просто так не назначается для уплотнений. Ваш заказчик готов пойти на замену материала?
-
Sandy
- Сообщения: 635
- Зарегистрирован: 19 янв 2010, 09:16
- Страна, Регион, Область: Россия
- Город: Саров
- Благодарил (а): 39 раз
- Поблагодарили: 74 раза
Re: Литье PEEK Полиэфирэфиркетона
Роман, вот смотрите что получается:
- опыта в литье у Вас нет.
- лить Вы будете сложную и редко применяемую пластмассу. Когда при литье у Вас возникнут вопросы (а они возникнут), то здесь на форуме вряд-ли помогут - с РЕЕКом мало кто работает.
- деталь у Вас сложная, т.к. придется "ловить" 8 квалитет и соосность в 0,05 мм.
- объемы выпуска маленькие, а денег придется вкладывать много.
Вы отдаете себе отчет в поставленной перед собой задаче?
Какие цели Вы преследуете, задавая вопросы на данном форуме?
- опыта в литье у Вас нет.
- лить Вы будете сложную и редко применяемую пластмассу. Когда при литье у Вас возникнут вопросы (а они возникнут), то здесь на форуме вряд-ли помогут - с РЕЕКом мало кто работает.
- деталь у Вас сложная, т.к. придется "ловить" 8 квалитет и соосность в 0,05 мм.
- объемы выпуска маленькие, а денег придется вкладывать много.
Вы отдаете себе отчет в поставленной перед собой задаче?
Какие цели Вы преследуете, задавая вопросы на данном форуме?
-
DNA_1984
- Сообщения: 51
- Зарегистрирован: 12 мар 2015, 16:11
- Страна, Регион, Область: Россия
- Город: Москва
- Благодарил (а): 0
- Поблагодарили: 1 раз
Re: Литье PEEK Полиэфирэфиркетона
ТПА, что на фото УМРЁТ не начав работать. Температуры не вытянет.
Масляный термостат не даст стабильности температуры. да и греть пресс-форму им будете долго.
На PEEK нужна стабильность.
Бюджет маленький, пресс-форма на PEEK выглядит так: Жаропрочная сталь, азотирование(если наполненный), формообразующие вставки греются не термостатом.... грамотная отсечка горячих формообразующих от блока пресс-формы и рабочих элементов(движущихся) каналами охлаждения, теплоизоляционные плиты(что бы не греть ТПА).
Производителей в России пресс-форм много, но специфику таких пресс-форм (работающих при температурах 200 град. для максимальной кристаллизации PEEK под уплотнение для нефтегаза и атомки) знают 1-2 специалиста.
Если бы обычный был полимер, то стоимость ПФ (условно) 10 руб. то на PEEK она же будет стоить 20 руб.(условно).
Масляный термостат не даст стабильности температуры. да и греть пресс-форму им будете долго.
На PEEK нужна стабильность.
Бюджет маленький, пресс-форма на PEEK выглядит так: Жаропрочная сталь, азотирование(если наполненный), формообразующие вставки греются не термостатом.... грамотная отсечка горячих формообразующих от блока пресс-формы и рабочих элементов(движущихся) каналами охлаждения, теплоизоляционные плиты(что бы не греть ТПА).
Производителей в России пресс-форм много, но специфику таких пресс-форм (работающих при температурах 200 град. для максимальной кристаллизации PEEK под уплотнение для нефтегаза и атомки) знают 1-2 специалиста.
Если бы обычный был полимер, то стоимость ПФ (условно) 10 руб. то на PEEK она же будет стоить 20 руб.(условно).
- Витальевич
- Сообщения: 79
- Зарегистрирован: 13 фев 2012, 21:09
- Страна, Регион, Область: Israel
- Город: כברי
- Откуда: Кемерово
- Благодарил (а): 1 раз
- Поблагодарили: 18 раз
- Контактная информация:
Re: Литье PEEK Полиэфирэфиркетона
Могу добавить, ещё "пять копеек".
Формы для материала PEEK с которыми было счастье поработать изготавливались в европе (Арбург).
Одна форма имела электронагрев, вторая комбинированный (встроенные электронагреватели и контуры для маслянных нагревателей).
Весь проект, включая ТПА, форму и переферию (робот, конвеер и т.д. включая загороженную площадку) спроектирован и введён в действие в Германии, в последствии перевезён в Израиль.
Шнек в ТПА Arburg с покрытием хром-никель. Поскольку требования к деталям были очень высоки при выключении ТПА, нужно разбирать и чистить шнек физически или оставлять машину постоянно включённой со сбросом температур на 180 градусов.
В зоне загрузки рекомендуемая температура от 70 до 100, поэтому нужно ставить туда отдельный контур воды (нагреватель).
Сушка материала при 150 градусах, то-есть оборудование должно иметь запас до 170.
Вообщем, приобретение такого комплета оборудования, должно быть хорошо продумано, чтоб потoм себя окупить.
Формы для материала PEEK с которыми было счастье поработать изготавливались в европе (Арбург).
Одна форма имела электронагрев, вторая комбинированный (встроенные электронагреватели и контуры для маслянных нагревателей).
Весь проект, включая ТПА, форму и переферию (робот, конвеер и т.д. включая загороженную площадку) спроектирован и введён в действие в Германии, в последствии перевезён в Израиль.
Шнек в ТПА Arburg с покрытием хром-никель. Поскольку требования к деталям были очень высоки при выключении ТПА, нужно разбирать и чистить шнек физически или оставлять машину постоянно включённой со сбросом температур на 180 градусов.
В зоне загрузки рекомендуемая температура от 70 до 100, поэтому нужно ставить туда отдельный контур воды (нагреватель).
Сушка материала при 150 градусах, то-есть оборудование должно иметь запас до 170.
Вообщем, приобретение такого комплета оборудования, должно быть хорошо продумано, чтоб потoм себя окупить.
-
VictorQ
- Сообщения: 1
- Зарегистрирован: 27 май 2016, 12:11
- Страна, Регион, Область: Россия
- Город: Петербург
- Благодарил (а): 0
- Поблагодарили: 0
Re: Литье PEEK Полиэфирэфиркетона
Джентельмены, подскажите, пжл, кто в Питере льет PEEK? У Гугля спрашивал, пока ничего.
Кто сейчас на конференции
Сейчас этот форум просматривают: нет зарегистрированных пользователей и 10 гостей