Оформление внутренней резьбы
-
- Сообщения: 4
- Зарегистрирован: 10 фев 2015, 16:40
- Страна, Регион, Область: Россия
- Город: Симферополь
- Благодарил (а): 0
- Поблагодарили: 0
Оформление внутренней резьбы
Добрый день!
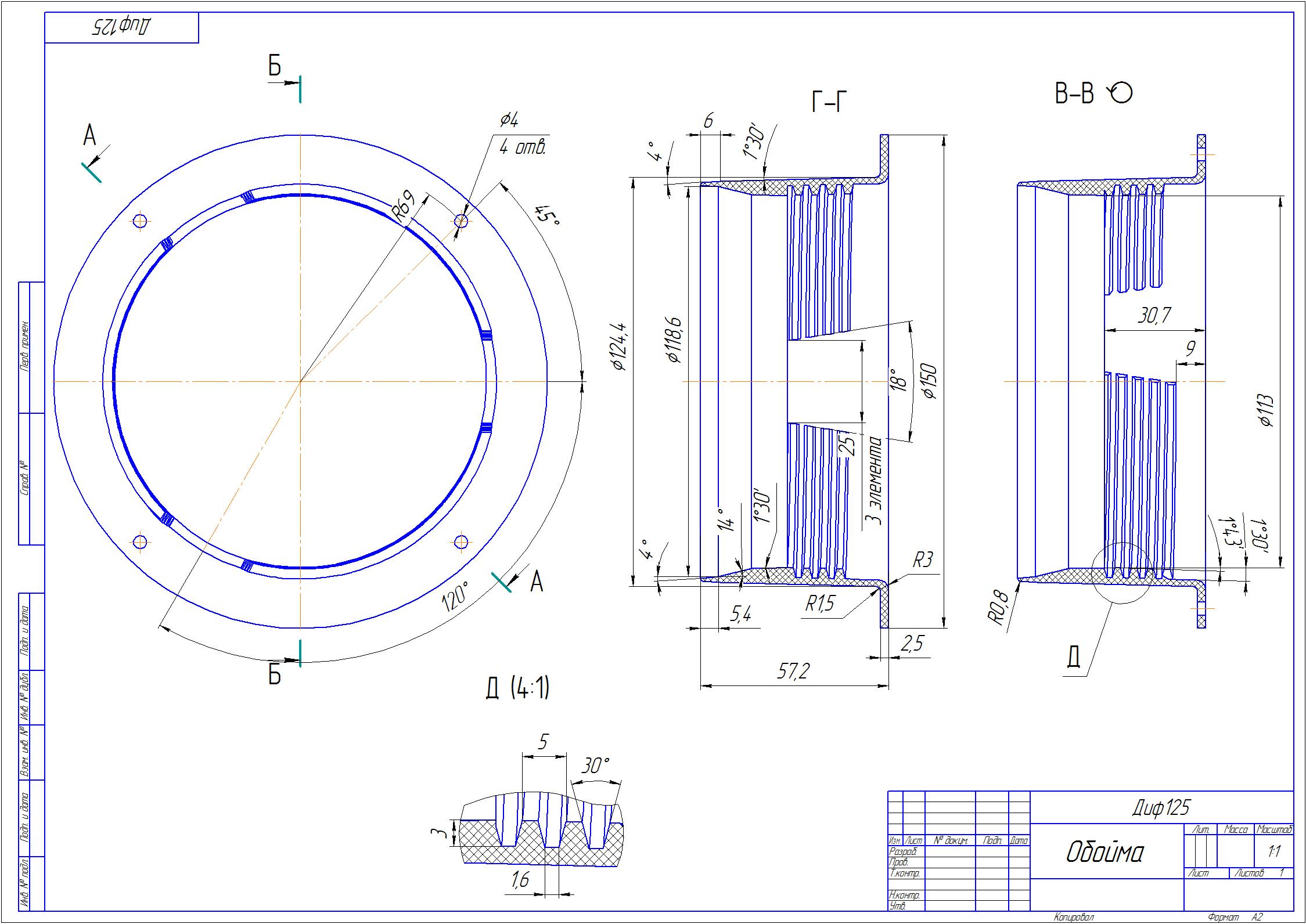
Возник такой вопрос: есть деталь, см. приложение, нужно сконструировать ПФ, вроде все получается но вот уперлись в задачку, внутренняя резьба. Нужно оформить резьбу и еще сьем детали в автомате. Кто нибудь сталкивался с таким? есть какие конструкторские решения?
Буду очень признателен.
Возник такой вопрос: есть деталь, см. приложение, нужно сконструировать ПФ, вроде все получается но вот уперлись в задачку, внутренняя резьба. Нужно оформить резьбу и еще сьем детали в автомате. Кто нибудь сталкивался с таким? есть какие конструкторские решения?
Буду очень признателен.
- kei0112
- Сообщения: 1812
- Зарегистрирован: 25 янв 2012, 15:14
- Страна, Регион, Область: Беларусь
- Город: Минск
- Благодарил (а): 132 раза
- Поблагодарили: 140 раз
Re: Оформление внутренней резьбы
скручивание ( механическое. гидро- или пневмоцилиндром) с последующим сталкиванием. все пробки так делают если не хотят портить резьбу.
в каждом из нас спит гений. и с каждым днем всё крепче.
МИРУ - МИР!
МИРУ - МИР!
-
- Сообщения: 1584
- Зарегистрирован: 01 окт 2013, 15:06
- Страна, Регион, Область: Россия
- Город: Екатеринбург
- Откуда: Yevlax
- Благодарил (а): 414 раз
- Поблагодарили: 386 раз
Re: Оформление внутренней резьбы
Разрыв резьбы при диаметре 114 мм приведет к тому что отверстие будет треугольным. Перепады толщин от 2 мм до 6-7 мм неизбежно приведет к разной усадке, то есть края будут больше а толстая середина провалена.
-
- Сообщения: 4
- Зарегистрирован: 10 фев 2015, 16:40
- Страна, Регион, Область: Россия
- Город: Симферополь
- Благодарил (а): 0
- Поблагодарили: 0
Re: Оформление внутренней резьбы
Вариант скручивания гидро или пневмо цилиндром заметно приведет к удорожанию ПФ. к сожалению не подходит.
-
- Сообщения: 4
- Зарегистрирован: 10 фев 2015, 16:40
- Страна, Регион, Область: Россия
- Город: Симферополь
- Благодарил (а): 0
- Поблагодарили: 0
Re: Оформление внутренней резьбы
Мулланур, по поводу треугольного отверстия, посадка в ответную деталь по резьбе + - трамвайная остановка, да еще к тому же держу в руках такую детальку, особого треугольника не видно.
- kei0112
- Сообщения: 1812
- Зарегистрирован: 25 янв 2012, 15:14
- Страна, Регион, Область: Беларусь
- Город: Минск
- Благодарил (а): 132 раза
- Поблагодарили: 140 раз
Re: Оформление внутренней резьбы
есть еще способ - на срыв - тогда резьбе кердык.alebastr писал(а):Вариант скручивания гидро или пневмо цилиндром заметно приведет к удорожанию ПФ. к сожалению не подходит.
или еще что то знаете - не считая нарезки на втулке.

в каждом из нас спит гений. и с каждым днем всё крепче.
МИРУ - МИР!
МИРУ - МИР!
- kei0112
- Сообщения: 1812
- Зарегистрирован: 25 янв 2012, 15:14
- Страна, Регион, Область: Беларусь
- Город: Минск
- Благодарил (а): 132 раза
- Поблагодарили: 140 раз
Re: Оформление внутренней резьбы
вроде. помню еще клиновая (сегментная) система пуансонов была ( при смыкании- становилась на место, при размыкании - раскладывалась как то - уже сейчас толком и не помню - но "чистая механика").Alexbux1 писал(а):оформление качающимися подпружиненными сегментами с резьбой
в каждом из нас спит гений. и с каждым днем всё крепче.
МИРУ - МИР!
МИРУ - МИР!
-
- Сообщения: 871
- Зарегистрирован: 04 янв 2011, 23:01
- Страна, Регион, Область: ЦФО
- Город: Тверь
- Откуда: Тверь
- Благодарил (а): 18 раз
- Поблагодарили: 10 раз
Re: Оформление внутренней резьбы
Только отпечатки от сегментов на внутренней части остаются .kei0112 писал(а):вроде. помню еще клиновая (сегментная) система пуансонов была ( при смыкании- становилась на место, при размыкании - раскладывалась как то - уже сейчас толком и не помню - но "чистая механика").Alexbux1 писал(а):оформление качающимися подпружиненными сегментами с резьбой
- kei0112
- Сообщения: 1812
- Зарегистрирован: 25 янв 2012, 15:14
- Страна, Регион, Область: Беларусь
- Город: Минск
- Благодарил (а): 132 раза
- Поблагодарили: 140 раз
Re: Оформление внутренней резьбы
ну, тут уж выбирать нужно: или дешевле и проще или качественнее и дороже.Alexbux1 писал(а):Только отпечатки от сегментов на внутренней части остаются .
в каждом из нас спит гений. и с каждым днем всё крепче.
МИРУ - МИР!
МИРУ - МИР!
-
- Сообщения: 871
- Зарегистрирован: 04 янв 2011, 23:01
- Страна, Регион, Область: ЦФО
- Город: Тверь
- Откуда: Тверь
- Благодарил (а): 18 раз
- Поблагодарили: 10 раз
Re: Оформление внутренней резьбы
если внутренняя часть не видовая как правило пофик следы , тем более если нормальная подгонка это действительно следы
-
- Сообщения: 241
- Зарегистрирован: 26 дек 2013, 04:53
- Страна, Регион, Область: Россия
- Город: Тюмень
- Благодарил (а): 0
- Поблагодарили: 16 раз
Re: Оформление внутренней резьбы
Внутренняя резьба с разрывами,
простое свинчивание исключено, достаточно представить конфигурацию сердечника с резьбой, резьба обязана срезаться разрывами.
простое свинчивание исключено, достаточно представить конфигурацию сердечника с резьбой, резьба обязана срезаться разрывами.
- Karakol
- Сообщения: 541
- Зарегистрирован: 01 сен 2011, 19:53
- Страна, Регион, Область: Литва
- Город: Вильнюс
- Благодарил (а): 2 раза
- Поблагодарили: 3 раза
Re: Оформление внутренней резьбы
По идее, только сегментная. При съёме сегменты идут вперёд и к середине, освобождая резьбу. Будут ли детали падать в автомате сказать сложно. Форма довольно сложная и дорогая. Возьмись бы сейчас такую делать, застрял бы на резьбе, она выполняется резьбошлифовкой. На круглой детали, фигня, а вот на отдельных сегментах, это вопрос как выполнить.
-
- Сообщения: 1584
- Зарегистрирован: 01 окт 2013, 15:06
- Страна, Регион, Область: Россия
- Город: Екатеринбург
- Откуда: Yevlax
- Благодарил (а): 414 раз
- Поблагодарили: 386 раз
Re: Оформление внутренней резьбы
Если будет большой зазор между сопрягаемыми деталями. То мы лили крышку к бочке 50 литров с диаметром 100 мм, форма сегментная с двумя участками разрыва резьбы (у Вас три разрыва), литник "морковка" с пружинным пистоном и запитка сбоку, но иногда на автомате не падала. Форма такого типа не будет дешевле чем форма с приводом свинчивания.
- ПластСтер
- Сообщения: 2932
- Зарегистрирован: 29 окт 2009, 13:15
- Страна, Регион, Область: Россия
- Город: Стерлитамак
- Откуда: Как все
- Благодарил (а): 458 раз
- Поблагодарили: 807 раз
- Контактная информация:
Re: Оформление внутренней резьбы
Была подобная форма, сегментная. Сегменты приводились в действие толкателем, закреплённым на подвижной плите. Толкатель был тоже треугольный, с пазами, которые входили в зацепление с сегментами и при раскрытии формы, складывали сегменты внутрь. При закрытие наоборот расклинивали вставки с резьбой. Высота резьбы была 4.5 мм, наружный диаметр 96 мм. Скидывание плитой, работала в автомате. Отпечатки на внутренней стороне оставались, но резьбе не мешали.Alexbux1 писал(а):Только отпечатки от сегментов на внутренней части остаются .kei0112 писал(а):вроде. помню еще клиновая (сегментная) система пуансонов была ( при смыкании- становилась на место, при размыкании - раскладывалась как то - уже сейчас толком и не помню - но "чистая механика").
Звать меня, Сергей
-
- Сообщения: 762
- Зарегистрирован: 18 фев 2008, 11:17
- Страна, Регион, Область: Союз Советских Социалистических Республик
- Город: ***
- Благодарил (а): 4 раза
- Поблагодарили: 114 раз
Re: Оформление внутренней резьбы
Вопрос - а почему не разбить окружность на 6 сегментов по 30° и на 14° из них делать резьбу (1° допуск). Съём - поворотом на 15 градусов и сталкиванием. Если не хватит прочности - добавить витков.
-
- Сообщения: 62
- Зарегистрирован: 11 июл 2014, 11:58
- Страна, Регион, Область: Moldova
- Город: Кишинев
- Благодарил (а): 12 раз
- Поблагодарили: 1 раз
Re: Оформление внутренней резьбы
Работал с похожей ПФ.Там скрутка была механическая.При движении толкателя вперёд прокручивались знаки а плиту съёма тянули штанги прикреплённые к неподвижке. Ход конечно ограничен но работала хорошо. Единственное отличие резьба цельная.
Кто сейчас на конференции
Сейчас этот форум просматривают: нет зарегистрированных пользователей и 3 гостя