Научите работать ;0) куаси 105-32

- "Чудеса" случившиеся с вашими дорогими Куаси, Хмельницкими, Одесскими, Белорусскими, Русскими, Немецкими, Китайскими, Итальянскими и даже Американскими машинами.
- Various cases and problems with your IMM: Kuasy from DDR, Soviet-made machines, German, Chinese, American, Italian, Belarusian made machines.
Сообщение
Автор
furygide
Сообщения: 396
Зарегистрирован: 05 ноя 2009, 19:04
Благодарил (а): 0
Поблагодарили: 0

Re: Научите работать ;0) куаси 105-32

#601 Сообщение furygide » 10 ноя 2014, 22:46

Родная? Или рОдная? Да все из этих же тырнетов. Которые говорят, что у меня ее нет. Это 105-32, 89-90 г.в. (почти то же что и 170-50) А если я рОдную буду сюда выкладывать, то сами пмаете, что кащеество будет ... лутча ни надва, ни на три, а тем боль не на четыре. Вот и мне кажется, что без напряжения 2 и 3 нормально замкнут, а при подаче напряжения 2 и 3 размыкаются, а 1 и 2 замыкаются. 2+3 догадываюсь, отвечают за соединение с терморезистором двигателя, а вот за что 1+2?
Станок нормально работает при разомкнутых контактах как 1-2, так и 2-3. (До поры, до времени... тьфу-тфу.)
Так что вместо нее на двигатель можно поставить просто обыкновенный автомат на это напряжение и нагрузку. А?
А вот как заменить 1+2 можно говорить только после того, как определим за что они отвечают.

furygide
Сообщения: 396
Зарегистрирован: 05 ноя 2009, 19:04
Благодарил (а): 0
Поблагодарили: 0

Re: Научите работать ;0) куаси 105-32

#602 Сообщение furygide » 10 ноя 2014, 23:00

Бегемот писал(а):в нормальном состоянии должна быть замкнута цепь 31-33
у меня 31 контакт (см фото) не задействован совсем, к нему не подходит ни один провод

atm
Сообщения: 241
Зарегистрирован: 26 дек 2013, 04:53
Страна, Регион, Область: Россия
Город: Тюмень
Благодарил (а): 0
Поблагодарили: 16 раз

Re: Научите работать ;0) куаси 105-32

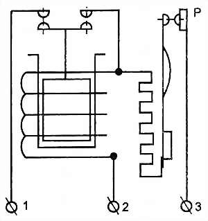
#603 Сообщение atm » 11 ноя 2014, 09:48

Вот примерно так выглядит пускозащитное реле
3 вход питания через биметаллическую пластину
2 выход на рабочую обмотку
3 выход на пусковую обмотку
ris_14.jpg
А в данном случае конструкция похожа, но назначение неизвестно, за исключением защиты от перегрева и исходить нужно из электросхемы, прозвонки контактов, что куда идет, тогда и будет понятна и функциональность и необходимость устройства.

Аватара пользователя
Бегемот
Сообщения: 2815
Зарегистрирован: 03 окт 2009, 13:39
Страна, Регион, Область: Россия
Город: Владимир
Откуда: Из Аршинцево, г. Керчь, Крым-Россия.
Благодарил (а): 53 раза
Поблагодарили: 166 раз
Контактная информация:

Re: Научите работать ;0) куаси 105-32

#604 Сообщение Бегемот » 11 ноя 2014, 12:25

Не путайте народ своей стиральной машиной. Всё известно, это просто контроль температуры обмоток двухскоростного трёхфазного мотора.
Бегемот!!! Ты меня не зли!!! ©Олька

Аватара пользователя
Бегемот
Сообщения: 2815
Зарегистрирован: 03 окт 2009, 13:39
Страна, Регион, Область: Россия
Город: Владимир
Откуда: Из Аршинцево, г. Керчь, Крым-Россия.
Благодарил (а): 53 раза
Поблагодарили: 166 раз
Контактная информация:

Re: Научите работать ;0) куаси 105-32

#605 Сообщение Бегемот » 11 ноя 2014, 12:31

Кстати, ATM, кажется на картинке ошибка, пусковая обмотка не отключается, а подключается в момент пуска.
Бегемот!!! Ты меня не зли!!! ©Олька

croc
Сообщения: 545
Зарегистрирован: 14 апр 2009, 16:52
Откуда: ryazan
Благодарил (а): 7 раз
Поблагодарили: 13 раз

Re: Научите работать ;0) куаси 105-32

#606 Сообщение croc » 11 ноя 2014, 15:53

Привет всем.
Синенькая коробочка, это обычное реле. Под ней конденсатор. Проверь
на нем (конденсаторе) напряжение. Должно быть примерно 24В.
Бегемот как всегда прав. К плате подходят два провода от термосопротивления.
При перегреве двигателя реле размыкает цепь питания реле для двигателя.
Оно отдельно на полу шкафа стоит. Громко щелкает, когда двигатель включаешь.
Теперь про реле. Нажимая на язычок над катушкой (пальцем), контакты
должны переключаться. Возможно отломился толкатель, который ходил в пазике.
Можно заменить на любое реле на 24 вольта с контактами от 5А.
Только обмотка реле должна кушать на более 100мА. А то транзистор
сгорит.

furygide
Сообщения: 396
Зарегистрирован: 05 ноя 2009, 19:04
Благодарил (а): 0
Поблагодарили: 0

Re: Научите работать ;0) куаси 105-32

#607 Сообщение furygide » 19 фев 2015, 09:11

Еще раз день добрый в этой теме!
Кто подскажет почему не загорается светодиод ограждения. В чем может быть неисправность и как её устранить?
Вчера заметил, что заранее срабатывает датчик начала отсчета времени дожатия, чистил контакты плат спиртом. а сегодня вот такая история.

furygide
Сообщения: 396
Зарегистрирован: 05 ноя 2009, 19:04
Благодарил (а): 0
Поблагодарили: 0

Re: Научите работать ;0) куаси 105-32

#608 Сообщение furygide » 19 фев 2015, 15:20

Нет 5 вольт. У кого нить есть схема как запитывается блок питания на 5 вольт? И сам схема блока?

furygide
Сообщения: 396
Зарегистрирован: 05 ноя 2009, 19:04
Благодарил (а): 0
Поблагодарили: 0

Re: Научите работать ;0) куаси 105-32

#609 Сообщение furygide » 20 фев 2015, 12:26

И еще проблема: иногда не допрессовывает чуть ли ни половину изделия. Никакой закономерности не обнаружил. В чем может быть проблема?

furygide
Сообщения: 396
Зарегистрирован: 05 ноя 2009, 19:04
Благодарил (а): 0
Поблагодарили: 0

Re: Научите работать ;0) куаси 105-32

#610 Сообщение furygide » 11 мар 2015, 17:46

Кто может сказать с чего начать поиск неисправности: родной прибор этого станка, контролирующий нагревание цилиндра перестал держать температуру. Довольно медленно снижается, а потом о-о-очень медленно поднимается. Доходило до того, что нижний ряд светодиодов полностью начинал светиться, включая красный. И станок вставал.

evgeniialex
Сообщения: 553
Зарегистрирован: 16 дек 2010, 21:03
Страна, Регион, Область: Россия
Город: Казань
Благодарил (а): 3 раза
Поблагодарили: 3 раза

Re: Научите работать ;0) куаси 105-32

#611 Сообщение evgeniialex » 11 мар 2015, 21:19

По поводу пяти вольт: устав раз в пол года теребонькать этот блок питания, выдрал его и поставил от компьютера, на 250 w, китайский...
По поводу родных приборов температуры, то же самое, устав бороться с их "заскоками" поставил цифровые, не дорогие... Менял соответственно вместе с териопарами... Прошло лет пять, туда я больше не совался...
Они живые. Живые!

evgeniialex
Сообщения: 553
Зарегистрирован: 16 дек 2010, 21:03
Страна, Регион, Область: Россия
Город: Казань
Благодарил (а): 3 раза
Поблагодарили: 3 раза

Re: Научите работать ;0) куаси 105-32

#612 Сообщение evgeniialex » 11 мар 2015, 21:21

furygide писал(а):Кто может сказать с чего начать поиск неисправности: родной прибор этого станка, контролирующий нагревание цилиндра перестал держать температуру. Довольно медленно снижается, а потом о-о-очень медленно поднимается. Доходило до того, что нижний ряд светодиодов полностью начинал светиться, включая красный. И станок вставал.
Нагреватели живые? Все греют?
ТС на месте? Не перебиты провода? Касания разъемов с "землей" нет?
Они живые. Живые!

furygide
Сообщения: 396
Зарегистрирован: 05 ноя 2009, 19:04
Благодарил (а): 0
Поблагодарили: 0

Re: Научите работать ;0) куаси 105-32

#613 Сообщение furygide » 12 мар 2015, 09:32

Вроде нагреватель не работает. Какова мощность нагревателей родных, если заказывать? А какова вероятность, что вышли из строя 2 нагревателя одной зоны одновременно?

furygide
Сообщения: 396
Зарегистрирован: 05 ноя 2009, 19:04
Благодарил (а): 0
Поблагодарили: 0

Re: Научите работать ;0) куаси 105-32

#614 Сообщение furygide » 12 мар 2015, 11:33

Причина - в пускателе. Видимо, контакты обгорели. Перекинул на другие - всё работает. Капитально проверю позже.

evgeniialex
Сообщения: 553
Зарегистрирован: 16 дек 2010, 21:03
Страна, Регион, Область: Россия
Город: Казань
Благодарил (а): 3 раза
Поблагодарили: 3 раза

Re: Научите работать ;0) куаси 105-32

#615 Сообщение evgeniialex » 12 мар 2015, 20:10

furygide писал(а):Причина - в пускателе. Видимо, контакты обгорели. Перекинул на другие - всё работает. Капитально проверю позже.
Да, обгоревшие контакты,это нормально... Ревизируйте все, и прикупайте новые, на запас... Очень удобно с креплением на DIN рейку, но тогда все 4 надо поменять ;-)
Они живые. Живые!

furygide
Сообщения: 396
Зарегистрирован: 05 ноя 2009, 19:04
Благодарил (а): 0
Поблагодарили: 0

Re: Научите работать ;0) куаси 105-32

#616 Сообщение furygide » 13 мар 2015, 21:10

evgeniialex писал(а): поставил от компьютера, на 250 w, китайский...
По поводу родных приборов температуры, то же самое, устав бороться с их "заскоками" поставил цифровые,
Знать бы как их поставить...

evgeniialex
Сообщения: 553
Зарегистрирован: 16 дек 2010, 21:03
Страна, Регион, Область: Россия
Город: Казань
Благодарил (а): 3 раза
Поблагодарили: 3 раза

Re: Научите работать ;0) куаси 105-32

#617 Сообщение evgeniialex » 13 мар 2015, 21:31

furygide писал(а):
evgeniialex писал(а): поставил от компьютера, на 250 w, китайский...
По поводу родных приборов температуры, то же самое, устав бороться с их "заскоками" поставил цифровые,
Знать бы как их поставить...
там же все просто и интуитивно понятно.... спрашиваите где ступор?
Они живые. Живые!

furygide
Сообщения: 396
Зарегистрирован: 05 ноя 2009, 19:04
Благодарил (а): 0
Поблагодарили: 0

Re: Научите работать ;0) куаси 105-32

#618 Сообщение furygide » 14 апр 2015, 13:10

Перестала нагреваться 1 зона. Показывает перегрев, т.е. горит постоянно верхний красный диод. Выяснил, что полетела термопара. Поставил, какая была. Теперь горит нижний красный светодиод, но пускатель, включающий 1 зону не срабатывает. Может кто сказать: в чем причина?
Проблема решена:
На куаси стоят термосопротивления, поэтому прибор не работал правильно от термопары. Сопротивления тсп 100.

furygide
Сообщения: 396
Зарегистрирован: 05 ноя 2009, 19:04
Благодарил (а): 0
Поблагодарили: 0

Re: Научите работать ;0) куаси 105-32

#619 Сообщение furygide » 26 июл 2015, 13:11

Не поделитесь электросхемами на блоки, контролирующие температуру? ursamar RK41. Или может сможете продать такие? А может подскажете как переделать схему на наши термодаты или овены?
Заранее благодарен.

Аватара пользователя
zdoba
Сообщения: 93
Зарегистрирован: 14 июл 2012, 19:46
Страна, Регион, Область: Россия
Город: Кинешма
Откуда: Кинешма
Благодарил (а): 2 раза
Поблагодарили: 13 раз

Re: Научите работать ;0) куаси 105-32

#620 Сообщение zdoba » 26 июл 2015, 18:44

Схему можеш попросить тут: http://radioskot.ru/forum/12-5150-12 (последнее сообщение). Но лучше выбросить его и купить Овен или Термодат в комплекте с термопарами (ХА).

furygide
Сообщения: 396
Зарегистрирован: 05 ноя 2009, 19:04
Благодарил (а): 0
Поблагодарили: 0

Re: Научите работать ;0) куаси 105-32

#621 Сообщение furygide » 05 апр 2016, 19:26

Текущая неисправность!
Отказывается исправно работать выталкиватель. Как в наладке, так и в режимах автомат и полуавтомат. В режиме наладка может несколько раз вытолкнуть возвратиться, а потом в отказ. Лечу пока нажатием кнопки, которая разрешает и запрещает работу выталкивателя. Как нажмешь эту кнопочку, выталкиватель может несколько раз отработать. В режиме полуавтомат ( в режиме автомат не работал долго, больно боязно) выставлял различное количество ходов выталкивателя. Он мог нормально отработать все выставленное количество, а мог не все или вообще не сработать. Что делал: проверил на отказ датчики 23, 24, 26, 27, Вроде нормально реагируют, поменял платы задатчиков (декадников), промыл задатчики спиртом. Датчики хода выталкивателя тоже, вроде, реагируют нормально. Кто сможет помочь?

furygide
Сообщения: 396
Зарегистрирован: 05 ноя 2009, 19:04
Благодарил (а): 0
Поблагодарили: 0

Re: Научите работать ;0) куаси 105-32

#622 Сообщение furygide » 09 апр 2016, 19:15

Решено. Датчик 300 плохо закреплен.

furygide
Сообщения: 396
Зарегистрирован: 05 ноя 2009, 19:04
Благодарил (а): 0
Поблагодарили: 0

Re: Научите работать ;0) куаси 105-32

#623 Сообщение furygide » 13 дек 2016, 19:13

Ещё одна проблема на куаси.
Обычно после выходных масло холодное и для нормальной работы станка нужно его погонять минут 20 - 30. При этом пока масло не разогреется станочек рычит. Особенно это заметно на наборе материала. Разогреется, так и работаем без надрыва перепонок.Но вот сегодня отработал уже смену, а "рычание" не проходит. Без нагрузки особо не заметно. При наборе материала на цифре 7 тоже нормально, а переходишь на 8- начинается рычание , на 9 тем паче. Какие будут советы?

evgeniialex
Сообщения: 553
Зарегистрирован: 16 дек 2010, 21:03
Страна, Регион, Область: Россия
Город: Казань
Благодарил (а): 3 раза
Поблагодарили: 3 раза

Re: Научите работать ;0) куаси 105-32

#624 Сообщение evgeniialex » 16 дек 2016, 09:52

Самое банальное-
Уровень масла
Фильтра
Подсос воздуха
Они живые. Живые!

Мулланур
Сообщения: 1585
Зарегистрирован: 01 окт 2013, 15:06
Страна, Регион, Область: Россия
Город: Екатеринбург
Откуда: Yevlax
Благодарил (а): 415 раз
Поблагодарили: 386 раз

Re: Научите работать ;0) куаси 105-32

#625 Сообщение Мулланур » 17 дек 2016, 23:14

furygide писал(а):Ещё одна проблема на куаси.
Обычно после выходных масло холодное и для нормальной работы станка нужно его погонять минут 20 - 30. При этом пока масло не разогреется станочек рычит. Особенно это заметно на наборе материала. Разогреется, так и работаем без надрыва перепонок.Но вот сегодня отработал уже смену, а "рычание" не проходит. Без нагрузки особо не заметно. При наборе материала на цифре 7 тоже нормально, а переходишь на 8- начинается рычание , на 9 тем паче. Какие будут советы?
До 7 скорости машина работает на У21, а с 8 по 17 скорости включает У22 (большая полость насоса).
Или есть проблемы с цилиндром пластикации (нагреватели, гидромотор).
Или что более вероятнее, умирает большая полость насоса.

ЗЮМ
Эксперт Гидравлик
Сообщения: 5589
Зарегистрирован: 24 окт 2012, 20:41
Страна, Регион, Область: СССР
Город: Деревня Малая Малявня
Откуда: деревня МАЛАЯ МАЛЯВНЯ
Благодарил (а): 603 раза
Поблагодарили: 820 раз

Re: Научите работать ;0) куаси 105-32

#626 Сообщение ЗЮМ » 19 дек 2016, 12:49

Если при запуске тпа в работу на холодном масле машина рычит надо посмотреть на состояние масла, если оно желтое и с воздушными пузырьками а при подключении y22 шум усиливается а при прогреве жидкости масло приобретает нормальный вид и шум затихает, то надо заменить уплотнение на валу насоса.

furygide
Сообщения: 396
Зарегистрирован: 05 ноя 2009, 19:04
Благодарил (а): 0
Поблагодарили: 0

Re: Научите работать ;0) куаси 105-32

#627 Сообщение furygide » 27 дек 2016, 23:38

Благодарю. Что за уплотнение, и где его взять не подскажете?

Ответить

Вернуться в «Термопластавтоматы не могут без ремонта/Injection molding machines need in repair»

Кто сейчас на конференции

Сейчас этот форум просматривают: нет зарегистрированных пользователей и 10 гостей