Нет индикации ~24В на ТПА 3330Ф1

- "Чудеса" случившиеся с вашими дорогими Куаси, Хмельницкими, Одесскими, Белорусскими, Русскими, Немецкими, Китайскими, Итальянскими и даже Американскими машинами.
- Various cases and problems with your IMM: Kuasy from DDR, Soviet-made machines, German, Chinese, American, Italian, Belarusian made machines.
Сообщение
Автор
Аватара пользователя
Олька
Сообщения: 1012
Зарегистрирован: 18 окт 2010, 17:36
Страна, Регион, Область: Россия, Северо-западный регион, Новгородская обл.
Город: Великий Новгород
Откуда: Великий Новгород
Благодарил (а): 32 раза
Поблагодарили: 84 раза

Re: Нет индикации ~24В на ТПА 3330Ф1

#31 Сообщение Олька » 19 сен 2013, 18:06

При работе насоса есть какие нибудь посторонние шумы: треск, стук...
Если я не ошибаюсь то это насосная установка "Маркони" Италия. Может даже и шестеренчатый. Эта машинка случайно не из "Подолья"?
Злая ты, Олечка!

Аватара пользователя
Бегемот
Сообщения: 2815
Зарегистрирован: 03 окт 2009, 13:39
Страна, Регион, Область: Россия
Город: Владимир
Откуда: Из Аршинцево, г. Керчь, Крым-Россия.
Благодарил (а): 53 раза
Поблагодарили: 166 раз
Контактная информация:

Re: Нет индикации ~24В на ТПА 3330Ф1

#32 Сообщение Бегемот » 19 сен 2013, 18:14

Паркер, три в одном, шестеренчатый.
А можно фоту пошире, подключение к баку.
Бегемот!!! Ты меня не зли!!! ©Олька

Аватара пользователя
Олька
Сообщения: 1012
Зарегистрирован: 18 окт 2010, 17:36
Страна, Регион, Область: Россия, Северо-западный регион, Новгородская обл.
Город: Великий Новгород
Откуда: Великий Новгород
Благодарил (а): 32 раза
Поблагодарили: 84 раза

Re: Нет индикации ~24В на ТПА 3330Ф1

#33 Сообщение Олька » 19 сен 2013, 18:22

Да и такой тоже есть!
Злая ты, Олечка!

Аватара пользователя
Vinitus
Сообщения: 35
Зарегистрирован: 04 апр 2013, 21:22
Страна, Регион, Область: Россия, Калужская область,
Город: Обнинск
Благодарил (а): 0
Поблагодарили: 0

Re: Нет индикации ~24В на ТПА 3330Ф1

#34 Сообщение Vinitus » 19 сен 2013, 18:56

Олька писал(а):При работе насоса есть какие нибудь посторонние шумы: треск, стук...
Если я не ошибаюсь то это насосная установка "Маркони" Италия. Может даже и шестеренчатый. Эта машинка случайно не из "Подолья"?
Да, есть стуки иногда. А что это?
По поводу происхождения данного станка (ДЕ 3127) не могу ничего сказать, нужно спросить у руководства.

Аватара пользователя
Vinitus
Сообщения: 35
Зарегистрирован: 04 апр 2013, 21:22
Страна, Регион, Область: Россия, Калужская область,
Город: Обнинск
Благодарил (а): 0
Поблагодарили: 0

Re: Нет индикации ~24В на ТПА 3330Ф1

#35 Сообщение Vinitus » 19 сен 2013, 19:02

Бегемот писал(а):Паркер, три в одном, шестеренчатый.
А можно фоту пошире, подключение к баку.
Сейчас не могу, сняли фильтр. А подключён так же гибким шлангом, который "выходит" из кадра.

Аватара пользователя
Олька
Сообщения: 1012
Зарегистрирован: 18 окт 2010, 17:36
Страна, Регион, Область: Россия, Северо-западный регион, Новгородская обл.
Город: Великий Новгород
Откуда: Великий Новгород
Благодарил (а): 32 раза
Поблагодарили: 84 раза

Re: Нет индикации ~24В на ТПА 3330Ф1

#36 Сообщение Олька » 19 сен 2013, 19:13

Может шестерни постукивают, может подшипники (там наверно что то типа игольчатых стоят). Игорь поправь если не так. Не качественное масло, попадание посторонних частиц!
Злая ты, Олечка!

Аватара пользователя
Бегемот
Сообщения: 2815
Зарегистрирован: 03 окт 2009, 13:39
Страна, Регион, Область: Россия
Город: Владимир
Откуда: Из Аршинцево, г. Керчь, Крым-Россия.
Благодарил (а): 53 раза
Поблагодарили: 166 раз
Контактная информация:

Re: Нет индикации ~24В на ТПА 3330Ф1

#37 Сообщение Бегемот » 19 сен 2013, 21:29

Присмотрелся не с телефона, а может и не паркер, я такое городил, ну точь в точь, но у меня штуцера были на резьбах, а здесь фланцы с болтами. У паркера втулки вместо подшипников были...
Но всё равно это шестерёнчатый насос.
Бегемот!!! Ты меня не зли!!! ©Олька

Аватара пользователя
Бегемот
Сообщения: 2815
Зарегистрирован: 03 окт 2009, 13:39
Страна, Регион, Область: Россия
Город: Владимир
Откуда: Из Аршинцево, г. Керчь, Крым-Россия.
Благодарил (а): 53 раза
Поблагодарили: 166 раз
Контактная информация:

Re: Нет индикации ~24В на ТПА 3330Ф1

#38 Сообщение Бегемот » 19 сен 2013, 21:46

Vinitus писал(а):Клапана не стали трогать, занялись насосом. И вот, что заметили:
1. Насос один, тот, что крайний, к нему подключили шланг и стали сливать масло, чтобы прочистить фильтр. Подозрение пало на него.
2. Масло лилось как-то странно
3. Сняли Фильтр и обнаружили, что крышка на нём слетела
Теперь вопрос, то, как качает насос, с чем это связано? И что это за насос такой? На других "Хмельницких" стандартные.
Раз крышка слетела, то мусора в клапанах будет достаточно, смотреть придётся, и три насосных и один общий.
А это так он качал? Действительно странно. Разбирается он просто, обратите внимание на фигурные прокладки.
Бегемот!!! Ты меня не зли!!! ©Олька

Аватара пользователя
Vinitus
Сообщения: 35
Зарегистрирован: 04 апр 2013, 21:22
Страна, Регион, Область: Россия, Калужская область,
Город: Обнинск
Благодарил (а): 0
Поблагодарили: 0

Re: Нет индикации ~24В на ТПА 3330Ф1

#39 Сообщение Vinitus » 20 сен 2013, 07:58

Бегемот писал(а): А это так он качал? Действительно странно. Разбирается он просто, обратите внимание на фигурные прокладки.
Да, это качал тот, что на фото дальний от двигателя. Разбирать пока не даёт руководство, говорит, что раз тронешь и уплотнения нарушишь. Так ли это?
А если насос подобного типа выходит из строя, то как он будет качать?

Аватара пользователя
Олька
Сообщения: 1012
Зарегистрирован: 18 окт 2010, 17:36
Страна, Регион, Область: Россия, Северо-западный регион, Новгородская обл.
Город: Великий Новгород
Откуда: Великий Новгород
Благодарил (а): 32 раза
Поблагодарили: 84 раза

Re: Нет индикации ~24В на ТПА 3330Ф1

#40 Сообщение Олька » 20 сен 2013, 08:24

Vinitus писал(а):
Бегемот писал(а): А это так он качал? Действительно странно. Разбирается он просто, обратите внимание на фигурные прокладки.
Да, это качал тот, что на фото дальний от двигателя. Разбирать пока не даёт руководство, говорит, что раз тронешь и уплотнения нарушишь. Так ли это?
А если насос подобного типа выходит из строя, то как он будет качать?
Если проблема в насосе, то его нужно разобрать (такие насосы разбираются действительно просто), с прокладками ни чего не должно случится, как правило они остаются целы оставаясь на корпусе насоса. Ну а если прилипла и к корпусу и к крышке то отлепляйте там где легче. Не бойтесь, сейчас в наше время продается все, даже прокладки по вашим размерам! После разборки, визуально посмотрите на наличие выработки, грязи прилипшей к зубьям шестерней, износа подшипников, шестеренок. Смотрите все и что покажется сомнительным, спрашивайте, выкладывайте фото, разберемся!
Злая ты, Олечка!

Аватара пользователя
Vinitus
Сообщения: 35
Зарегистрирован: 04 апр 2013, 21:22
Страна, Регион, Область: Россия, Калужская область,
Город: Обнинск
Благодарил (а): 0
Поблагодарили: 0

Re: Нет индикации ~24В на ТПА 3330Ф1

#41 Сообщение Vinitus » 20 сен 2013, 10:41

Насос идентифицирован:
Это CAPRONI, но ничего по такой модели я не нашёл, а именно:
На первом насосе красуется название CAPRONI
333A50×345H
10/08 Pn200bar
1500min‾1

На втором ― A36×324H
10/08 Pn250bar
n1500min‾1
И на третьем ― A20×242H
10/08 Pn250bar
n1500min‾1
Как его мыть?

Аватара пользователя
Бегемот
Сообщения: 2815
Зарегистрирован: 03 окт 2009, 13:39
Страна, Регион, Область: Россия
Город: Владимир
Откуда: Из Аршинцево, г. Керчь, Крым-Россия.
Благодарил (а): 53 раза
Поблагодарили: 166 раз
Контактная информация:

Re: Нет индикации ~24В на ТПА 3330Ф1

#42 Сообщение Бегемот » 20 сен 2013, 14:43

Там муфты сделаны по человечески? Япеределывал один кривой самоляп, просто криво приварили старую муфту, разбивало подшипник. Покачайте за вал, ато может там ни подшипника ни сальника...
Бегемот!!! Ты меня не зли!!! ©Олька

Аватара пользователя
Vinitus
Сообщения: 35
Зарегистрирован: 04 апр 2013, 21:22
Страна, Регион, Область: Россия, Калужская область,
Город: Обнинск
Благодарил (а): 0
Поблагодарили: 0

Re: Нет индикации ~24В на ТПА 3330Ф1

#43 Сообщение Vinitus » 20 сен 2013, 16:02

ДА, всё нормально. Вал крутится достаточно плотно, нет люфтов и заклинивания. Прикрыв пальцем выход, чувствуется, как насос качает воздух. Так и наоборот всасывает.
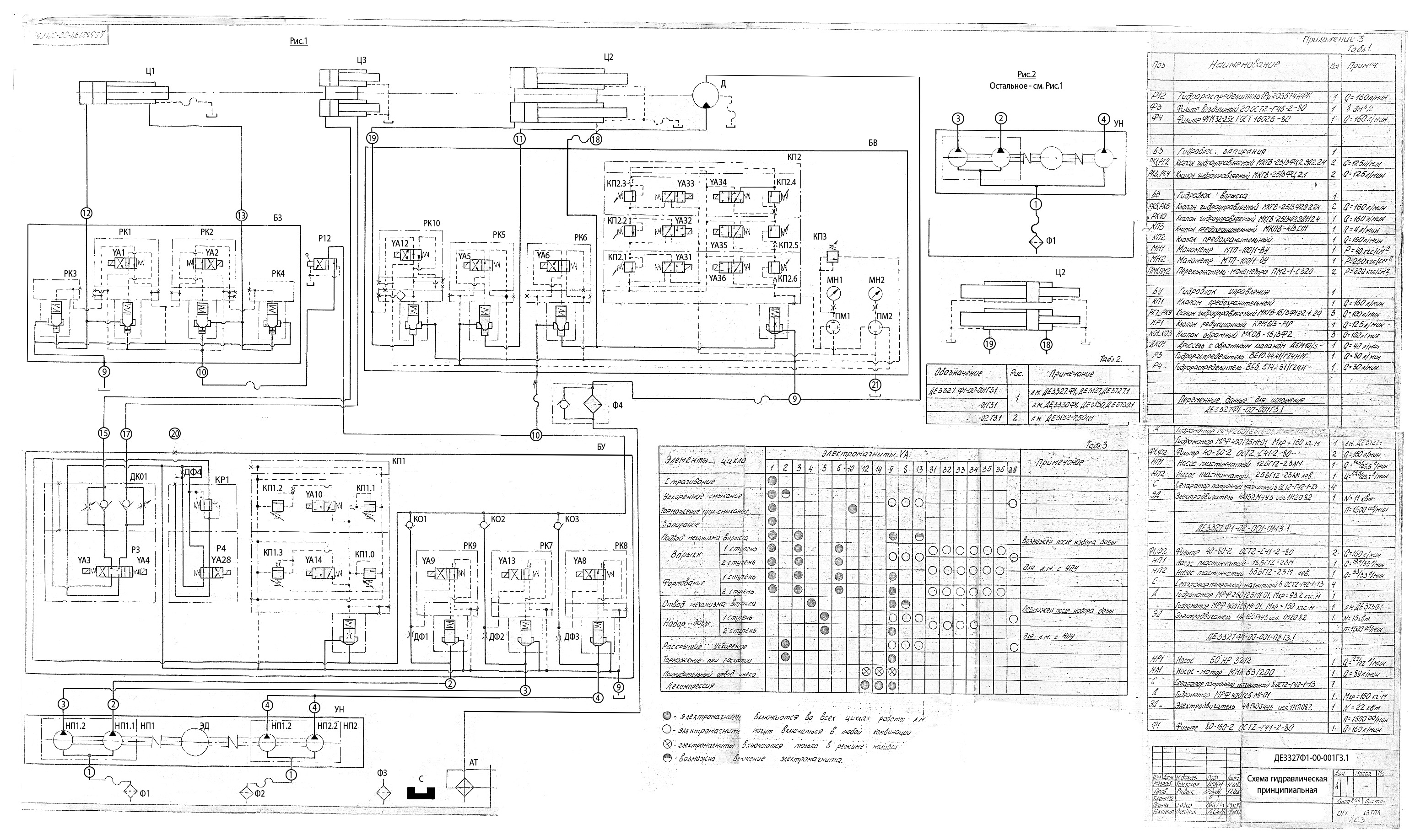
Немного "почистил" схему, которую презентовал Уважаемый БЕГЕМОТ.
Вот, что получилось:
Вложения
ДЕ 3327Ф1 by Vinitus.jpg

Аватара пользователя
ВЕТАЛ
Сообщения: 618
Зарегистрирован: 16 апр 2008, 12:19
Страна, Регион, Область: Рідна ненька Україна
Город: Харків
Благодарил (а): 1 раз
Поблагодарили: 9 раз

Re: Нет индикации ~24В на ТПА 3330Ф1

#44 Сообщение ВЕТАЛ » 20 сен 2013, 16:30

Минуточку! Судя по фотографиям у вас машина не 3330Ф1, а 3132-250Ц1, а гидросхемы у них могут быть разные. Вы уж там определитесь.

Аватара пользователя
Vinitus
Сообщения: 35
Зарегистрирован: 04 апр 2013, 21:22
Страна, Регион, Область: Россия, Калужская область,
Город: Обнинск
Благодарил (а): 0
Поблагодарили: 0

Re: Нет индикации ~24В на ТПА 3330Ф1

#45 Сообщение Vinitus » 20 сен 2013, 17:18

ВЕТАЛ писал(а):Минуточку! Судя по фотографиям у вас машина не 3330Ф1, а 3132-250Ц1, а гидросхемы у них могут быть разные. Вы уж там определитесь.
Да, Вы правы! Это не 3330Ф1, это ДЕ3127 63Ц1. Глянул сегодня на корпусе машины. А 3330 это другие 2. Прошу прощения!

Аватара пользователя
Бегемот
Сообщения: 2815
Зарегистрирован: 03 окт 2009, 13:39
Страна, Регион, Область: Россия
Город: Владимир
Откуда: Из Аршинцево, г. Керчь, Крым-Россия.
Благодарил (а): 53 раза
Поблагодарили: 166 раз
Контактная информация:

Re: Нет индикации ~24В на ТПА 3330Ф1

#46 Сообщение Бегемот » 20 сен 2013, 17:55

Может 3132 ф1? На втором шильдике.
Бегемот!!! Ты меня не зли!!! ©Олька

Аватара пользователя
Vinitus
Сообщения: 35
Зарегистрирован: 04 апр 2013, 21:22
Страна, Регион, Область: Россия, Калужская область,
Город: Обнинск
Благодарил (а): 0
Поблагодарили: 0

Re: Нет индикации ~24В на ТПА 3330Ф1

#47 Сообщение Vinitus » 20 сен 2013, 17:57

Бегемот писал(а):Может 3132 ф1? На втором шильдике.
А он где находится?

Аватара пользователя
Karakol
Сообщения: 541
Зарегистрирован: 01 сен 2011, 19:53
Страна, Регион, Область: Литва
Город: Вильнюс
Благодарил (а): 2 раза
Поблагодарили: 3 раза

Re: Нет индикации ~24В на ТПА 3330Ф1

#48 Сообщение Karakol » 20 сен 2013, 18:07

А по габаритам, все машины одинаковые? Там где 63 самая маленькая, 30- средняя, ну а 32- самая большая. А по насосу, если бы не слышал что один из трех качал, сказал бы что двигатель вращается не вту сторону. А так в принципи Болгарские насосы довольно выносливые, унас на погрузчике уже лет 25 стоит и дает давление. Насколько помню, вращается против часовой стрелки.

Аватара пользователя
Бегемот
Сообщения: 2815
Зарегистрирован: 03 окт 2009, 13:39
Страна, Регион, Область: Россия
Город: Владимир
Откуда: Из Аршинцево, г. Керчь, Крым-Россия.
Благодарил (а): 53 раза
Поблагодарили: 166 раз
Контактная информация:

Re: Нет индикации ~24В на ТПА 3330Ф1

#49 Сообщение Бегемот » 20 сен 2013, 21:03

Vinitus писал(а):
Бегемот писал(а):Может 3132 ф1? На втором шильдике.
А он где находится?
Спереди две таблички, левая ДЕ 3132 ф1, правая ДЕ3127 63Ц1, правая означает или тип гидросхемы, или электрокомпановку... Посмотрел на 250-ке на металлоломе)) На блоке впрыска шесть магнитов давления впрыска. А у вас какой блок впрыска?
Бегемот!!! Ты меня не зли!!! ©Олька

Аватара пользователя
Бегемот
Сообщения: 2815
Зарегистрирован: 03 окт 2009, 13:39
Страна, Регион, Область: Россия
Город: Владимир
Откуда: Из Аршинцево, г. Керчь, Крым-Россия.
Благодарил (а): 53 раза
Поблагодарили: 166 раз
Контактная информация:

Re: Нет индикации ~24В на ТПА 3330Ф1

#50 Сообщение Бегемот » 20 сен 2013, 21:10

ВЕТАЛ писал(а):Минуточку! Судя по фотографиям у вас машина не 3330Ф1, а 3132-250Ц1, а гидросхемы у них могут быть разные. Вы уж там определитесь.
У Ц-ешки на клапанах включения насосов стоят регуляторы давления, на каждый свой, и там же регулятор общего давления и защиты инструмента, правильно? У Ф-ки их уже нет а общее давление, защита и давление декомпрессии вынесены слева.
Фотки общего вида машины нет, наверное оборонка, всё засекречено)
Бегемот!!! Ты меня не зли!!! ©Олька

Аватара пользователя
ВЕТАЛ
Сообщения: 618
Зарегистрирован: 16 апр 2008, 12:19
Страна, Регион, Область: Рідна ненька Україна
Город: Харків
Благодарил (а): 1 раз
Поблагодарили: 9 раз

Re: Нет индикации ~24В на ТПА 3330Ф1

#51 Сообщение ВЕТАЛ » 21 сен 2013, 11:45

3330 - это машины с объемом впрыска 125см3
3132 - объем 250см3.
3127 - 63см3
Я что-то не встречал машин меньше 250-ток с отдельностоящей гидростанцией, а у ТС именно так и обстоят дела.
Да, Бегемот прав, у Ц-ешек ручное управление клапанами, у Ф-ок электрическое, поэтому ранее представленная гидросхема верная, единственное - наименование аппаратов разное, а принцип тот же.

Аватара пользователя
Vinitus
Сообщения: 35
Зарегистрирован: 04 апр 2013, 21:22
Страна, Регион, Область: Россия, Калужская область,
Город: Обнинск
Благодарил (а): 0
Поблагодарили: 0

Re: Нет индикации ~24В на ТПА 3330Ф1

#52 Сообщение Vinitus » 23 сен 2013, 11:29

Нашёл Руководство по эксплуатации станка. Он ДЕ 3132-250Ц1

Насосная установка: ДЕ3132-250Ц1-23М
Гидроблок запирания: ДЕ3127-63Ц1-21А
Гидроблок впрыска: ДЕ3127-63Ц1-22А
Панель манометров: ДЕ3127-63Ц1-24А
Гидроблок управления: ДЕ3130-125Ц1-27В
Размещение электрооборудования на машине: ДЕ3132-250Ц1-951
Электрошкаф силовой: ДЕ3127-63Ц1-954

Скажите пожалуйста, почему такие разные цифры: 3132, 3127, 3130? Это от разных станков?

Аватара пользователя
Бегемот
Сообщения: 2815
Зарегистрирован: 03 окт 2009, 13:39
Страна, Регион, Область: Россия
Город: Владимир
Откуда: Из Аршинцево, г. Керчь, Крым-Россия.
Благодарил (а): 53 раза
Поблагодарили: 166 раз
Контактная информация:

Re: Нет индикации ~24В на ТПА 3330Ф1

#53 Сообщение Бегемот » 23 сен 2013, 12:59

Это по принципу работы наверное. А у вас точно цешка?
Бегемот!!! Ты меня не зли!!! ©Олька

Аватара пользователя
Vinitus
Сообщения: 35
Зарегистрирован: 04 апр 2013, 21:22
Страна, Регион, Область: Россия, Калужская область,
Город: Обнинск
Благодарил (а): 0
Поблагодарили: 0

Re: Нет индикации ~24В на ТПА 3330Ф1

#54 Сообщение Vinitus » 23 сен 2013, 14:02

Бегемот писал(а):Это по принципу работы наверное. А у вас точно цешка?
Не могу сказать точно, потому, как подозреваю, что паспорт не от него. На Корпусе отсутствует шильдик с названием модели, есть только описанный мной тип электрооборудования. Год выпуска 1990. А в паспорте 1988.
На шкафе есть 3 кнопки включения электромагнитов, YA8, YA9, YA13 судя по всему, так как по нажатию они срабатывают.

Аватара пользователя
Бегемот
Сообщения: 2815
Зарегистрирован: 03 окт 2009, 13:39
Страна, Регион, Область: Россия
Город: Владимир
Откуда: Из Аршинцево, г. Керчь, Крым-Россия.
Благодарил (а): 53 раза
Поблагодарили: 166 раз
Контактная информация:

Re: Нет индикации ~24В на ТПА 3330Ф1

#55 Сообщение Бегемот » 23 сен 2013, 15:47

Блин, хочется ругаться матом, ну так опишите словами внешний вид машины, подробно в деталях, раз фото нет.
Бегемот!!! Ты меня не зли!!! ©Олька

Аватара пользователя
Karakol
Сообщения: 541
Зарегистрирован: 01 сен 2011, 19:53
Страна, Регион, Область: Литва
Город: Вильнюс
Благодарил (а): 2 раза
Поблагодарили: 3 раза

Re: Нет индикации ~24В на ТПА 3330Ф1хх

#56 Сообщение Karakol » 23 сен 2013, 16:10

Хотя бы как гидробак выполнен. Под всей
машиной или сбоку?

Аватара пользователя
Vinitus
Сообщения: 35
Зарегистрирован: 04 апр 2013, 21:22
Страна, Регион, Область: Россия, Калужская область,
Город: Обнинск
Благодарил (а): 0
Поблагодарили: 0

Re: Нет индикации ~24В на ТПА 3330Ф1

#57 Сообщение Vinitus » 23 сен 2013, 17:50

Гидробаком является станина, собственно от неё и открутили вход масла на насос и фильтр. Горловина заливки масла находится сбоку, если стоять с левой(по отношению к оператору) стороны станка, слева. Смотровое окно масла будет справа. Шланги от насосов идут сразу на гидроблок управления.

Аватара пользователя
Karakol
Сообщения: 541
Зарегистрирован: 01 сен 2011, 19:53
Страна, Регион, Область: Литва
Город: Вильнюс
Благодарил (а): 2 раза
Поблагодарили: 3 раза

Re: Нет индикации ~24В на ТПА 3330Ф1

#58 Сообщение Karakol » 23 сен 2013, 18:36

По всем коственным уликам- это ДЕ3132, 250 гр. машина. Но на ней, если память не изменяет, есть кран на подаче масла, такой. в виде штурвала. Может он прикрыт и на насос просто не поступает масло?

Аватара пользователя
Vinitus
Сообщения: 35
Зарегистрирован: 04 апр 2013, 21:22
Страна, Регион, Область: Россия, Калужская область,
Город: Обнинск
Благодарил (а): 0
Поблагодарили: 0

Re: Нет индикации ~24В на ТПА 3330Ф1

#59 Сообщение Vinitus » 23 сен 2013, 18:42

Karakol писал(а):По всем коственным уликам- это ДЕ3132, 250 гр. машина. Но на ней, если память не изменяет, есть кран на подаче масла, такой. в виде штурвала. Может он прикрыт и на насос просто не поступает масло?
Я так понимаю, это тот, который возле входа на насос? Если он, то он был закручен, то есть открыт.

Аватара пользователя
Karakol
Сообщения: 541
Зарегистрирован: 01 сен 2011, 19:53
Страна, Регион, Область: Литва
Город: Вильнюс
Благодарил (а): 2 раза
Поблагодарили: 3 раза

Re: Нет индикации ~24В на ТПА 3330Ф1

#60 Сообщение Karakol » 23 сен 2013, 19:33

Vinitus писал(а):Насос идентифицирован:
Это CAPRONI, но ничего по такой модели я не нашёл, а именно:
На первом насосе красуется название CAPRONI
333A50×345H
10/08 Pn200bar
1500min‾1

На втором ― A36×324H
10/08 Pn250bar
n1500min‾1
И на третьем ― A20×242H
10/08 Pn250bar
n1500min‾1
Как его мыть?
Вот еще. Там, в обозначении насоса есть буква "А". По идее, она обозначает что насос работает против часовой стрелки. Хотя для шестеренчатых это не столь актуально, но почему то "А" в названии стоит. А у вас в какую сторону вращается насос?

Ответить

Вернуться в «Термопластавтоматы не могут без ремонта/Injection molding machines need in repair»

Кто сейчас на конференции

Сейчас этот форум просматривают: нет зарегистрированных пользователей и 13 гостей