ТПА ДЕ 3130-125ф1 1984г
-
- Эксперт Гидравлик
- Сообщения: 5584
- Зарегистрирован: 24 окт 2012, 20:41
- Страна, Регион, Область: СССР
- Город: Деревня Малая Малявня
- Откуда: деревня МАЛАЯ МАЛЯВНЯ
- Благодарил (а): 602 раза
- Поблагодарили: 816 раз
Re: ТПА ДЕ 3130-125ф1 1984г
Похожие конструкции.
- Вложения
-
- IMG_4952.jpg (99.03 КБ) 4102 просмотра
-
- img-4kEn4c.png (77.04 КБ) 4109 просмотров
-
- imgs_touch.jpeg (51.66 КБ) 4109 просмотров
-
- Эксперт Гидравлик
- Сообщения: 5584
- Зарегистрирован: 24 окт 2012, 20:41
- Страна, Регион, Область: СССР
- Город: Деревня Малая Малявня
- Откуда: деревня МАЛАЯ МАЛЯВНЯ
- Благодарил (а): 602 раза
- Поблагодарили: 816 раз
Re: ТПА ДЕ 3130-125ф1 1984г
Трехлинейный дроссель. И для чего нужен компенсатор.https://youtu.be/enYi2VW85Uo Полезные ролики для понимания.
-
- Эксперт Гидравлик
- Сообщения: 5584
- Зарегистрирован: 24 окт 2012, 20:41
- Страна, Регион, Область: СССР
- Город: Деревня Малая Малявня
- Откуда: деревня МАЛАЯ МАЛЯВНЯ
- Благодарил (а): 602 раза
- Поблагодарили: 816 раз
Re: ТПА ДЕ 3130-125ф1 1984г
Схема двухлинейного дросселя. Два варианта. Что бы знать глядя на схему с чем имеем дело. Хотя если изображение упрощенное, полагаемся на интуицию. Либо вскрытие и анализ.
- Вложения
-
- max_g360_c12_r4x3_pd20.jpeg (18.71 КБ) 4063 просмотра
-
- max_g360_c12_r3x4_pd20 (1).jpeg (21.49 КБ) 4063 просмотра
-
- 05_21_15_10_36_42_dlr_do.jpg (7.7 КБ) 4070 просмотров
-
- 05_21_15_10_37_02_dlr_posle.jpg (9.26 КБ) 4070 просмотров
Последний раз редактировалось ЗЮМ 16 май 2023, 13:27, всего редактировалось 2 раза.
-
- Эксперт Гидравлик
- Сообщения: 5584
- Зарегистрирован: 24 окт 2012, 20:41
- Страна, Регион, Область: СССР
- Город: Деревня Малая Малявня
- Откуда: деревня МАЛАЯ МАЛЯВНЯ
- Благодарил (а): 602 раза
- Поблагодарили: 816 раз
Re: ТПА ДЕ 3130-125ф1 1984г
Схема трёх линейного дросселя.
- Вложения
-
- max_g360_c12_r3x4_pd20.jpeg (23.19 КБ) 4060 просмотров
-
- 05_21_15_10_37_22_trehLin.jpg (9.59 КБ) 4069 просмотров
-
- Эксперт Гидравлик
- Сообщения: 5584
- Зарегистрирован: 24 окт 2012, 20:41
- Страна, Регион, Область: СССР
- Город: Деревня Малая Малявня
- Откуда: деревня МАЛАЯ МАЛЯВНЯ
- Благодарил (а): 602 раза
- Поблагодарили: 816 раз
Re: ТПА ДЕ 3130-125ф1 1984г
Упрощенное изображение. Двух и трехлинейника. Определяем по количеству рабочих каналов. И вот почему мне не понравилось изображение на схемах ТПА ДЕ рассчитанное на профи с интуицией.
- Вложения
-
- max_g360_c12_r16x9_pd20.jpeg (6.27 КБ) 4056 просмотров
-
- max_g360_c12_r4x3_pd20 (1).jpeg (5.63 КБ) 4056 просмотров
-
- Эксперт Гидравлик
- Сообщения: 5584
- Зарегистрирован: 24 окт 2012, 20:41
- Страна, Регион, Область: СССР
- Город: Деревня Малая Малявня
- Откуда: деревня МАЛАЯ МАЛЯВНЯ
- Благодарил (а): 602 раза
- Поблагодарили: 816 раз
Re: ТПА ДЕ 3130-125ф1 1984г
ДЕшное обозначение. Можно сказать похожее но не совсем. Думаю курс гидравлики kilbil y будет полезен. Что регулятор потока дроссель вещь вроде не сложная но эффективная. И можно уже думать, почему же он не хочет работать. В смысле Дроссель.
- Вложения
-
- IMG_20230419_120854.jpg (42.04 КБ) 4045 просмотров
-
- Сообщения: 199
- Зарегистрирован: 18 ноя 2010, 15:53
- Страна, Регион, Область: Алтайский край
- Город: Барнаул
- Благодарил (а): 32 раза
- Поблагодарили: 19 раз
Re: ТПА ДЕ 3130-125ф1 1984г
Приветствую! Вячеслав шильдиков нет в спецификации все что нашел. РК1 Управление перемещением поршня гидроцилиндра Ц1 и регулирование раб. жидкости на смыкании. РК11 Слив из поршневой гидроцилиндра Ц1 с регулировкой при размыкании. Зачем регулировка, если можно скорость в ящике выставить.ЗЮМ писал(а): ↑15 май 2023, 17:17Добрый день. кilbil мы требуем продолжения банкета. Просьба посмотреть шильдики на РК11. Попробуем поискать реальную картинку устройства и схему на этот встроенный дроссель. Если шильдик сорван, можно на других дросселях посмотреть. РК1, РК5, РК6. Шильдики. Выписать на бумаге. Разместил коталог этой аппаратуры. Не так все сложно как кажется. Шильдики помогут. Что РК11 дроссель или клапан с ограничением хода есть сомнения.
-
- Эксперт Гидравлик
- Сообщения: 5584
- Зарегистрирован: 24 окт 2012, 20:41
- Страна, Регион, Область: СССР
- Город: Деревня Малая Малявня
- Откуда: деревня МАЛАЯ МАЛЯВНЯ
- Благодарил (а): 602 раза
- Поблагодарили: 816 раз
Re: ТПА ДЕ 3130-125ф1 1984г
Ха, ну деятели. ( Рапределитель дроссельный 160 литров) Дурь какая. Должна быть маркировочка. Вот потребуется купить и че? А на впрысковом и обороты шнека тоже нет шильдиков????Спасибо. Зачем нужна? Регулировка нужна для подстройки желаемой скорости движения плиты. Так у тебя с ящика семь скоростей а дроссель дополнительно между ними даёт безтупенчатое регулирование скорости. Например не нравится тебе ни одна из семи скоростей, можешь подкоректировать дросселем убавить или прибавить. Я думаю так. Но не допускать перебора с сопротивлением проходу масла. Будет греться масло.
-
- Эксперт Гидравлик
- Сообщения: 5584
- Зарегистрирован: 24 окт 2012, 20:41
- Страна, Регион, Область: СССР
- Город: Деревня Малая Малявня
- Откуда: деревня МАЛАЯ МАЛЯВНЯ
- Благодарил (а): 602 раза
- Поблагодарили: 816 раз
Re: ТПА ДЕ 3130-125ф1 1984г
Вот смотрим пример схемы со спецификацией. Прописано имя фамилия и отчество аппаратуры. Образно говоря.
- Вложения
-
- ДЕ 3327Ф1-gidro (1).jpg (153.97 КБ) 3983 просмотра
-
- Эксперт Гидравлик
- Сообщения: 5584
- Зарегистрирован: 24 окт 2012, 20:41
- Страна, Регион, Область: СССР
- Город: Деревня Малая Малявня
- Откуда: деревня МАЛАЯ МАЛЯВНЯ
- Благодарил (а): 602 раза
- Поблагодарили: 816 раз
Re: ТПА ДЕ 3130-125ф1 1984г
Это конечно другая ТПА. И тут все РК использованы клапана МКГВ. Без встроенных регуляторов потока дросселей. Они вообще такой функцией не обладают. Только ограничение хода запорного поршня. И выполняют функцию гидрозамков. По команде э/м распределителей. Открыт закрыт.
-
- Эксперт Гидравлик
- Сообщения: 5584
- Зарегистрирован: 24 окт 2012, 20:41
- Страна, Регион, Область: СССР
- Город: Деревня Малая Малявня
- Откуда: деревня МАЛАЯ МАЛЯВНЯ
- Благодарил (а): 602 раза
- Поблагодарили: 816 раз
Re: ТПА ДЕ 3130-125ф1 1984г
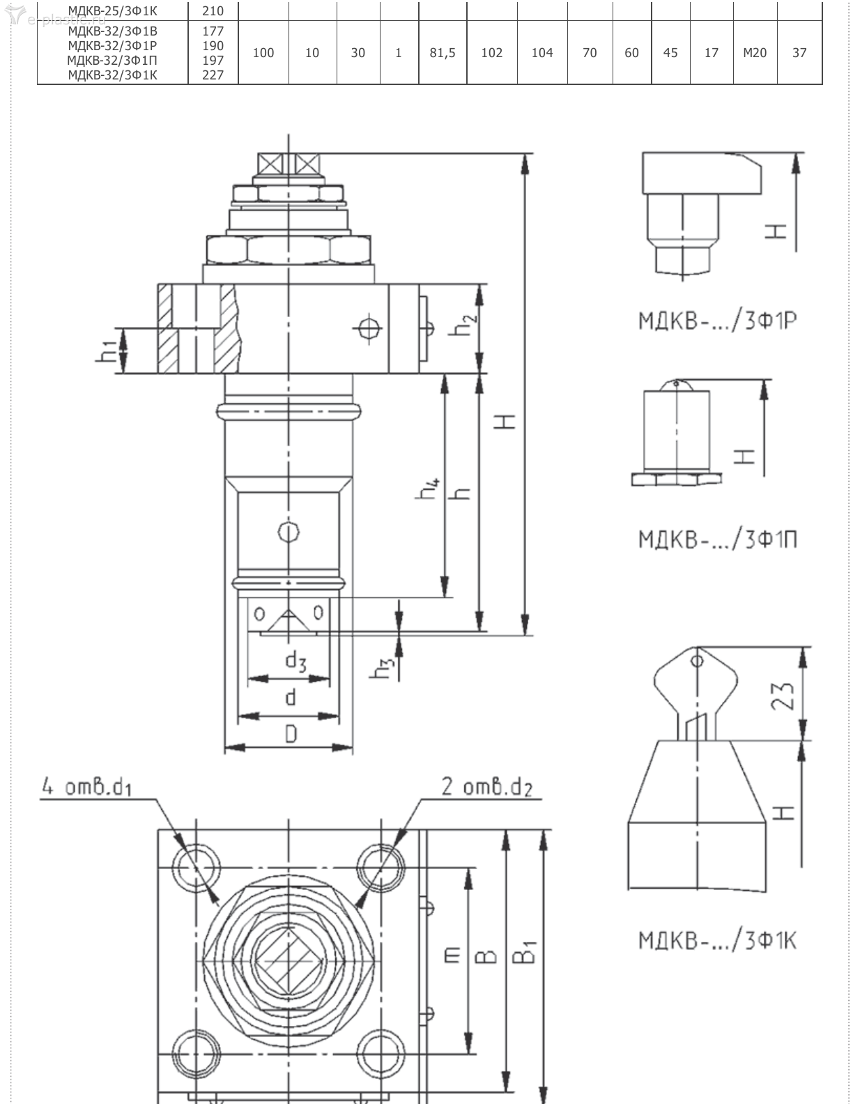
Думаю дело было так. Твоя машина 84 года. Я начал работать с ТПА в 1986м. И на тот момент на заводе были древние Хмельницкий ТПА. И спустя несколько лет завод купил сразу 10 шт. ДЕ шек на которых не было регулируемых дросселей. Значит завод изготовитель модернизировал в корне систему. И на этой схеме уже другое поколение машин. И ещё. В твоей спецификации условный проход 20мм. А последних разработок этих клапанов линейка такая: ду16;25;32... Теперь попытаюсь сочинить маркировку нашего подозреваемого: МД(К)В-25/3 ф 1(2) Р УХЛ4. Значение букв и цыфр смотрим по расшифровке. Остаётся сравнить с оригиналом.
-
- Эксперт Гидравлик
- Сообщения: 5584
- Зарегистрирован: 24 окт 2012, 20:41
- Страна, Регион, Область: СССР
- Город: Деревня Малая Малявня
- Откуда: деревня МАЛАЯ МАЛЯВНЯ
- Благодарил (а): 602 раза
- Поблагодарили: 816 раз
Re: ТПА ДЕ 3130-125ф1 1984г
Думаю на этом тайм аут. И самое странное: ДЕ шек в России мульен работает. И никто ни в зуб ногой. В смысле подсказать. Хотя таких машин и осталось может быть только в Барнауле 84г. 39 лет. Знатоки на пенсии. А молодежь не застала эти штуки. Остаётся лететь в Барнаул.
Выше я написал, купили 10 машин и регуляторов не было. Сомнеееваюсь. Схемы цветные с них вроде рисовал. А на схеме они есть. Давно это было.

-
- Эксперт Гидравлик
- Сообщения: 5584
- Зарегистрирован: 24 окт 2012, 20:41
- Страна, Регион, Область: СССР
- Город: Деревня Малая Малявня
- Откуда: деревня МАЛАЯ МАЛЯВНЯ
- Благодарил (а): 602 раза
- Поблагодарили: 816 раз
Re: ТПА ДЕ 3130-125ф1 1984г
injection-molding-machines-need-in-repa ... ml#p120335
Вернёмся к этому посту. При полной раскрутке РК11, наоборот будет максимальная скорость. При закручивания меньше скорость. Почему так решил. Почитал другие темы. Даю ссылку. Не думаю что Игорь ошибся. И схемы ДЕ 3330 и ДЕ 3327 одинаковы.kilbil писал(а): ↑02 май 2023, 17:48Вячеслав, машина Де 3330 Гидроблок запирания. При раскручивании РК 11(скорость раскрытия формы) не меняется скорость? При полной раскрутке плита вообще не должна двигаться. ставлю флажок БВК на половину раскрытие формы все равно полное раскрывание скорость большая и по инерции проскакивает. хода вперед не будет пока не поставлю БВК на крайнее левое положение.
- Вложения
-
- де-3330ф1.jpg (139.91 КБ) 3912 просмотров
-
- IMG_20230503_110708.jpg (118.72 КБ) 3912 просмотров
-
- Эксперт Гидравлик
- Сообщения: 5584
- Зарегистрирован: 24 окт 2012, 20:41
- Страна, Регион, Область: СССР
- Город: Деревня Малая Малявня
- Откуда: деревня МАЛАЯ МАЛЯВНЯ
- Благодарил (а): 602 раза
- Поблагодарили: 816 раз
Re: ТПА ДЕ 3130-125ф1 1984г
И мысль опять раздваивается. Допускают что установлены МГКВ- клапан гидро управляемый. Который может быть дросселем. Внимательно читаем описание. И можно составить маркировку. Хотя навряд ли. Много вводных. Спецификацию ищем, шильдик ищем. Применяем метод тыка. Помощь форума. Вот четыре варианта. Разбираем соседний сравниваем. О это хороший вариант. Аккуратно, а то и второй не захочет работать. Можно вообще не трогать. До лучших времён. Все kilbil я выдохся. В Барнаул не полетим. Косить пора.ЗЮМ писал(а): ↑17 май 2023, 19:54Думаю дело было так. Твоя машина 84 года. Я начал работать с ТПА в 1986м. И на тот момент на заводе были древние Хмельницкий ТПА. И спустя несколько лет завод купил сразу 10 шт. ДЕ шек на которых не было регулируемых дросселей. Значит завод изготовитель модернизировал в корне систему. И на этой схеме уже другое поколение машин. И ещё. В твоей спецификации условный проход 20мм. А последних разработок этих клапанов линейка такая: ду16;25;32... Теперь попытаюсь сочинить маркировку нашего подозреваемого: МД(К)В-25/3 ф 1(2) Р УХЛ4. Значение букв и цыфр смотрим по расшифровке. Остаётся сравнить с оригиналом.
-
- Эксперт Гидравлик
- Сообщения: 5584
- Зарегистрирован: 24 окт 2012, 20:41
- Страна, Регион, Область: СССР
- Город: Деревня Малая Малявня
- Откуда: деревня МАЛАЯ МАЛЯВНЯ
- Благодарил (а): 602 раза
- Поблагодарили: 816 раз
Re: ТПА ДЕ 3130-125ф1 1984г
Пример расшифровки условного обозначения - кода. Взял из спецификации другой ДЕ. Так как нужная отсутствует.
РК1,РК2. МКГВ-25/3.Ф.Ц.2.Э.Д.2.24. 25-условный проход мм. 3- Давление до 32 МПа. Ф - вставного монтажа. Ц - с дросселирующей цапфой. 2 - соотношение разности площадей запорного элемента 1,6:1. Э - электро гидро управляемый э/г распределителем. Д - дополнительная линия управления. 2 - Давление открытия 0,15 МПа. 24 - напряжение v. Прописали не полностью. Полное(МКГВ-25/3ФЦ2ЭД2Г24УХЛ4) Г - постоянный ток.
Далее: РК3, РК4. Стоят на месте РК11, РК12. МКГВ - 25/3фц2.1. Дистанционно управляемый. Расшифровка аналогично. Последняя 1- давление открытия. Ц-Дросселирующая цапфа это просто демпфер-жиклер ?. Клапана, Просто гидрозамки. Без регулирования скорости на блоке смыкания. Такое исполнение.
РК1,РК2. МКГВ-25/3.Ф.Ц.2.Э.Д.2.24. 25-условный проход мм. 3- Давление до 32 МПа. Ф - вставного монтажа. Ц - с дросселирующей цапфой. 2 - соотношение разности площадей запорного элемента 1,6:1. Э - электро гидро управляемый э/г распределителем. Д - дополнительная линия управления. 2 - Давление открытия 0,15 МПа. 24 - напряжение v. Прописали не полностью. Полное(МКГВ-25/3ФЦ2ЭД2Г24УХЛ4) Г - постоянный ток.
Далее: РК3, РК4. Стоят на месте РК11, РК12. МКГВ - 25/3фц2.1. Дистанционно управляемый. Расшифровка аналогично. Последняя 1- давление открытия. Ц-Дросселирующая цапфа это просто демпфер-жиклер ?. Клапана, Просто гидрозамки. Без регулирования скорости на блоке смыкания. Такое исполнение.
-
- Эксперт Гидравлик
- Сообщения: 5584
- Зарегистрирован: 24 окт 2012, 20:41
- Страна, Регион, Область: СССР
- Город: Деревня Малая Малявня
- Откуда: деревня МАЛАЯ МАЛЯВНЯ
- Благодарил (а): 602 раза
- Поблагодарили: 816 раз
Re: ТПА ДЕ 3130-125ф1 1984г
Один вопрос тащит за собой другие. Термин дросселирующая цапфа сбил с толку. По логике Это не демпфер и не жиклер. Это морда у затвора такая с дросселирующими треугольными вырезами, могут быть другой формы. Позволяют избежать гидроудара и с применением ограничителя хода могут являться дросселем регулятором потока.
-
- Эксперт Гидравлик
- Сообщения: 5584
- Зарегистрирован: 24 окт 2012, 20:41
- Страна, Регион, Область: СССР
- Город: Деревня Малая Малявня
- Откуда: деревня МАЛАЯ МАЛЯВНЯ
- Благодарил (а): 602 раза
- Поблагодарили: 816 раз
Re: ТПА ДЕ 3130-125ф1 1984г
Просмотрев массу учебников ни где не встретил термина ЦАПФА. Термин из механики.
-
- Эксперт Гидравлик
- Сообщения: 5584
- Зарегистрирован: 24 окт 2012, 20:41
- Страна, Регион, Область: СССР
- Город: Деревня Малая Малявня
- Откуда: деревня МАЛАЯ МАЛЯВНЯ
- Благодарил (а): 602 раза
- Поблагодарили: 816 раз
Re: ТПА ДЕ 3130-125ф1 1984г
Цапфа — в переводе с немецкого (zapfen) — стержень, шип, втулка. В автомобильном производстве цапфы широко используются. Цапфой, как правило, называется опорная часть вала или оси. В зависимости от расположения цапфа может называться по-разному, к примеру, если она расположена посередине оси, ее называют «шейкой», если на конце – это уже «шип».
Кто сейчас на конференции
Сейчас этот форум просматривают: нет зарегистрированных пользователей и 18 гостей