С чего начинаем не имея ни чего. Выгребаем всю информацию, фото, схемы из разных тем по ДЕ-шкам. Копируем. Выясняем точно что за машина. Ответ на вопрос в двух словах: Опираясь на циклограмму, делаем вывод. Торможение вперед идет за счет защиты инструмента и сниженного давления в системе. Торможение назад идет по насосу малой производительности. Дросселей регуляторов потока регулировки скоростей смыкания размыкания нет. Почему визуально не видно? Значит движение идет при участии малого насоса. Без участия насосов большего литража. Сигналы сказали что в норме.? Торможение назад. Насос НП 1.1- 17л/мин. Электромагнит У9. Думаю что на нем и идет движение на раскрытие от начала до конца. У9 +У2. А У8-У13 не задействованы. Поэтому и не видно разницы.ЗЮМ писал(а): ↑19 апр 2023, 08:49
Перечитал Тему охватывающую по времени 4 года. Хорошая. Грамотная, Понятная. Освежает память. Если ответить на вопрос kilbil, то конечно торможение должно быть заметно. Если нет. Значит не исправен участок системы за это отвечающий. Герои темы: Ветал, Бегемот, Каракол, Тупой, Слесарь. Вы вообще где? Хотелось бы с удовольствием вас увидеть ТУТ.
ТПА ДЕ 3130-125ф1 1984г
-
- Эксперт Гидравлик
- Сообщения: 5584
- Зарегистрирован: 24 окт 2012, 20:41
- Страна, Регион, Область: СССР
- Город: Деревня Малая Малявня
- Откуда: деревня МАЛАЯ МАЛЯВНЯ
- Благодарил (а): 602 раза
- Поблагодарили: 816 раз
Re: ТПА ДЕ 38130-125ф1 1984г
-
- Эксперт Гидравлик
- Сообщения: 5584
- Зарегистрирован: 24 окт 2012, 20:41
- Страна, Регион, Область: СССР
- Город: Деревня Малая Малявня
- Откуда: деревня МАЛАЯ МАЛЯВНЯ
- Благодарил (а): 602 раза
- Поблагодарили: 816 раз
Re: ТПА ДЕ 3130-125ф1 1984г
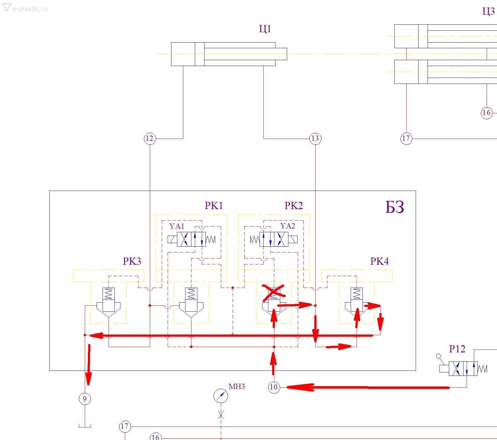
А что это за стрелки регулируемые дросселя РК1,РК4,( интересное обозначение) пока сказать не могу. На заднем блоке кроме жиклеров не видел регулировок. Жиклеры- понятно для мягкой работы поршней двухлинейных распределителей седельного типа.. Файлы редактируемые не мои, из форума под определенное объяснение. На схемах где есть , где нет. РК6,РК7.
-
- Эксперт Гидравлик
- Сообщения: 5584
- Зарегистрирован: 24 окт 2012, 20:41
- Страна, Регион, Область: СССР
- Город: Деревня Малая Малявня
- Откуда: деревня МАЛАЯ МАЛЯВНЯ
- Благодарил (а): 602 раза
- Поблагодарили: 816 раз
Re: ТПА ДЕ 3130-125ф1 1984г
Имею в виду вот эту картинку. В мировых гостах не встречал. Существуют конечно такие способы торможения но там группа жиклеров работает.
-
- Эксперт Гидравлик
- Сообщения: 5584
- Зарегистрирован: 24 окт 2012, 20:41
- Страна, Регион, Область: СССР
- Город: Деревня Малая Малявня
- Откуда: деревня МАЛАЯ МАЛЯВНЯ
- Благодарил (а): 602 раза
- Поблагодарили: 816 раз
Re: ТПА ДЕ 3130-125ф1 1984г
А если уже изображать то выглядит компактно торможение вот так. Но такого в те годы на ДЕ-шках не встречал. Может в последующих моделях? И родилось такое обозначение "засекреченное".
-
- Эксперт Гидравлик
- Сообщения: 5584
- Зарегистрирован: 24 окт 2012, 20:41
- Страна, Регион, Область: СССР
- Город: Деревня Малая Малявня
- Откуда: деревня МАЛАЯ МАЛЯВНЯ
- Благодарил (а): 602 раза
- Поблагодарили: 816 раз
Re: ТПА ДЕ 3130-125ф1 1984г
Блок выглядит так. (Y1 и Y2.) Разные по конструкции. Одинаковые по гидро схеме. Более ранних лет и современный. Видно по внешнему виду.
-
- Сообщения: 199
- Зарегистрирован: 18 ноя 2010, 15:53
- Страна, Регион, Область: Алтайский край
- Город: Барнаул
- Благодарил (а): 32 раза
- Поблагодарили: 19 раз
-
- Эксперт Гидравлик
- Сообщения: 5584
- Зарегистрирован: 24 окт 2012, 20:41
- Страна, Регион, Область: СССР
- Город: Деревня Малая Малявня
- Откуда: деревня МАЛАЯ МАЛЯВНЯ
- Благодарил (а): 602 раза
- Поблагодарили: 816 раз
Re: ТПА ДЕ 3130-125ф1 1984г
Хорошо бы знать какие именно сигналы(электромагниты) включаются по пути назад. У2, У9, и У8+У13. При наезде на БВК 7. Должны остаться У2 и У9.
-
- Сообщения: 199
- Зарегистрирован: 18 ноя 2010, 15:53
- Страна, Регион, Область: Алтайский край
- Город: Барнаул
- Благодарил (а): 32 раза
- Поблагодарили: 19 раз
Re: ТПА ДЕ 3130-125ф1 1984г
Вячеслав, машина Де 3330 Гидроблок запирания. При раскручивании РК 11(скорость раскрытия формы) не меняется скорость? При полной раскрутке плита вообще не должна двигаться. ставлю флажок БВК на половину раскрытие формы все равно полное раскрывание скорость большая и по инерции проскакивает. хода вперед не будет пока не поставлю БВК на крайнее левое положение.
-
- Эксперт Гидравлик
- Сообщения: 5584
- Зарегистрирован: 24 окт 2012, 20:41
- Страна, Регион, Область: СССР
- Город: Деревня Малая Малявня
- Откуда: деревня МАЛАЯ МАЛЯВНЯ
- Благодарил (а): 602 раза
- Поблагодарили: 816 раз
Re: ТПА ДЕ 3130-125ф1 1984г
Я думаю РК11 надо не раскручивать а закручивать. Потом, я спрашивал что включено при движении назад? Номера магнитов, разъёмов подписаны. Индикация есть? При движении с ускоренного хода на замедление должен работать насос с мелким литражом и магнитом у9. Может фишки перепутаны, может электрика чудит, может насос меняли и литраж не тот поставили. Фотки нужны как выглядит рк11 и где стоит. С 17 года не подходил к такой машине. А Бегемота очень не хватает. Остаётся нам с тобой на пару перечитывать эту тему. Все начинается с циклограммы. Всегда.
-
- Эксперт Гидравлик
- Сообщения: 5584
- Зарегистрирован: 24 окт 2012, 20:41
- Страна, Регион, Область: СССР
- Город: Деревня Малая Малявня
- Откуда: деревня МАЛАЯ МАЛЯВНЯ
- Благодарил (а): 602 раза
- Поблагодарили: 816 раз
Re: ТПА ДЕ 3130-125ф1 1984г
РК11 не является фактором торможения в конце хода. Им. Можно регулировать скорость желаемую от начала раскрытия до конца раскрытия. Фактором торможения является включения У2- плита назад. И У9 - малый насос. За счёт этого и медленная скорость движения. Там вроде литров 17 в минуту. 280 грамм в секунду. Это и есть замедление движения по команде на отдельном участке пути. А РК11 отвечает за скорость на всем пути движения от раскрытия до конца назад. И в его задачу тормозить не входит. Также как РК6 задаёт скорость впрыска и РК5 обороты шнека. От начала действия до конца.Теперь смотрим циклограмму. Согласен РК 11 должен реагировать. Значит за ремонтировал кто то. Смотрим на циклограмму, торможение назад. 2-й и9-й. Быстро назад, 2-й, 9-й, 8-й, 13-й. По желанию выбор комбинации.
-
- Эксперт Гидравлик
- Сообщения: 5584
- Зарегистрирован: 24 окт 2012, 20:41
- Страна, Регион, Область: СССР
- Город: Деревня Малая Малявня
- Откуда: деревня МАЛАЯ МАЛЯВНЯ
- Благодарил (а): 602 раза
- Поблагодарили: 816 раз
Re: ТПА ДЕ 3130-125ф1 1984г
Машина не твоя, но все почти такое же. Если только нумерация магнитов чуть другая. Проверь расположение разъёмов на нагрузках насосов. 9,8,13. Ещё раз!!!! РК 11 ни как не подчиняется электрике и не является тормозом на участке пути назад. Он может затормозить только весь путь. И если он в затянутом и распущеном состоянии не реагирует, значит в ремонт. Но это не фактор торможения назад. Как попугай твержу я. А ДЕ шники молчат ну и молчите.
-
- Эксперт Гидравлик
- Сообщения: 5584
- Зарегистрирован: 24 окт 2012, 20:41
- Страна, Регион, Область: СССР
- Город: Деревня Малая Малявня
- Откуда: деревня МАЛАЯ МАЛЯВНЯ
- Благодарил (а): 602 раза
- Поблагодарили: 816 раз
Re: ТПА ДЕ 3130-125ф1 1984г
Могу предположить, что малый насос сдох и фишку поставили на насос другой, большего литража. Надо разъёмы с насосов снять. Фишку 9-ю поставить на малый насос и закрыть и открыть форму. Проверить шильдик на насосе сколько литров в натуре.
-
- Эксперт Гидравлик
- Сообщения: 5584
- Зарегистрирован: 24 окт 2012, 20:41
- Страна, Регион, Область: СССР
- Город: Деревня Малая Малявня
- Откуда: деревня МАЛАЯ МАЛЯВНЯ
- Благодарил (а): 602 раза
- Поблагодарили: 816 раз
Re: ТПА ДЕ 3130-125ф1 1984г
Четвёртый листик схемы. С РК5 и РК6. Редкое изобретение. Не помню как это в натуре реализовано. Можно покрутить, проверить работоспособность этих штуковин. Рассмотреть возможность перестановки на место не работающего.
-
- Эксперт Гидравлик
- Сообщения: 5584
- Зарегистрирован: 24 окт 2012, 20:41
- Страна, Регион, Область: СССР
- Город: Деревня Малая Малявня
- Откуда: деревня МАЛАЯ МАЛЯВНЯ
- Благодарил (а): 602 раза
- Поблагодарили: 816 раз
Re: ТПА ДЕ 3130-125ф1 1984г
Пришёл к выводу РК11 не исправен. При выкручиванни скорость должна замедляться но на всем пути следования подвижной плиты. Остальное выше описанное в силе.kilbil писал(а): ↑02 май 2023, 17:48Вячеслав, машина Де 3330 Гидроблок запирания. При раскручивании РК 11(скорость раскрытия формы) не меняется скорость? При полной раскрутке плита вообще не должна двигаться. ставлю флажок БВК на половину раскрытие формы все равно полное раскрывание скорость большая и по инерции проскакивает. хода вперед не будет пока не поставлю БВК на крайнее левое положение.
-
- Эксперт Гидравлик
- Сообщения: 5584
- Зарегистрирован: 24 окт 2012, 20:41
- Страна, Регион, Область: СССР
- Город: Деревня Малая Малявня
- Откуда: деревня МАЛАЯ МАЛЯВНЯ
- Благодарил (а): 602 раза
- Поблагодарили: 816 раз
Re: ТПА ДЕ 3130-125ф1 1984г
Пришёл к выводу РК11 не исправен. При выкручивании, скорость должна замедляться, но на всем пути следования подвижной плиты. Задаача и назначение РК11 корректировть скорость ускоренного движения так как комбинация насосов у9,у13,у8 предполагает несколько скоростей: 1) у9. 2) у9+у13. 3) у9+у8. 4)у13. 5)у8. 6)у13+у8.7)у9+у13+у8. Насчитал семь скоростей. РК11 безступенчато позволяет подстраивать, изменять скорость при желании и необходимости. В пределах разумного, не верные действия могут вызвать излишний нагрев мсла. Например, выбрали комбинацию три насоса и душим РК11. Но это не торможение по циклограмме. Торможение обеспечивает малый насос! Остальное выше описанное в силе. Я думаю так.
-
- Эксперт Гидравлик
- Сообщения: 5584
- Зарегистрирован: 24 окт 2012, 20:41
- Страна, Регион, Область: СССР
- Город: Деревня Малая Малявня
- Откуда: деревня МАЛАЯ МАЛЯВНЯ
- Благодарил (а): 602 раза
- Поблагодарили: 816 раз
Re: ТПА ДЕ 3130-125ф1 1984г
И все таки, если рассматривать принцип работы РК11. Понятно что это двух линейный распределитель с функцией дросселя. Но изображен он по идиотски. Принцип работы основан на перепадах давления в подпружиненной полости поршня и в полости прихода вытесняемой жидкости из цилиндра раскрытия формы. Закручивая регулятор мы ограничивает поток в линии управления за дросселем и сила вытесняемой жидкости больше силы пружины , поршень поднимается открывая больше проход. Если распускаем регулятор, силы в подпружиненной полости и на входе выравниваются и поршень под действием пружины прикрывается сужая щель прохода вплоть до полного закрытия и плита должна остановиться. То есть баланс сил переменный и может изменять условный проход РК11. Смущает одно,что верх и низ находятся в прямом сливе. Как же возникает переменный перепад давления управляющий движением поршня РК. Думаю ( идиотское изображение) Там ещё жиклеры должны быть, которые не указаны. А то что жиклеры должны быть нет сомнений. Некоторые "спецы" их просто выкидывают, на мой вопрос зачем? Отвечают: А задолбались гранулы выковыривать. Значит в баке грязь, а работать то надо. Как нибудь нарисую развернутую схему работы РК11. Тут все просто. Регулируемый дроссель не рисуется в основном условном проходе , назовём его А. Русуется в линии управления которая идёт в верх в полость пружины. Вытесняемой масло из цилиндра идёт в среднию часть назовём её В. Пружинную полость назовём Х. Так вот на пунктирной линии входящей в подпружиненную полость от распределителя У1. И должен сидеть жиклер 0,8мм. Или под распределителем в канале В. Вполне отказ в работе может быть из за отсутствия жиклера. Потеря перепада давления парализовало управление поршнем РК.
-
- Сообщения: 199
- Зарегистрирован: 18 ноя 2010, 15:53
- Страна, Регион, Область: Алтайский край
- Город: Барнаул
- Благодарил (а): 32 раза
- Поблагодарили: 19 раз
Re: ТПА ДЕ 3130-125ф1 1984г
Приветствую ! Вячеслав я наконец то понял , что Вы писали про магниты про насосы!! Все разобрался и настроил.Оказывается на открытие и закрытие стояли 7и7 и из за этого проскакивало торможение. Поставил 2на открытие и заработало!! И последовательность насосов поменялось. Спасибо за помощь!ЗЮМ писал(а): ↑03 май 2023, 22:55Пришёл к выводу РК11 не исправен. При выкручивании, скорость должна замедляться, но на всем пути следования подвижной плиты. Задаача и назначение РК11 корректировть скорость ускоренного движения так как комбинация насосов у9,у13,у8 предполагает несколько скоростей: 1) у9. 2) у9+у13. 3) у9+у8. 4)у13. 5)у8. 6)у13+у8.7)у9+у13+у8. Насчитал семь скоростей. РК11 безступенчато позволяет подстраивать, изменять скорость при желании и необходимости. В пределах разумного, не верные действия могут вызвать излишний нагрев мсла. Например, выбрали комбинацию три насоса и душим РК11. Но это не торможение по циклограмме. Торможение обеспечивает малый насос! Остальное выше описанное в силе. Я думаю так.
-
- Эксперт Гидравлик
- Сообщения: 5584
- Зарегистрирован: 24 окт 2012, 20:41
- Страна, Регион, Область: СССР
- Город: Деревня Малая Малявня
- Откуда: деревня МАЛАЯ МАЛЯВНЯ
- Благодарил (а): 602 раза
- Поблагодарили: 816 раз
Re: ТПА ДЕ 3130-125ф1 1984г
7и7 это что? Теперь меня учить будешь. Скорости?
Пришли фото РК11. С разных сторон. Убей не помню как выглядит регулировка. И где она сидит?

-
- Сообщения: 199
- Зарегистрирован: 18 ноя 2010, 15:53
- Страна, Регион, Область: Алтайский край
- Город: Барнаул
- Благодарил (а): 32 раза
- Поблагодарили: 19 раз
Re: ТПА ДЕ 3130-125ф1 1984г
Вот Вы и написали предполагает несколько скоростей: 1) у9. 2) у9+у13. 3) у9+у8. 4)у13. 5)у8. 6)у13+у8.7)у9+у13+у8. На 7 у меня вкл. сразу 9, 13, 8. Скорость ужасно большая. Поставил на 2 у9-13. После праздника отфотаю рк11. Спасибо за помощь. Как всегда на высоте.
- Рейтинг: 5%
-
- Сообщения: 199
- Зарегистрирован: 18 ноя 2010, 15:53
- Страна, Регион, Область: Алтайский край
- Город: Барнаул
- Благодарил (а): 32 раза
- Поблагодарили: 19 раз
-
- Эксперт Гидравлик
- Сообщения: 5584
- Зарегистрирован: 24 окт 2012, 20:41
- Страна, Регион, Область: СССР
- Город: Деревня Малая Малявня
- Откуда: деревня МАЛАЯ МАЛЯВНЯ
- Благодарил (а): 602 раза
- Поблагодарили: 816 раз
Re: ТПА ДЕ 3130-125ф1 1984г
Внешне понятно. А что бы понять наверняка принц работы, что от чего зависит, требуется. Разобрать, выяснить назначение каждого канала и отверстия, проанализировать полёт конструкторской мысли и сделать выводы. По вопросу почему нет отклика на регулировку?: Сравнить с соседним по комплектности и правильности расположения деталей. У нас к сожелению нет такой возможности. Можно в разобранном виде сделать фото по порядочку со всеми деталями, если идти до конца вопроса.
-
- Эксперт Гидравлик
- Сообщения: 5584
- Зарегистрирован: 24 окт 2012, 20:41
- Страна, Регион, Область: СССР
- Город: Деревня Малая Малявня
- Откуда: деревня МАЛАЯ МАЛЯВНЯ
- Благодарил (а): 602 раза
- Поблагодарили: 816 раз
Re: ТПА ДЕ 3130-125ф1 1984г
Информация есть в доступе. Предложения о продаже есть. Вопрос решаемый. Гидро управляемый клапан. Я бы назвал: Двух линейный распределитель много функциональный (РК...) МКГВ. Смотрим в паспорте спецификацию, полное обозначение. Потребуется для заказа.
-
- Эксперт Гидравлик
- Сообщения: 5584
- Зарегистрирован: 24 окт 2012, 20:41
- Страна, Регион, Область: СССР
- Город: Деревня Малая Малявня
- Откуда: деревня МАЛАЯ МАЛЯВНЯ
- Благодарил (а): 602 раза
- Поблагодарили: 816 раз
Re: ТПА ДЕ 3130-125ф1 1984г
И Яндекс картинки. И главное, полная маркировка РК11.?
- Вложения
-
- i.jpeg (52.78 КБ) 4533 просмотра
-
- i (1).jpeg (24.97 КБ) 4533 просмотра
-
- i (2).jpeg (52.64 КБ) 4533 просмотра
-
- i (3).jpeg (57.46 КБ) 4533 просмотра
-
- Эксперт Гидравлик
- Сообщения: 5584
- Зарегистрирован: 24 окт 2012, 20:41
- Страна, Регион, Область: СССР
- Город: Деревня Малая Малявня
- Откуда: деревня МАЛАЯ МАЛЯВНЯ
- Благодарил (а): 602 раза
- Поблагодарили: 816 раз
Re: ТПА ДЕ 3130-125ф1 1984г
Добрый день. кilbil мы требуем продолжения банкета. Просьба посмотреть шильдики на РК11. Попробуем поискать реальную картинку устройства и схему на этот встроенный дроссель. Если шильдик сорван, можно на других дросселях посмотреть. РК1, РК5, РК6. Шильдики. Выписать на бумаге. Разместил коталог этой аппаратуры. Не так все сложно как кажется. Шильдики помогут. Что РК11 дроссель или клапан с ограничением хода есть сомнения.
-
- Эксперт Гидравлик
- Сообщения: 5584
- Зарегистрирован: 24 окт 2012, 20:41
- Страна, Регион, Область: СССР
- Город: Деревня Малая Малявня
- Откуда: деревня МАЛАЯ МАЛЯВНЯ
- Благодарил (а): 602 раза
- Поблагодарили: 816 раз
Re: ТПА ДЕ 3130-125ф1 1984г
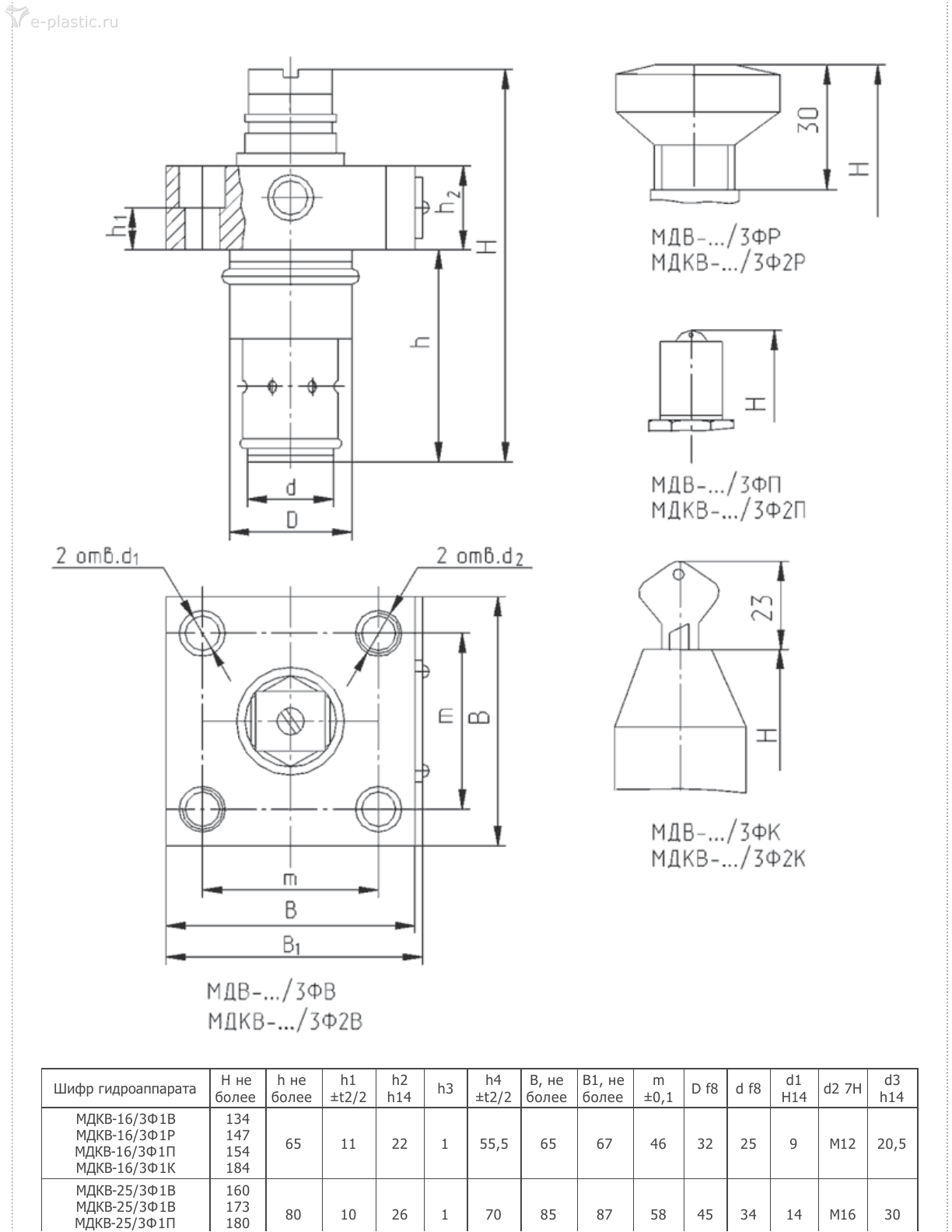
МКГВ посмотрел. Есть функция с ограничением хода запорного элемента. МКПВ- предохранительные кл. МКРВ- редакционные кл. МКОВ- обратные клапана. МДВ-МДКВ похоже и возможно наш РК. И вопрос: А РК1 на движение вперёд реагирует??? РК5,РК6. На впрыск и обороты шнека работают??? Или не пробовал?
-
- Эксперт Гидравлик
- Сообщения: 5584
- Зарегистрирован: 24 окт 2012, 20:41
- Страна, Регион, Область: СССР
- Город: Деревня Малая Малявня
- Откуда: деревня МАЛАЯ МАЛЯВНЯ
- Благодарил (а): 602 раза
- Поблагодарили: 816 раз
Re: ТПА ДЕ 3130-125ф1 1984г
https://td-ksd.promportal.su/goods/9773 ... 5-3fvr-p-kВ итоге: Рк11 с встроенным дросселем не работает. Причины:1) При переборке собран не правильно либо потеряны комплектующие ( например шарик) 2) Самовыверт и улет в магистраль демпфера. 3) Засор демпфера. 4) Разстопорение детали и невозможность перемещения детали отвечающей за дроссельную щель. 5) Поломки пружин. Есть у вас в Барнауле. МДВ-25/3ф...(Уточнить)
- Вложения
-
- i (4).jpeg (16.1 КБ) 4469 просмотров
Кто сейчас на конференции
Сейчас этот форум просматривают: нет зарегистрированных пользователей и 15 гостей