Экструдер отъезжает вовремя загрузки
-
- Эксперт Гидравлик
- Сообщения: 5584
- Зарегистрирован: 24 окт 2012, 20:41
- Страна, Регион, Область: СССР
- Город: Деревня Малая Малявня
- Откуда: деревня МАЛАЯ МАЛЯВНЯ
- Благодарил (а): 602 раза
- Поблагодарили: 816 раз
Re: Экструдер отъезжает вовремя загрузки
Ещё раз, задача распределителя направлять поток масла. Когда сопло прижалось и распределитель отключился, гидрозамок 14-й захлопывается и жидкость сидит в цилиндре как мышь в мышеловке. И удерживает силу прижима сопла два момента. Поршень цилиндра плюс г/замок. В этот момент можно выключить гидравлику а давление в цилиндре останется в идеале на долго.
Последний раз редактировалось ЗЮМ 01 дек 2023, 09:19, всего редактировалось 1 раз.
- Олька
- Сообщения: 1012
- Зарегистрирован: 18 окт 2010, 17:36
- Страна, Регион, Область: Россия, Северо-западный регион, Новгородская обл.
- Город: Великий Новгород
- Откуда: Великий Новгород
- Благодарил (а): 32 раза
- Поблагодарили: 84 раза
Re: Экструдер отъезжает вовремя загрузки
Согласна! Такого быть не должно! Но это Китай!
Мои первый китайцам в феврале 24 будет два года.
Месяц назад одна отказалась работать. Пропало смык/разм п/ф. Лопнула пружинка!!! Написала представителю. Хотя гарантия прошла, они вышлют пружинки в месте со следующими 4мя ТПА.
Вот это сервис. Это пока первая и единственная поломка.
Мои первый китайцам в феврале 24 будет два года.
Месяц назад одна отказалась работать. Пропало смык/разм п/ф. Лопнула пружинка!!! Написала представителю. Хотя гарантия прошла, они вышлют пружинки в месте со следующими 4мя ТПА.
Вот это сервис. Это пока первая и единственная поломка.
- Рейтинг: 5%
Злая ты, Олечка!
-
- Сообщения: 3455
- Зарегистрирован: 02 фев 2020, 10:56
- Страна, Регион, Область: Германия
- Город: NRW
- Благодарил (а): 1219 раз
- Поблагодарили: 1429 раз
Re: Экструдер отъезжает вовремя загрузки
В догонку вопрос. Если насос не справляется с задачей. Результат недостаток жидкости в цилиндре и не достаточное удержание при заданных параметрах.ЗЮМ писал(а): ↑01 дек 2023, 08:59Ещё раз, задача распределителя направлять поток масла. Когда сопло прижалось и распределитель отключился, гидрозамок 14-й захлопывается и жидкость сидит в уилиндре как мышь в мышеловке. И удерживает силу прижима сопла два момента. Поршень цилиндра плюс г/замок. В этот момент можно выключить гидравлику а давление в цилиндре останется в идеале на долго.
Я к чему. Выше я упомянал . Две машины ждут замены насоса . Там на многих узлах недостаток давления, но и агрегаты не держат . Это вообще реально. Или нас обуют ?
Nein zum Krieg.
-
- Эксперт Гидравлик
- Сообщения: 5584
- Зарегистрирован: 24 окт 2012, 20:41
- Страна, Регион, Область: СССР
- Город: Деревня Малая Малявня
- Откуда: деревня МАЛАЯ МАЛЯВНЯ
- Благодарил (а): 602 раза
- Поблагодарили: 816 раз
Re: Экструдер отъезжает вовремя загрузки
Это другая история. Потеря давления : 24 причины. Наверное они выяснили причину. Объёмный КПД насоса это отношение подачи литров в минуту без давления холостой ход к подаче литров в минуту под давлением. Проверяется стендом переносным. Либо манипуляциями на машине, при помощи заглушек и спец рукавов. Для создания давления хватит и одного литра масла если система герметичная а малолитражных насос исправлен. Просто все будет еле ползать, медленно.
- Рейтинг: 5%
-
- Эксперт Гидравлик
- Сообщения: 5584
- Зарегистрирован: 24 окт 2012, 20:41
- Страна, Регион, Область: СССР
- Город: Деревня Малая Малявня
- Откуда: деревня МАЛАЯ МАЛЯВНЯ
- Благодарил (а): 602 раза
- Поблагодарили: 816 раз
Re: Экструдер отъезжает вовремя загрузки
Аналогия со знаками на форме. Эффективно работает гидрозамок к цилиндру знаков, который 100% удерживает знак от отжима давлением пластика, так как распределитель имеет плановую утечку и надеяться на него нельзя. Тоже самое и с прижимом сопла.
-
- Эксперт Гидравлик
- Сообщения: 5584
- Зарегистрирован: 24 окт 2012, 20:41
- Страна, Регион, Область: СССР
- Город: Деревня Малая Малявня
- Откуда: деревня МАЛАЯ МАЛЯВНЯ
- Благодарил (а): 602 раза
- Поблагодарили: 816 раз
Re: Экструдер отъезжает вовремя загрузки

Обуть, это понятие имеет место быть. По ошибке если только. Сознательно не получится, гидравлика не терпит лохотронов и отреагирует. Заставим переделать и штраф, неустойку. А если кто пострадает , последний вагон, Воркута.Артур69 писал(а): ↑01 дек 2023, 09:12В догонку вопрос. Если насос не справляется с задачей. Результат недостаток жидкости в цилиндре и не достаточное удержание при заданных параметрах.ЗЮМ писал(а): ↑01 дек 2023, 08:59Ещё раз, задача распределителя направлять поток масла. Когда сопло прижалось и распределитель отключился, гидрозамок 14-й захлопывается и жидкость сидит в уилиндре как мышь в мышеловке. И удерживает силу прижима сопла два момента. Поршень цилиндра плюс г/замок. В этот момент можно выключить гидравлику а давление в цилиндре останется в идеале на долго.
Я к чему. Выше я упомянал . Две машины ждут замены насоса . Там на многих узлах недостаток давления, но и агрегаты не держат . Это вообще реально. Или нас обуют ?

-
- Эксперт Гидравлик
- Сообщения: 5584
- Зарегистрирован: 24 окт 2012, 20:41
- Страна, Регион, Область: СССР
- Город: Деревня Малая Малявня
- Откуда: деревня МАЛАЯ МАЛЯВНЯ
- Благодарил (а): 602 раза
- Поблагодарили: 816 раз
Re: Экструдер отъезжает вовремя загрузки
Хорошее описание в пользу моих аргументов::::::::Двойной клапан (сдвоенный гидрозамок) состоит из двух обратных клапанов с пилотным управлением. На рисунке 2 показана схема управления гидроцилиндром, порты которого соединены с двойным обратным клапаном с пилотным управлением (сдвоенным гидрозамком). В случае промежуточного останова, двухклапанный гидрозамок блокирует оба порта гидроцилиндра, предотвращая любые утечки. При этом поршень останавливается и не может быть перемещен в любом направлении даже при воздействии внешних сил. Такие гидрозамки рекомендуется соединять с золотниковым клапаном (гидрораспределителем) с открытым центром, чтобы предотвратить возникновение противодавления, обусловленного наличием остаточного масла в линиях, соединяющих гидрозамок и золотниковый клапан. Остаточное давление может привести к ненамеренной подаче давления на гидрозамок и к перемещению штока гидроцилиндра. При использовании золотникового клапана (гидрораспределителя) с закрытым центром можно установить гидрозамок без уплотнительного кольца на пилотном поршне, избежав ненамеренной подачи давления в пилотную линию. Таким образом, давление уравновешивается и не влияет на механизм открытия гидрозамка. Обратите внимание, что при установке гидрозамка без уплотнительного кольца пилотное соотношение несколько снижается(((((((Тут Китайцы уважаемые откровенно косячат. Об управлении гидрозамками. Суют упорно 44 схему. Рекомендуем заменить на распределитель 34 схемы. Надежнее.
-
- Эксперт Гидравлик
- Сообщения: 5584
- Зарегистрирован: 24 окт 2012, 20:41
- Страна, Регион, Область: СССР
- Город: Деревня Малая Малявня
- Откуда: деревня МАЛАЯ МАЛЯВНЯ
- Благодарил (а): 602 раза
- Поблагодарили: 816 раз
Re: Экструдер отъезжает вовремя загрузки
Пилотный поршень в центре. Это к уплотнения которое можно снять. Хотя конструкции разнятся. Не пробовали. Теоретически согласен. Очень важная тема для подъёмных машин.
- Вложения
-
- Dvuhstoronniy_gidrozamok_GZ_06D.jpg (74.82 КБ) 4067 просмотров
-
- Эксперт Гидравлик
- Сообщения: 5584
- Зарегистрирован: 24 окт 2012, 20:41
- Страна, Регион, Область: СССР
- Город: Деревня Малая Малявня
- Откуда: деревня МАЛАЯ МАЛЯВНЯ
- Благодарил (а): 602 раза
- Поблагодарили: 816 раз
Re: Экструдер отъезжает вовремя загрузки
Критика: Сравним Краус Мафей , Манесман Демаг с этим Океаном. Даже на толкатель стоит 44 схема на Океане, что не допустимо. Вот толкач не вернулся, концевик подвел и что, поломка формы. И попросим Артура, кода будет цепляться шланги к знакам сфотать шильдики распределителей и сами замки под ними. Демаг весь увешен замками и прочим. Ну и цена космическая. Так что мало денег имеем что имеем. Китай дешёвый не технологичен.
-
- Эксперт Гидравлик
- Сообщения: 5584
- Зарегистрирован: 24 окт 2012, 20:41
- Страна, Регион, Область: СССР
- Город: Деревня Малая Малявня
- Откуда: деревня МАЛАЯ МАЛЯВНЯ
- Благодарил (а): 602 раза
- Поблагодарили: 816 раз
Re: Экструдер отъезжает вовремя загрузки
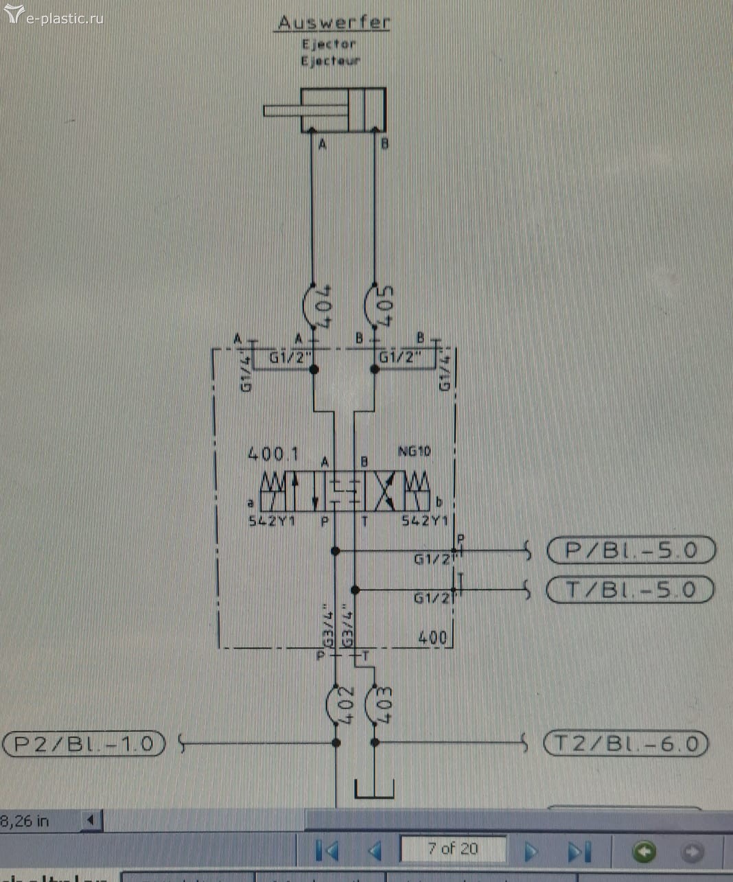
Пропал автор темы. Пользуясь паузой со стороны Барнаула поработаем со схемами. Артур откликнулся и сегодня в ночную смену прислал как выглядит система в Европе. Гарантировано надёжно. И сравним с Китайскими ляпами. Знаки, прижим сопла, толкатель. Везде 34-е схемы с запорной железобетонной аппаратурой и страховкой.
- Рейтинг: 5%
-
- Эксперт Гидравлик
- Сообщения: 5584
- Зарегистрирован: 24 окт 2012, 20:41
- Страна, Регион, Область: СССР
- Город: Деревня Малая Малявня
- Откуда: деревня МАЛАЯ МАЛЯВНЯ
- Благодарил (а): 602 раза
- Поблагодарили: 816 раз
Re: Экструдер отъезжает вовремя загрузки
И уж если сопли текут, и капризный материал, или требуется отвод сопла. Запираемые сопла и ни каких гвоздей. Спасибо Артуру. Обращение к Автору темы: Не пропадайте работаем дальше. Не томите отзывчивых пацанов.
-
- Сообщения: 37
- Зарегистрирован: 04 дек 2018, 12:42
- Страна, Регион, Область: Россия, Алтайский край
- Город: Барнаул
- Благодарил (а): 4 раза
- Поблагодарили: 3 раза
Re: Экструдер отъезжает вовремя загрузки
Добрый день коллеги. Подитоживая все что я видел нужно менять на схему 34? С подключением к существующему не будет проблем? Ситуацию исправили. Заменили кольца резиновые внутри еще раз, все заработало. Ооооооочень странно, в первый раз не помогло и работает на поршеньке с заусенцами........ буду ждать ответа от вас по заказыванию 34 схемы!
- Рейтинг: 5%
-
- Эксперт Гидравлик
- Сообщения: 5584
- Зарегистрирован: 24 окт 2012, 20:41
- Страна, Регион, Область: СССР
- Город: Деревня Малая Малявня
- Откуда: деревня МАЛАЯ МАЛЯВНЯ
- Благодарил (а): 602 раза
- Поблагодарили: 816 раз
Re: Экструдер отъезжает вовремя загрузки
Доброе утро. Схема 34 очень распространенная. Продавцов полно. С доставкой. Погуглите. Озон, Яндекс маркет, Али экспресс. Ближайшие сервисы дорожном строительной и коммунальной техники. Увидите цены и предложения. Выбор есть. А кольца меняли в каком месте внутри.?
-
- Сообщения: 37
- Зарегистрирован: 04 дек 2018, 12:42
- Страна, Регион, Область: Россия, Алтайский край
- Город: Барнаул
- Благодарил (а): 4 раза
- Поблагодарили: 3 раза
Re: Экструдер отъезжает вовремя загрузки
Значит схема 34 подойдет на наше оборудование?
Резиночки заменил вот в этом узле на фото ниже
-
- Эксперт Гидравлик
- Сообщения: 5584
- Зарегистрирован: 24 окт 2012, 20:41
- Страна, Регион, Область: СССР
- Город: Деревня Малая Малявня
- Откуда: деревня МАЛАЯ МАЛЯВНЯ
- Благодарил (а): 602 раза
- Поблагодарили: 816 раз
Re: Экструдер отъезжает вовремя загрузки
Конечно подойдёт. Любого бренда. Мировой стандарт. Уточнять напряжение 24v. Условный проход.
Кто сейчас на конференции
Сейчас этот форум просматривают: нет зарегистрированных пользователей и 7 гостей