Помогите подобрать материал для хитрой детали.
-
belarus_86
- Сообщения: 14
- Зарегистрирован: 19 июн 2022, 17:57
- Страна, Регион, Область: Витебская
- Город: Новополоцк
- Благодарил (а): 3 раза
- Поблагодарили: 1 раз
Помогите подобрать материал для хитрой детали.
Приветствую инженеров, технологов, полимерщиков! Всю жизнь занимался производством ПЭВД 122, 109, 103 и других марок. Но тут жизнь заставила заняться переработкой пластика. Итак исходные данные: китайская экструзионно выдувная машинка фирмы Bestar. Задача - зделать удачную пробную партию маленьких гофрированных переходников или леек. Требования к изделию - устойчиво держать форму в сложенном состоянии и в разложенном состоянии принимать заданную изделию форму. Количество рабочих циклов сжатия-растяжения не больше 50. В самой форме деталь формируется в разложенном состоянии см. 15-20, а в сложенном состоянии около 7-10. Пробовал применять LDPE, HDPE, эластомеры в различных пропорциях. Получилось плоховато: деталь отказывалась принимать сложенное состояние. Сама деталь по мех. свойствам близко напоминает гофрированную трубку от сифона под раковиной. Масса детали 6-8гр. Фото прилагается. Температурный режим применял 170-205. Какие будут соображения или вопросы?
-
KsunReh
- Сообщения: 458
- Зарегистрирован: 14 фев 2014, 21:56
- Страна, Регион, Область: Россия
- Город: Санкт-Петербург
- Благодарил (а): 158 раз
- Поблагодарили: 219 раз
Re: Помогите подобрать материал для хитрой детали.
Опишите по подробнее что значит "отказывалась". Возможно дело не в сырье, а в геометрии детали. Можно часть чертежа, где хорошо виден профиль "гармошки" особенно в местах предполагаемого сгиба?
-
belarus_86
- Сообщения: 14
- Зарегистрирован: 19 июн 2022, 17:57
- Страна, Регион, Область: Витебская
- Город: Новополоцк
- Благодарил (а): 3 раза
- Поблагодарили: 1 раз
Re: Помогите подобрать материал для хитрой детали.
Вот на фото мой лучший экземпляр 90% HDPE + 8%LDPE + 2% эластомера. После выхода из машины (практически уже холодный продукт) прикладывая небольшое усилие Руками, гармошка сжимается на 100%, но стоит положить её на стол - в течение 2 секунд она частично (на 30-50%) тут же выпрямляется, что не допустимо. Тут какая ситуация на фирме: руководитель фирмы не интересовался производством от слова совсем, всё делал технолог-оператор. Заказывал материалы, делал рецептуры и налаживал работу машин. Но по какой-то причине они разругались (то ли на корпоративе подрались, то ли женщину не поделили - не суть дела) и технолог уволился, со всеми последствиями. И во у меня испытательный срок, чтобы всё восстановить. Ни инструкций, ни рабочих журналов и записей нет! С чистого листа по сути приходится начинать. А от выпуска этой лейки зависит работа ещё 2 машин, контракты сорваны... Люди без работы. Вот в такой я попал замес.
Чертежей пока не нашёл. Фото формы для общего вида пока приложу.
Чертежей пока не нашёл. Фото формы для общего вида пока приложу.
-
KsunReh
- Сообщения: 458
- Зарегистрирован: 14 фев 2014, 21:56
- Страна, Регион, Область: Россия
- Город: Санкт-Петербург
- Благодарил (а): 158 раз
- Поблагодарили: 219 раз
Re: Помогите подобрать материал для хитрой детали.
Потрясающе! Когда-то проходил собеседование на вакансию начальник литьевого участка-оператор-слесарь по ремонту текстур
Вы можете постараться разрезать изделие примерно по середине и сфотографировать крупно разрез чтобы попало 2-3 участка этой гармошки?belarus_86 писал(а): 20 июн 2022, 12:10 Чертежей пока не нашёл. Фото формы для общего вида пока приложу.
И еще вопрос - это новый проект, который не успели полностью отработать до конца или же вы уверены, что ранее 100% изготавливались серийные партии изделий и все было ОК?
-
технолог54
- Сообщения: 3740
- Зарегистрирован: 31 янв 2015, 20:16
- Страна, Регион, Область: Россия
- Город: Самара
- Благодарил (а): 282 раза
- Поблагодарили: 723 раза
-
технолог54
- Сообщения: 3740
- Зарегистрирован: 31 янв 2015, 20:16
- Страна, Регион, Область: Россия
- Город: Самара
- Благодарил (а): 282 раза
- Поблагодарили: 723 раза
Re: Помогите подобрать материал для хитрой детали.
Извините сорвалось сообщение, а вы не можете узнать в снабжении, или в бухгалтерии, где и у кого брали сырье ведь это гораздо вам облегчит задачи, если образцы были не опытные.
-
Артур69
- Сообщения: 3457
- Зарегистрирован: 02 фев 2020, 10:56
- Страна, Регион, Область: Германия
- Город: NRW
- Благодарил (а): 1219 раз
- Поблагодарили: 1431 раз
Re: Помогите подобрать материал для хитрой детали.
А там точно полиэтилен? Если наподобие таких шлангов, то они вроде из пвх. По крайней так пишут .
https://cablematic.com/de/products/weis ... -mm-KS206/
https://cablematic.com/de/products/weis ... -mm-KS206/
Nein zum Krieg.
- kei0112
- Сообщения: 1825
- Зарегистрирован: 25 янв 2012, 15:14
- Страна, Регион, Область: Беларусь
- Город: Минск
- Благодарил (а): 133 раза
- Поблагодарили: 143 раза
Re: Помогите подобрать материал для хитрой детали.
делали в свое время флаконы с горлом гармошкой. экструзия с раздувом. лили чистый 276. ну может +10% пвд 158.
после формования сразу же складывали гармонь. место изгиба должно быть без радиуса. оно должно ломаться.
после формования сразу же складывали гармонь. место изгиба должно быть без радиуса. оно должно ломаться.
в каждом из нас спит гений. и с каждым днем всё крепче.
МИРУ - МИР!
МИРУ - МИР!
- Iron Smile
- Сообщения: 957
- Зарегистрирован: 07 окт 2013, 14:54
- Страна, Регион, Область: СЗФО
- Город: Город дождей
- Благодарил (а): 192 раза
- Поблагодарили: 219 раз
Re: Помогите подобрать материал для хитрой детали.
Гофры на канализацию (та что от сифона до самого слива) делаются из полипропилена. Они то как раз, держат форму как в сложенном, так и в растянутом состоянии. Но и то, помнится ребята помучились, прежде чем запустили эти гофры
- За это сообщение автора Iron Smile поблагодарил:
- belarus_86
- Рейтинг: 5%
Кажется, вот оно, счастье!!! Ан нет, опять опыт...
- Тигирь
- Сообщения: 834
- Зарегистрирован: 05 мар 2018, 09:59
- Страна, Регион, Область: Россия
- Город: Геленджик
- Благодарил (а): 116 раз
- Поблагодарили: 354 раза
- Контактная информация:
Re: Помогите подобрать материал для хитрой детали.
Чтобы гофра защёлкивалась, нужно соблюсти три условия - достаточная сферичность/коничность, малая толщина стенки и высокая жёсткость материала. И как правильно заметили выше, минимально возможные радиусы перегиба. По фото сложно судить, но с коничностью вроде все в норме. Если с геометрией всё в порядке, то нужно действительно, подбирать более жёсткий материал. Но советую обратить внимание на толщину
-
belarus_86
- Сообщения: 14
- Зарегистрирован: 19 июн 2022, 17:57
- Страна, Регион, Область: Витебская
- Город: Новополоцк
- Благодарил (а): 3 раза
- Поблагодарили: 1 раз
Re: Помогите подобрать материал для хитрой детали.
Простите что пропал на 5 дней, но на работе была череда катаклизмов: молния-скачек напряжения, накрылся чиллер и дробилка на следующий день.
Как я понял из ваших советов, особое внимание нужно обратить на правильность формы, она же толщина стенки продукта и рецептура сырья. Я тоже возлагал большие надежды на PP, но вчера попробовал эксперимент с РР и эластомером в соотношении начиная от 100-0 и до 80-20. Материал брал что осталось в наследство со склада. Там по 1-2 мешка всякой всячины.
Деталь получилась в меру жесткая, но не ломкая.
Сам функционал агрегата довольно широкий, если честно то он для меня как космолёт какой-то, по сравнению с предыдущими аппаратами. Ну и по классике, язык меню на английском.
С выставлением профиля детали начал Экспериментировать, но не успел...
Прошу прощения за качество фото, не заметил что экран сильно бликует.
Может на форуме есть тема с литературой? Материаловедение какое-нибудь? Дабы восполнить часть пробелов в новой профессии!
И кстати, на 100% РР продукт вышел абсолютно прозрачный, разве он не должен быть белым?
Или в мешке с пропиленом мог оказаться иной материал? В Пн. посмотрю внимательно, может на мешках надписи какие-нибудь найду.
Как я понял из ваших советов, особое внимание нужно обратить на правильность формы, она же толщина стенки продукта и рецептура сырья. Я тоже возлагал большие надежды на PP, но вчера попробовал эксперимент с РР и эластомером в соотношении начиная от 100-0 и до 80-20. Материал брал что осталось в наследство со склада. Там по 1-2 мешка всякой всячины.
Деталь получилась в меру жесткая, но не ломкая.
Сам функционал агрегата довольно широкий, если честно то он для меня как космолёт какой-то, по сравнению с предыдущими аппаратами. Ну и по классике, язык меню на английском.
С выставлением профиля детали начал Экспериментировать, но не успел...
Прошу прощения за качество фото, не заметил что экран сильно бликует.
Может на форуме есть тема с литературой? Материаловедение какое-нибудь? Дабы восполнить часть пробелов в новой профессии!
И кстати, на 100% РР продукт вышел абсолютно прозрачный, разве он не должен быть белым?
Или в мешке с пропиленом мог оказаться иной материал? В Пн. посмотрю внимательно, может на мешках надписи какие-нибудь найду.
-
Constantine
- Сообщения: 58
- Зарегистрирован: 31 мар 2014, 10:56
- Страна, Регион, Область: Московская обл.
- Город: Москва
- Благодарил (а): 98 раз
- Поблагодарили: 24 раза
Re: Помогите подобрать материал для хитрой детали.
белый - блок, гомо и рандом - прозрачные (см. банки с селедкой в супермаркете)belarus_86 писал(а): 25 июн 2022, 17:32 И кстати, на 100% РР продукт вышел абсолютно прозрачный, разве он не должен быть белым?
-
belarus_86
- Сообщения: 14
- Зарегистрирован: 19 июн 2022, 17:57
- Страна, Регион, Область: Витебская
- Город: Новополоцк
- Благодарил (а): 3 раза
- Поблагодарили: 1 раз
Re: Помогите подобрать материал для хитрой детали.
А какую марку PP применяли ваши ребята не вспомните?Iron Smile писал(а): 22 июн 2022, 00:06 Гофры на канализацию (та что от сифона до самого слива) делаются из полипропилена. Они то как раз, держат форму как в сложенном, так и в растянутом состоянии. Но и то, помнится ребята помучились, прежде чем запустили эти гофры
-
belarus_86
- Сообщения: 14
- Зарегистрирован: 19 июн 2022, 17:57
- Страна, Регион, Область: Витебская
- Город: Новополоцк
- Благодарил (а): 3 раза
- Поблагодарили: 1 раз
Re: Помогите подобрать материал для хитрой детали.
Вы имеете ввиду HDPE 276-73 у которого ПТР 0,73 гр/10мин.?kei0112 писал(а): 21 июн 2022, 22:21 лили чистый 276. ну может +10% пвд 158.
после формования сразу же складывали гармонь.
1. При каких температурах выходил у вас расплав?
2. На выходе из пресс-формы заготовка была уже охлаждения? И после этого вы складывали гармонь, какое время выдерживали или сразу в упаковку?
Попрошу побольше подробностей.
-
технолог54
- Сообщения: 3740
- Зарегистрирован: 31 янв 2015, 20:16
- Страна, Регион, Область: Россия
- Город: Самара
- Благодарил (а): 282 раза
- Поблагодарили: 723 раза
Re: Помогите подобрать материал для хитрой детали.
Вообще то насколько помнится у 276 птр всегда был 2-2,3.
- kei0112
- Сообщения: 1825
- Зарегистрирован: 25 янв 2012, 15:14
- Страна, Регион, Область: Беларусь
- Город: Минск
- Благодарил (а): 133 раза
- Поблагодарили: 143 раза
Re: Помогите подобрать материал для хитрой детали.
а почему у вас флажок россейский, если вы себя белорусом позиционируете?belarus_86 писал(а): 13 июл 2022, 14:33Вы имеете ввиду HDPE 276-73 у которого ПТР 0,73 гр/10мин.?kei0112 писал(а): 21 июн 2022, 22:21 лили чистый 276. ну может +10% пвд 158.
после формования сразу же складывали гармонь.
1. При каких температурах выходил у вас расплав?
2. На выходе из пресс-формы заготовка была уже охлаждения? И после этого вы складывали гармонь, какое время выдерживали или сразу в упаковку?
Попрошу побольше подробностей.
в каждом из нас спит гений. и с каждым днем всё крепче.
МИРУ - МИР!
МИРУ - МИР!
- kei0112
- Сообщения: 1825
- Зарегистрирован: 25 янв 2012, 15:14
- Страна, Регион, Область: Беларусь
- Город: Минск
- Благодарил (а): 133 раза
- Поблагодарили: 143 раза
Re: Помогите подобрать материал для хитрой детали.
belarus_86 писал(а): 13 июл 2022, 17:58Нават наведаў што ў асабістым кабінеце можна сцяг выбіраць! Але там няма сапраўднага сцяга маёй краіны, толькі сцяг Лукашыстаў, таму выбраў сабе падобны сцяг Польшчы.kei0112 писал(а): 13 июл 2022, 16:36
а почему у вас флажок россейский, если вы себя белорусом позиционируете?
теперь о деле:
у вас на фото график настройки паризона (толщины рукава). убирайте с гармошки толщину по максимуму. на само горловину можно добавить.
гармошку складывать сразу по выходу из формы. горло должно быть холодным.
но здесь нужно ловить моменты персонально. много нюансов.
мы лили на 276. 90%. на 100% не советую - может расходиться шов.
в каждом из нас спит гений. и с каждым днем всё крепче.
МИРУ - МИР!
МИРУ - МИР!
-
belarus_86
- Сообщения: 14
- Зарегистрирован: 19 июн 2022, 17:57
- Страна, Регион, Область: Витебская
- Город: Новополоцк
- Благодарил (а): 3 раза
- Поблагодарили: 1 раз
Re: Помогите подобрать материал для хитрой детали.
Нашёл на складе пару мешков полипропилена (гомо) , а ещё раздобыл тальк и мел (супер концентраты). С тальком плохо получилась, а вот с мелом очень даже неплохо.kei0112 писал(а): 13 июл 2022, 21:01 У вас на фото график настройки паризона (толщины рукава). убирайте с гармошки толщину по максимуму. на само горловину можно добавить.
гармошку складывать сразу по выходу из формы. горло должно быть холодным.
но здесь нужно ловить моменты персонально. много нюансов.
мы лили на 276. 90%. на 100% не советую - может расходиться шов.
Только 2-4 гармошки ближайшые к горловине плоховато складываются. Видимо нужно ещё настраивать профиль.
Самае цікавае, што калі гэтыя лейкі паляжаць некалькі дзён, то яны складаюцца трохі лепей.
Вопрос:
Почему нагреватели (электрические ТЭНы) в экструзионно-выдувных машинах не теплоизолируются? Зачем греть воздух
- kei0112
- Сообщения: 1825
- Зарегистрирован: 25 янв 2012, 15:14
- Страна, Регион, Область: Беларусь
- Город: Минск
- Благодарил (а): 133 раза
- Поблагодарили: 143 раза
Re: Помогите подобрать материал для хитрой детали.
ловите толщины по профилю рукава - это важно. изменяйте толщины по высотам. выйдете на оптимум.
а тэны скорее всего меняли, предварительно залив пластиком заводские. если нет_ то очень плохо сконструировано.
в нормальных экструдерах все нагреватели закрывают кожухами.
удачи!
а тэны скорее всего меняли, предварительно залив пластиком заводские. если нет_ то очень плохо сконструировано.
в нормальных экструдерах все нагреватели закрывают кожухами.
удачи!
в каждом из нас спит гений. и с каждым днем всё крепче.
МИРУ - МИР!
МИРУ - МИР!
- Тигирь
- Сообщения: 834
- Зарегистрирован: 05 мар 2018, 09:59
- Страна, Регион, Область: Россия
- Город: Геленджик
- Благодарил (а): 116 раз
- Поблагодарили: 354 раза
- Контактная информация:
Re: Помогите подобрать материал для хитрой детали.
Прошу прощения, но если Вы не заметили, то язык общения на форуме русский, согласно разделу 6 правил форума. Еще можно понять один ответ или отдельную реплику, но сейчас Вы неоднократно и вполне сознательно нарушили правила, к тому же проявляете неуважение к участникам
- За это сообщение автора Тигирь поблагодарил:
- технолог54
- Рейтинг: 5%
-
Stanislav Zabelin
- Сообщения: 69
- Зарегистрирован: 02 фев 2008, 00:21
- Страна, Регион, Область: Россия
- Город: Москва
- Откуда: Zabelin Blow Moulding Machines
- Благодарил (а): 1 раз
- Поблагодарили: 22 раза
- Контактная информация:
Re: Помогите подобрать материал для хитрой детали.
Запускали максимально похожий носик (тоже на 4 ручьях, кстати) у клиента около 5 лет назад.
Сначала пробовали выдувать на том же материале из которого делали и сами канистры (в основном 4-5 л классика) - это 100% ПЭНД, на тот момент Казаньоргсинтез 76, возможно, 73 тоже. Не пошло. Попробовали самый обычный русский ПП, типа 030 - пошло. Тоже 100% без каких-либо добавок или красителей.
Сейчас Казаньоргсинтез на этом предприятии уже не используется и в части выдува полностью перешли на СИБУРовский ПЭНД HD03580 SB. Как оказалось, из него нормально получаются не только канистры, но и носики. В связи с этим от полипропилена ушли и работают с одной маркой и на канистры, и на носики.
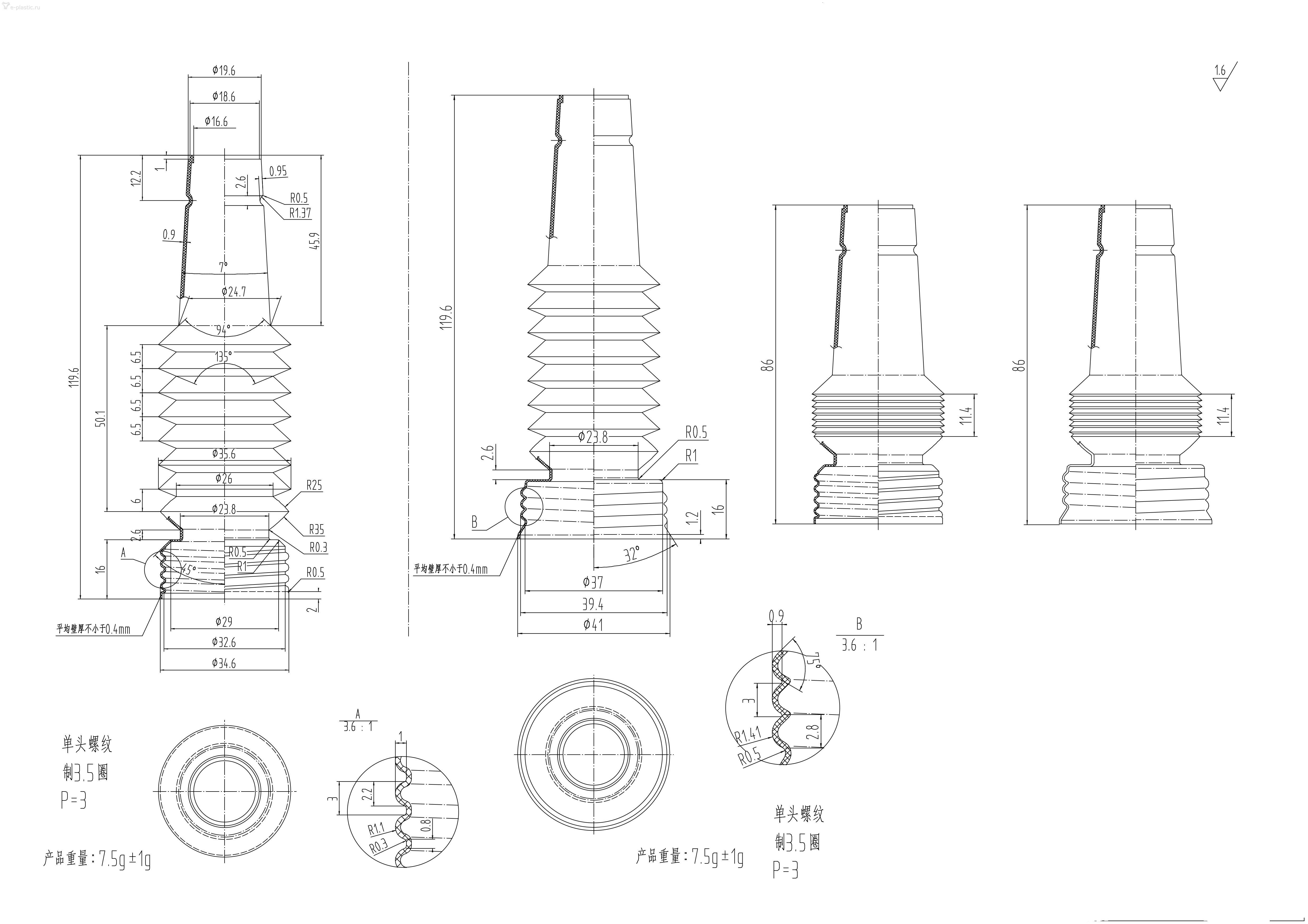
Во вложении фрагмент чертежа того нашего носика и прессформы от него. У вас фотография прессформы немного сбоку, вероятно из-за этого трудно понять наверняка, но кажется, что профиль гофры (нижний угол) отличается. У нас в нижней части угол был значительно острее, чем в верхней. Ваша конкретная деталь вообще существовала когда-либо в приемлемом качестве (вас уже спрашивали)? Хотя бы на этапе приёмки образцов с тестов прессформы. Если да, то на каком этапе потеряли качество?
Сначала пробовали выдувать на том же материале из которого делали и сами канистры (в основном 4-5 л классика) - это 100% ПЭНД, на тот момент Казаньоргсинтез 76, возможно, 73 тоже. Не пошло. Попробовали самый обычный русский ПП, типа 030 - пошло. Тоже 100% без каких-либо добавок или красителей.
Сейчас Казаньоргсинтез на этом предприятии уже не используется и в части выдува полностью перешли на СИБУРовский ПЭНД HD03580 SB. Как оказалось, из него нормально получаются не только канистры, но и носики. В связи с этим от полипропилена ушли и работают с одной маркой и на канистры, и на носики.
Во вложении фрагмент чертежа того нашего носика и прессформы от него. У вас фотография прессформы немного сбоку, вероятно из-за этого трудно понять наверняка, но кажется, что профиль гофры (нижний угол) отличается. У нас в нижней части угол был значительно острее, чем в верхней. Ваша конкретная деталь вообще существовала когда-либо в приемлемом качестве (вас уже спрашивали)? Хотя бы на этапе приёмки образцов с тестов прессформы. Если да, то на каком этапе потеряли качество?
- За это сообщение автора Stanislav Zabelin поблагодарили (всего 3):
- Елена ПластЭксперт • belarus_86 • KsunReh
- Рейтинг: 15%
-
belarus_86
- Сообщения: 14
- Зарегистрирован: 19 июн 2022, 17:57
- Страна, Регион, Область: Витебская
- Город: Новополоцк
- Благодарил (а): 3 раза
- Поблагодарили: 1 раз
Re: Помогите подобрать материал для хитрой детали.
Прошу прощения, я совсем недавно на этом форуме, постараюсь больше не нарушать его правил.Тигирь писал(а): 26 июл 2022, 16:22 Прошу прощения, но если Вы не заметили, то язык общения на форуме русский, согласно разделу 6 правил форума. Еще можно понять один ответ или отдельную реплику, но сейчас Вы неоднократно и вполне сознательно нарушили правила, к тому же проявляете неуважение к участникам
Я всего один раз ответил на своём родном языке своему соотечественнику. Надеюсь это не больше нарушение?
-
belarus_86
- Сообщения: 14
- Зарегистрирован: 19 июн 2022, 17:57
- Страна, Регион, Область: Витебская
- Город: Новополоцк
- Благодарил (а): 3 раза
- Поблагодарили: 1 раз
Re: Помогите подобрать материал для хитрой детали.
Я был уверен что написал подробный ответ неделю назад! С фотографиями и информацией, но пересмотрев всю историю тему не нашёл своего сообщения, видимо пропало или я что-то не то нажал.Stanislav Zabelin писал(а): 26 июл 2022, 16:33 Ваша конкретная деталь вообще существовала когда-либо в приемлемом качестве (вас уже спрашивали)? Хотя бы на этапе приёмки образцов с тестов прессформы. Если да, то на каком этапе потеряли качество?
Тогда сейчас повторюсь, но более кратко, так как времени маловато и с телефона приходится набирать.
На складе нашёл мешок с ПП рандом. Заказал супер концентраты талька и мела, ну и началась кухня.
С тальком сразу после первой партии я понял что ничего не выйдет, да и цвет изделия ужасный.
А вот с мелом очень даже ничего получилось! На данном этапе я нахожусь в пределах концентрации от 5 до 12% мела в ПП.
Столкнулся с особенностями машины, из одного сопла рукав меньше чем с другого.
Наработав партию всего в 5 кг и не добившись успеха я выключил машину и пошёл домой. Каково же было моё удивление, когда на следующий день эти лейки начали складываться и держать форму! Вчера они были мягковатыми и частично выпрямлялись. Фото прилагаю.
Осталось выбрать наименее затратный материал: ПП или пнд, хотя с пнд я ещё не получил результата, но хотелось бы - тогда бы пропал вопрос с опытом.
И нужно что-то придумать с отсеканием лишнего материала сверху и снизу лейки.
Также устройство по сжатию лейки и запоковку в термоусадочную плёнку. Коротко говоря - работы непочатый край.
-
belarus_86
- Сообщения: 14
- Зарегистрирован: 19 июн 2022, 17:57
- Страна, Регион, Область: Витебская
- Город: Новополоцк
- Благодарил (а): 3 раза
- Поблагодарили: 1 раз
Re: Помогите подобрать материал для хитрой детали.
С формой всё должно бытьStanislav Zabelin писал(а): 26 июл 2022, 16:33 У вас фотография прессформы немного сбоку, вероятно из-за этого трудно понять наверняка, но кажется, что профиль гофры (нижний угол) отличается. У нас в нижней части угол был значительно острее, чем в верхней. Хотя бы на этапе приёмки образцов с тестов прессформы. Если да, то на каком этапе потеряли качество?
Внутренние углы гофры острые и без радиуса. Конусность соблюдается по всей длине.
Удачные экземпляры были, но это было до моего трудоустройства.
Небольшие проблемы имеются в месте окончания гофры с переходом на широкую часть лейки(горловину под кпнистру). Толи машина не в состоянии точно соблюдать профиль, толи проблема в самом профиле, пытаюсь разобраться.
-
Stanislav Zabelin
- Сообщения: 69
- Зарегистрирован: 02 фев 2008, 00:21
- Страна, Регион, Область: Россия
- Город: Москва
- Откуда: Zabelin Blow Moulding Machines
- Благодарил (а): 1 раз
- Поблагодарили: 22 раза
- Контактная информация:
Re: Помогите подобрать материал для хитрой детали.
Зачем вообще добавки или мел? Заказчик просит окрашенный носик?belarus_86 писал(а): 28 июл 2022, 16:27 А вот с мелом очень даже ничего получилось! На данном этапе я нахожусь в пределах концентрации от 5 до 12% мела в ПП.
Что значит "меньше чем с другого"? Меньше по длине? В головке есть механические регулировки в двух направлениях 1) дроссели (краны) на поток 2) зазор раскрытия фильеры (по сути, вес). Если у какого-то рукава зазор открыт больше других, то рукав будет с более толстой стенкой и идти медленнее. Если зазоры у всех рукавов выровнены, то можно регулировать дросселями потока и/или температурами. А диаметр рукавов может быть разный только, если механически разные фильеры (вероятность чего крайне низкая) или если по разному настроен поддерживающий воздух из центра головки, но и то, это больше актуально для рукавов с запайкой.belarus_86 писал(а): 28 июл 2022, 16:27 Столкнулся с особенностями машины, из одного сопла рукав меньше чем с другого.
Экструзионно-выдувное изделие никогда нельзя полноценно оценивать и тестировать сразу по выходу из станка. Оно тёплое и имеет другие механические свойства. В идеале надо подождать сутки, но если совсем невтерпёж, то хотя бы несколько часов. Сразу по выходу из станка изделия, конечно, тоже смотрят / оценивают, но это предварительная оперативная проверка.belarus_86 писал(а): 28 июл 2022, 16:27 Каково же было моё удивление, когда на следующий день эти лейки начали складываться и держать форму! Вчера они были мягковатыми и частично выпрямлялись. Фото прилагаю.
Покажите брутто изделие, как оно выходит из прессформы до какой-либо обработки.belarus_86 писал(а): 28 июл 2022, 16:27 И нужно что-то придумать с отсеканием лишнего материала сверху и снизу лейки.
-
Stanislav Zabelin
- Сообщения: 69
- Зарегистрирован: 02 фев 2008, 00:21
- Страна, Регион, Область: Россия
- Город: Москва
- Откуда: Zabelin Blow Moulding Machines
- Благодарил (а): 1 раз
- Поблагодарили: 22 раза
- Контактная информация:
Re: Помогите подобрать материал для хитрой детали.
Конкретно для носика какая разница сколько стоит материал? Это же не самостоятельная коммерческая единица, а по сути часть канистры с которой носик поставляется.
Канистра 5 л весит, допустим, 230 грамм. Цена полиэтилена, допустим, 2 ЕВРО за 1 кг. Сырьевая себестоимость - 0,46 ЕВРО на 1 шт.
Носик весит, допустим, 7 грамм. Из такого же полиэтилена сырьевая себестоимость будет - 0,014 ЕВРО за 1 шт.
Более дорогой полипропилен стоит, допустим, 2,5 ЕВРО за 1 кг. Сырьевая себестоимость носика из него будет - 0,0175 ЕВРО за 1 шт.
Итоговое изделие "канистра + носик" в первом случае будет по сырьевой себестоимости 0,474 ЕВРО, во втором - 0,4775 ЕВРО.
Разница 0,0035 ЕВРО или 0,7% от общей сырьевой себестоимости изделия. Это меньше, чем разброс (tolerance) веса при производстве 5 л канистры. Иными словами, это вообще не разница. Для носика можно выбирать абсолютно любой материал по любой цене на котором он будет работать наиболее качественно и стабильно и не генерировать проблемы сам по себе.
Сколько предприятие потеряло на упущенных заказах, штрафах и пр. репутационных издержках пока пыталось найти материал подешевле для носика? Я думаю, можно производить носики из материала по 20 ЕВРО за 1 кг в течение очень многих лет и возникшая за эти годы "переплата за сырьё" всё равно не достигнет этой цифры.
- За это сообщение автора Stanislav Zabelin поблагодарил:
- Елена ПластЭксперт
- Рейтинг: 5%
- Тигирь
- Сообщения: 834
- Зарегистрирован: 05 мар 2018, 09:59
- Страна, Регион, Область: Россия
- Город: Геленджик
- Благодарил (а): 116 раз
- Поблагодарили: 354 раза
- Контактная информация:
Re: Помогите подобрать материал для хитрой детали.
В личных сообщениях, хоть на фарси, хоть на иврите, хоть на пушту, хоть на суахили пишитеbelarus_86 писал(а): 28 июл 2022, 16:08 Я всего один раз ответил на своём родном языке своему соотечественнику. Надеюсь это не больше нарушение?
- kei0112
- Сообщения: 1825
- Зарегистрирован: 25 янв 2012, 15:14
- Страна, Регион, Область: Беларусь
- Город: Минск
- Благодарил (а): 133 раза
- Поблагодарили: 143 раза
Re: Помогите подобрать материал для хитрой детали.
зачем такие переживания?Тигирь писал(а): 29 июл 2022, 16:03В личных сообщениях, хоть на фарси, хоть на иврите, хоть на пушту, хоть на суахили пишитеbelarus_86 писал(а): 28 июл 2022, 16:08 Я всего один раз ответил на своём родном языке своему соотечественнику. Надеюсь это не больше нарушение?
кто знает - тот понял.
кто не понял - значит так и надо.
никакой крамолы там нет
в каждом из нас спит гений. и с каждым днем всё крепче.
МИРУ - МИР!
МИРУ - МИР!
- Елена ПластЭксперт
- Сообщения: 1438
- Зарегистрирован: 05 июл 2011, 09:21
- Страна, Регион, Область: МО
- Город: Городок
- Благодарил (а): 345 раз
- Поблагодарили: 720 раз
- Контактная информация:
Re: Помогите подобрать материал для хитрой детали.
Коллеги, пожалуйста, перестаньте нарушать правила форума "удаляясь от темы" пункты с 4.15 и далее.
Заметив нарушения правил форума достаточно нажать на "!"
Мы видим вашу жалобу и принимаем меры.
Благодарность:
Тигирь - спасибо, что заметили нарушение!
belarus_86 - спасибо, что откликнулись на замечание действием и перестали нарушать правила!
С уважением!
Елена
Заметив нарушения правил форума достаточно нажать на "!"
Мы видим вашу жалобу и принимаем меры.
Благодарность:
Тигирь - спасибо, что заметили нарушение!
belarus_86 - спасибо, что откликнулись на замечание действием и перестали нарушать правила!
С уважением!
Елена
- За это сообщение автора Елена ПластЭксперт поблагодарил:
- kei0112
- Рейтинг: 5%
На заводе работали двое: человек и собака. Человек кормил собаку. Собака следила, чтоб человек ничего не трогал.
-
belarus_86
- Сообщения: 14
- Зарегистрирован: 19 июн 2022, 17:57
- Страна, Регион, Область: Витебская
- Город: Новополоцк
- Благодарил (а): 3 раза
- Поблагодарили: 1 раз
Re: Помогите подобрать материал для хитрой детали.
На этот вопрос я могу ответить быстрее всего, а вот на остальные - как только появится время.Stanislav Zabelin писал(а): 28 июл 2022, 16:50
Покажите брутто изделие, как оно выходит из прессформы до какой-либо обработки.
А тут интересно на форуме, надеюсь что моя гора вопросов уменьшится со временем.
Кто сейчас на конференции
Сейчас этот форум просматривают: нет зарегистрированных пользователей и 2 гостя