KLOCKNER WINDSOR INDIA LTD SP-180

- "Чудеса" случившиеся с вашими дорогими Куаси, Хмельницкими, Одесскими, Белорусскими, Русскими, Немецкими, Китайскими, Итальянскими и даже Американскими машинами.
- Various cases and problems with your IMM: Kuasy from DDR, Soviet-made machines, German, Chinese, American, Italian, Belarusian made machines.
Ответить
Сообщение
Автор
слесарь
Сообщения: 86
Зарегистрирован: 17 апр 2011, 21:24
Страна, Регион, Область: Россия Курская область
Город: Курск
Благодарил (а): 0
Поблагодарили: 1 раз

KLOCKNER WINDSOR INDIA LTD SP-180

#1 Сообщение слесарь » 18 авг 2013, 09:03

Здраствуйте все . нужен паспорт или циклограмма (на руском языке) работы термопластавтомата SP-180.хотябы циклограмма включения гидроклапанов в полуавтоматическом режиме присования , поломка заключается в следующем после смыкания пресформы нет высокого давления

Аватара пользователя
Чиж
Сообщения: 444
Зарегистрирован: 07 авг 2013, 09:15
Страна, Регион, Область: РОССИЯ Свердловская обл
Город: Екатеринбург
Откуда: Свердловск СССР
Благодарил (а): 3 раза
Поблагодарили: 35 раз

Re: KLOCKNER WINDSOR INDIA LTD SP-180

#2 Сообщение Чиж » 18 авг 2013, 16:58

Если после смыкания нет не только выс давл но и нет выполнения других команд / подвода впрыска / то проверте конц выключатель " пф сомкнута". Если же нет только выс давл и все следующие команды выполняются на пониженных скоростях, то смотрите появляется ли выс давл при подводе мех впрыска при самом впрыске. Короче говоря циклограмма Вам мало что прояснит причина скорее всего в электронной системе управления термопластом.

слесарь
Сообщения: 86
Зарегистрирован: 17 апр 2011, 21:24
Страна, Регион, Область: Россия Курская область
Город: Курск
Благодарил (а): 0
Поблагодарили: 1 раз

Re: KLOCKNER WINDSOR INDIA LTD SP-180

#3 Сообщение слесарь » 18 авг 2013, 21:20

мысль хорошая . циклограмма как раз и нужна чтобы посмотреть какие электромагниты должны включатся , к великому сожалению технической документации практически нет , есть паспорт на английском языке в котором есть только деталировка отдельных узлов , есть гидросхема от SP-130 и электросхема от неё же , кстате машина релейная

Аватара пользователя
Чиж
Сообщения: 444
Зарегистрирован: 07 авг 2013, 09:15
Страна, Регион, Область: РОССИЯ Свердловская обл
Город: Екатеринбург
Откуда: Свердловск СССР
Благодарил (а): 3 раза
Поблагодарили: 35 раз

Re: KLOCKNER WINDSOR INDIA LTD SP-180

#4 Сообщение Чиж » 19 авг 2013, 07:14

Так если релейная может и хорошо. Определить какое реле включает выс давл можно методом тыка предварительно отключив автомат главного эл двигаиеля. Успеха...

Аватара пользователя
Чиж
Сообщения: 444
Зарегистрирован: 07 авг 2013, 09:15
Страна, Регион, Область: РОССИЯ Свердловская обл
Город: Екатеринбург
Откуда: Свердловск СССР
Благодарил (а): 3 раза
Поблагодарили: 35 раз

Re: KLOCKNER WINDSOR INDIA LTD SP-180

#5 Сообщение Чиж » 19 авг 2013, 16:45

Относительно документации обратитесь volga007@mail.ru Павел Владимирович

Karleon
Сообщения: 36
Зарегистрирован: 24 ноя 2011, 07:50
Страна, Регион, Область: Vladimirckaya
Город: Kosterevo
Благодарил (а): 0
Поблагодарили: 0

Re: KLOCKNER WINDSOR INDIA LTD SP-180

#6 Сообщение Karleon » 11 окт 2013, 08:39

Такое тоже встречалось.
Последний раз редактировалось Karleon 11 окт 2013, 08:42, всего редактировалось 1 раз.

Karleon
Сообщения: 36
Зарегистрирован: 24 ноя 2011, 07:50
Страна, Регион, Область: Vladimirckaya
Город: Kosterevo
Благодарил (а): 0
Поблагодарили: 0

Re: KLOCKNER WINDSOR INDIA LTD SP-180

#7 Сообщение Karleon » 11 окт 2013, 08:40

Такое тоже встречалось.Неисправность в микровыключателе перепада давления.Там их два. сейчас не помню какой из них за что отвечает, так что почистите оба.Их постоянно заливает маслом.И конечно отрегулировать.

слесарь
Сообщения: 86
Зарегистрирован: 17 апр 2011, 21:24
Страна, Регион, Область: Россия Курская область
Город: Курск
Благодарил (а): 0
Поблагодарили: 1 раз

Re: KLOCKNER WINDSOR INDIA LTD SP-180

#8 Сообщение слесарь » 11 окт 2013, 22:50

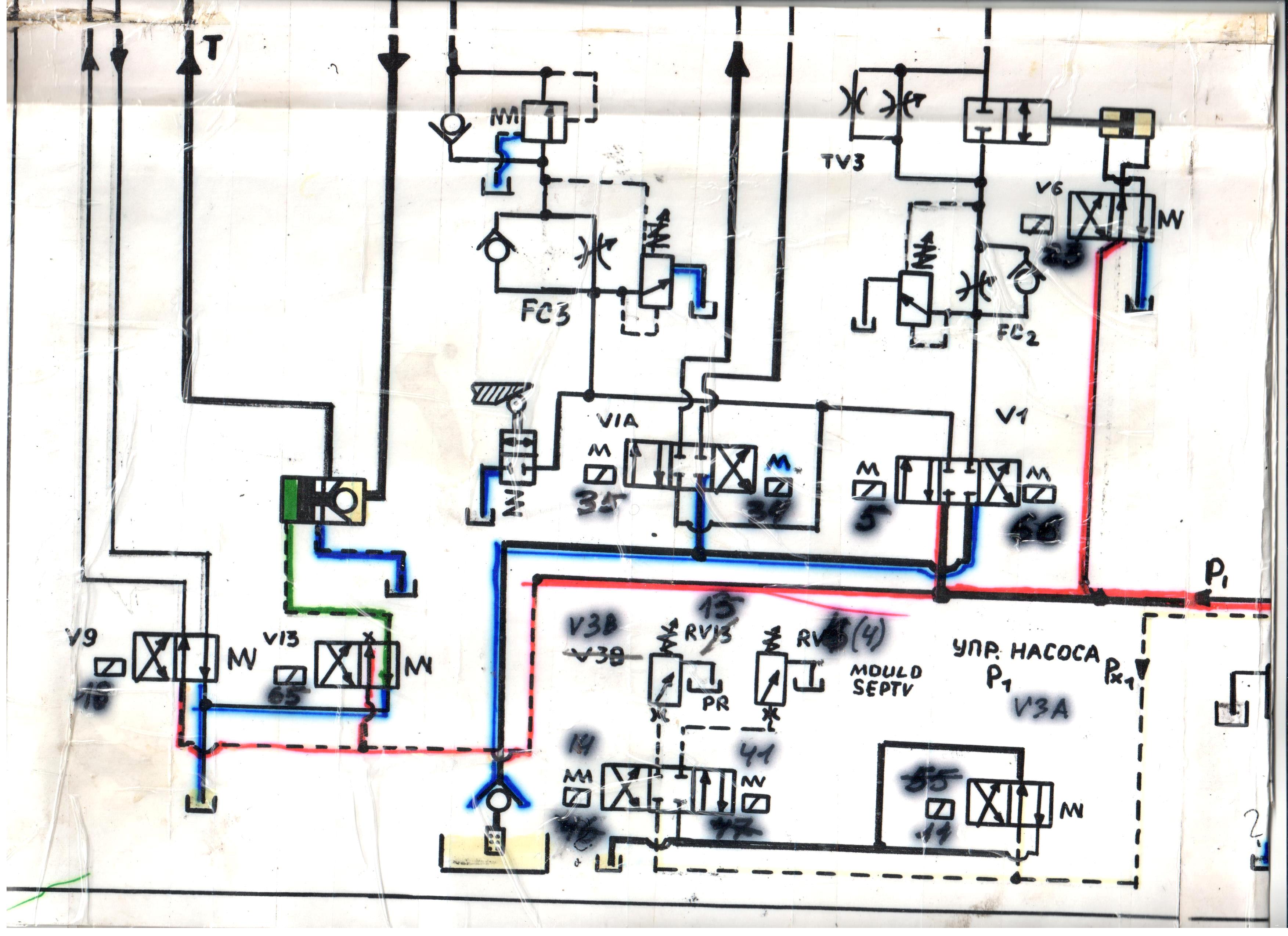
Вот гидросхема даной машины . Проблему с высоким давлением я решил , был сломан гидроблок V1A но возникла другая проблема при регулировании давления на насосе свыше 100 килограмм сгорают предохранители двигателя
Вложения
сканирование0004.pdf
(4.08 МБ) 481 скачивание
сканирование0003.pdf
(3.98 МБ) 391 скачивание

Аватара пользователя
Karakol
Сообщения: 541
Зарегистрирован: 01 сен 2011, 19:53
Страна, Регион, Область: Литва
Город: Вильнюс
Благодарил (а): 2 раза
Поблагодарили: 3 раза

Re: KLOCKNER WINDSOR INDIA LTD SP-180

#9 Сообщение Karakol » 12 окт 2013, 11:49

Проблема быстрее всего присутствует в зл.части. Двигателю ни с того , ни с сего стало не хватать мощности. Еще бы поделиться информацией по электрическом обеспечении термопласта. Эл. схему привода, родные ли предохранители, какие они, плавкие или автоматические, переходит ли после старта двигателя соединение обмоток со звезды на треугольник, целостность монтажа. Не хочу пугать, но бывает что и сам движок приходится перематывать.

ЗЮМ
Эксперт Гидравлик
Сообщения: 5729
Зарегистрирован: 24 окт 2012, 20:41
Страна, Регион, Область: СССР
Город: Деревня Малая Малявня
Откуда: деревня МАЛАЯ МАЛЯВНЯ
Благодарил (а): 612 раз
Поблагодарили: 836 раз

Re: KLOCKNER WINDSOR INDIA LTD SP-180

#10 Сообщение ЗЮМ » 12 окт 2013, 11:54

Здесь может быть целый комплекс причин и по гидравлике. Не набирает давление узел запирания по сильным перетечкам и утечкам в апаратуре или что то не включается в группе распределителей. Если 9-ка не включится давления запирания не будет. Если под большой обратный клапан 75 попала грязь -тоже. если гидрозамок сброса высокого давления не герметичен или управляемый им 13-й магнит сильно перепускает - тоже не будет. У нас например всвязи с износом большого поршня запирания падало быстро давление запирания через 88 дренажный канал. Если обратные клапана CV4,CV3 не герметичны а распределитель 35-34 перипускает V1A- То же будет падать давление. а циклограмму в наладке можно составить самим по схеме. у меня к сожалению нет ЦИКЛОГРАМЫ. Да она и не сложная.Если никто не пришлет циклограму опишем словами.
Вложения
Scan ВИНДЗОР4.jpg
Scan ВИНДЗОР3.jpg
Scan ВИНДЗОР2.jpg
Scan ВИНДЗОР..jpg

ЗЮМ
Эксперт Гидравлик
Сообщения: 5729
Зарегистрирован: 24 окт 2012, 20:41
Страна, Регион, Область: СССР
Город: Деревня Малая Малявня
Откуда: деревня МАЛАЯ МАЛЯВНЯ
Благодарил (а): 612 раз
Поблагодарили: 836 раз

Re: KLOCKNER WINDSOR INDIA LTD SP-180

#11 Сообщение ЗЮМ » 12 окт 2013, 14:18

Остался План Барбаросса о поиску причин потери давления в узле смыкания -дожима. В данном случае у нас мультипликатор был исправен и развивал свое добавочное давление. Поэтому шток мультипликатора проверять не стали. ну а причина у нас обозначена на плане. Как часто бывает неисправность лежала на поверхности.
Вложения
Scan ВЕРСИИ ПОТЕРИ ДАВЛЕНИЯ ВИНДЗОР..jpg
Последний раз редактировалось ЗЮМ 12 окт 2013, 16:10, всего редактировалось 1 раз.

Мулланур
Сообщения: 1586
Зарегистрирован: 01 окт 2013, 15:06
Страна, Регион, Область: Россия
Город: Екатеринбург
Откуда: Yevlax
Благодарил (а): 415 раз
Поблагодарили: 386 раз

Re: KLOCKNER WINDSOR INDIA LTD SP-180

#12 Сообщение Мулланур » 12 окт 2013, 14:21

Я думаю все просто, линейка не съехала с 80 и он не дает включится мультику.

ЗЮМ
Эксперт Гидравлик
Сообщения: 5729
Зарегистрирован: 24 окт 2012, 20:41
Страна, Регион, Область: СССР
Город: Деревня Малая Малявня
Откуда: деревня МАЛАЯ МАЛЯВНЯ
Благодарил (а): 612 раз
Поблагодарили: 836 раз

Re: KLOCKNER WINDSOR INDIA LTD SP-180

#13 Сообщение ЗЮМ » 12 окт 2013, 14:25

Ну да надо сначала с управлением разобраться. сейчас нашел что то по Арбургу тоже старенький правда с одним насосом и без акумулятора. Хочу посмотреть как там впрыск реализован. Вроде с циклограмами.

Мулланур
Сообщения: 1586
Зарегистрирован: 01 окт 2013, 15:06
Страна, Регион, Область: Россия
Город: Екатеринбург
Откуда: Yevlax
Благодарил (а): 415 раз
Поблагодарили: 386 раз

Re: KLOCKNER WINDSOR INDIA LTD SP-180

#14 Сообщение Мулланур » 12 окт 2013, 14:34

ЗЮМ писал(а): Вроде с циклограмами.
Не знаю, если быстрое смыкание есть , тогда нужно смотреть блок мультипликации. Циклограмма нужна больше электрика , я совневаюсь что в ней будет про 80 что то указано.

ЗЮМ
Эксперт Гидравлик
Сообщения: 5729
Зарегистрирован: 24 окт 2012, 20:41
Страна, Регион, Область: СССР
Город: Деревня Малая Малявня
Откуда: деревня МАЛАЯ МАЛЯВНЯ
Благодарил (а): 612 раз
Поблагодарили: 836 раз

Re: KLOCKNER WINDSOR INDIA LTD SP-180

#15 Сообщение ЗЮМ » 12 окт 2013, 14:36

Ну это наладчик должен быть в курсе концевиков.

Мулланур
Сообщения: 1586
Зарегистрирован: 01 окт 2013, 15:06
Страна, Регион, Область: Россия
Город: Екатеринбург
Откуда: Yevlax
Благодарил (а): 415 раз
Поблагодарили: 386 раз

Re: KLOCKNER WINDSOR INDIA LTD SP-180

#16 Сообщение Мулланур » 12 окт 2013, 14:54

Если наладчик не пошутил, тогда я бы начал смотреть уплотнение штока мультика, а потом все стольное.

ЗЮМ
Эксперт Гидравлик
Сообщения: 5729
Зарегистрирован: 24 окт 2012, 20:41
Страна, Регион, Область: СССР
Город: Деревня Малая Малявня
Откуда: деревня МАЛАЯ МАЛЯВНЯ
Благодарил (а): 612 раз
Поблагодарили: 836 раз

Re: KLOCKNER WINDSOR INDIA LTD SP-180

#17 Сообщение ЗЮМ » 12 окт 2013, 15:02

ВПОЛНЕ ДОПУСКАЮ и согласен.

слесарь
Сообщения: 86
Зарегистрирован: 17 апр 2011, 21:24
Страна, Регион, Область: Россия Курская область
Город: Курск
Благодарил (а): 0
Поблагодарили: 1 раз

Re: KLOCKNER WINDSOR INDIA LTD SP-180

#18 Сообщение слесарь » 12 окт 2013, 23:45

Karakol писал(а):Проблема быстрее всего присутствует в зл.части. Двигателю ни с того , ни с сего стало не хватать мощности. Еще бы поделиться информацией по электрическом обеспечении термопласта. Эл. схему привода, родные ли предохранители, какие они, плавкие или автоматические, переходит ли после старта двигателя соединение обмоток со звезды на треугольник, целостность монтажа. Не хочу пугать, но бывает что и сам движок приходится перематывать.
Я тоже склонен к тому что чтото не то с силовой частью машины . термопласт перемещали с одного места на другое подключали новую силовую возможно электрики чтото и напутали , электросхему постораюсь скопировать , родные плавкие предохранители были заменены на автоматические

walex77
Сообщения: 17
Зарегистрирован: 22 сен 2015, 17:59
Страна, Регион, Область: Беларусь
Город: Осиповичи
Благодарил (а): 0
Поблагодарили: 1 раз

Re: KLOCKNER WINDSOR IN DIA LTD SP-180

#19 Сообщение walex77 » 30 сен 2015, 18:20

здравствуйте ! на термопласте вышел из строя гидравлический насос SAUER GETRIEBE 64P.094.030.RF, Подскажите возможно ли заменить на НШ или пластинчатый по такой производительности

walex77
Сообщения: 17
Зарегистрирован: 22 сен 2015, 17:59
Страна, Регион, Область: Беларусь
Город: Осиповичи
Благодарил (а): 0
Поблагодарили: 1 раз

Re: KLOCKNER WINDSOR INDIA LTD SP-180

#20 Сообщение walex77 » 30 сен 2015, 18:46

вот подсмотрел насос НПЛ 45-80/16 С 110Л/56Л . КАК ПОДОЙДЕТ

Ответить

Вернуться в «Термопластавтоматы не могут без ремонта/Injection molding machines need in repair»

Кто сейчас на конференции

Сейчас этот форум просматривают: нет зарегистрированных пользователей и 3 гостя