Проблема со смыканием пресформ

- Здесь размещаются вопросы от новичков по всем темам, а также письма наших читателей регулярно приходящие в редакцию.
- Here are questions from not skilled in plastics about all the topics. Some of them are from the PlastExpert mailbox.
Ответить
Сообщение
Автор
ПавелЯ
Сообщения: 3
Зарегистрирован: 10 май 2025, 19:59
Страна, Регион, Область: Россия, Алтайский край
Город: Барнаул
Благодарил (а): 0
Поблагодарили: 0

Проблема со смыканием пресформ

#1 Сообщение ПавелЯ » 12 май 2025, 14:25

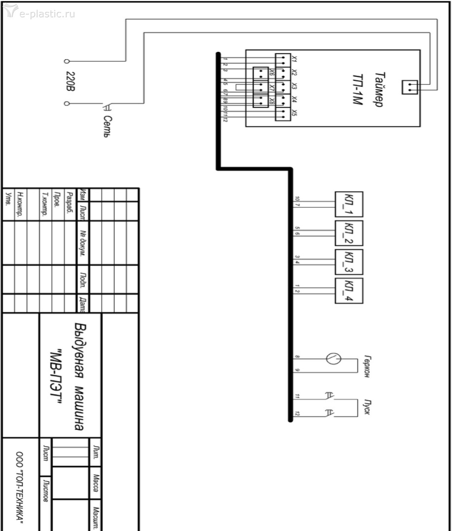
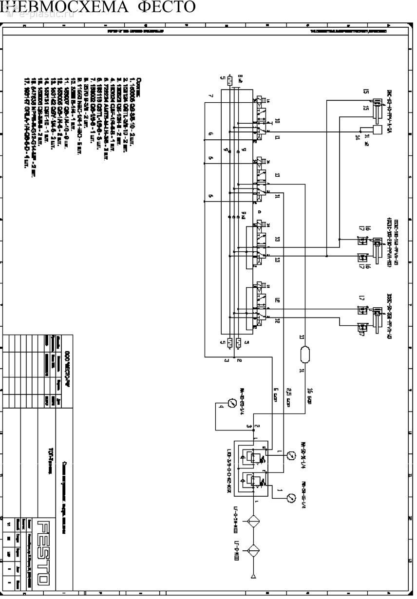
Здравствуйте 🤝 на станке по выдуву вдруг после завершения цикла ( то есть поднялись штоки) пресформы перестали размыкаться вовремя. Размыкание происходит с неприличной задержкой секунд в 10-15. Обратили внимание на шипение из под сальника на пневмоцилиндре - толкателе пресформы. Но кажется, что он просто перестал понимать, когда ему работать.
Полуавтомат МВ ПЭТ.
Вложения
IMG_5562.jpeg
IMG_5561.jpeg
IMG_5563.jpeg
IMG_5564.jpeg
IMG_5565.jpeg

muhomornik
Сообщения: 686
Зарегистрирован: 16 фев 2011, 12:54
Страна, Регион, Область: РФ
Город: Санкт-Петербург
Благодарил (а): 69 раз
Поблагодарили: 146 раз

Re: Проблема со смыканием пресформ

#2 Сообщение muhomornik » 25 май 2025, 23:11

Добрый вечер.

Победили?

ПавелЯ
Сообщения: 3
Зарегистрирован: 10 май 2025, 19:59
Страна, Регион, Область: Россия, Алтайский край
Город: Барнаул
Благодарил (а): 0
Поблагодарили: 0

Re: Проблема со смыканием пресформ

#3 Сообщение ПавелЯ » 05 сен 2025, 09:54

Здравствуйте 🤝
Да, сняли все пневмораспределители с пневмопадушки и почистили все очень хорошо. Собрали обратно и более двадцати циклов выдува прогнали в холостую- итог все заработало. Теперь проблему с подачей воздуха решаем, тупо подача воздуха в преформу пропала )

Ответить

Вернуться в «Вопросы к специалистам от начинающих/Questions from beginners»

Кто сейчас на конференции

Сейчас этот форум просматривают: нет зарегистрированных пользователей и 15 гостей