Пресс-форма на фитинг с закладной резьбовой вставкой.
-
- Сообщения: 22
- Зарегистрирован: 11 дек 2021, 21:25
- Страна, Регион, Область: Беларусь
- Город: Новогрудок
- Благодарил (а): 0
- Поблагодарили: 1 раз
Пресс-форма на фитинг с закладной резьбовой вставкой.
Здравствуйте. Ищу любую информацию об особенностях конструкции на пресс-форму для фитингов с латунными резьбовыми вставками.
Деталь имеет две закладные латунные вставки: одна с наружной резьбой, вторая с внутренней и планируем заливать полиамид.
На сколько я могу судить по внешнему виду детали, часть детали обозначенная на фото синим цветам образуется в матрице с неподвижной половины форму. А остальная часть детали образуется полуматрицами (ползунами) в подвижной половине формы. Также прилагаю эскиз (для понимания габаритов).
На картинке предпологаемая схема пресс-формы. Вставку с внутренней резьбой закладываем в неподвижную половину формы на неподвижный знак. Вставку с наружной резьбой закладываем в подвижную половину на подвижный знак. Полость заливается пластиком и отливка срывается с неподвижной половины, т.к. сидит на подвижном знаке. Ползуны расходятся и трубчатый толкатель сбрасывает отливку. Думаю, что ползуны для этой детали применены из-за маркировки на гранях шестигранника и потому что вставку с наружной резьбой не реально заложить на знак из-за глубины матрицы. Это чисто моё первое представление по работе этой пресс-формы. Помогите любыми советами и информацией если кто сталкивался с подобными формами. Теперь ещё вопросы по этим резьбовым вставкам. В интернете находил много сайтов, которые предлогают купить латунные, стальные резьбовые вставки для литью. У нас же пока в планах точить эти вставки на токарных автоматах. Может есть какие-нибудь нюансы в этих вставках?
Вопрос, как литейщику заложить вставку в крайнее положение на знаке- может она как-то должна фиксироваться ? Находил видео на китайском сайте процесса литья с закладными вставками: там рабочий чуть подварачивает её когда закладывает, как будто виток резьбы. Ну это догадки.
Ну и ещё вопрос по посадке на знак. Я так понимаю что должен во вставки быть жесткий технологический допуск и контролироваться размер пробками, чтобы рабочий мог заложить вставку на знак и чтобы резьбу не обливал пластик.
Помогите конструктивными советами. Спасибо!
Деталь имеет две закладные латунные вставки: одна с наружной резьбой, вторая с внутренней и планируем заливать полиамид.
На сколько я могу судить по внешнему виду детали, часть детали обозначенная на фото синим цветам образуется в матрице с неподвижной половины форму. А остальная часть детали образуется полуматрицами (ползунами) в подвижной половине формы. Также прилагаю эскиз (для понимания габаритов).
На картинке предпологаемая схема пресс-формы. Вставку с внутренней резьбой закладываем в неподвижную половину формы на неподвижный знак. Вставку с наружной резьбой закладываем в подвижную половину на подвижный знак. Полость заливается пластиком и отливка срывается с неподвижной половины, т.к. сидит на подвижном знаке. Ползуны расходятся и трубчатый толкатель сбрасывает отливку. Думаю, что ползуны для этой детали применены из-за маркировки на гранях шестигранника и потому что вставку с наружной резьбой не реально заложить на знак из-за глубины матрицы. Это чисто моё первое представление по работе этой пресс-формы. Помогите любыми советами и информацией если кто сталкивался с подобными формами. Теперь ещё вопросы по этим резьбовым вставкам. В интернете находил много сайтов, которые предлогают купить латунные, стальные резьбовые вставки для литью. У нас же пока в планах точить эти вставки на токарных автоматах. Может есть какие-нибудь нюансы в этих вставках?
Вопрос, как литейщику заложить вставку в крайнее положение на знаке- может она как-то должна фиксироваться ? Находил видео на китайском сайте процесса литья с закладными вставками: там рабочий чуть подварачивает её когда закладывает, как будто виток резьбы. Ну это догадки.
Ну и ещё вопрос по посадке на знак. Я так понимаю что должен во вставки быть жесткий технологический допуск и контролироваться размер пробками, чтобы рабочий мог заложить вставку на знак и чтобы резьбу не обливал пластик.
Помогите конструктивными советами. Спасибо!
-
- Сообщения: 1584
- Зарегистрирован: 01 окт 2013, 15:06
- Страна, Регион, Область: Россия
- Город: Екатеринбург
- Откуда: Yevlax
- Благодарил (а): 414 раз
- Поблагодарили: 386 раз
Re: Пресс-форма на фитинг с закладной резьбовой вставкой.
А почему вы решили что у вас две закладных детали? Может быть одна, в районе шестигранника просто тонкая с отверстиями? Если даже две закладных, то закладная с наружной резьбой внутри сделана в виде коронки и упирается в закладную с внутренней резьбой
На сколько требования по маркировке жёсткие? Почему размер не указывать в торце изделия, тогда ползуны не нужны.
На сколько требования по маркировке жёсткие? Почему размер не указывать в торце изделия, тогда ползуны не нужны.
-
- Сообщения: 3455
- Зарегистрирован: 02 фев 2020, 10:56
- Страна, Регион, Область: Германия
- Город: NRW
- Благодарил (а): 1219 раз
- Поблагодарили: 1429 раз
Re: Пресс-форма на фитинг с закладной резьбовой вставкой.
Только две. Изолятор , втулки с резьбой не касаются друг друга .Мулланур писал(а): ↑12 дек 2021, 21:35А почему вы решили что у вас две закладных детали? Может быть одна, в районе шестигранника просто тонкая с отверстиями? Если даже две закладных, то закладная с наружной резьбой внутри сделана в виде коронки и упирается в закладную с внутренней резьбой
На сколько требования по маркировке жёсткие? Почему размер не указывать в торце изделия, тогда ползуны не нужны.
Nein zum Krieg.
-
- Сообщения: 67
- Зарегистрирован: 28 фев 2017, 09:15
- Страна, Регион, Область: РФ
- Город: Рязань
- Благодарил (а): 50 раз
- Поблагодарили: 34 раза
Re: Пресс-форма на фитинг с закладной резьбовой вставкой.
Помогаю: на картинке НЕ правильная схема пресс-формы.
Тираж большой?
Гнездность какая планируется?
Линия разьема формируется подвижкой и неподвижкой, а не "полуматрицами".
Простая, даже очень простейшая, и дешевая форма будет со вставками, на которые вы будете накручивать резьбовые втулки,
а потом выкручивать из детали - пары-тройки комплектов вполне хватит...
Не простая форма будет с вращающимися знаками, свистелками и перделками,
оператором накручивающим втулки или автоматическим приводом, роботом и прочим...

-
- Сообщения: 254
- Зарегистрирован: 22 авг 2014, 18:43
- Страна, Регион, Область: Россия, ЦФО
- Город: ЦФО
- Благодарил (а): 4 раза
- Поблагодарили: 86 раз
Re: Пресс-форма на фитинг с закладной резьбовой вставкой.
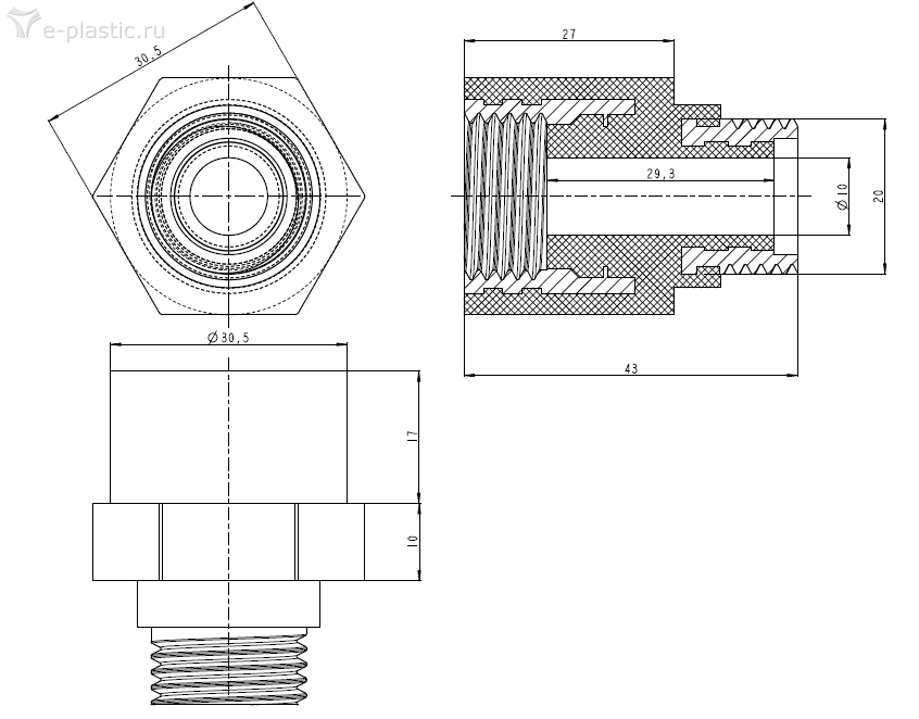
На прототипе видно, что резьба, как внутренняя, так и наружная, заканчивается небольшим цилиндрическим участком по наружному (внутреннему) диаметру резьбы. Это позволяет надежно перекрывать пластик по цилиндру с точным допуском. Резьба имеет свободные допуски и отсечь пластмассу по резьбе проблематично, будут подливы, а ужесточать допуски на резьбу нецелесообразно.
Расстояние между торцами букс в чертеже уменьшено, по сравнению с прототипом. Видно, что от стенки в виде внутреннего тонкого диска добавили металла. Это уменьшает толщину пластика в просвете между буксами, через который будет поступать расплав во внутреннюю часть. В тоже время внутренняя часть, возле внутренней резьбы, имеет увеличенную толщину, что приведет к утяжинам в этом месте.
Очень нетехнологично исполнение этого внутреннего диска для точения. Если есть опасения сдвига пластика относительно металла при эксплуатации, то проще проточить канавку на буксе.
Схема формы во многом зависит от удобства работы на ней, требований к детали и возможностей инструментального производства. Первое, что попросили бы наши левши, сделать шестигранник так, чтобы его можно было обработать проволокой на эрозии. Для этого надо будет расположить шестигранник в одной стороне с наружной резьбой, в единой шестигранной втулке, а матрицу под эту втулку (и) резать проволокой. Это упростит и ползуны. Конечно, можно и в глухую выгрызть в ползунах шестигранник, но это будет дороже. При изготовлении проволокой, в углах шестигранника, надо будет ввести небольшие радиусы. На нашем станке 0,13 мм min.
Еще про технологичность. Размер под ключ должен быть обязательно больше диаметра перед ним. Иначе может быть неприятность, что ключ не наденется в следствии неточности изготовления или смещения половинок ползунов, например, при их износе.
Расстояние между торцами букс в чертеже уменьшено, по сравнению с прототипом. Видно, что от стенки в виде внутреннего тонкого диска добавили металла. Это уменьшает толщину пластика в просвете между буксами, через который будет поступать расплав во внутреннюю часть. В тоже время внутренняя часть, возле внутренней резьбы, имеет увеличенную толщину, что приведет к утяжинам в этом месте.
Очень нетехнологично исполнение этого внутреннего диска для точения. Если есть опасения сдвига пластика относительно металла при эксплуатации, то проще проточить канавку на буксе.
Схема формы во многом зависит от удобства работы на ней, требований к детали и возможностей инструментального производства. Первое, что попросили бы наши левши, сделать шестигранник так, чтобы его можно было обработать проволокой на эрозии. Для этого надо будет расположить шестигранник в одной стороне с наружной резьбой, в единой шестигранной втулке, а матрицу под эту втулку (и) резать проволокой. Это упростит и ползуны. Конечно, можно и в глухую выгрызть в ползунах шестигранник, но это будет дороже. При изготовлении проволокой, в углах шестигранника, надо будет ввести небольшие радиусы. На нашем станке 0,13 мм min.
Еще про технологичность. Размер под ключ должен быть обязательно больше диаметра перед ним. Иначе может быть неприятность, что ключ не наденется в следствии неточности изготовления или смещения половинок ползунов, например, при их износе.
-
- Сообщения: 67
- Зарегистрирован: 28 фев 2017, 09:15
- Страна, Регион, Область: РФ
- Город: Рязань
- Благодарил (а): 50 раз
- Поблагодарили: 34 раза
Re: Пресс-форма на фитинг с закладной резьбовой вставкой.
Тут вы ошибаетесь, специфика данных изделий в том, что они рассчитываются на работу и испытания под давлением.Алексей shm писал(а): ↑13 дек 2021, 11:17Это позволяет надежно перекрывать пластик по цилиндру с точным допуском.
Эта деталь не из разряда "облить пластиком" закладную...
Подобную хрень с парой фитингов, для водоповода мы испытываем 30 атмосферами

Необходимо очень высокое уплотнение, иначе герметичности не добиться при испытаниях!
Знаки только вкручитвать, минимум витка три...
С такими формами работал и нашими и китайскими... Европейские только показывали

-
- Сообщения: 67
- Зарегистрирован: 28 фев 2017, 09:15
- Страна, Регион, Область: РФ
- Город: Рязань
- Благодарил (а): 50 раз
- Поблагодарили: 34 раза
Re: Пресс-форма на фитинг с закладной резьбовой вставкой.
Полиамид, жОлтый цвет, резьбовые втулки с лабиринтом... Вангую, дело пахнет газом?
-
- Сообщения: 254
- Зарегистрирован: 22 авг 2014, 18:43
- Страна, Регион, Область: Россия, ЦФО
- Город: ЦФО
- Благодарил (а): 4 раза
- Поблагодарили: 86 раз
Re: Пресс-форма на фитинг с закладной резьбовой вставкой.
Не понимаю, как герметичность связана с тем, что залита или не залита резьба. Пластик при усадке внутрь надежно охватывает обе буксы снаружи, вот и вся герметичность. На фото видно очень хорошо, что перед наружной резьбой есть гладкий поясок, на котором даже виден небольшой облой. Сама резьба по наружному диаметру обработана очень чисто, заедино с этим пояском. Зачем что-то закручивать-выкручивать, если место под посадку буксы можно выполнить гладким цилиндром с точным допуском? Исполнения могут быть совершенно разными. В ваших, возможно, по другому нельзя, а здесь место есть и в прототипе так и выполнено.
Есть еще одно место, которое мне не нравится, но как исправить я не знаю. Обычно закладные детали полностью замыкаются в форме металлом по длине. Делается это для того, чтобы компенсировать возможный недосыл при установке. Буксу с внутренней резьбой еще можно досылать при смыкании, вскрыв часть торца, а с наружной резьбой ничего не получится.
Есть еще одно место, которое мне не нравится, но как исправить я не знаю. Обычно закладные детали полностью замыкаются в форме металлом по длине. Делается это для того, чтобы компенсировать возможный недосыл при установке. Буксу с внутренней резьбой еще можно досылать при смыкании, вскрыв часть торца, а с наружной резьбой ничего не получится.
-
- Сообщения: 254
- Зарегистрирован: 22 авг 2014, 18:43
- Страна, Регион, Область: Россия, ЦФО
- Город: ЦФО
- Благодарил (а): 4 раза
- Поблагодарили: 86 раз
Re: Пресс-форма на фитинг с закладной резьбовой вставкой.
В догонку к предыдущему. Допустим, что все посадки выполнены с резьбой, в том числе, в ползунах. Как вы будете вкручивать буксу в сомкнутую форму? А если ставить в разомкнутую, то как ориентировать резьбу в закладной относительно резьбы в ползунах? Не получится так, что гребни резьбы в ползунах попадут на гребни резьбы на закладной?
-
- Сообщения: 22
- Зарегистрирован: 11 дек 2021, 21:25
- Страна, Регион, Область: Беларусь
- Город: Новогрудок
- Благодарил (а): 0
- Поблагодарили: 1 раз
Re: Пресс-форма на фитинг с закладной резьбовой вставкой.
Потому что так нарисовал конструктор по изделию: образцы разрезали, вставки доставались.
Требований особых по маркировки нету- должно быть читаемо.
Думаю компактную форму делать на 4 места. Про тираж точно не скажу , не более 5 тыс.nozzio писал(а): ↑13 дек 2021, 10:34Помогаю: на картинке НЕ правильная схема пресс-формы.
Тираж большой?
Гнездность какая планируется?
Линия разьема формируется подвижкой и неподвижкой, а не "полуматрицами".
Простая, даже очень простейшая, и дешевая форма будет со вставками, на которые вы будете накручивать резьбовые втулки,
а потом выкручивать из детали - пары-тройки комплектов вполне хватит...
Не простая форма будет с вращающимися знаками, свистелками и перделками,
оператором накручивающим втулки или автоматическим приводом, роботом и прочим...![]()
Что касаемо линии разъема на образцах отчетливо видно по следу разъема формирование части детали ползунами.
Речи не идёт о роботах и приводах. Оператор вставил закладные, форма закрылась.
Мы тоже обратили на это внимание. Скорее всего на этих участках должен быть точный допуск по диаметру для перекрытия.Алексей shm писал(а): ↑13 дек 2021, 11:17На прототипе видно, что резьба, как внутренняя, так и наружная, заканчивается небольшим цилиндрическим участком по наружному (внутреннему) диаметру резьбы. Это позволяет надежно перекрывать пластик по цилиндру с точным допуском. Резьба имеет свободные допуски и отсечь пластмассу по резьбе проблематично, будут подливы, а ужесточать допуски на резьбу нецелесообразно. Схема формы во многом зависит от удобства работы на ней, требований к детали и возможностей инструментального производства.
Возможностей в инструментальном хватает и специалисты есть. П-ф, штампы делаем сами: фрезерные станки с ЧПУ есть, эрозия, проволочник. Требования к детали: фитинг для прохода газа. Конструктору по изделию положили на стол детальки, нарисует как есть- никаких там спец. требований не будет.
Да , газом.
Как я понимаю вставлять закладные только в разомкнутую форму на знак по посадке. Но если с одной вставкой, которая по моей схеме вставляется в неподвижную половину вопросов не возникает , то как уплотнить вставку в подвижной по наружи в матрице вопрос. И как эти вставки фиксировать в крайних положениях на знаках. Допустим заложил я вставку- машина при движении дернулась, вставка отошла и всё моё уплотнение по цилиндрической части по посадки коту под хвост.Алексей shm писал(а): ↑13 дек 2021, 13:42В догонку к предыдущему. Допустим, что все посадки выполнены с резьбой, в том числе, в ползунах. Как вы будете вкручивать буксу в сомкнутую форму? А если ставить в разомкнутую, то как ориентировать резьбу в закладной относительно резьбы в ползунах? Не получится так, что гребни резьбы в ползунах попадут на гребни резьбы на закладной?
-
- Сообщения: 254
- Зарегистрирован: 22 авг 2014, 18:43
- Страна, Регион, Область: Россия, ЦФО
- Город: ЦФО
- Благодарил (а): 4 раза
- Поблагодарили: 86 раз
Re: Пресс-форма на фитинг с закладной резьбовой вставкой.
Вот об этом самом я и говорю, что каждая закладная должна иметь предохранение от недосыла и при смыкании, досылаться вставкой или плитой с противоположной стороны. Ну и резьбу с ползунов надо убирать, иначе надо будет ориентировать резьбу на закладной относительно резьбы на ползунах по углу поворота. Что касается осевой фиксации, то если убрать резьбу на ползуне, то можно поставить туда 2 или 4 подпружиненных фиксатора и какой-то или несколько из них обязательно попадут во впадину резьбы. А если и не попадут, то все равно пружина не позволит сместиться закладной по оси.
-
- Сообщения: 22
- Зарегистрирован: 11 дек 2021, 21:25
- Страна, Регион, Область: Беларусь
- Город: Новогрудок
- Благодарил (а): 0
- Поблагодарили: 1 раз
Re: Пресс-форма на фитинг с закладной резьбовой вставкой.
На моей схеме на ползунах не резьба , а просто отверстие для уплотнения от протекания пластика, чтобы не залило наружную резьбу в латунной вставки. Но скорее всего ползуны надо делать до шейки , а дальше делать в обойме вставку.Алексей shm писал(а): ↑13 дек 2021, 18:14Ну и резьбу с ползунов надо убирать, иначе надо будет ориентировать резьбу на закладной относительно резьбы на ползунах по углу поворота. Что касается осевой фиксации, то если убрать резьбу на ползуне, то можно поставить туда 2 или 4 подпружиненных фиксатора и какой-то или несколько из них обязательно попадут во впадину резьбы. А если и не попадут, то все равно пружина не позволит сместиться закладной по оси.
-
- Сообщения: 67
- Зарегистрирован: 28 фев 2017, 09:15
- Страна, Регион, Область: РФ
- Город: Рязань
- Благодарил (а): 50 раз
- Поблагодарили: 34 раза
Re: Пресс-форма на фитинг с закладной резьбовой вставкой.
сугубо моё имхо: форма-хлопушка-проще-некуда, 2 гнезда, БЕЗО всяких подвижных частей (ползунов, полуматриц, слайдеров, шиберов) со знаками-вставками
даж толкатели сбоку в знаки

если есть вертикалка - то под неё
p.s. и... это... ни кто не запрещает дальше упражняться...

часто сталкиваюсь с тем, что почему-то наличие какого-либо оборудования
на предприятиях бывшего ссср является синонимом наличия мозгов...
ни в коем случае не имею в виду конкретно вас...

Dixi
-
- Сообщения: 254
- Зарегистрирован: 22 авг 2014, 18:43
- Страна, Регион, Область: Россия, ЦФО
- Город: ЦФО
- Благодарил (а): 4 раза
- Поблагодарили: 86 раз
Re: Пресс-форма на фитинг с закладной резьбовой вставкой.
Не буду говорить о количестве гнезд, это решайте сами, но думаю, что четыре слишком. Мне непонятно в вашей схеме назначение и конструкция уплотнений, в частности, из какого материала, как крепятся эти вставки в ползунах. В первые встречаю такой элемент в конструкции форм, а все новое мне интересно.
-
- Сообщения: 22
- Зарегистрирован: 11 дек 2021, 21:25
- Страна, Регион, Область: Беларусь
- Город: Новогрудок
- Благодарил (а): 0
- Поблагодарили: 1 раз
Re: Пресс-форма на фитинг с закладной резьбовой вставкой.
Ну на счёт гнездности ещё буду прикидывать, как будет получаться. Потом попробую перерисовать схему, т.к. она наверное не очень понятная и вводит в заблуждения. Латунные вставки не крепятся в ползунах. Когда форма раскрыта ползуны разведены и вставка в подвижной половине садится на знак по посадке.Алексей shm писал(а): ↑14 дек 2021, 10:01Не буду говорить о количестве гнезд, это решайте сами, но думаю, что четыре слишком. Мне непонятно в вашей схеме назначение и конструкция уплотнений, в частности, из какого материала, как крепятся эти вставки в ползунах. В первые встречаю такой элемент в конструкции форм, а все новое мне интересно.
-
- Сообщения: 127
- Зарегистрирован: 11 ноя 2011, 08:05
- Страна, Регион, Область: Германия
- Город: Schmalkalden
- Благодарил (а): 0
- Поблагодарили: 11 раз
Re: Пресс-форма на фитинг с закладной резьбовой вставкой.
Изделия подобного толку отливаются поэтапно.
Изначаьно в формообразующие заклыдавается одна из деталей, на Ваш выбор, вырнее на способности конструктора и отливается полузаготовка (Закладной элемент + Матеиал желтого цвета)
После этого наша заготовка (Закладной элемент + Матеиал желтого цвета) закладывается в новую формообразующую, куда таже закладывается и второй закладной элемент к примеру с внуртенней резьбой и происходит окончание отливание детали в форме.
Как правило это все делается в одной форме, подвижная сторона крутится на 180 градусов, робот закладывает вставные елементы в форму.
Впрыск произодится через ГКС с запорными иглами.
На Ваши объемы одного гнезда будет достатояно.
Как правило пилотная форма отливает большие объемы чем ВАША серия.
Изначаьно в формообразующие заклыдавается одна из деталей, на Ваш выбор, вырнее на способности конструктора и отливается полузаготовка (Закладной элемент + Матеиал желтого цвета)
После этого наша заготовка (Закладной элемент + Матеиал желтого цвета) закладывается в новую формообразующую, куда таже закладывается и второй закладной элемент к примеру с внуртенней резьбой и происходит окончание отливание детали в форме.
Как правило это все делается в одной форме, подвижная сторона крутится на 180 градусов, робот закладывает вставные елементы в форму.
Впрыск произодится через ГКС с запорными иглами.
На Ваши объемы одного гнезда будет достатояно.
Как правило пилотная форма отливает большие объемы чем ВАША серия.
-
- Сообщения: 22
- Зарегистрирован: 11 дек 2021, 21:25
- Страна, Регион, Область: Беларусь
- Город: Новогрудок
- Благодарил (а): 0
- Поблагодарили: 1 раз
Re: Пресс-форма на фитинг с закладной резьбовой вставкой.
Нету ни робота, ни вращения на 180, да и про ГКС речь не идёт- стоит задача исполнить форму на обычный гориз. ТПА.Vlad Formconsult писал(а): ↑14 дек 2021, 16:39Изделия подобного толку отливаются поэтапно.
Изначаьно в формообразующие заклыдавается одна из деталей, на Ваш выбор, вырнее на способности конструктора и отливается полузаготовка (Закладной элемент + Матеиал желтого цвета)
После этого наша заготовка (Закладной элемент + Матеиал желтого цвета) закладывается в новую формообразующую, куда таже закладывается и второй закладной элемент к примеру с внуртенней резьбой и происходит окончание отливание детали в форме.
Как правило это все делается в одной форме, подвижная сторона крутится на 180 градусов, робот закладывает вставные елементы в форму.
Впрыск произодится через ГКС с запорными иглами.
На Ваши объемы одного гнезда будет достатояно.
Как правило пилотная форма отливает большие объемы чем ВАША серия.
-
- Сообщения: 254
- Зарегистрирован: 22 авг 2014, 18:43
- Страна, Регион, Область: Россия, ЦФО
- Город: ЦФО
- Благодарил (а): 4 раза
- Поблагодарили: 86 раз
Re: Пресс-форма на фитинг с закладной резьбовой вставкой.
Отливка в два этапа решает проблему возможного смещения (недосыла) закладных деталей при установке (смыкании), так как позволяет дослать закладную при смыкании. Вместо робота можно использовать литейщицу тетю Машу. Но холодный спай при отливке в два этапа как скажется на герметичности не знаю. Большие сомнения по поводу латунных вставок для уплотнения стыков. Латунь быстро износится, появится облой. Всегда решали эту проблему ужесточением допусков на формообразующей и закладной.
-
- Сообщения: 3455
- Зарегистрирован: 02 фев 2020, 10:56
- Страна, Регион, Область: Германия
- Город: NRW
- Благодарил (а): 1219 раз
- Поблагодарили: 1429 раз
Re: Пресс-форма на фитинг с закладной резьбовой вставкой.
Vlad. Идеальный вариант с миллионной партией. Деталька 200 рублей, 5000 штук . Это самодельная форма и ручной пресс и то дорого будетVlad Formconsult писал(а): ↑14 дек 2021, 16:39Изделия подобного толку отливаются поэтапно.
Изначаьно в формообразующие заклыдавается одна из деталей, на Ваш выбор, вырнее на способности конструктора и отливается полузаготовка (Закладной элемент + Матеиал желтого цвета)
После этого наша заготовка (Закладной элемент + Матеиал желтого цвета) закладывается в новую формообразующую, куда таже закладывается и второй закладной элемент к примеру с внуртенней резьбой и происходит окончание отливание детали в форме.
Как правило это все делается в одной форме, подвижная сторона крутится на 180 градусов, робот закладывает вставные елементы в форму.
Впрыск произодится через ГКС с запорными иглами.
На Ваши объемы одного гнезда будет достатояно.
Как правило пилотная форма отливает большие объемы чем ВАША серия.

Кстати, я конечно от werzeugbau далёк, лью на том что дают. Но , нельзя ли деталь вертикально посадить? Два шибера одну буксу вкручиваем в верхний шибер , другую ставим на втулку нижнего . Сводим вместе шрек больцами или гидравликой и льём в шестигранник, в идеале конечно гк перекрываемый. Но нет так нет можно и литник с двумя бананами или напрямую. Может не туда конечно думаю .
Nein zum Krieg.
-
- Сообщения: 3455
- Зарегистрирован: 02 фев 2020, 10:56
- Страна, Регион, Область: Германия
- Город: NRW
- Благодарил (а): 1219 раз
- Поблагодарили: 1429 раз
Re: Пресс-форма на фитинг с закладной резьбовой вставкой.
И как эти вставки фиксировать в крайних положениях на знаках. Допустим заложил я вставку- машина при движении дернулась, вставка отошла и всё моё уплотнение по цилиндрической части по посадки коту под хвост.
Так , как пример. Если буксы стальные.
Так , как пример. Если буксы стальные.
Nein zum Krieg.
-
- Сообщения: 22
- Зарегистрирован: 11 дек 2021, 21:25
- Страна, Регион, Область: Беларусь
- Город: Новогрудок
- Благодарил (а): 0
- Поблагодарили: 1 раз
Re: Пресс-форма на фитинг с закладной резьбовой вставкой.
И ещё мы обратили внимание (видно на последнем скрине) на вершины резьбы на закладной, как-будто они проточены по точному размеру.
-
- Сообщения: 254
- Зарегистрирован: 22 авг 2014, 18:43
- Страна, Регион, Область: Россия, ЦФО
- Город: ЦФО
- Благодарил (а): 4 раза
- Поблагодарили: 86 раз
Re: Пресс-форма на фитинг с закладной резьбовой вставкой.
Не знаю модель вашей машины. Собственно, вопрос в том, имеет ли ваша машина отдельный привод выталкивающей системы, чтобы вернуть выталкиватели на место до смыкания формы. А то ведь машины серии ДА, ДБ или KUASY имеют привод от механического упора, поэтому поставить закладную в подвижную часть не получится, трубчатые толкатели помешают.
-
- Сообщения: 22
- Зарегистрирован: 11 дек 2021, 21:25
- Страна, Регион, Область: Беларусь
- Город: Новогрудок
- Благодарил (а): 0
- Поблагодарили: 1 раз
Re: Пресс-форма на фитинг с закладной резьбовой вставкой.
Стоит там цилиндр. Толкает в хвостовик с пружиной. мы проектируем формы вот так:Алексей shm писал(а): ↑15 дек 2021, 10:26Не знаю модель вашей машины. Собственно, вопрос в том, имеет ли ваша машина отдельный привод выталкивающей системы, чтобы вернуть выталкиватели на место до смыкания формы. А то ведь машины серии ДА, ДБ или KUASY имеют привод от механического упора, поэтому поставить закладную в подвижную часть не получится, трубчатые толкатели помешают.
-
- Сообщения: 2
- Зарегистрирован: 22 авг 2019, 09:06
- Страна, Регион, Область: Владимирская обл
- Город: п.Искра
- Благодарил (а): 0
- Поблагодарили: 0
Re: Пресс-форма на фитинг с закладной резьбовой вставкой.
Здравствуйте! Не подскажете, кто производит латунные диэлектрические штуцеры с вставкой, как на фотографии? Буду очень признателен за любую информацию.
Кто сейчас на конференции
Сейчас этот форум просматривают: нет зарегистрированных пользователей и 4 гостя