Не падает давление впрыска.
-
- Сообщения: 3455
- Зарегистрирован: 02 фев 2020, 10:56
- Страна, Регион, Область: Германия
- Город: NRW
- Благодарил (а): 1219 раз
- Поблагодарили: 1429 раз
Не падает давление впрыска.
Добрых всем выходых, уважаемые коллеги.
Прошу совета и помощи в одной непонятной ситуации. Пару дней назад наша старушка Battenfeld 180 t, 2001 , закапризничала. Монтёра дождёмся в лучшем случае к концу следующей недели. Все начали работать в нормальном , если не ещё усиленном режиме и у них просто не хватает людей.
Дело в том что машина перестала сбрасывать давление впрыска. В автомате, в ручном впрыске или в наладке без кручения , всегда давление в мат цилиндре. Даже при выключенном моторе. Естественно набор дозы в отведённом состоянии происходит выливанием материала из сопла . Впрыск очень шумный и хаотичный . Просто с грохотом . Первое на что подумали клапан впрыск и набора. Был в наличии. Замена ничего не дала.
Заранее спасибо. Есть пару видео и схемы. Видео конечно так себе. Но смысл думаю ясен.
Прошу совета и помощи в одной непонятной ситуации. Пару дней назад наша старушка Battenfeld 180 t, 2001 , закапризничала. Монтёра дождёмся в лучшем случае к концу следующей недели. Все начали работать в нормальном , если не ещё усиленном режиме и у них просто не хватает людей.
Дело в том что машина перестала сбрасывать давление впрыска. В автомате, в ручном впрыске или в наладке без кручения , всегда давление в мат цилиндре. Даже при выключенном моторе. Естественно набор дозы в отведённом состоянии происходит выливанием материала из сопла . Впрыск очень шумный и хаотичный . Просто с грохотом . Первое на что подумали клапан впрыск и набора. Был в наличии. Замена ничего не дала.
Заранее спасибо. Есть пару видео и схемы. Видео конечно так себе. Но смысл думаю ясен.
Nein zum Krieg.
-
- Эксперт Гидравлик
- Сообщения: 5584
- Зарегистрирован: 24 окт 2012, 20:41
- Страна, Регион, Область: СССР
- Город: Деревня Малая Малявня
- Откуда: деревня МАЛАЯ МАЛЯВНЯ
- Благодарил (а): 602 раза
- Поблагодарили: 816 раз
Re: Не падает давление впрыска.
Получается что и декомпрессии нет? Надо схему смотреть и подумать. Какие-то схемы есть на БАТ. Надо искать, но древние.
-
- Сообщения: 3455
- Зарегистрирован: 02 фев 2020, 10:56
- Страна, Регион, Область: Германия
- Город: NRW
- Благодарил (а): 1219 раз
- Поблагодарили: 1429 раз
Re: Не падает давление впрыска.
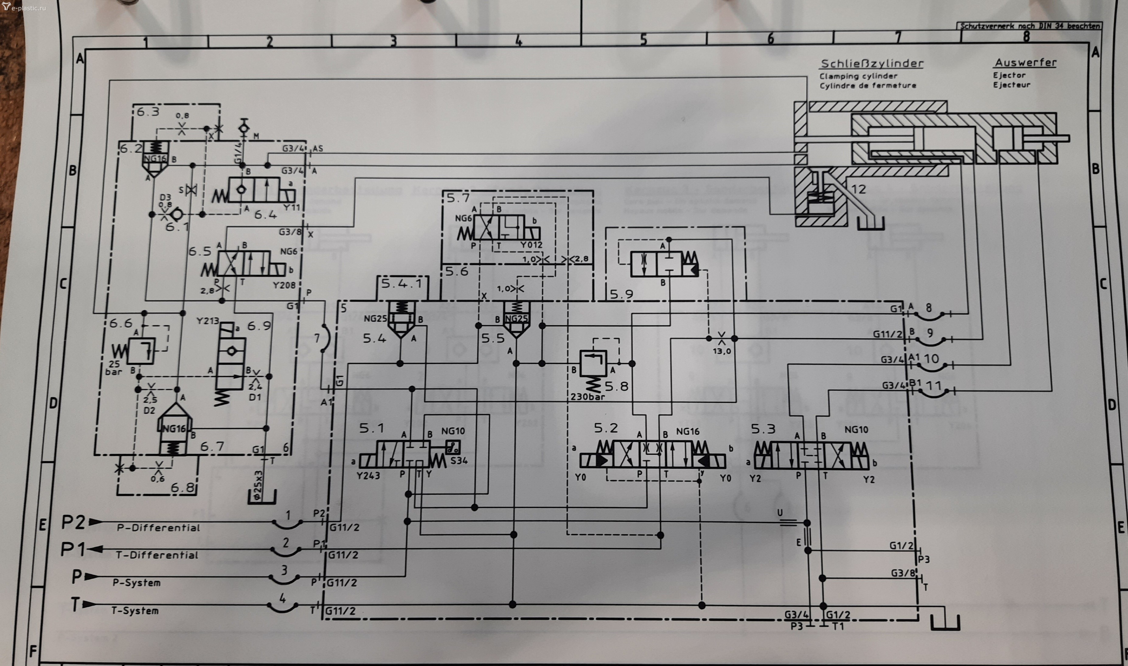
Слава спасибо, что откликнулся. Схемы не проблема. Они у меня на все наши машины есть. Я правда в них не очень. Знать бы точно что нужно. Вот 3 есть при себе , именно с этой машины.
Да , не понятно как то. Впервые такое. По идее впрыск прошёл , давление на 0. Дозу набираем , давление поднимается только в приделах установленного противодавления. Затем снова на 0 . Здесь же ниже 700 бар не уходит . И грохот при впрыске , кажется всё поотрывает нах.
Да , не понятно как то. Впервые такое. По идее впрыск прошёл , давление на 0. Дозу набираем , давление поднимается только в приделах установленного противодавления. Затем снова на 0 . Здесь же ниже 700 бар не уходит . И грохот при впрыске , кажется всё поотрывает нах.
Nein zum Krieg.
-
- Эксперт Гидравлик
- Сообщения: 5584
- Зарегистрирован: 24 окт 2012, 20:41
- Страна, Регион, Область: СССР
- Город: Деревня Малая Малявня
- Откуда: деревня МАЛАЯ МАЛЯВНЯ
- Благодарил (а): 602 раза
- Поблагодарили: 816 раз
Re: Не падает давление впрыска.
Скорее всего пропорциональник y9 накрылся . Или управление на него. Не отрабатывает своё позиционирование по заданию. Уровень конечно познаний не мой. Думаю управляется положительным и отрицательными сигналами. Один солиноид давит или втягивается обеспечивая скорость впрыска и...
- Рейтинг: 5%
-
- Эксперт Гидравлик
- Сообщения: 5584
- Зарегистрирован: 24 окт 2012, 20:41
- Страна, Регион, Область: СССР
- Город: Деревня Малая Малявня
- Откуда: деревня МАЛАЯ МАЛЯВНЯ
- Благодарил (а): 602 раза
- Поблагодарили: 816 раз
Re: Не падает давление впрыска.
и подпор при наборе материала вернее обеспечивает слив с цилиндра впрыска на регулятор подпора .
-
- Эксперт Гидравлик
- Сообщения: 5584
- Зарегистрирован: 24 окт 2012, 20:41
- Страна, Регион, Область: СССР
- Город: Деревня Малая Малявня
- Откуда: деревня МАЛАЯ МАЛЯВНЯ
- Благодарил (а): 602 раза
- Поблагодарили: 816 раз
-
- Сообщения: 3455
- Зарегистрирован: 02 фев 2020, 10:56
- Страна, Регион, Область: Германия
- Город: NRW
- Благодарил (а): 1219 раз
- Поблагодарили: 1429 раз
Re: Не падает давление впрыска.
Спасибо огромное. Конечно буду держать в курсе. Завтра попробуем пока электрика подключить, может что увидит. Слава, а y9 это же на впрыск и набор ? Не его ли мы меняли ? Жаль не сфотографировал. Ну да ладно.
Ещё интересный факт. Бывают моменты, грохот преподаёт , особенно поле выключения полностью машины и нового старта. Детали сразу неполные , подгонишь точкой переключения , всё идёт. Буквально через пол часа , впрыск с грохотом возобновляется и отливки все перелиты , чуть ли не в два раза. НО , даже в короткие моменты тихой работы , давление не падает

Nein zum Krieg.
-
- Эксперт Гидравлик
- Сообщения: 5584
- Зарегистрирован: 24 окт 2012, 20:41
- Страна, Регион, Область: СССР
- Город: Деревня Малая Малявня
- Откуда: деревня МАЛАЯ МАЛЯВНЯ
- Благодарил (а): 602 раза
- Поблагодарили: 816 раз
Re: Не падает давление впрыска.
Возможно и поменяли Y9 a управление по сигналам чудит. Электронику понаблюдать надо бы.
- Рейтинг: 5%
-
- Эксперт Гидравлик
- Сообщения: 5584
- Зарегистрирован: 24 окт 2012, 20:41
- Страна, Регион, Область: СССР
- Город: Деревня Малая Малявня
- Откуда: деревня МАЛАЯ МАЛЯВНЯ
- Благодарил (а): 602 раза
- Поблагодарили: 816 раз
Re: Не падает давление впрыска.
Может выглядеть так. Я тоже еще учусь. Хочется постигнуть следящие системы. Штурмуем насос Юкен Япония.
Последний раз редактировалось ЗЮМ 14 ноя 2021, 15:28, всего редактировалось 1 раз.
-
- Сообщения: 811
- Зарегистрирован: 29 июл 2011, 20:30
- Страна, Регион, Область: Её уже нет, только память...
- Город: Город, который помню с детства
- Благодарил (а): 108 раз
- Поблагодарили: 164 раза
Re: Не падает давление впрыска.
А манометры 7.1 и 7.2 что показывают?
Качество - это делать что-либо правильно, даже когда никто не смотрит.
© Генри Форд
© Генри Форд
-
- Сообщения: 3455
- Зарегистрирован: 02 фев 2020, 10:56
- Страна, Регион, Область: Германия
- Город: NRW
- Благодарил (а): 1219 раз
- Поблагодарили: 1429 раз
Re: Не падает давление впрыска.
Точно не скажу. Но должны ли они оба при впрыске давление показывать? По видио видно, как трели скачут.
- Вложения
-
- 8738F4DF-44F8-4C35-9A5A-1891097130D6.jpeg (18.88 КБ) 5221 просмотр
Nein zum Krieg.
-
- Сообщения: 3455
- Зарегистрирован: 02 фев 2020, 10:56
- Страна, Регион, Область: Германия
- Город: NRW
- Благодарил (а): 1219 раз
- Поблагодарили: 1429 раз
Re: Не падает давление впрыска.
Что интересно. Есть у нас две машины. Одинаковые. Одна 130, другая 180т . Но , на 130 т вентиль как на фото, а на проблемной вот такой .
http://german.hydraulic-gearpump.com/sa ... ntrol.html. Его то мы и меняли . Он был заводской, ещё под цвет машины.
http://german.hydraulic-gearpump.com/sa ... ntrol.html. Его то мы и меняли . Он был заводской, ещё под цвет машины.
- Вложения
-
- C5EEF23C-9228-4FC6-9C42-30F26A4FDDB5.jpeg (32.77 КБ) 5200 просмотров
Nein zum Krieg.
-
- Сообщения: 811
- Зарегистрирован: 29 июл 2011, 20:30
- Страна, Регион, Область: Её уже нет, только память...
- Город: Город, который помню с детства
- Благодарил (а): 108 раз
- Поблагодарили: 164 раза
Re: Не падает давление впрыска.
Может у Вас установлен MOOG-клапан? Battenfeld любит их использовать.
Похожих нет?
https://www.resale.info/ru/MOOG/%D0%90% ... /kat-2807/
Похожих нет?
https://www.resale.info/ru/MOOG/%D0%90% ... /kat-2807/
- За это сообщение автора agent_serg поблагодарил:
- Артур69
- Рейтинг: 5%
Качество - это делать что-либо правильно, даже когда никто не смотрит.
© Генри Форд
© Генри Форд
-
- Сообщения: 3455
- Зарегистрирован: 02 фев 2020, 10:56
- Страна, Регион, Область: Германия
- Город: NRW
- Благодарил (а): 1219 раз
- Поблагодарили: 1429 раз
Re: Не падает давление впрыска.
Вполне возможно. Moog у нас много где стоят . Вы правы на Battenfeld, как бы не чаще чем Rexroth- Bosch . Других правда я ещё не видел ни на одной машине. Точнее могу завтра сказать, ближе к вечеру.agent_serg писал(а): ↑14 ноя 2021, 21:26Может у Вас установлен MOOG-клапан? Battenfeld любит их использовать.
Похожих нет?
https://www.resale.info/ru/MOOG/%D0%90% ... /kat-2807/

- Вложения
-
- D139AC58-3CD8-4B7E-AD3E-5209C6F6DA61.jpeg (83.75 КБ) 5159 просмотров
- Рейтинг: 5%
Nein zum Krieg.
-
- Сообщения: 3455
- Зарегистрирован: 02 фев 2020, 10:56
- Страна, Регион, Область: Германия
- Город: NRW
- Благодарил (а): 1219 раз
- Поблагодарили: 1429 раз
Re: Не падает давление впрыска.
Всем здравия.
Небольшой промежуточный отчёт.
В принципе, ничего с места не сдвинулось. Отвечая на вчерашние вопросы, декомпрессии нет совсем. Не зависимо от установки пути и скорости , шнек стоит как вкопаный после набора. Moog там не стоит . Но всё таки не пойму . Две одинаковые машины , одного года и разные системы. На второй именно Moog.
Так чисто для интереса. Может пригодится кому. А это с соседней Короче электрик ничего не нашёл и после вмешательства товарища с верхнего этажа , а он умеет уговаривать
, думаю монтёр будет уже завтра.
Небольшой промежуточный отчёт.
В принципе, ничего с места не сдвинулось. Отвечая на вчерашние вопросы, декомпрессии нет совсем. Не зависимо от установки пути и скорости , шнек стоит как вкопаный после набора. Moog там не стоит . Но всё таки не пойму . Две одинаковые машины , одного года и разные системы. На второй именно Moog.
Так чисто для интереса. Может пригодится кому. А это с соседней Короче электрик ничего не нашёл и после вмешательства товарища с верхнего этажа , а он умеет уговаривать

- Рейтинг: 5%
Nein zum Krieg.
-
- Сообщения: 1584
- Зарегистрирован: 01 окт 2013, 15:06
- Страна, Регион, Область: Россия
- Город: Екатеринбург
- Откуда: Yevlax
- Благодарил (а): 414 раз
- Поблагодарили: 386 раз
Re: Не падает давление впрыска.
Манометр 7.1- давления в системе;
Манометр 7.2- давление впрыска и противо давление (подпор)
-
- Сообщения: 1584
- Зарегистрирован: 01 окт 2013, 15:06
- Страна, Регион, Область: Россия
- Город: Екатеринбург
- Откуда: Yevlax
- Благодарил (а): 414 раз
- Поблагодарили: 386 раз
Re: Не падает давление впрыска.
Артур! А датчик давления на блоке впрыска меняли?
- Вложения
-
- 20211112_225543~2.jpg (71.83 КБ) 4933 просмотра
Последний раз редактировалось Мулланур 16 ноя 2021, 21:27, всего редактировалось 1 раз.
-
- Сообщения: 3455
- Зарегистрирован: 02 фев 2020, 10:56
- Страна, Регион, Область: Германия
- Город: NRW
- Благодарил (а): 1219 раз
- Поблагодарили: 1429 раз
Re: Не падает давление впрыска.
Совершенно верно.
Nein zum Krieg.
-
- Сообщения: 3455
- Зарегистрирован: 02 фев 2020, 10:56
- Страна, Регион, Область: Германия
- Город: NRW
- Благодарил (а): 1219 раз
- Поблагодарили: 1429 раз
Re: Не падает давление впрыска.
Мулланур . Меняли только этот вентиль. Сегодня опять никого не дождались.
Судя по схеме , этот ? Или ?
Последний раз редактировалось Артур69 16 ноя 2021, 21:52, всего редактировалось 1 раз.
Nein zum Krieg.
-
- Сообщения: 1584
- Зарегистрирован: 01 окт 2013, 15:06
- Страна, Регион, Область: Россия
- Город: Екатеринбург
- Откуда: Yevlax
- Благодарил (а): 414 раз
- Поблагодарили: 386 раз
Re: Не падает давление впрыска.
Так это всего лишь пилот который включает загрузки и декомпрессию.
- Вложения
-
- IMG_20211116_233604.jpg (77.36 КБ) 4917 просмотров
-
- Красный-датчик давления, а синий регулировка скорости
- IMG_20211116_233731.jpg (134.48 КБ) 4918 просмотров
-
- Загрузка и декопрессия
- IMG_20211116_233851.jpg (112.89 КБ) 4918 просмотров
- За это сообщение автора Мулланур поблагодарили (всего 2):
- Артур69 • Дмитрий Андреев
- Рейтинг: 10%
-
- Сообщения: 1584
- Зарегистрирован: 01 окт 2013, 15:06
- Страна, Регион, Область: Россия
- Город: Екатеринбург
- Откуда: Yevlax
- Благодарил (а): 414 раз
- Поблагодарили: 386 раз
Re: Не падает давление впрыска.
Да, "Красный" датчик может глючить по давлению, но может и сбой у пропорционального клапана скорости впрыска и противодавления (синий цвет).
- Вложения
-
- Белый цвет- перемещение сопла
- IMG_20211116_233731 (1)~2.jpg (134.69 КБ) 4877 просмотров
-
- IMG_20211116_235915.jpg (92.1 КБ) 4878 просмотров
-
- IMG_20211117_000101.jpg (80.02 КБ) 4878 просмотров
- За это сообщение автора Мулланур поблагодарил:
- Дмитрий Андреев
- Рейтинг: 5%
-
- Сообщения: 3455
- Зарегистрирован: 02 фев 2020, 10:56
- Страна, Регион, Область: Германия
- Город: NRW
- Благодарил (а): 1219 раз
- Поблагодарили: 1429 раз
Re: Не падает давление впрыска.
Могу как-то проверить датчик не снимая? Заменить есть чем , искать надо . Запчастей хватит ещё на машину.
Nein zum Krieg.
-
- Сообщения: 1584
- Зарегистрирован: 01 окт 2013, 15:06
- Страна, Регион, Область: Россия
- Город: Екатеринбург
- Откуда: Yevlax
- Благодарил (а): 414 раз
- Поблагодарили: 386 раз
Re: Не падает давление впрыска.
"Красный" Проще поменять и проверить,
Но соглашусь скорее всего с коллегами, что придётся менять "Синий".
- Вложения
-
- IMG_20211117_002859.jpg (44.91 КБ) 4851 просмотр
-
- Сообщения: 3455
- Зарегистрирован: 02 фев 2020, 10:56
- Страна, Регион, Область: Германия
- Город: NRW
- Благодарил (а): 1219 раз
- Поблагодарили: 1429 раз
Re: Не падает давление впрыска.
Понятно. Спасибо огромное. Посмотрим завтра. Сегодня уже скоро домой. Работы привалило людей нету. В стане нехватка рабочих рук. Фирмы растут быстрее чем дети
. Надо ехать забирать с приграницы , всем известной . 


Nein zum Krieg.
-
- Сообщения: 3455
- Зарегистрирован: 02 фев 2020, 10:56
- Страна, Регион, Область: Германия
- Город: NRW
- Благодарил (а): 1219 раз
- Поблагодарили: 1429 раз
Re: Не падает давление впрыска.
Подходит только что мой начальник отдела и на мой вопрос, где обещанный монтёр, вылепляет. Ещё раз с ними созванивались, завтра пришлют Druckregler
, попробовать. Хотя у нас есть такой но не важно. А это ничто иное в переводе как датчик давления
Форум читали, наверное.
Мулланур, с меня причитается. Надеюсь поможет.
Коллеги всем ещё раз огромное спасибо. Продолжение следует.


Мулланур, с меня причитается. Надеюсь поможет.
Коллеги всем ещё раз огромное спасибо. Продолжение следует.
Nein zum Krieg.
-
- Сообщения: 1584
- Зарегистрирован: 01 окт 2013, 15:06
- Страна, Регион, Область: Россия
- Город: Екатеринбург
- Откуда: Yevlax
- Благодарил (а): 414 раз
- Поблагодарили: 386 раз
Re: Не падает давление впрыска.
Думаю что на 90% неисправность распределителя что я выделил на ваших фото синим маркером (на схеме √10) и только 10% не исправность из-за датчика давления (красный цвет √9).
Вы бы этот распределитель заказали бы тоже.
Вы бы этот распределитель заказали бы тоже.
-
- Сообщения: 3455
- Зарегистрирован: 02 фев 2020, 10:56
- Страна, Регион, Область: Германия
- Город: NRW
- Благодарил (а): 1219 раз
- Поблагодарили: 1429 раз
Re: Не падает давление впрыска.
К сожалению так и получилось. Прихожу сегодня, а подарок ждёт. Перекинул по быстрому и ... облом. Показания давления впрыска на мониторе -110 бар

Nein zum Krieg.
-
- Сообщения: 811
- Зарегистрирован: 29 июл 2011, 20:30
- Страна, Регион, Область: Её уже нет, только память...
- Город: Город, который помню с детства
- Благодарил (а): 108 раз
- Поблагодарили: 164 раза
Re: Не падает давление впрыска.
Я за всю свою историю не помню даже такого. Только если механически повредили сами.
Качество - это делать что-либо правильно, даже когда никто не смотрит.
© Генри Форд
© Генри Форд
-
- Сообщения: 3455
- Зарегистрирован: 02 фев 2020, 10:56
- Страна, Регион, Область: Германия
- Город: NRW
- Благодарил (а): 1219 раз
- Поблагодарили: 1429 раз
Re: Не падает давление впрыска.
И так. Эпопея закончена. Машина в работе.
Был человек с Battenfeld, причину установил почти сразу. И да , датчик давления. Я же сам новый поставил. Он проверяет , мёртв. Короче всё проще ,чем мы думали. Датчики мы угробили кабелем. Именно кабель соединения был причиной бед. Видимо где-то пробит или надломлен хотя ничего не видно. Поставили новый датчик , новый кабель , гораздо толще и стабильнее и всё работает.
Ещё раз спасибо за помощь. С меня поляна
.
Был человек с Battenfeld, причину установил почти сразу. И да , датчик давления. Я же сам новый поставил. Он проверяет , мёртв. Короче всё проще ,чем мы думали. Датчики мы угробили кабелем. Именно кабель соединения был причиной бед. Видимо где-то пробит или надломлен хотя ничего не видно. Поставили новый датчик , новый кабель , гораздо толще и стабильнее и всё работает.
Ещё раз спасибо за помощь. С меня поляна

- Рейтинг: 10%
Nein zum Krieg.
Кто сейчас на конференции
Сейчас этот форум просматривают: нет зарегистрированных пользователей и 13 гостей