Помогите найти запчасть на KuASY 405/100
-
ЗЮМ
- Эксперт Гидравлик
- Сообщения: 5647
- Зарегистрирован: 24 окт 2012, 20:41
- Страна, Регион, Область: СССР
- Город: Деревня Малая Малявня
- Откуда: деревня МАЛАЯ МАЛЯВНЯ
- Благодарил (а): 604 раза
- Поблагодарили: 825 раз
Re: Помогите найти запчасть на KuASY 405/100
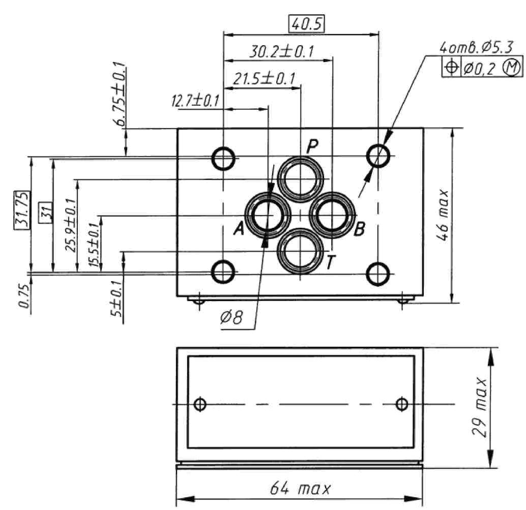
Есть в свободной продаже. С доставкой по всей России. Встроенный обратный клапан в линии Р нет. Ставим без него. Все работает. В случае необходимости ставим под него модульную плитку с обратным клапаном в линии Р.
- Рейтинг: 5%
-
ЗЮМ
- Эксперт Гидравлик
- Сообщения: 5647
- Зарегистрирован: 24 окт 2012, 20:41
- Страна, Регион, Область: СССР
- Город: Деревня Малая Малявня
- Откуда: деревня МАЛАЯ МАЛЯВНЯ
- Благодарил (а): 604 раза
- Поблагодарили: 825 раз
Re: Помогите найти запчасть на KuASY 405/100
Модульная плитка приобретается и ставится под распределитель. Распред 2.400р плитка 600р. Погуглите и найдете.
- Рейтинг: 5%
-
Артур69
- Сообщения: 3455
- Зарегистрирован: 02 фев 2020, 10:56
- Страна, Регион, Область: Германия
- Город: NRW
- Благодарил (а): 1219 раз
- Поблагодарили: 1430 раз
Re: Помогите найти запчасть на KuASY 405/100
Нужна такая же деталь, у кого есть на продажу?
Эх . Я б мог даже подарить. Но далеко.
.
Эх . Я б мог даже подарить. Но далеко.
Nein zum Krieg.
-
Фирдавус
- Сообщения: 97
- Зарегистрирован: 30 авг 2012, 07:26
- Страна, Регион, Область: Россия
- Город: Октябрьский
- Благодарил (а): 8 раз
- Поблагодарили: 9 раз
Re: Помогите найти запчасть на KuASY 405/100
самая лучшая запчасть для Куаси- новый станок- успехов вам и вашему бизнесу.
Кто сейчас на конференции
Сейчас этот форум просматривают: нет зарегистрированных пользователей и 9 гостей