электромотор куаси 410 характеристика?
- Lmitry
- Сообщения: 365
- Зарегистрирован: 27 апр 2010, 21:56
- Страна, Регион, Область: Россия
- Город: Краснодар
- Откуда: Кемерово
- Благодарил (а): 0
- Поблагодарили: 11 раз
- Контактная информация:
электромотор куаси 410 характеристика?
Всем доброго времени суток. Какие электродвигатели ставились на куаси 410? Шильдика на моторе нет. Известна мощность 18.5кВт напряжение 380\660 а ток? Хотя бы обороты какие 1000 или 1500?
- Lmitry
- Сообщения: 365
- Зарегистрирован: 27 апр 2010, 21:56
- Страна, Регион, Область: Россия
- Город: Краснодар
- Откуда: Кемерово
- Благодарил (а): 0
- Поблагодарили: 11 раз
- Контактная информация:
Re: электромотор куаси 410 харакиеристика?
В интернете нашел вот такой шильдик, но есть сомнения... зачем стоят предохранители на 63А и провода 16мм*2
если обороты двигателя по факту 1000 а не 1500 как на шильдике, понятно ток будет больше. Какие обороты у гидромоторов ближайших куаси 260, кто подскажет глядя в документацию или на живую машину...- dedaborja
- Сообщения: 928
- Зарегистрирован: 16 июл 2008, 16:55
- Страна, Регион, Область: Россия
- Город: Воронеж
- Откуда: Колыма
- Благодарил (а): 30 раз
- Поблагодарили: 123 раза
Re: электромотор куаси 410 харакиеристика?
Все, что есть по этому габариту здесь:
https://cloud.mail.ru/public/DR51/mEeojppG6
https://cloud.mail.ru/public/HZYa/QRgkwE9Eu
https://cloud.mail.ru/public/DR51/mEeojppG6
https://cloud.mail.ru/public/HZYa/QRgkwE9Eu
- Lmitry
- Сообщения: 365
- Зарегистрирован: 27 апр 2010, 21:56
- Страна, Регион, Область: Россия
- Город: Краснодар
- Откуда: Кемерово
- Благодарил (а): 0
- Поблагодарили: 11 раз
- Контактная информация:
Re: электромотор куаси 410 харакиеристика?
пересмотрел, только и есть электромотор 18.5кВт ни в гидравлике обороты насосов не указаны
- Елена ПластЭксперт
- Сообщения: 1382
- Зарегистрирован: 05 июл 2011, 09:21
- Страна, Регион, Область: МО
- Город: Городок
- Благодарил (а): 338 раз
- Поблагодарили: 704 раза
- Контактная информация:
Re: электромотор куаси 410 харакиеристика?
Чуть не удалила тему по названию - думала спам!
Харакиеристика???
Простите за флуд
не удержалась.
Харакиеристика???

Простите за флуд

не удержалась.
На заводе работали двое: человек и собака. Человек кормил собаку. Собака следила, чтоб человек ничего не трогал.
- Lmitry
- Сообщения: 365
- Зарегистрирован: 27 апр 2010, 21:56
- Страна, Регион, Область: Россия
- Город: Краснодар
- Откуда: Кемерово
- Благодарил (а): 0
- Поблагодарили: 11 раз
- Контактная информация:
Re: электромотор куаси 410 харакиеристика?
Второй день от заката до рассвета... мозг плавится... а исправить не-льзя?
Исправлено название темы.
Админ
Исправлено название темы.
Админ
- dedaborja
- Сообщения: 928
- Зарегистрирован: 16 июл 2008, 16:55
- Страна, Регион, Область: Россия
- Город: Воронеж
- Откуда: Колыма
- Благодарил (а): 30 раз
- Поблагодарили: 123 раза
Re: электромотор куаси 410 харакиеристика?
Что стряслось с родным мотором? Обычный, с короткозамкнутым ротором. Если нет своих специалистов по ревизии и ремонту электромоторов, есть куча фирм, которые на ремонтах живут. Или опоры (ерунда), или обмотки. Разбираем, моем, считаем витки, сечения, перематываем, пропитываем, сушим, гоняем на стенде - отдаем новенький. Дешевле, чем купить, хотя и отечественные аналоги наверняка есть. На 600-м габарите почти такой же стоит. Его тип на снимке. Интернет, поиск. А как иначе?
- Lmitry
- Сообщения: 365
- Зарегистрирован: 27 апр 2010, 21:56
- Страна, Регион, Область: Россия
- Город: Краснодар
- Откуда: Кемерово
- Благодарил (а): 0
- Поблагодарили: 11 раз
- Контактная информация:
Re: электромотор куаси 410 характеристика?
меняю начинку шкафа, в т.ч. пускатели, при дефиците финансов ставить пускатели с запасом нет возможности, а вот тепловое реле нужно ставить зная номинальный ток электродвигателя. 18,5кВт при 1500об ток 36,5А авот если 1000 то уже 48А , был бы тахометр под рукой, померил бы обороты...
-
- Сообщения: 1584
- Зарегистрирован: 01 окт 2013, 15:06
- Страна, Регион, Область: Россия
- Город: Екатеринбург
- Откуда: Yevlax
- Благодарил (а): 414 раз
- Поблагодарили: 386 раз
Re: электромотор куаси 410 характеристика?
Кажется двигатель 1000 об/мин на "старых" куаси был привод шнека только, а всегда на насосах ставили двигатель 1500 об/мин.
- ПластСтер
- Сообщения: 2932
- Зарегистрирован: 29 окт 2009, 13:15
- Страна, Регион, Область: Россия
- Город: Стерлитамак
- Откуда: Как все
- Благодарил (а): 458 раз
- Поблагодарили: 807 раз
- Контактная информация:
Re: электромотор куаси 410 характеристика?
Привод шнека был двух скоростной. Главный двигатель 1500 оборотов. 380 Вольт,
Звать меня, Сергей
- Woolfy
- Сообщения: 810
- Зарегистрирован: 08 июн 2018, 08:12
- Страна, Регион, Область: Россия
- Город: Новосибирск
- Благодарил (а): 690 раз
- Поблагодарили: 351 раз
Re: электромотор куаси 410 характеристика?
Если принять, что выложенный шильдик соответствует и вашему эл/двигателю, то тепловое реле можно взять и на 32 А (РТИ-3353). Должно быть включено в цепь обмоток моторчика, а не фазные провода. Сечение проводов - 10 кв.мм на фазы, 6 кв.мм на обмотки (я бы и 6/4 кв.мм поставил). Тут важно качество разделки/подключения проводов.Lmitry писал(а): ↑10 окт 2018, 07:08меняю начинку шкафа, в т.ч. пускатели, при дефиците финансов ставить пускатели с запасом нет возможности, а вот тепловое реле нужно ставить зная номинальный ток электродвигателя. 18,5кВт при 1500об ток 36,5А авот если 1000 то уже 48А , был бы тахометр под рукой, померил бы обороты...
Пускатели КМИ-35012 (50 А). Я ещё RC-цепи добавляю по возможности. Узел работает долго и без проблем.
С уважением. Белый и пушистый, а не серый и лохматый.
- Lmitry
- Сообщения: 365
- Зарегистрирован: 27 апр 2010, 21:56
- Страна, Регион, Область: Россия
- Город: Краснодар
- Откуда: Кемерово
- Благодарил (а): 0
- Поблагодарили: 11 раз
- Контактная информация:
Re: электромотор куаси 410 характеристика?
Шильдик не с мотора (станка) а из интернета... тепловое реле заказал 37-50А
- Lmitry
- Сообщения: 365
- Зарегистрирован: 27 апр 2010, 21:56
- Страна, Регион, Область: Россия
- Город: Краснодар
- Откуда: Кемерово
- Благодарил (а): 0
- Поблагодарили: 11 раз
- Контактная информация:
Re: электромотор куаси 410 характеристика?
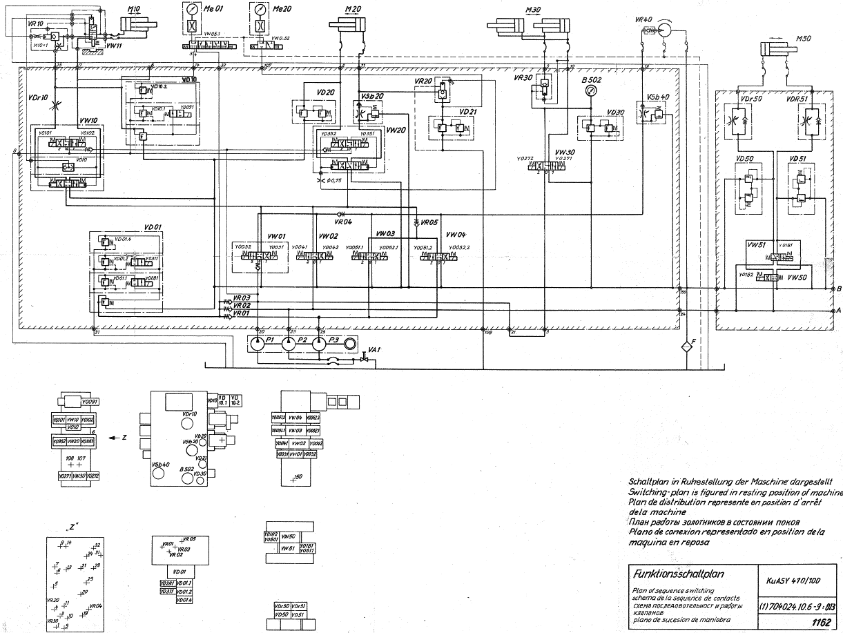
Дабы не плодить темы, ищу тепловое реле на перегрев масла. Обнаружил снизу неизвестную заслонку а рядом с ней датчик. Что за заслонка и что за датчик рядом стоит?
- Woolfy
- Сообщения: 810
- Зарегистрирован: 08 июн 2018, 08:12
- Страна, Регион, Область: Россия
- Город: Новосибирск
- Благодарил (а): 690 раз
- Поблагодарили: 351 раз
Re: электромотор куаси 410 характеристика?
Может, датчик положения заслонки?
С уважением. Белый и пушистый, а не серый и лохматый.
-
- Сообщения: 1584
- Зарегистрирован: 01 окт 2013, 15:06
- Страна, Регион, Область: Россия
- Город: Екатеринбург
- Откуда: Yevlax
- Благодарил (а): 414 раз
- Поблагодарили: 386 раз
Re: электромотор куаси 410 характеристика?
- Lmitry
- Сообщения: 365
- Зарегистрирован: 27 апр 2010, 21:56
- Страна, Регион, Область: Россия
- Город: Краснодар
- Откуда: Кемерово
- Благодарил (а): 0
- Поблагодарили: 11 раз
- Контактная информация:
Re: электромотор куаси 410 характеристика?
Понятно, заслонка запирает гидробак для ремонта насосов. А что за датчик рядом и где находится датчик перегрева масла В608? На фото В602 уровень масла
- d_y
- Сообщения: 301
- Зарегистрирован: 04 окт 2008, 13:10
- Страна, Регион, Область: Украина
- Город: Киев
- Откуда: Киев, Украина
- Благодарил (а): 1 раз
- Поблагодарили: 13 раз
Re: электромотор куаси 410 характеристика?
На фото как раз таки датчик пергрева масла В608.
Датчик перегрева масла В608 находится на гидробаке сбоку слева, если смотреть с задней части станка. Рядом с ним стоит датчик перекрытия масла - S4093. Датчики В601, В 602 находятся с противоположной стороны гидробака, почти под самым верхом, их можно увидеть со стороны прессформы сзади станка.
Датчик перегрева масла представляет собой биметаллическую пластинку, настроенную на срабатывание на определенной температуре.
На данном рисунке все видно : .
- Рейтинг: 5%
- lesla
- Сообщения: 21
- Зарегистрирован: 14 май 2011, 00:03
- Страна, Регион, Область: Беларусь
- Город: Беларусь
- Благодарил (а): 7 раз
- Поблагодарили: 2 раза
- Контактная информация:
Re: электромотор куаси 410 характеристика?
Всей работы не переделаешь, поэтому сделать её нужно так, чтобы не переделывать.
Кто сейчас на конференции
Сейчас этот форум просматривают: нет зарегистрированных пользователей и 12 гостей