Двигатель перестал запускаться на полную мощность
-
Max55
- Сообщения: 23
- Зарегистрирован: 13 ноя 2016, 14:09
- Страна, Регион, Область: Россия
- Город: Омск
- Благодарил (а): 5 раз
- Поблагодарили: 0
Двигатель перестал запускаться на полную мощность
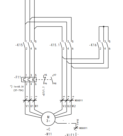
Мною была сделана ошибка в стиле своего характера при работе с электрикой ТПА WINDSOR HSI 130 немец 1980 года. Были демонтированы сгоревшее реле времени, пускатель с тепловым реле, автомат отвечающий за сенсорные датчики (как мне тогда казалось что он не участвует в работе) и некие провода. Это все стояло в электрической цепи после той схемы которая прилагается.
После этого двигатель перестал запускаться на полную мощность . НА звезде включается на треугольнике полные обороты не набирает. Что на звезде, что на треугольнике обороты вроде как одинаковые.
Пускатели все в рабочем состоянии , контакты все надежные, последовательность включения контактов правильное (включал без пускателей, напрямую по схеме треугольник работает в пол силы как на звезде). Просадка напряжения исключена, все кабеля делали с большим запасом. Вращение двигателя идет как положено.
Двигатель тоже проверил обмотки звонятся, замыканий по обмотка нет, сопротивление у всех обмоток одинаковое. Подшипники все в рабочем состоянии, нареканий до запуска не было. С гидравликой вроде тоже.
Что же я такое сделал я не могу понять. При запуске со звезды на треугольник есть какие это особенности ? Электродвигатель должен запускать плавно со звезды на треугольник через что то ? Или стоит защита какая то. Есть в гидравлике клапан для сброса давления ? Или в период запуска могло случиться что то с двигателем. Может трансформатор играет есть какую то роль ?
Я отследил все участи куда приходить напряжение при включении главного рубильника я не смог установить связь межу демонтированными частями (к ним приходить напряжение только после моего принудительного вкл.) А для работы электродвигателя с выходом на полную мощность требовалось нажать только кнопку пуск.
ПОЧЕМУ ДВИГАТЕЛЬ (по схеме треугольник, подключал V1+W2, U1+V2, W1+U2 между ними стабильно 380 V, даже больше 450 V т.к у меня мультмет., глючит. ) НЕ НАБИРАЕТ ПОЛНУЮ МОЩНОСТЬ НА ПРЯМУЮ В ОБХОД ВСЕХ ПУСКАТЕЛЕЙ.
Я буду благодарен любой вашей помощи и совету !!! С уважением Максим.
Тема переименована.
Админ
После этого двигатель перестал запускаться на полную мощность . НА звезде включается на треугольнике полные обороты не набирает. Что на звезде, что на треугольнике обороты вроде как одинаковые.
Пускатели все в рабочем состоянии , контакты все надежные, последовательность включения контактов правильное (включал без пускателей, напрямую по схеме треугольник работает в пол силы как на звезде). Просадка напряжения исключена, все кабеля делали с большим запасом. Вращение двигателя идет как положено.
Двигатель тоже проверил обмотки звонятся, замыканий по обмотка нет, сопротивление у всех обмоток одинаковое. Подшипники все в рабочем состоянии, нареканий до запуска не было. С гидравликой вроде тоже.
Что же я такое сделал я не могу понять. При запуске со звезды на треугольник есть какие это особенности ? Электродвигатель должен запускать плавно со звезды на треугольник через что то ? Или стоит защита какая то. Есть в гидравлике клапан для сброса давления ? Или в период запуска могло случиться что то с двигателем. Может трансформатор играет есть какую то роль ?
Я отследил все участи куда приходить напряжение при включении главного рубильника я не смог установить связь межу демонтированными частями (к ним приходить напряжение только после моего принудительного вкл.) А для работы электродвигателя с выходом на полную мощность требовалось нажать только кнопку пуск.
ПОЧЕМУ ДВИГАТЕЛЬ (по схеме треугольник, подключал V1+W2, U1+V2, W1+U2 между ними стабильно 380 V, даже больше 450 V т.к у меня мультмет., глючит. ) НЕ НАБИРАЕТ ПОЛНУЮ МОЩНОСТЬ НА ПРЯМУЮ В ОБХОД ВСЕХ ПУСКАТЕЛЕЙ.
Я буду благодарен любой вашей помощи и совету !!! С уважением Максим.
Тема переименована.
Админ
-
Тоха
- Сообщения: 580
- Зарегистрирован: 20 мар 2015, 11:03
- Страна, Регион, Область: Россия
- Город: Россия
- Благодарил (а): 92 раза
- Поблагодарили: 296 раз
-
Max55
- Сообщения: 23
- Зарегистрирован: 13 ноя 2016, 14:09
- Страна, Регион, Область: Россия
- Город: Омск
- Благодарил (а): 5 раз
- Поблагодарили: 0
Re: Специалисты прошу вашей помощи !!!
Антон я пошутил на счет 450 я пошутил, у меня и 500 показывает в зависимости от настроения мультиметра, мультиметр просто глучит, вот и показывает то 450 то 500 мегаватт
На самом деле как положено 380 V
Антон вы хотите сказать что у меня перекос фаз ?
На самом деле как положено 380 V
Антон вы хотите сказать что у меня перекос фаз ?
-
Figaro
- Сообщения: 2183
- Зарегистрирован: 27 апр 2013, 02:27
- Страна, Регион, Область: Владимирская обл.
- Город: Владимир
- Благодарил (а): 772 раза
- Поблагодарили: 552 раза
Re: Специалисты прошу вашей помощи !!!
Купите нормальный мультиметр.Max55 писал(а): 06 дек 2017, 16:38 Антон я пошутил на счет 450 я пошутил, у меня и 500 показывает в зависимости от настроения мультиметра, мультиметр просто глучит, вот и показывает то 450 то 500 мегаватт
На самом деле как положено 380 V
Антон вы хотите сказать что у меня перекос фаз ?
Который не путает магаватты с вольтами.
И пригласите нормального электрика, пока себя или ещё кого-нибудь не угробили.
- Sipin
- Сообщения: 199
- Зарегистрирован: 22 фев 2013, 16:32
- Страна, Регион, Область: Россия
- Город: Владимир
- Благодарил (а): 119 раз
- Поблагодарили: 56 раз
Re: Специалисты прошу вашей помощи !!!
Добрый день!
"Чудес не бывает" - есть асинхронный трехфазный двигатель, на него подается три фазы без доп регулирования. Выводы:
- поступает не правильное напряжение (неправильное подключение, перекос фаз, плохой контакт, проблема с проводкой и др.);
- проблемы с самим агрегатом (пробой обмоток, механические повреждения);
- проблемы с гидравлической частью (заклинивает элементы, не соответствующая/грязная/загустевшая перекачиваемая жидкость и др.).
Приобретите надежный мультиметр и токовые клещи. Замерьте рабочий ток - если он выше чем указан на "шильдике" двигателя, то велика опасность его спалить. При запуске/работе двигатель гудит, греется?
"Чудес не бывает" - есть асинхронный трехфазный двигатель, на него подается три фазы без доп регулирования. Выводы:
- поступает не правильное напряжение (неправильное подключение, перекос фаз, плохой контакт, проблема с проводкой и др.);
- проблемы с самим агрегатом (пробой обмоток, механические повреждения);
- проблемы с гидравлической частью (заклинивает элементы, не соответствующая/грязная/загустевшая перекачиваемая жидкость и др.).
Приобретите надежный мультиметр и токовые клещи. Замерьте рабочий ток - если он выше чем указан на "шильдике" двигателя, то велика опасность его спалить. При запуске/работе двигатель гудит, греется?
-
Max55
- Сообщения: 23
- Зарегистрирован: 13 ноя 2016, 14:09
- Страна, Регион, Область: Россия
- Город: Омск
- Благодарил (а): 5 раз
- Поблагодарили: 0
Re: Специалисты прошу вашей помощи !!!
Sipin cпасибо за ответ. Электродвигатель не греется и не гудит, при работе на звезде работает вроде как и раньше. Перекос фаз исключен к пускателям не притрагивались. В том положении в котором сейчас установлены провода он так и работал и раньше. С заменой мультиметра и покупкой ток. клещей я с вами полностью согласен, сразу будет приобретено при первой же возможности.
- Sipin
- Сообщения: 199
- Зарегистрирован: 22 фев 2013, 16:32
- Страна, Регион, Область: Россия
- Город: Владимир
- Благодарил (а): 119 раз
- Поблагодарили: 56 раз
Re: Специалисты прошу вашей помощи !!!
А что за выводы у двигателя - Р1 и Р2 идущие к электронному блоку? Подписаны "не используются". Как давно отключены? Может все же у него есть/было управление.
-
Figaro
- Сообщения: 2183
- Зарегистрирован: 27 апр 2013, 02:27
- Страна, Регион, Область: Владимирская обл.
- Город: Владимир
- Благодарил (а): 772 раза
- Поблагодарили: 552 раза
Re: Специалисты прошу вашей помощи !!!
Контроль температуры обмотокSipin писал(а): 06 дек 2017, 21:32 А что за выводы у двигателя - Р1 и Р2 идущие к электронному блоку? Подписаны "не используются". Как давно отключены? Может все же у него есть/было управление.
-
Val0266
- Сообщения: 176
- Зарегистрирован: 07 май 2011, 11:59
- Страна, Регион, Область: Россия, Нижегородская обл.
- Город: Арзамас
- Благодарил (а): 9 раз
- Поблагодарили: 12 раз
Re: Двигатель перестал запускаться на полную мощность
А как проявляется, что мотор не в полную силу работает? Обороты при переключении со звезды в треугольник не должны меняться. Меняется только крутящий момент у мотора. Он насос не осиливает крутить? И еще, в момент запуска в гидравлике никаких давлений не должно быть. Это по манометрам легко проверить. У меня было, если он встанет, вставки выгорают. (Машина HSI-250).
Все что руками сделано - можно починить. Нужны знания и время.
-
Max55
- Сообщения: 23
- Зарегистрирован: 13 ноя 2016, 14:09
- Страна, Регион, Область: Россия
- Город: Омск
- Благодарил (а): 5 раз
- Поблагодарили: 0
Re: Двигатель перестал запускаться на полную мощность
Проблема решилась путем снятия воздушной пробки в гидронасосе. При откручивании заглушки головы гидронасоса, через некоторе время он стал набирать обороты.
Да и всем огромное спасибо кто откликнулся !!!!!!!!!!
Да и всем огромное спасибо кто откликнулся !!!!!!!!!!
Кто сейчас на конференции
Сейчас этот форум просматривают: нет зарегистрированных пользователей и 5 гостей