Вопрос по гидравлике для ВЛМ
-
- Сообщения: 13
- Зарегистрирован: 15 окт 2017, 19:22
- Страна, Регион, Область: Россия
- Город: Краснодар
- Благодарил (а): 0
- Поблагодарили: 0
Вопрос по гидравлике для ВЛМ
Хочу построить вертикальную машину для литья пластмассы. Привод должен быть гидравлический. Основа есть: станина с направляющими и плитами, материальный цилиндр, гидроцилиндр. Все покрасил, смазал, собрал.
Купил насос НШ32. Б/У. Видимо от трактора.
Гидросхема вроде проста: насос, гидроцилиндр, предохранительный клапан. Но в этой псевдопростоте столько параметров, что голова пухнет.
Сделал бы расчет по методичке, да не знаю, какие скорости и усилия удобны при литье пластмасс на вертикально-литейных машинах. Тут уже сложились определенные устои, основанные на практике использования, ведь НШ32 очень распространенный насос.
Поэтому я и не берусь делать расчеты, а пытаюсь найти параметры практически используемых конструкций на НШ32.
Может есть у кого из практиков рабочий пресс, или литейка, или гидроколун на таком же насосе. Напишите, плз, подробности о гидравлике:
1. Какие сечения шланков применять?
2. Какого типа предохранительный клапан?
3. Гидрораспределитель. Ручной/электро — без разницы. Буду рад любой информации. И нужен ли гидрозатвор в раcпределителе?
4. Ставите ли сеточку-фильтр в забор масла?
5. Какое масло лучше подойдет для теплых широт?
6. Какой мощности и оборотов электромотор поставить? Не хочется, чтобы станок медленно ползал, но и не хочетя проиграть в усилии смыкания и давлении литья.
7. Может чего упустил. Подскажите, если не лень.
Купил насос НШ32. Б/У. Видимо от трактора.
Гидросхема вроде проста: насос, гидроцилиндр, предохранительный клапан. Но в этой псевдопростоте столько параметров, что голова пухнет.
Сделал бы расчет по методичке, да не знаю, какие скорости и усилия удобны при литье пластмасс на вертикально-литейных машинах. Тут уже сложились определенные устои, основанные на практике использования, ведь НШ32 очень распространенный насос.
Поэтому я и не берусь делать расчеты, а пытаюсь найти параметры практически используемых конструкций на НШ32.
Может есть у кого из практиков рабочий пресс, или литейка, или гидроколун на таком же насосе. Напишите, плз, подробности о гидравлике:
1. Какие сечения шланков применять?
2. Какого типа предохранительный клапан?
3. Гидрораспределитель. Ручной/электро — без разницы. Буду рад любой информации. И нужен ли гидрозатвор в раcпределителе?
4. Ставите ли сеточку-фильтр в забор масла?
5. Какое масло лучше подойдет для теплых широт?
6. Какой мощности и оборотов электромотор поставить? Не хочется, чтобы станок медленно ползал, но и не хочетя проиграть в усилии смыкания и давлении литья.
7. Может чего упустил. Подскажите, если не лень.
-
- Сообщения: 580
- Зарегистрирован: 20 мар 2015, 11:03
- Страна, Регион, Область: Россия
- Город: Россия
- Благодарил (а): 92 раза
- Поблагодарили: 296 раз
Re: Вопрос по гидравлике для ВЛМ
http://www.chipmaker.ru/topic/21795/ (не реклама, просто на чипе больше информации о самоделках ВЛМ)
-
- Сообщения: 13
- Зарегистрирован: 15 окт 2017, 19:22
- Страна, Регион, Область: Россия
- Город: Краснодар
- Благодарил (а): 0
- Поблагодарили: 0
Re: Вопрос по гидравлике для ВЛМ
Вот фото первоначального вида моей вертикалки на момент, когда я нашел ее.
Пришлось конечно попыхтеть над ней. Всю разобрал, зачистил до металла все детали, Цинкать, грунтовка, покраска. Теперь собрана и смазана. Осталось сделать гидравлику и электрику. С электрикой вообще никаких проблем. Позже сделаю полуавтомат.Но это мечты на будущее. Пока все вопросы в гижравлике, т.к. ранье никогда не работал с этой темой.
Рабочий ход материального цилиндра определяется размером пружин, видимых на следующем фото и составляет около 70мм
Пришлось конечно попыхтеть над ней. Всю разобрал, зачистил до металла все детали, Цинкать, грунтовка, покраска. Теперь собрана и смазана. Осталось сделать гидравлику и электрику. С электрикой вообще никаких проблем. Позже сделаю полуавтомат.Но это мечты на будущее. Пока все вопросы в гижравлике, т.к. ранье никогда не работал с этой темой.
Рабочий ход материального цилиндра определяется размером пружин, видимых на следующем фото и составляет около 70мм
-
- Сообщения: 241
- Зарегистрирован: 26 дек 2013, 04:53
- Страна, Регион, Область: Россия
- Город: Тюмень
- Благодарил (а): 0
- Поблагодарили: 16 раз
Re: Вопрос по гидравлике для ВЛМ
Не по порядку но по пунктам.
6. В старых почеркушках осталось - для НШ-32 при выходном давлении 16 МПа - требуется 15,2 кВт 1375 об/мин.
1. Сечение РВД не ниже условного прохода, а условный проход определяем скоростью движения гидроцилиндров, переводим в л/мин.
2. Составляем подобие циклограммы, чтобы понять когда и сколько л/мин понадобится агрегату, если есть возможность разгрузить насос, сэкономится электроэнергия и с перегревом масла меньше проблем.
3. Гидрозатвор, он же гидрозамок - основная функция если не хотим чтобы гидроцилиндр перемещался без нашего согласия - не будет. Схема гидрораспределителя подбирается по его функциям, а условный проход опять же л/мин.
6. В старых почеркушках осталось - для НШ-32 при выходном давлении 16 МПа - требуется 15,2 кВт 1375 об/мин.
1. Сечение РВД не ниже условного прохода, а условный проход определяем скоростью движения гидроцилиндров, переводим в л/мин.
2. Составляем подобие циклограммы, чтобы понять когда и сколько л/мин понадобится агрегату, если есть возможность разгрузить насос, сэкономится электроэнергия и с перегревом масла меньше проблем.
3. Гидрозатвор, он же гидрозамок - основная функция если не хотим чтобы гидроцилиндр перемещался без нашего согласия - не будет. Схема гидрораспределителя подбирается по его функциям, а условный проход опять же л/мин.
-
- Сообщения: 13
- Зарегистрирован: 15 окт 2017, 19:22
- Страна, Регион, Область: Россия
- Город: Краснодар
- Благодарил (а): 0
- Поблагодарили: 0
Re: Вопрос по гидравлике для ВЛМ
Т.е., поставив мотор 3кВт, я совершенно не буду иметь представления о давлении, которое создаст насос. Только экспериментально.
Веселуха. Вот потому я и ищу данные о практически реализованных конструкциях.
Интересно, как будет работать мой мотор на 3кВт с НШ32. Видимо насос будет чувствовать себя комфортно на такой слабой нагрузке.
О скоростях перемещения цилиндра не имею представления. И не только потому, что не знаю, какие скорости нужны при работе ВЛМ. Опять же фонарная мощность мотора не позволяет ничего определить точно. Т.е. опять приходим к тому, что параметры гидросхемы надо брать не расчетным методом, а методом прецендентов, т.е. из уже реализованных кем-то конструкций, которые работают и осмыслены своими пользователями.
Веселуха. Вот потому я и ищу данные о практически реализованных конструкциях.
Интересно, как будет работать мой мотор на 3кВт с НШ32. Видимо насос будет чувствовать себя комфортно на такой слабой нагрузке.
О скоростях перемещения цилиндра не имею представления. И не только потому, что не знаю, какие скорости нужны при работе ВЛМ. Опять же фонарная мощность мотора не позволяет ничего определить точно. Т.е. опять приходим к тому, что параметры гидросхемы надо брать не расчетным методом, а методом прецендентов, т.е. из уже реализованных кем-то конструкций, которые работают и осмыслены своими пользователями.
-
- Сообщения: 634
- Зарегистрирован: 19 янв 2010, 09:16
- Страна, Регион, Область: Россия
- Город: Саров
- Благодарил (а): 39 раз
- Поблагодарили: 74 раза
Re: Вопрос по гидравлике для ВЛМ
CNCmiller, узнайте марку ВЛМ, потом найдите паспорт - в нем найдете ответы на многие свои вопросы.
От себя скажу, что это не ВЛМ-10 (Новгород), и не СО228 (Пушкино). Хотя, в паспорта данных машин тоже стоит заглянуть - думается, они могут быть очень сильно похожи по параметрам.
От себя скажу, что это не ВЛМ-10 (Новгород), и не СО228 (Пушкино). Хотя, в паспорта данных машин тоже стоит заглянуть - думается, они могут быть очень сильно похожи по параметрам.
-
- Сообщения: 241
- Зарегистрирован: 26 дек 2013, 04:53
- Страна, Регион, Область: Россия
- Город: Тюмень
- Благодарил (а): 0
- Поблагодарили: 16 раз
Re: Вопрос по гидравлике для ВЛМ
Ноу Сэр, сначала определяется max давление при котором будет работать насос, а затем подбирается двигатель который обеспечит ваши хотелки. Грубо говоря, 16МПа и 15,2 кВт это максимум, проведите на графике линию чуть выше нуля из перекрестия, по одной оси давление (X) по другой мощность двигателя (Y), по давлению на котором собираетесь работать найдете мощность необходимого двигателя. Max давление при котором разорвет колонны и форму вполне возможно обеспечить и небольшими Э/двигателем и насосом.
-
- Сообщения: 241
- Зарегистрирован: 26 дек 2013, 04:53
- Страна, Регион, Область: Россия
- Город: Тюмень
- Благодарил (а): 0
- Поблагодарили: 16 раз
Re: Вопрос по гидравлике для ВЛМ
Пока печатал, двигатель 3 кВт обеспечит чуть больше 3 МПа давления на насосе НШ-32, или сдохнет.
-
- Сообщения: 13
- Зарегистрирован: 15 окт 2017, 19:22
- Страна, Регион, Область: Россия
- Город: Краснодар
- Благодарил (а): 0
- Поблагодарили: 0
Re: Вопрос по гидравлике для ВЛМ
Интересно, линейна ли зависимость давления от мощности насоса? Там же еще зависит и от расхода. Чем больше расход, тем больше падение давления. Типа закон Ома для гидравлики.
А, ну понятно, максимальное давление получаем при нулевом расходе.
Вязкость зависит от скорости нелинейно. Трехкиловаттник будет крутить медленнее, чем 15кВт-ник. Но как там разложатся давления мне непонятно.
Проще найти устройства, основанные на таком же насосе и проанализировать их схематику.
Эта вертикалка непонятного происхождения. Шильдика нет. Но сделана так, будто их делали серийно.
Насос стоял другой. Это уже я сам решил поставить легкодоступный НШ. Они в каждом магазине гидравлики валяется.
А, ну понятно, максимальное давление получаем при нулевом расходе.
Вязкость зависит от скорости нелинейно. Трехкиловаттник будет крутить медленнее, чем 15кВт-ник. Но как там разложатся давления мне непонятно.
Проще найти устройства, основанные на таком же насосе и проанализировать их схематику.
Эта вертикалка непонятного происхождения. Шильдика нет. Но сделана так, будто их делали серийно.
Насос стоял другой. Это уже я сам решил поставить легкодоступный НШ. Они в каждом магазине гидравлики валяется.
-
- Сообщения: 241
- Зарегистрирован: 26 дек 2013, 04:53
- Страна, Регион, Область: Россия
- Город: Тюмень
- Благодарил (а): 0
- Поблагодарили: 16 раз
Re: Вопрос по гидравлике для ВЛМ
У НШ и НПл схожие характеристики, аксиально-поршневые имеют КПД повыше, однако цена не радует.
-
- Сообщения: 13
- Зарегистрирован: 15 окт 2017, 19:22
- Страна, Регион, Область: Россия
- Город: Краснодар
- Благодарил (а): 0
- Поблагодарили: 0
Re: Вопрос по гидравлике для ВЛМ
Вот НП...какой-то там и стоял. Теперь будет НШ.
Может сможете подсказать еще по одному вопросу? Я видел на одном видео, что при достижении гидроцилиндром конечной точки распределитель сам переключается в среднее положение. Очень понравилось. Вот бы так на вертикалке. Правда речь в данном случае о распределителе с ручным управлением.
Может сможете подсказать еще по одному вопросу? Я видел на одном видео, что при достижении гидроцилиндром конечной точки распределитель сам переключается в среднее положение. Очень понравилось. Вот бы так на вертикалке. Правда речь в данном случае о распределителе с ручным управлением.
-
- Сообщения: 13
- Зарегистрирован: 15 окт 2017, 19:22
- Страна, Регион, Область: Россия
- Город: Краснодар
- Благодарил (а): 0
- Поблагодарили: 0
Re: Вопрос по гидравлике для ВЛМ
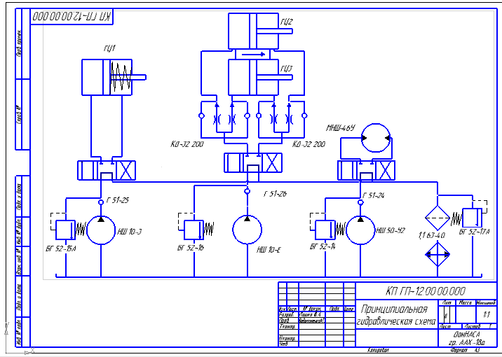
Нашел вот такую полезную гидросхему:
http://www.vmasshtabe.ru/wp-content/upl ... privod.png
Все фамилии на схеме указаны. И построена вроде грамотно. Отличный образец.
http://www.vmasshtabe.ru/wp-content/upl ... privod.png
Все фамилии на схеме указаны. И построена вроде грамотно. Отличный образец.
-
- Сообщения: 1584
- Зарегистрирован: 01 окт 2013, 15:06
- Страна, Регион, Область: Россия
- Город: Екатеринбург
- Откуда: Yevlax
- Благодарил (а): 414 раз
- Поблагодарили: 386 раз
Re: Вопрос по гидравлике для ВЛМ
Вам нужно понять:
1) Давление в гидроцилиндре отличается от давления впрыска материала в форму плунжером с вязаным с гидроцилиндром, это видно на вашем фото. Для себя решите уравнение: Давление полимерного расплава(кгс/см2) * площадь плунжера материального цилиндра(см2)( Известная величина)= Давление в гидроцилиндре (кгс/см2) * площадь поршня гидроцилиндра (см2)( Известная величина)= сила впрыска (кгс);
2) За какое время должен пройти впрыск в форму? Допустим вы будете перерабатывать ПП или ПЭ и впрыск должен пройти за две секунды. Получается что вам нужно добиться чтобы рабочий ход цилиндра был выполнен за это время. Требуемый объём масла определяется из площади поршня (см2) гидроцилиндра * рабочий ход во время впрыска гидроцилиндра (см)=см3. учитывая что 1000 см3= 1 литр и 1 секунда= 0,016666667 минут. Вашем случае вы должны площадь (см3) разделить на 1000 и умножить на 30 (2 секунды=1/30 минуты)= литры в минуту. Учесть КПД на каждом участке или как часто в Союзе делали просто умножить на коэффициент запаса 1,25.
После расчетов выбирайте насос который был равен или близким по характеристикам.
Гидрораспределитель вашей схеме с одним цилиндром, лучше использовать 64 исполнения.
Геометрия масленого бака должна обеспечивать достаточный уровень масла во время перемещения цилиндра.
1) Давление в гидроцилиндре отличается от давления впрыска материала в форму плунжером с вязаным с гидроцилиндром, это видно на вашем фото. Для себя решите уравнение: Давление полимерного расплава(кгс/см2) * площадь плунжера материального цилиндра(см2)( Известная величина)= Давление в гидроцилиндре (кгс/см2) * площадь поршня гидроцилиндра (см2)( Известная величина)= сила впрыска (кгс);
2) За какое время должен пройти впрыск в форму? Допустим вы будете перерабатывать ПП или ПЭ и впрыск должен пройти за две секунды. Получается что вам нужно добиться чтобы рабочий ход цилиндра был выполнен за это время. Требуемый объём масла определяется из площади поршня (см2) гидроцилиндра * рабочий ход во время впрыска гидроцилиндра (см)=см3. учитывая что 1000 см3= 1 литр и 1 секунда= 0,016666667 минут. Вашем случае вы должны площадь (см3) разделить на 1000 и умножить на 30 (2 секунды=1/30 минуты)= литры в минуту. Учесть КПД на каждом участке или как часто в Союзе делали просто умножить на коэффициент запаса 1,25.
После расчетов выбирайте насос который был равен или близким по характеристикам.
Гидрораспределитель вашей схеме с одним цилиндром, лучше использовать 64 исполнения.
Геометрия масленого бака должна обеспечивать достаточный уровень масла во время перемещения цилиндра.
-
- Сообщения: 13
- Зарегистрирован: 15 окт 2017, 19:22
- Страна, Регион, Область: Россия
- Город: Краснодар
- Благодарил (а): 0
- Поблагодарили: 0
Re: Вопрос по гидравлике для ВЛМ
Вот спасибо за обстоятельный ответ. А я как раз определил, что у меня за ВЛМ и нашел ее параметры. Очень пригодится для расчетов.
Оказалось, что это ГШП-2А Одесского опытно-экспериментального завода нестандартного оборудования.
Думаю, что для начала логично отталкиваться от родных параметров:
Наибольшее удельное давление на материал 1043 кг/кв.см.
Наибольшее допустимое давление в силовом цилиндре 80 кг/кв.см.
Наибольшее усилие впрыска 13,2 тс
Диаметр плунжера 40 мм
Рабочий объем цилиндра 260,8 куб.мм.
Объем масла в гидросистеме 40 л
Гидронасос БГ12-22:
номиналное давление 80 кг/кв.см
число оборотов в минуту 1500 об/мин
оминальная производительность 18 л/мин
Электродвигатель 4А100S4Y3 ГОСТ 19523-74:
Мощность 3 кВт
Обороты 1500 обмин
Расчеты. Необходимое усилие на штоке:
Давление полимерного расплава(кгс/см2) * площадь плунжера материального цилиндра(см2)( Известная величина)=
=Давление в гидроцилиндре (кгс/см2) * площадь поршня гидроцилиндра (см2)( Известная величина)=
=сила впрыска (кгс);
Рассмотрим первую часть формулы: Давление полимерного расплава(кгс/см2) * площадь плунжера материального цилиндра(см2)
Подставляем родные значения: 1043 кг/кв.см. х 4х4 = 16688 кг = 16тс - усилие на штоке в родной комплектации ВЛМ.
Вторая часть формулы:
Давление в гидроцилиндре (кгс/см2) * площадь поршня гидроцилиндра (см2)
Не знаю площади поршня. Надо будет залезть и померить. Придется отложить эту часть расчета.
Вернемся к первой части расчета. Хочется как-то учесть тот факт, что насос теперь будет НШ-32. Этот насос выдает по моим данным 140кгс/куб.см. при моторе в 15кВт. У меня 3кВт, т.е. в 5 раз меньше.
Верно ли будет считать, что с мотором 3кВт насос НШ32 выдаст всего 28кгс/куб.см??? Вот в чем вопрос. Если так, то машина получается дохлая
с учетом того, что родной гидропривод выдает 80кгс/куб.см. Почти в три раза меньше.
С трудом верится. Мотор ведь тот же самый.
В расчете необходимой производительности снова требуется диаметр поршня. Возьму таймаут для замеров. Прошу изщвинить.
И еще. Я в практической гидравлике полный ноль. Только по дисциплине было отлично в ВУЗе. Не пончл, что значит гидрораспределитель 64 исполнения?
Оказалось, что это ГШП-2А Одесского опытно-экспериментального завода нестандартного оборудования.
Думаю, что для начала логично отталкиваться от родных параметров:
Наибольшее удельное давление на материал 1043 кг/кв.см.
Наибольшее допустимое давление в силовом цилиндре 80 кг/кв.см.
Наибольшее усилие впрыска 13,2 тс
Диаметр плунжера 40 мм
Рабочий объем цилиндра 260,8 куб.мм.
Объем масла в гидросистеме 40 л
Гидронасос БГ12-22:
номиналное давление 80 кг/кв.см
число оборотов в минуту 1500 об/мин
оминальная производительность 18 л/мин
Электродвигатель 4А100S4Y3 ГОСТ 19523-74:
Мощность 3 кВт
Обороты 1500 обмин
Расчеты. Необходимое усилие на штоке:
Давление полимерного расплава(кгс/см2) * площадь плунжера материального цилиндра(см2)( Известная величина)=
=Давление в гидроцилиндре (кгс/см2) * площадь поршня гидроцилиндра (см2)( Известная величина)=
=сила впрыска (кгс);
Рассмотрим первую часть формулы: Давление полимерного расплава(кгс/см2) * площадь плунжера материального цилиндра(см2)
Подставляем родные значения: 1043 кг/кв.см. х 4х4 = 16688 кг = 16тс - усилие на штоке в родной комплектации ВЛМ.
Вторая часть формулы:
Давление в гидроцилиндре (кгс/см2) * площадь поршня гидроцилиндра (см2)
Не знаю площади поршня. Надо будет залезть и померить. Придется отложить эту часть расчета.
Вернемся к первой части расчета. Хочется как-то учесть тот факт, что насос теперь будет НШ-32. Этот насос выдает по моим данным 140кгс/куб.см. при моторе в 15кВт. У меня 3кВт, т.е. в 5 раз меньше.
Верно ли будет считать, что с мотором 3кВт насос НШ32 выдаст всего 28кгс/куб.см??? Вот в чем вопрос. Если так, то машина получается дохлая
с учетом того, что родной гидропривод выдает 80кгс/куб.см. Почти в три раза меньше.
С трудом верится. Мотор ведь тот же самый.
В расчете необходимой производительности снова требуется диаметр поршня. Возьму таймаут для замеров. Прошу изщвинить.
И еще. Я в практической гидравлике полный ноль. Только по дисциплине было отлично в ВУЗе. Не пончл, что значит гидрораспределитель 64 исполнения?
-
- Сообщения: 241
- Зарегистрирован: 26 дек 2013, 04:53
- Страна, Регион, Область: Россия
- Город: Тюмень
- Благодарил (а): 0
- Поблагодарили: 16 раз
Re: Вопрос по гидравлике для ВЛМ
Вариант насоса БГ12-2АМ 12,5 куб. см., двигатель 4,6 кВт на 12,5 МПа, для 8 МПа как раз и будет 3 кВт.
64 схема - трехпозиционная, для гидроцилиндра шток вперед, шток назад и среднее положение, давление в обратку, полости цилиндра закрыты.
64 схема - трехпозиционная, для гидроцилиндра шток вперед, шток назад и среднее положение, давление в обратку, полости цилиндра закрыты.
-
- Сообщения: 1584
- Зарегистрирован: 01 окт 2013, 15:06
- Страна, Регион, Область: Россия
- Город: Екатеринбург
- Откуда: Yevlax
- Благодарил (а): 414 раз
- Поблагодарили: 386 раз
Re: Вопрос по гидравлике для ВЛМ
Да, учебник математики ещё в школе выкурил.CNCmiller писал(а): ↑17 окт 2017, 00:32...
Думаю, что для начала логично отталкиваться от родных параметров:
Наибольшее удельное давление на материал 1043 кг/кв.см.
Наибольшее допустимое давление в силовом цилиндре 80 кг/кв.см.
Наибольшее усилие впрыска 13,2 тс
Диаметр плунжера 40 мм
Рабочий объем цилиндра 260,8 куб.мм.
Объем масла в гидросистеме 40 л
Гидронасос БГ12-22:
номиналное давление 80 кг/кв.см
число оборотов в минуту 1500 об/мин
оминальная производительность 18 л/мин
Электродвигатель 4А100S4Y3 ГОСТ 19523-74:
Мощность 3 кВт
Обороты 1500 обмин
Расчеты. Необходимое усилие на штоке:
Давление полимерного расплава(кгс/см2) * площадь плунжера материального цилиндра(см2)( Известная величина)=
=Давление в гидроцилиндре (кгс/см2) * площадь поршня гидроцилиндра (см2)( Известная величина)=
=сила впрыска (кгс);
Рассмотрим первую часть формулы: Давление полимерного расплава(кгс/см2) * площадь плунжера материального цилиндра(см2)
Подставляем родные значения: 1043 кг/кв.см. х 4х4 = 16688 кг = 16тс - усилие на штоке в родной комплектации ВЛМ.

Подставляем родные значения: 1043 кг/кв.см. х ((4х4* 3.14)/4)= 13100,08 кг= 13,1 тс
Ваш рисунок переделал на 64
-
- Сообщения: 13
- Зарегистрирован: 15 окт 2017, 19:22
- Страна, Регион, Область: Россия
- Город: Краснодар
- Благодарил (а): 0
- Поблагодарили: 0
Re: Вопрос по гидравлике для ВЛМ
Что-то я в спешке накосячил с площадью поршня. Значит 13тс. Для вертикалки вроде вполне прилично.
Насчет мощности не понял. В инструкции указано, что 3кВт - это мощность электромотора 4А100S4Y3.
Насчет распределителя - такой и хотел, чтобы на нейтрали насос качал вхолостую в картер. Т.е. с иполнением вопросов нет.
Но вопросы возникают при выборе конкретного распределителя. Мне бы не хотелось, чтобы распределитель "душил" динамику цилиндра. Т.е. там же должны быть характеристики, типа условный проход или что-то аналогичное.
Смотрю в параметры распределителей. А там давление на выходе указано в разы меньше давления на входе. Это что? Падение давления такое большое?
И аналогичная заминка с предохранительным клапаном давления. Какой подойдет по параметрам? Ведь слишком маленький не сможет сбросить достаточно давления, а слишком большой будет дорогим.
Насчет мощности не понял. В инструкции указано, что 3кВт - это мощность электромотора 4А100S4Y3.
Насчет распределителя - такой и хотел, чтобы на нейтрали насос качал вхолостую в картер. Т.е. с иполнением вопросов нет.
Но вопросы возникают при выборе конкретного распределителя. Мне бы не хотелось, чтобы распределитель "душил" динамику цилиндра. Т.е. там же должны быть характеристики, типа условный проход или что-то аналогичное.
Смотрю в параметры распределителей. А там давление на выходе указано в разы меньше давления на входе. Это что? Падение давления такое большое?
И аналогичная заминка с предохранительным клапаном давления. Какой подойдет по параметрам? Ведь слишком маленький не сможет сбросить достаточно давления, а слишком большой будет дорогим.
-
- Сообщения: 13
- Зарегистрирован: 15 окт 2017, 19:22
- Страна, Регион, Область: Россия
- Город: Краснодар
- Благодарил (а): 0
- Поблагодарили: 0
Re: Вопрос по гидравлике для ВЛМ
А как вы разместили картинку на форуме? У меня получается показывать только картинки со сторонних сайтов.
-
- Сообщения: 1584
- Зарегистрирован: 01 окт 2013, 15:06
- Страна, Регион, Область: Россия
- Город: Екатеринбург
- Откуда: Yevlax
- Благодарил (а): 414 раз
- Поблагодарили: 386 раз
Re: Вопрос по гидравлике для ВЛМ
Из арифметических расчетов которые сегодня делал : 207 мм ход впрыска, диаметр поршня гидроцилиндра расчетный получил около 145 мм (не стандарт, блиские 140 или 160 мм).
Если обеспечить условия что 207 мм ход впрыска с поршнем диаметром 145 мм, тогда потребуется масла 3416 см3= 3,5 литра.
2 секунды =1/30 минуты, то есть производительность получится 105 литров/минуту;
3 секунды =1/20 минуты, то есть производительность получится 70 литров/минуту;
4 секунды =1/15 минуты, то есть производительность получится 52,5 литров/минуту;
5 секунд =1/12 минуты, то есть производительность получится 42 литра/минуту;
.....
11,7 секунды =1/5 минуты, то есть производительность получится 18 литров/минуту;
Надеюсь что расчетные мои, отличатся будут от ваших реальных

-
- Сообщения: 13
- Зарегистрирован: 15 окт 2017, 19:22
- Страна, Регион, Область: Россия
- Город: Краснодар
- Благодарил (а): 0
- Поблагодарили: 0
Re: Вопрос по гидравлике для ВЛМ
Я думаю, что 200мм за две секунды - это жесть. Так не бывает в ВЛМ. У них обычно медленное спокойное движение.
Вот для моих 70мм это нормальное время, чтобы подвести сопло к прессформе.
Быстрый шток - это уменьшенное давление (мощность-то одна) и неудобство при необходимости аккуратно подвести сопло к прессформе. Проверено. Пытаешься дать давление кратковременно, а сопло все равно быстр проскакивает все расстояние.
Производительность моего насоса 53,7л/мин. При моторе 3кВт получим 8,5л/мин. Это уже другая крайность. Поршень будет медленно ползать - почти 25сек на 207мм хода.
Не дело это.
Но есть одно НО! Этот расчет при номинальность нагрузке на все 3кВт. А основная часть хода штока - это холостой ход без нагрузки. Думаю, что на ХХ производительность будет равно номинальной производительности насоса, если обороты мотора соответствуют номинальным оборотам насоса. Тогда основная часть хода будет совершаться за 4чек. А это уже вполне приемлемо!!!
________________________________________________________________________________________________
Я померил сегодня диаметр поршня. 145мм. Те самые, которые вы насчитали. Значит расчет верен.
Можно продолжить расчет усилия на штоке:
Давление в гидроцилиндре (кгс/см2) * площадь поршня гидроцилиндра (см2)
Сегодня уточнил по формулам. Действительно, можно прикинуть реальное давление насоса.
У меня НШ32У-2, давление 140кгс/кв.см. при мощности 18,8кВт. Мотор 3кВт.
Тогда реальное давление = 140/18,8х3 = 22,3кгс/кв.см.
Тогда усилие на штоке:
22кгс/кв.см. х 3,14х14*14/4 = 3385кг, т.е. примерно 3,3тс
Очень мало. Надо бы мотор все же 4-5кВт. Трехкиловаттних загнется наверное...
Для родного насоса Гидронасос БГ12-22 номиналное давление 80 кг/кв.см. Я не очень понимаю, как при той же мощности 3кВт получено ТАКОЕ давление с той же производительностью, но это данные насоса. Тогда усилие на штоке:
80 кг/кв.см. х 3,14х14*14/4 = 12309 кгс.
Очень даже приличное давление для ВЛМ. Кстати, это значение практически совпадает с рассчитанными вами вчера 13-ю тоннами.
Вот для моих 70мм это нормальное время, чтобы подвести сопло к прессформе.
Быстрый шток - это уменьшенное давление (мощность-то одна) и неудобство при необходимости аккуратно подвести сопло к прессформе. Проверено. Пытаешься дать давление кратковременно, а сопло все равно быстр проскакивает все расстояние.
Производительность моего насоса 53,7л/мин. При моторе 3кВт получим 8,5л/мин. Это уже другая крайность. Поршень будет медленно ползать - почти 25сек на 207мм хода.
Не дело это.
Но есть одно НО! Этот расчет при номинальность нагрузке на все 3кВт. А основная часть хода штока - это холостой ход без нагрузки. Думаю, что на ХХ производительность будет равно номинальной производительности насоса, если обороты мотора соответствуют номинальным оборотам насоса. Тогда основная часть хода будет совершаться за 4чек. А это уже вполне приемлемо!!!
________________________________________________________________________________________________
Я померил сегодня диаметр поршня. 145мм. Те самые, которые вы насчитали. Значит расчет верен.
Можно продолжить расчет усилия на штоке:
Давление в гидроцилиндре (кгс/см2) * площадь поршня гидроцилиндра (см2)
Сегодня уточнил по формулам. Действительно, можно прикинуть реальное давление насоса.
У меня НШ32У-2, давление 140кгс/кв.см. при мощности 18,8кВт. Мотор 3кВт.
Тогда реальное давление = 140/18,8х3 = 22,3кгс/кв.см.
Тогда усилие на штоке:
22кгс/кв.см. х 3,14х14*14/4 = 3385кг, т.е. примерно 3,3тс
Очень мало. Надо бы мотор все же 4-5кВт. Трехкиловаттних загнется наверное...
Для родного насоса Гидронасос БГ12-22 номиналное давление 80 кг/кв.см. Я не очень понимаю, как при той же мощности 3кВт получено ТАКОЕ давление с той же производительностью, но это данные насоса. Тогда усилие на штоке:
80 кг/кв.см. х 3,14х14*14/4 = 12309 кгс.
Очень даже приличное давление для ВЛМ. Кстати, это значение практически совпадает с рассчитанными вами вчера 13-ю тоннами.
-
- Сообщения: 13
- Зарегистрирован: 15 окт 2017, 19:22
- Страна, Регион, Область: Россия
- Город: Краснодар
- Благодарил (а): 0
- Поблагодарили: 0
Re: Вопрос по гидравлике для ВЛМ
А еще занимался изучением старых предохранительных клапанов давления. Пришлось стирать краску с шильдиков и пытаться понять, что там было когда-то написано. Вместе с гуглом дошло, что клапаны были ВГ54-32М УХЛ4.
Внутри они оказались очень даже ничего, без ржавчины. Буду ставить.
Вот и еще один нюанс определился. Осталось понять насчет гидрораспределителя. Когда-то я подобрал СЕТОР 05 4WE10G3X. Стоимость 4т.р. Если не найду ничего дешевле, придется заказывать этот.
Внутри они оказались очень даже ничего, без ржавчины. Буду ставить.
Вот и еще один нюанс определился. Осталось понять насчет гидрораспределителя. Когда-то я подобрал СЕТОР 05 4WE10G3X. Стоимость 4т.р. Если не найду ничего дешевле, придется заказывать этот.
-
- Сообщения: 241
- Зарегистрирован: 26 дек 2013, 04:53
- Страна, Регион, Область: Россия
- Город: Тюмень
- Благодарил (а): 0
- Поблагодарили: 16 раз
Re: Вопрос по гидравлике для ВЛМ
Один и тот же э/двигатель на разных насосах может прокачивать много при малом давлении на выходе, может прокачивать мало при большом давлении. При этом нагрузка на двигатель будет одинаковой. Здесь имеем 32 кубика у НШ и 12,5 у БГ, соответственно и производительность.Я не очень понимаю, как при той же мощности 3кВт получено ТАКОЕ давление с той же производительностью
-
- Сообщения: 13
- Зарегистрирован: 15 окт 2017, 19:22
- Страна, Регион, Область: Россия
- Город: Краснодар
- Благодарил (а): 0
- Поблагодарили: 0
Re: Вопрос по гидравлике для ВЛМ
Пробую посчитать:
Гидронасос БГ12-22 (присутствует в паспорте на мою ВЛМ):
номиналное давление 80 кг/кв.см
число оборотов в минуту 1500 об/мин
номинальная производительность 18 л/мин
мощность 4,6кВт
Пересчитываем на 3кВт 1500об/мин: 52кг/кв.см 18л/мин
Насос: НШ32У-2
Подача: 53,7 литр/мин.
Напор: 14 МПа
Мощность: 18,8 кВт
Обороты: 1920
Пересчитываем на 3кВт 1500об/мин: 22кг/кв.см 42л/мин
Ну согласен, практически на одну мощность и выходим. Просто шестеренный насос дает меньше давление, но больше производительность.
А пластинчатый насос наоборот.
А по факту в моей ВЛМ стоял НПл16/16 УХЛ4:
- Расход 19л/мин
- Обороты ном 1500об/мин (1800 MAX)
- Давление 16МПа
- Мощность 7,2кВт
Т.е. давление больше, чем паспортный БГ12-22, при той же производительности.
Гидронасос БГ12-22 (присутствует в паспорте на мою ВЛМ):
номиналное давление 80 кг/кв.см
число оборотов в минуту 1500 об/мин
номинальная производительность 18 л/мин
мощность 4,6кВт
Пересчитываем на 3кВт 1500об/мин: 52кг/кв.см 18л/мин
Насос: НШ32У-2
Подача: 53,7 литр/мин.
Напор: 14 МПа
Мощность: 18,8 кВт
Обороты: 1920
Пересчитываем на 3кВт 1500об/мин: 22кг/кв.см 42л/мин
Ну согласен, практически на одну мощность и выходим. Просто шестеренный насос дает меньше давление, но больше производительность.
А пластинчатый насос наоборот.
А по факту в моей ВЛМ стоял НПл16/16 УХЛ4:
- Расход 19л/мин
- Обороты ном 1500об/мин (1800 MAX)
- Давление 16МПа
- Мощность 7,2кВт
Т.е. давление больше, чем паспортный БГ12-22, при той же производительности.
Кто сейчас на конференции
Сейчас этот форум просматривают: нет зарегистрированных пользователей и 15 гостей