Посоветуйте подобрать насос !!
- wimpic
- Сообщения: 109
- Зарегистрирован: 14 окт 2013, 18:30
- Страна, Регион, Область: Московская область
- Город: Орехово-Зуево
- Откуда: Орехово-Зуево
- Благодарил (а): 9 раз
- Поблагодарили: 3 раза
- Контактная информация:
Посоветуйте подобрать насос !!
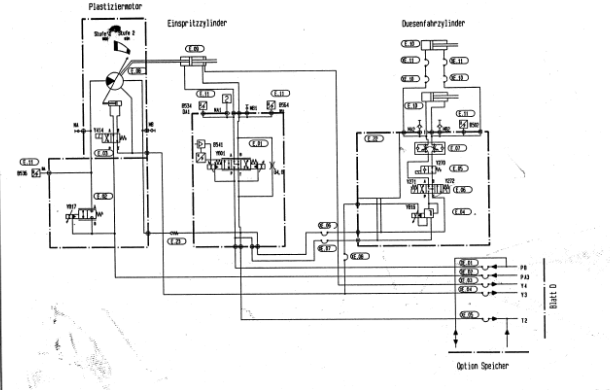
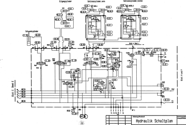
Всем здравствуйте, доброго времени суток , Форумчане подскажите пожалуйста! на ТПА словил клина гидронасос марки wepuko ( шильдик прилагаю) насос радиально поршневой , запчастей нет , починить тоже не берется - палка с двумя концами )) . хотим поставить аксиалочку не знаем какую, может кто что подскажет по гидросхеме, Гидронасос стоит на ТПА Hemscheidt 8000/5000 next wave. оборудование мозги Simens 115 , гид.оборудование (маннесман рекстрот). насос нужен управляемый так как на ТПА управляется сервоклаппаном !
Или может кто что подскажет по wepuko куда обратится( по запчастям ) и ремонту. радиально поршневого насоса !
или специалистов кто привязывал связывал подобное.
Или может кто что подскажет по wepuko куда обратится( по запчастям ) и ремонту. радиально поршневого насоса !
или специалистов кто привязывал связывал подобное.
- Рейтинг: 5%
-
- Сообщения: 17
- Зарегистрирован: 22 сен 2015, 17:59
- Страна, Регион, Область: Беларусь
- Город: Осиповичи
- Благодарил (а): 0
- Поблагодарили: 1 раз
Re: Посоветуйте подобрать насос !!
Здравствуйте ! Марку действующего гидронасоса можете указать , какой объем гидробака ?
- wimpic
- Сообщения: 109
- Зарегистрирован: 14 окт 2013, 18:30
- Страна, Регион, Область: Московская область
- Город: Орехово-Зуево
- Откуда: Орехово-Зуево
- Благодарил (а): 9 раз
- Поблагодарили: 3 раза
- Контактная информация:
Re: Посоветуйте подобрать насос !!
Здравствуйте , марку , на фото шильника. Бак всего лишь 450 литровwalex77 писал(а):Здравствуйте ! Марку действующего гидронасоса можете указать , какой объем гидробака ?
-
- Сообщения: 1584
- Зарегистрирован: 01 окт 2013, 15:06
- Страна, Регион, Область: Россия
- Город: Екатеринбург
- Откуда: Yevlax
- Благодарил (а): 414 раз
- Поблагодарили: 386 раз
Re: Посоветуйте подобрать насос !!
Тоже думаю что можно подобрать аксиально-поршневой насос например:
A4VSO250- https://md.boschrexroth.com/modules/BRM ... 20,1148958
http://www.yuken-rf.ru/yuk_al_cat/YUKEN ... 080327.pdf
http://www.vickershydraulics.ru/pages/h ... n0999a.pdf
A4VSO250- https://md.boschrexroth.com/modules/BRM ... 20,1148958
http://www.yuken-rf.ru/yuk_al_cat/YUKEN ... 080327.pdf
http://www.vickershydraulics.ru/pages/h ... n0999a.pdf
-
- Сообщения: 580
- Зарегистрирован: 20 мар 2015, 11:03
- Страна, Регион, Область: Россия
- Город: Россия
- Благодарил (а): 92 раза
- Поблагодарили: 296 раз
Re: Посоветуйте подобрать насос !!
Подбирайте по схожим рабочим параметрам, габарита.
Вообще интересна идея замены радиалки на аксиалку. Напишите историю если решитесь
http://huckauf.de/PDF/wepuko/kataloge/V ... yp_RKP.pdf
Вообще интересна идея замены радиалки на аксиалку. Напишите историю если решитесь

http://huckauf.de/PDF/wepuko/kataloge/V ... yp_RKP.pdf
-
- Сообщения: 1584
- Зарегистрирован: 01 окт 2013, 15:06
- Страна, Регион, Область: Россия
- Город: Екатеринбург
- Откуда: Yevlax
- Благодарил (а): 414 раз
- Поблагодарили: 386 раз
Re: Посоветуйте подобрать насос !!
Вы наверно имели ввиду насос для смазки основного насоса и охлаждения масла? Он также присоединяется на вал основного насоса.walex77 писал(а):идея хорошая , как решить с насосом подпитки
Если по характеристикам насос подходит, то какая разница каким методом он будет качать масло.
КПД думаю из-за малой разницы можно пренебречь, главное доступность насоса. Китайцы давно освоили копии известных производителей гидра-аппаратуры,
- wimpic
- Сообщения: 109
- Зарегистрирован: 14 окт 2013, 18:30
- Страна, Регион, Область: Московская область
- Город: Орехово-Зуево
- Откуда: Орехово-Зуево
- Благодарил (а): 9 раз
- Поблагодарили: 3 раза
- Контактная информация:
Re: Посоветуйте подобрать насос !!
Всем Привет , доброго времени суток ! вот что предлагают поставить http://www.psm-hydraulics.ru/gallery/pr ... 1/29_1.pdf Мулланур . как раз вашего края исполнение ))Мулланур писал(а):Тоже думаю что можно подобрать аксиально-поршневой насос например:
A4VSO250- https://md.boschrexroth.com/modules/BRM ... 20,1148958
http://www.yuken-rf.ru/yuk_al_cat/YUKEN ... 080327.pdf
http://www.vickershydraulics.ru/pages/h ... n0999a.pdf
- wimpic
- Сообщения: 109
- Зарегистрирован: 14 окт 2013, 18:30
- Страна, Регион, Область: Московская область
- Город: Орехово-Зуево
- Откуда: Орехово-Зуево
- Благодарил (а): 9 раз
- Поблагодарили: 3 раза
- Контактная информация:
Re: Посоветуйте подобрать насос !!
Здравствуй Тоха подскажите пожалуйста где вы взяли технический паспорт на насос wepuko ? может у них поинтересоваться по запчастям ?Тоха писал(а):Подбирайте по схожим рабочим параметрам, габарита.
Вообще интересна идея замены радиалки на аксиалку. Напишите историю если решитесь![]()
http://huckauf.de/PDF/wepuko/kataloge/V ... yp_RKP.pdf
- wimpic
- Сообщения: 109
- Зарегистрирован: 14 окт 2013, 18:30
- Страна, Регион, Область: Московская область
- Город: Орехово-Зуево
- Откуда: Орехово-Зуево
- Благодарил (а): 9 раз
- Поблагодарили: 3 раза
- Контактная информация:
Re: Посоветуйте подобрать насос !!
Форумчане , подскажите , можно ли к этому насосу http://www.psm-hydraulics.ru/gallery/pr ... 1/29_1.pdf , приделать вот это управление http://www.airlinehyd.com/apollo/bri/ra_29165.pdf . (см во вложении !)wimpic писал(а):Всем здравствуйте, доброго времени суток , Форумчане подскажите пожалуйста! на ТПА словил клина гидронасос марки wepuko ( шильдик прилагаю) насос радиально поршневой , запчастей нет , починить тоже не берется - палка с двумя концами )) . хотим поставить аксиалочку не знаем какую, может кто что подскажет по гидросхеме, Гидронасос стоит на ТПА Hemscheidt 8000/5000 next wave. оборудование мозги Simens 115 , гид.оборудование (маннесман рекстрот). насос нужен управляемый так как на ТПА управляется сервоклаппаном !
Или может кто что подскажет по wepuko куда обратится( по запчастям ) и ремонту. радиально поршневого насоса !
или специалистов кто привязывал связывал подобное.
-
- Сообщения: 580
- Зарегистрирован: 20 мар 2015, 11:03
- Страна, Регион, Область: Россия
- Город: Россия
- Благодарил (а): 92 раза
- Поблагодарили: 296 раз
Re: Посоветуйте подобрать насос !!
Ну если немецким владеете, то почему бы и нетwimpic писал(а):Здравствуй Тоха подскажите пожалуйста где вы взяли технический паспорт на насос wepuko ? может у них поинтересоваться по запчастям ?Тоха писал(а):Подбирайте по схожим рабочим параметрам, габарита.
Вообще интересна идея замены радиалки на аксиалку. Напишите историю если решитесь![]()
http://huckauf.de/PDF/wepuko/kataloge/V ... yp_RKP.pdf

Нашел поставщика гидроаппаратуры в неметчине.
http://huckauf.de/hochdruckpumpen/wepuk ... umpen.html
А потом уже правильным поисковым запросом по вашей теме нашел файл
https://www.google.ru/webhp?sourceid=ch ... wepuko+rkp&*
-
- Сообщения: 580
- Зарегистрирован: 20 мар 2015, 11:03
- Страна, Регион, Область: Россия
- Город: Россия
- Благодарил (а): 92 раза
- Поблагодарили: 296 раз
Re: Посоветуйте подобрать насос !!
Ну для начала скажу что у аналога с родным фланцы всаса/подачи не сходятся по размерам. Готовы импровизировать?wimpic писал(а):Форумчане , подскажите , можно ли к этому насосу http://www.psm-hydraulics.ru/gallery/pr ... 1/29_1.pdf , приделать вот это управление http://www.airlinehyd.com/apollo/bri/ra_29165.pdf . (см во вложении !)

Да и фланец крепления к двигателю тоже
- wimpic
- Сообщения: 109
- Зарегистрирован: 14 окт 2013, 18:30
- Страна, Регион, Область: Московская область
- Город: Орехово-Зуево
- Откуда: Орехово-Зуево
- Благодарил (а): 9 раз
- Поблагодарили: 3 раза
- Контактная информация:
Re: Посоветуйте подобрать насос !!
Тоха писал(а):Ну для начала скажу что у аналога с родным фланцы всаса/подачи не сходятся по размерам. Готовы импровизировать?wimpic писал(а):Форумчане , подскажите , можно ли к этому насосу http://www.psm-hydraulics.ru/gallery/pr ... 1/29_1.pdf , приделать вот это управление http://www.airlinehyd.com/apollo/bri/ra_29165.pdf . (см во вложении !)
Да и фланец крепления к двигателю тоже
Здравствуйте придется импровизировать , с стыковкой проблем не возникнет , с шлангами тоже !!
Кто сейчас на конференции
Сейчас этот форум просматривают: нет зарегистрированных пользователей и 18 гостей