Нужно изготовить матрицу

Новый раздел. Пишем сюда запросы по поиску заводов и фабрик, а также заказы на производство.
Ответить
Сообщение
Автор
sankos
Сообщения: 108
Зарегистрирован: 23 июн 2012, 23:40
Страна, Регион, Область: Россия
Город: Ярославль
Благодарил (а): 1 раз
Поблагодарили: 2 раза

Нужно изготовить матрицу

#1 Сообщение sankos » 28 сен 2016, 15:45

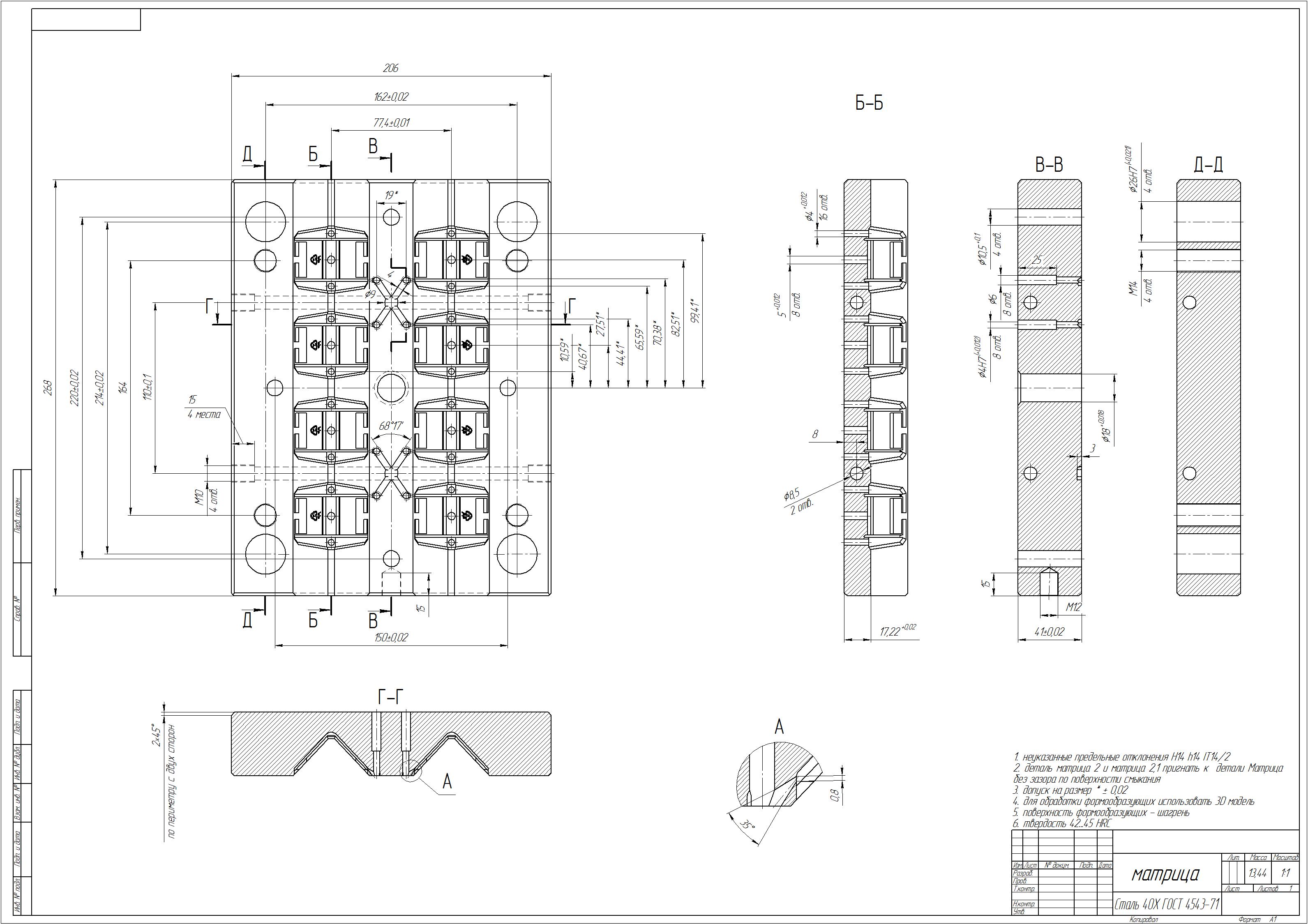
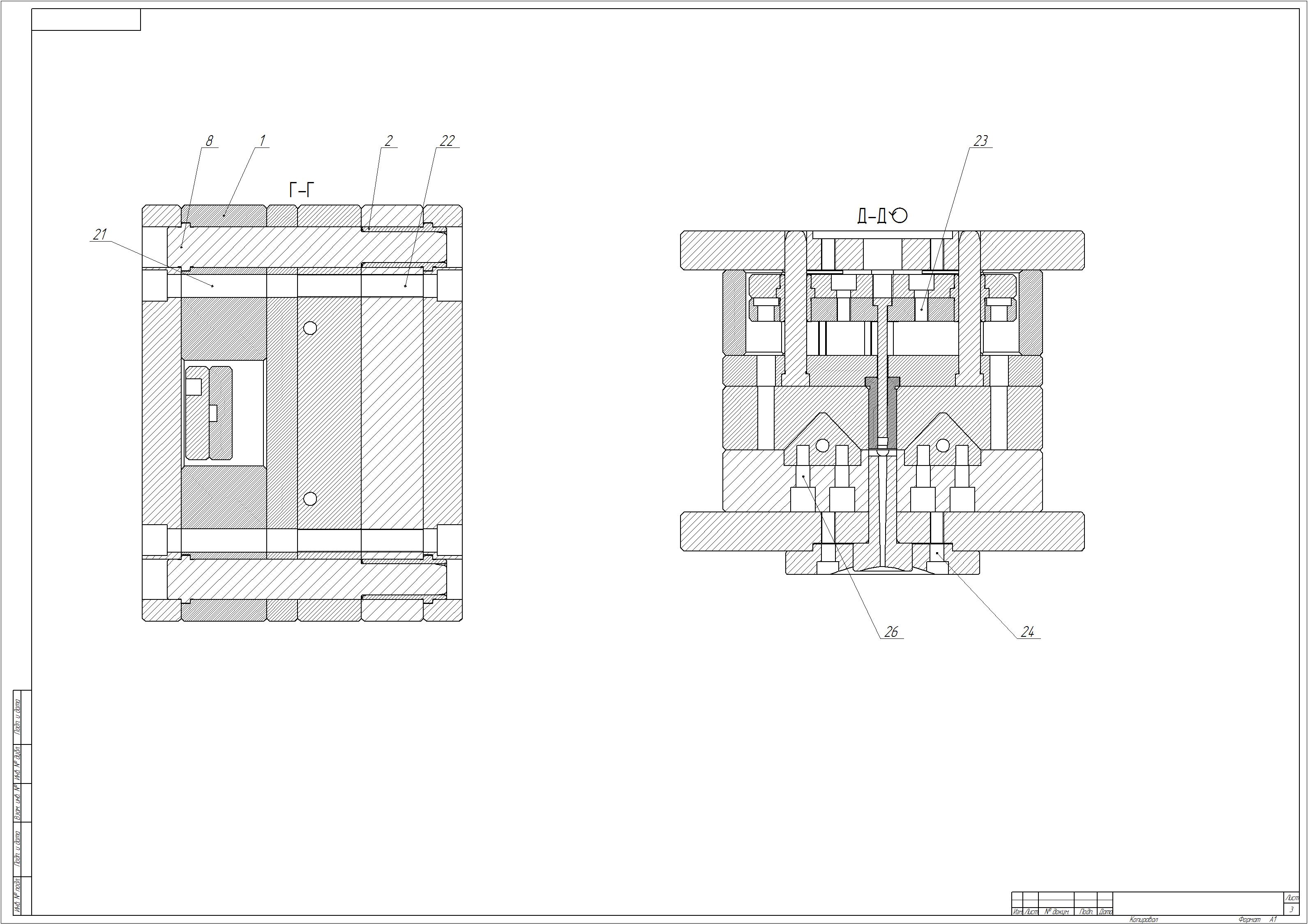
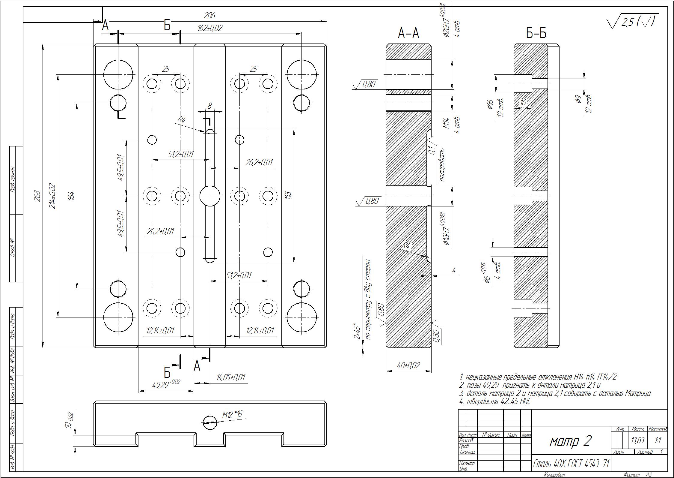
Добрый день! Получил КД на п/ф. П/ф разработана на стандартных элементах, собирать буду сам, нужно изготовить матрицу. Цена вопроса?
Вложения
Сборка общая(3).jpg
заготовка матр 2.jpg
заготовка матр 2,1.jpg
матрица.jpg

Аватара пользователя
plastic
ПластЭксперт
Сообщения: 1293
Зарегистрирован: 09 ноя 2006, 14:09
Страна, Регион, Область: Россия
Город: Москва
Благодарил (а): 320 раз
Поблагодарили: 290 раз

Re: Нужно изготовить матрицу

#2 Сообщение plastic » 28 сен 2016, 16:55

Тема переименована и перемещена.

serj364
Сообщения: 1253
Зарегистрирован: 06 мар 2015, 13:55
Страна, Регион, Область: Россия
Город: Москва
Благодарил (а): 228 раз
Поблагодарили: 302 раза
Контактная информация:

Re: Нужно изготовить матрицу

#3 Сообщение serj364 » 26 окт 2016, 21:31

sankos писал(а):Добрый день! Получил КД на п/ф. П/ф разработана на стандартных элементах, собирать буду сам, нужно изготовить матрицу. Цена вопроса?
Добрый вечер! Матрицу уже изготовили?

MarinoBold
Сообщения: 9
Зарегистрирован: 29 дек 2016, 19:25
Страна, Регион, Область: Россия
Город: Москва
Благодарил (а): 0
Поблагодарили: 1 раз

Re: Нужно изготовить матрицу

#4 Сообщение MarinoBold » 03 янв 2017, 13:00

Судя по всему вопрос уже закрыт

sankos
Сообщения: 108
Зарегистрирован: 23 июн 2012, 23:40
Страна, Регион, Область: Россия
Город: Ярославль
Благодарил (а): 1 раз
Поблагодарили: 2 раза

Re: Нужно изготовить матрицу

#5 Сообщение sankos » 18 янв 2017, 11:06

нет!!!

Павел35
Сообщения: 20
Зарегистрирован: 21 ноя 2016, 12:16
Страна, Регион, Область: Вологодская область
Город: Вологда
Благодарил (а): 1 раз
Поблагодарили: 0

Re: Нужно изготовить матрицу

#6 Сообщение Павел35 » 19 янв 2017, 08:52

Добрый день, недавно делали такую пресс-форму, моя почта: oktava-plyus.anikin@yandex.ru

Ответить

Вернуться в «Ищу производителя/Manufacturer wanted»

Кто сейчас на конференции

Сейчас этот форум просматривают: нет зарегистрированных пользователей и 15 гостей