Изготовление ПВХ профиля
-
- Сообщения: 8
- Зарегистрирован: 19 сен 2016, 17:19
- Страна, Регион, Область: Россия
- Город: Самара
- Благодарил (а): 0
- Поблагодарили: 0
Изготовление ПВХ профиля
Здравствуйте! Подскажите пожалуйста где и возможно ли изготовить профиль на экструзионной линии при наличии у нас новой фильеры и калибратора?
- sedoykornet
- Сообщения: 272
- Зарегистрирован: 08 дек 2013, 14:19
- Страна, Регион, Область: Россия
- Город: Самара
- Откуда: Самара
- Благодарил (а): 237 раз
- Поблагодарили: 185 раз
Re: Изготовление ПВХ профиля
Добрый вечер Константин!Константин_163 писал(а):Здравствуйте! Подскажите пожалуйста где и возможно ли изготовить профиль на экструзионной линии при наличии у нас новой фильеры и калибратора?
Задайте пожалуйста вопрос с месячной потребностью и чертёж в студию. Но не думаю, что пара километров или пара тонн, кого-то сильно заинтересуют. Не считая одиноко стоящих экструдеров, в Самаре и Тольятти работают с профилями 7 производств.
Дорогу осилит идущий.
-
- Сообщения: 8
- Зарегистрирован: 19 сен 2016, 17:19
- Страна, Регион, Область: Россия
- Город: Самара
- Благодарил (а): 0
- Поблагодарили: 0
Re: Изготовление ПВХ профиля
Ну да. За пару дней лишних денег поднять в России на фиг никому не нужно. В этом и заключается вся наша страна) Будем сидеть на #опе и ждать чемодана денег. Вот тебе и развитие малого бизнеса. Нужно 5 км профиля, а произвести некому)
-
- Сообщения: 8
- Зарегистрирован: 19 сен 2016, 17:19
- Страна, Регион, Область: Россия
- Город: Самара
- Благодарил (а): 0
- Поблагодарили: 0
-
- Сообщения: 8
- Зарегистрирован: 19 сен 2016, 17:19
- Страна, Регион, Область: Россия
- Город: Самара
- Благодарил (а): 0
- Поблагодарили: 0
Re: Изготовление ПВХ профиля
Чтобы понимать это верхние и нижние направляющие для бассейна, будем гнуть их по определённому радиусу.
-
- Сообщения: 8
- Зарегистрирован: 19 сен 2016, 17:19
- Страна, Регион, Область: Россия
- Город: Самара
- Благодарил (а): 0
- Поблагодарили: 0
Re: Изготовление ПВХ профиля
Да и ещё вопрос. У нас фильеры кто-нить делает? или только Китай и Екатеринбург? Нужна мягкая направляющая, как гарпун. Там фильера элементарная, без калибратора можно обойтись..
-
- Сообщения: 8
- Зарегистрирован: 19 сен 2016, 17:19
- Страна, Регион, Область: Россия
- Город: Самара
- Благодарил (а): 0
- Поблагодарили: 0
Re: Изготовление ПВХ профиля
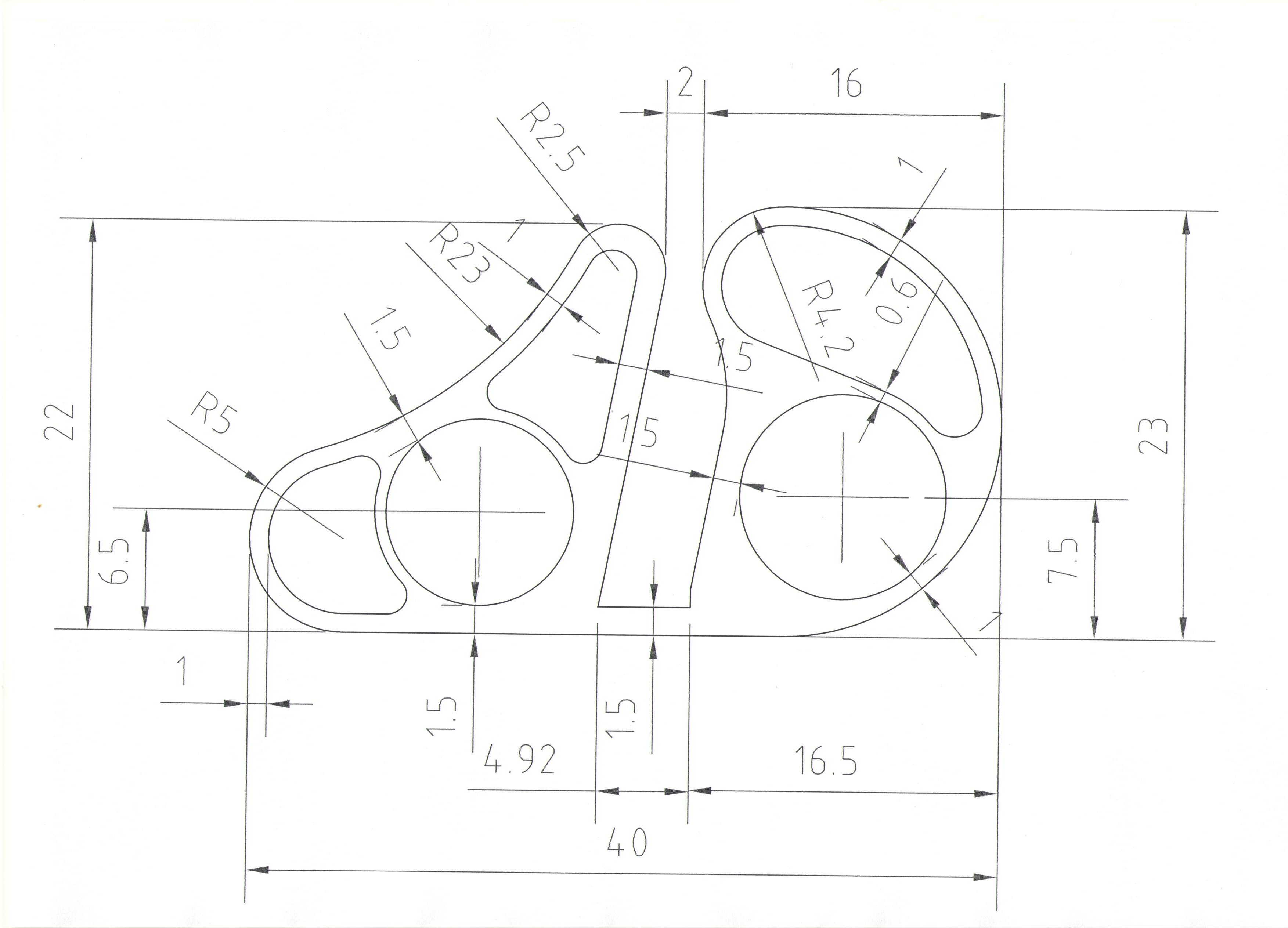
Материал этого профиля, что то на подобии (не знаю, как правильно назвать) мелованный ПВХ с определённой твёрдостью и эластичностью.Константин_163 писал(а):Вот чертёж!
- sedoykornet
- Сообщения: 272
- Зарегистрирован: 08 дек 2013, 14:19
- Страна, Регион, Область: Россия
- Город: Самара
- Откуда: Самара
- Благодарил (а): 237 раз
- Поблагодарили: 185 раз
Re: Изготовление ПВХ профиля
Здравствуйте Константин_163!Константин_163 писал(а):Ну да. За пару дней лишних денег поднять в России на фиг никому не нужно. В этом и заключается вся наша страна) Будем сидеть на #опе и ждать чемодана денег. Вот тебе и развитие малого бизнеса. Нужно 5 км профиля, а произвести некому)
Все контакты в личном сообщении. А сейчас просто постскриптум.
1. На данном форуме общаются фанаты своего дела, а не "мешки с деньгами". У кого есть "чемодан бобла" он его или тратит, или прячет (могут и отобрать).
2. Развитие малого бизнеса...-

3. В открытом доступе мелкосерийного производства конструкционных профилей НПВХ в Самаре на данный момент нет. В Самаре и области работают производства стеновых панелей и доборных элементов, подоконников, оконных профилей. Контактные данные в личке - может кто-нибудь заинтересуется.
4. Для вашего профиля хорошо подойдёт оконная рецептура или рецептура для производства профилей холодильных камер.
5. Просмотрел цены на данный тип профиля - думаю Вам есть чем заинтересовать потенциальных производителей. Проблема будет одна - цвет. Никто не любит возиться с синим цветом.
- За это сообщение автора sedoykornet поблагодарил:
- ПластСтер
- Рейтинг: 5%
Дорогу осилит идущий.
-
- Сообщения: 8
- Зарегистрирован: 19 сен 2016, 17:19
- Страна, Регион, Область: Россия
- Город: Самара
- Благодарил (а): 0
- Поблагодарили: 0
Re: Изготовление ПВХ профиля
"1. На данном форуме общаются фанаты своего дела, а не "мешки с деньгами". У кого есть "чемодан бобла" он его или тратит, или прячет (могут и отобрать)."
Я так понимаю, подгруппа для общения называется "Ищу производителя!" Из этих побуждений и создал тему)
А по поводу цвета, нужен классический белый)
Я так понимаю, подгруппа для общения называется "Ищу производителя!" Из этих побуждений и создал тему)
А по поводу цвета, нужен классический белый)
- новичёк
- Сообщения: 1785
- Зарегистрирован: 04 дек 2007, 17:12
- Страна, Регион, Область: Россия
- Город: Ленинград
- Откуда: Владивосток
- Благодарил (а): 6 раз
- Поблагодарили: 229 раз
- Контактная информация:
Re: Изготовление ПВХ профиля
Можно пару слов?
Профиль такого типа лучше всего получится у тех, кто делает ПВХ погонажные элементы для надувных лодок.
Как правило это одношнековый экструдер и ванна с калибровочными шайбами в воде.
Чаще всего такой производитель берёт мягкую гранулу натурального цвета. И красит суперами у себя в машине.
Если работает давно. То у него хорошие неформальные связи с поставщиком гранулы . И под Вас они смогут ввести корректировки в рецепт. Для нужных вам ФМ Свойств.
Так, что поспрашайте лодочников и ( или) покурите инет по таким изготовителям.
Учитывая монтаж Вашего профиля на бассейн , сразу обговорите допуск и способ контроля продольной усадки профиля.
ЗЫ. Да и темка в 5-6 км заказа самое оно для них.
Профиль такого типа лучше всего получится у тех, кто делает ПВХ погонажные элементы для надувных лодок.
Как правило это одношнековый экструдер и ванна с калибровочными шайбами в воде.
Чаще всего такой производитель берёт мягкую гранулу натурального цвета. И красит суперами у себя в машине.
Если работает давно. То у него хорошие неформальные связи с поставщиком гранулы . И под Вас они смогут ввести корректировки в рецепт. Для нужных вам ФМ Свойств.
Так, что поспрашайте лодочников и ( или) покурите инет по таким изготовителям.
Учитывая монтаж Вашего профиля на бассейн , сразу обговорите допуск и способ контроля продольной усадки профиля.

ЗЫ. Да и темка в 5-6 км заказа самое оно для них.


-
- Сообщения: 306
- Зарегистрирован: 10 май 2012, 10:04
- Страна, Регион, Область: Московская область
- Город: Красноармейск
- Благодарил (а): 5 раз
- Поблагодарили: 10 раз
Re: Изготовление ПВХ профиля
Добрый вечер!
Можете прислать чертеж, трубования и объем мне на почту atmorkov@gmail.com и я вам посчитаю цену на услуги экструзии. На данный момент работаем для ряда отечественных и зарубежных компаний. Цены и условия очень конкуренты
Можете прислать чертеж, трубования и объем мне на почту atmorkov@gmail.com и я вам посчитаю цену на услуги экструзии. На данный момент работаем для ряда отечественных и зарубежных компаний. Цены и условия очень конкуренты
Кто сейчас на конференции
Сейчас этот форум просматривают: нет зарегистрированных пользователей и 37 гостей