Гидравлический пресс ДЕ 2430

- Обсуждаем чиллеры, а также - ремонт вакуумформовочных машин, вальцев, каландров заливочных и вспенивающих машин, приборов контроля, еще измерительный инструмент, всякие лабораторные ИИРТы и разрывные копры и т.д. и т.п.
- Discussion of a service of other eqipment, like chillers, thermoforming machines, machines for PU foam products, laboratory equipment, etc.
Ответить
Сообщение
Автор
Андрей-Екб
Сообщения: 25
Зарегистрирован: 21 янв 2014, 18:11
Страна, Регион, Область: Россия
Город: Екатеринбург
Благодарил (а): 0
Поблагодарили: 2 раза

Гидравлический пресс ДЕ 2430

#1 Сообщение Андрей-Екб » 11 фев 2015, 15:49

Всем,здравствуйте.... В силу обстоятельств,был вынужден взяться за ремонт пресса ДЕ 2430....Какая то "редиска" залила,не знаю что,в бак с маслом..... в результате ВСЕ манжеты и уплотнения просто растеклись..... Документации,естественно нет... может у кого то есть паспорт на сей агрегат... Заранее спасибо....

Аватара пользователя
Karakol
Сообщения: 541
Зарегистрирован: 01 сен 2011, 19:53
Страна, Регион, Область: Литва
Город: Вильнюс
Благодарил (а): 2 раза
Поблагодарили: 3 раза

Re: Гидравлический пресс ДЕ 2430

#2 Сообщение Karakol » 11 фев 2015, 18:27

Обслуживал в свое время похожий пресс, только покрупнее, ДЕ2432- 160 тонный, с электронным управлением. По идее, в исполнение они одинаковые. На счет документации, не уверен что найду.

Аватара пользователя
Бегемот
Сообщения: 2815
Зарегистрирован: 03 окт 2009, 13:39
Страна, Регион, Область: Россия
Город: Владимир
Откуда: Из Аршинцево, г. Керчь, Крым-Россия.
Благодарил (а): 53 раза
Поблагодарили: 166 раз
Контактная информация:

Re: Гидравлический пресс ДЕ 2430

#3 Сообщение Бегемот » 11 фев 2015, 21:25

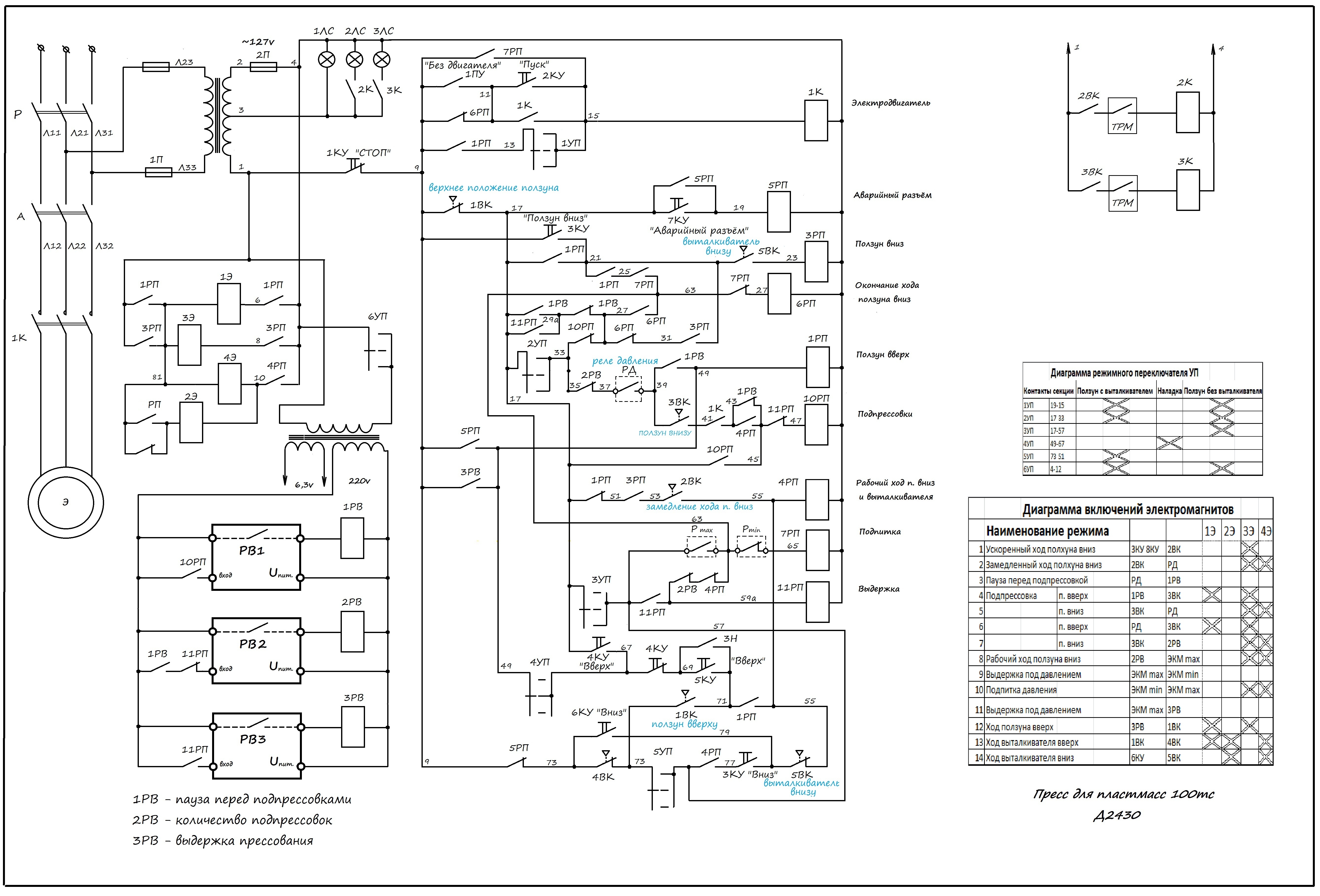
Нашёл электрику в тырнете.
Д2430 эл-СХЕМА.jpg
Бегемот!!! Ты меня не зли!!! ©Олька

Аватара пользователя
Бегемот
Сообщения: 2815
Зарегистрирован: 03 окт 2009, 13:39
Страна, Регион, Область: Россия
Город: Владимир
Откуда: Из Аршинцево, г. Керчь, Крым-Россия.
Благодарил (а): 53 раза
Поблагодарили: 166 раз
Контактная информация:

Re: Гидравлический пресс ДЕ 2430

#4 Сообщение Бегемот » 11 фев 2015, 21:41

Бегемот!!! Ты меня не зли!!! ©Олька

Аватара пользователя
Karakol
Сообщения: 541
Зарегистрирован: 01 сен 2011, 19:53
Страна, Регион, Область: Литва
Город: Вильнюс
Благодарил (а): 2 раза
Поблагодарили: 3 раза

Re: Гидравлический пресс ДЕ 2430

#5 Сообщение Karakol » 13 фев 2015, 19:20

Если ещё актуально, кое какую документацию, оказывается, не растеряли. Но если только пресс ДЕ. Исполнение как на рисунке.
Вложения
ДЕ2432.jpg

слесарь
Сообщения: 86
Зарегистрирован: 17 апр 2011, 21:24
Страна, Регион, Область: Россия Курская область
Город: Курск
Благодарил (а): 0
Поблагодарили: 1 раз

Re: Гидравлический пресс ДЕ 2430

#6 Сообщение слесарь » 30 июл 2020, 22:35

Тема актуальна если есть ссылка где можно скачать документацию (бесплатно) скиньте пожалуйста

Аватара пользователя
ПластСтер
Сообщения: 2938
Зарегистрирован: 29 окт 2009, 13:15
Страна, Регион, Область: Россия
Город: Стерлитамак
Откуда: Как все
Благодарил (а): 467 раз
Поблагодарили: 809 раз
Контактная информация:

Re: Гидравлический пресс ДЕ 2430

#7 Сообщение ПластСтер » 03 авг 2020, 06:37

слесарь писал(а): 30 июл 2020, 22:35 Тема актуальна если есть ссылка где можно скачать документацию (бесплатно) скиньте пожалуйста
Ссылка выше. Бесплатно.
Звать меня, Сергей

Ответить

Вернуться в «Прочее оборудование для переработки пластмасс/Service of other equipment for plastics»

Кто сейчас на конференции

Сейчас этот форум просматривают: нет зарегистрированных пользователей и 7 гостей