Доброго времени суток.
Перейду сразу к делу, есть два ТпА UT50 и 90 соответственно, проблемы 3
1)у 90 при попытке оттягивания шнека назад-мотор орет как чумной, при этом отход где то на 4-5 см, иногда меньше,потом стоп, и не дает двигать его вообще, про пластификацию, не дает крутить шнек как будто что то мешает, при этом звук мотора больше похож на рычание, после этой процедуры двигатель как будто еще пытается отдать созданное давление дальше. но не может. и потом через минуту приходит в рабочее состояние.при попытке отодвинуть плиту, по первой делает это с рывками, но потом все едет как по маслу.после нехитрых операций с перемещением каретки, плиты и "вялого" перемещения шнека назад-вперед,(вперед хорошо идет), машина на некоторое время перестает откликаться вообще. хотели достать шнек, но,честно говоря имели дело с демагами. там как то проще оказалось,может у кого есть опыт с этими машинами или с похожими симптомами, поделитесь опытом
2)50 вообще загадка, движок работает...как на лексусе...тихо, самая тихая машина из всех..ошибок не выдает. не рычит, даже когда пытаемся его растормошить передвижением узлов...но, не происходит ни-че-го.
каретка не двигается по понятным причинам-высота прессформы не достигнута 0, но вот сам узел плиты...не реагирует вообще,и причем давление на панели управлении фиксируется.
3)может у кого есть инструкция к таким "редким" машинам на русском языке.
обращались в представительство в Спб, но там борода, уже год ждем, около 30 звонков.
Заранее благодарю!
PONAR ZVWIEC UT50,90 нужна помощь
-
- Сообщения: 78
- Зарегистрирован: 26 мар 2014, 21:44
- Страна, Регион, Область: Москва
- Город: Москва
- Благодарил (а): 7 раз
- Поблагодарили: 0
-
- Сообщения: 1584
- Зарегистрирован: 01 окт 2013, 15:06
- Страна, Регион, Область: Россия
- Город: Екатеринбург
- Откуда: Yevlax
- Благодарил (а): 414 раз
- Поблагодарили: 386 раз
Re: PONAR ZVWIEC UT50,90 нужна помощь

Какой марки контролер?
На 50 направление вращения электродвигателя насоса правильное?
На 90: какой тип шнека, какой материал используете, какое время, давление и скорость выдержки под давлением впрыска (подпитки)?
-
- Сообщения: 78
- Зарегистрирован: 26 мар 2014, 21:44
- Страна, Регион, Область: Москва
- Город: Москва
- Благодарил (а): 7 раз
- Поблагодарили: 0
Re: PONAR ZVWIEC UT50,90 нужна помощь
Доброго времени суток!
По порядку
контроллер MPC2000E
Шнек д40, тип не могу сказать, сопло не снимали, достаточно не простое занятие
Материал который был, нечто из чего отливают ручки для бутылок, но он был выгнан из шнека (когда машина вела себя еще адекватно)
Наш материал который был туда "доставлен" ПП Билен\
Время выдержки 4 сек
Скорость выдержки 100%
давление 75 bar
у 50 двигатель крутится согласно стрелке на корпусе
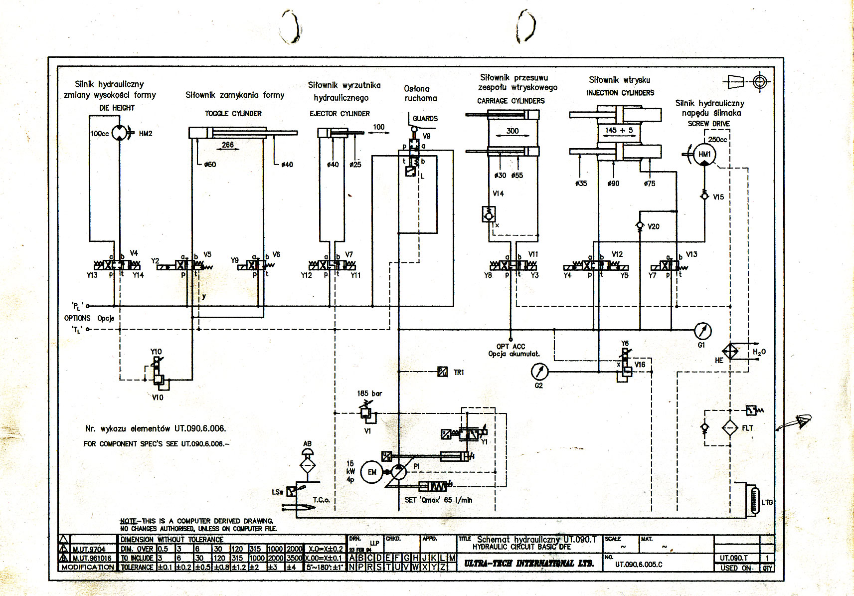
схема, если правильно вас понял в комплекте
По порядку
контроллер MPC2000E
Шнек д40, тип не могу сказать, сопло не снимали, достаточно не простое занятие
Материал который был, нечто из чего отливают ручки для бутылок, но он был выгнан из шнека (когда машина вела себя еще адекватно)
Наш материал который был туда "доставлен" ПП Билен\
Время выдержки 4 сек
Скорость выдержки 100%
давление 75 bar
у 50 двигатель крутится согласно стрелке на корпусе
схема, если правильно вас понял в комплекте
-
- Сообщения: 1584
- Зарегистрирован: 01 окт 2013, 15:06
- Страна, Регион, Область: Россия
- Город: Екатеринбург
- Откуда: Yevlax
- Благодарил (а): 414 раз
- Поблагодарили: 386 раз
Re: PONAR ZVWIEC UT50,90 нужна помощь
Предположу, что на 90 пропорциональный клапан V16 "противодавления", на слив "сильно" подпирает во время отвода шнека назад (декомпрессия) и загрузки(вращения шнека) (более 10 бар) это может быть: 1) загублено "0" положение его золотника; 2) возможно подклинивание золотника; 3) установка на панели управления значения "противодавления" более чем 10 бар; 4) Сбой электроники, не правильное подача импульса на пропорциональный клапан; и т.д. ...
Кто сейчас на конференции
Сейчас этот форум просматривают: нет зарегистрированных пользователей и 10 гостей