Машина для литья под давлением А71107; А71108
- Олька
- Сообщения: 1012
- Зарегистрирован: 18 окт 2010, 17:36
- Страна, Регион, Область: Россия, Северо-западный регион, Новгородская обл.
- Город: Великий Новгород
- Откуда: Великий Новгород
- Благодарил (а): 32 раза
- Поблагодарили: 84 раза
Машина для литья под давлением А71107; А71108
Уважаемые коллеги!
Может я не в тему, но я напишу!!! :(
Теперь к моим 14ти ТПА добавились 2 штуки машины для литья силумина: А71107 и А71108. :shock:
Помогите с документацией к ним!
Дело в том что, на одной мало давление впрыска (шток медленно ходит), а вторую запускаем после долгого простоя!!!
Помогите пожалуста!!!
Может я не в тему, но я напишу!!! :(
Теперь к моим 14ти ТПА добавились 2 штуки машины для литья силумина: А71107 и А71108. :shock:
Помогите с документацией к ним!
Дело в том что, на одной мало давление впрыска (шток медленно ходит), а вторую запускаем после долгого простоя!!!
Помогите пожалуста!!!
Злая ты, Олечка!
- Бегемот
- Сообщения: 2815
- Зарегистрирован: 03 окт 2009, 13:39
- Страна, Регион, Область: Россия
- Город: Владимир
- Откуда: Из Аршинцево, г. Керчь, Крым-Россия.
- Благодарил (а): 53 раза
- Поблагодарили: 166 раз
- Контактная информация:
Re: Машина для литья под давлением А71107; А71108
Олька, тогда скорость мала, а не давление. А там не азотным аккумулятором вторая ступень?
И вообще... где админы бродят? Пора создавать раздел "Металлургия, печи доменные, мартены, тигели, кокили, опоки, силумины, цамы и прочие сплавы".
Вам бы лишь бы разделов наплодить. Хватит и этих - пишите в Другие вопросы :)
Админ-бродяга
И вообще... где админы бродят? Пора создавать раздел "Металлургия, печи доменные, мартены, тигели, кокили, опоки, силумины, цамы и прочие сплавы".
Вам бы лишь бы разделов наплодить. Хватит и этих - пишите в Другие вопросы :)
Админ-бродяга
Бегемот!!! Ты меня не зли!!! ©Олька
- Олька
- Сообщения: 1012
- Зарегистрирован: 18 окт 2010, 17:36
- Страна, Регион, Область: Россия, Северо-западный регион, Новгородская обл.
- Город: Великий Новгород
- Откуда: Великий Новгород
- Благодарил (а): 32 раза
- Поблагодарили: 84 раза
Re: Машина для литья под давлением А71107; А71108
:lol: :lol: :lol: Я думаю что и до этого дойдёт!!!
Да, азотный аккумулятор стоит! Как работает установка работает? Если я правильно думаю, то её работа зависит от насоса высокого давления?
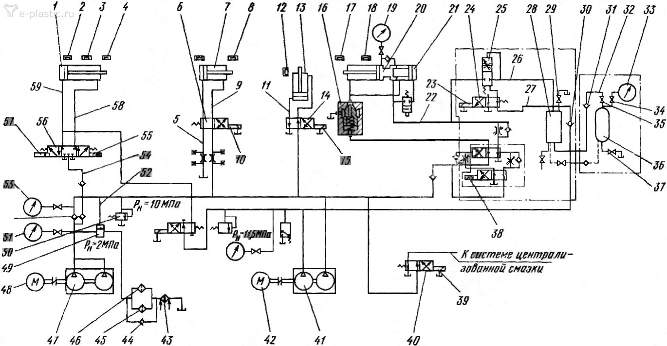
Вот схема, вроде она.
Да, азотный аккумулятор стоит! Как работает установка работает? Если я правильно думаю, то её работа зависит от насоса высокого давления?
Вот схема, вроде она.
- Вложения
-
- b-5.jpg (227.8 КБ) 10702 просмотра
Злая ты, Олечка!
-
- Сообщения: 1
- Зарегистрирован: 23 сен 2015, 09:30
- Страна, Регион, Область: Россия
- Город: Краснодар
- Благодарил (а): 0
- Поблагодарили: 0
Re: Машина для литья под давлением А71107; А71108
добрый вечер хоть один фору есть по алюминию я тут навичек кто может помочь ?? нужны параметры машины А71107
- ПластСтер
- Сообщения: 2933
- Зарегистрирован: 29 окт 2009, 13:15
- Страна, Регион, Область: Россия
- Город: Стерлитамак
- Откуда: Как все
- Благодарил (а): 458 раз
- Поблагодарили: 807 раз
- Контактная информация:
Re: Машина для литья под давлением А71107; А71108
Сем писал(а):добрый вечер хоть один фору есть по алюминию я тут навичек кто может помочь ?? нужны параметры машины А71107
Про алюминий улыбнуло.

Звать меня, Сергей
- dedaborja
- Сообщения: 928
- Зарегистрирован: 16 июл 2008, 16:55
- Страна, Регион, Область: Россия
- Город: Воронеж
- Откуда: Колыма
- Благодарил (а): 30 раз
- Поблагодарили: 123 раза
Re: Машина для литья под давлением А71107; А71108
Посмотрите. Это общие данные на обе машины. У 108-й электронный блок управления САС.
https://cloud.mail.ru/public/HE3m/yK4JDbXeo
Прошу прощения за качество.
https://cloud.mail.ru/public/HE3m/yK4JDbXeo
Прошу прощения за качество.
-
- Сообщения: 2
- Зарегистрирован: 09 ноя 2023, 15:04
- Страна, Регион, Область: Россия
- Город: г. Киров
- Благодарил (а): 0
- Поблагодарили: 0
Re: Машина для литья под давлением А71107; А71108
Нужен совет, подскажите реально ли вообще найти мультипликатор на А711 07?
-
- Сообщения: 3455
- Зарегистрирован: 02 фев 2020, 10:56
- Страна, Регион, Область: Германия
- Город: NRW
- Благодарил (а): 1219 раз
- Поблагодарили: 1429 раз
Re: Машина для литья под давлением А71107; А71108
А что , периферия должна быть обязательно одной фирмы с машиной.
Nein zum Krieg.
-
- Сообщения: 2
- Зарегистрирован: 09 ноя 2023, 15:04
- Страна, Регион, Область: Россия
- Город: г. Киров
- Благодарил (а): 0
- Поблагодарили: 0
-
- Сообщения: 3455
- Зарегистрирован: 02 фев 2020, 10:56
- Страна, Регион, Область: Германия
- Город: NRW
- Благодарил (а): 1219 раз
- Поблагодарили: 1429 раз
Re: Машина для литья под давлением А71107; А71108
От того что я вам скажу приезжайте к нам . ABB Logistics Center Europe в 10 км от меня , помощь ни какая

Онлайн контор в России море по продажам переферии . Состыкуют с любой машиной. Только решите , что конкретно нужно.
Nein zum Krieg.
-
- Сообщения: 3455
- Зарегистрирован: 02 фев 2020, 10:56
- Страна, Регион, Область: Германия
- Город: NRW
- Благодарил (а): 1219 раз
- Поблагодарили: 1429 раз
Re: Машина для литья под давлением А71107; А71108
Самому интересно стало, неужели нету ?
Я как понимаю, вам примерно такой нужен ?
https://trade-lit.ru/katalog/manipulyator-zalivshhik/
https://imstech.ru/produktsiya/oborudov ... lyuminiya/
Я как понимаю, вам примерно такой нужен ?
https://trade-lit.ru/katalog/manipulyator-zalivshhik/
https://imstech.ru/produktsiya/oborudov ... lyuminiya/
Nein zum Krieg.
-
- Сообщения: 542
- Зарегистрирован: 08 апр 2022, 13:22
- Страна, Регион, Область: Россия
- Город: К
- Благодарил (а): 36 раз
- Поблагодарили: 114 раз
Re: Машина для литья под давлением А71107; А71108
по ссылкам - манипуляторыАртур69 писал(а): ↑10 ноя 2023, 19:19Самому интересно стало, неужели нету ?
Я как понимаю, вам примерно такой нужен ?
https://trade-lit.ru/katalog/manipulyator-zalivshhik/
https://imstech.ru/produktsiya/oborudov ... lyuminiya/
А нужен:
- За это сообщение автора AlexsandrN поблагодарил:
- Артур69
- Рейтинг: 5%
Я не волшебник, я только учусь.
-
- Сообщения: 3455
- Зарегистрирован: 02 фев 2020, 10:56
- Страна, Регион, Область: Германия
- Город: NRW
- Благодарил (а): 1219 раз
- Поблагодарили: 1429 раз
Re: Машина для литья под давлением А71107; А71108
Не . Опять на те-же грабли. Я эти ваши названия наверное никогда не осилю . Чукча не читатель .AlexsandrN писал(а): ↑10 ноя 2023, 19:54по ссылкам - манипуляторыАртур69 писал(а): ↑10 ноя 2023, 19:19Самому интересно стало, неужели нету ?
Я как понимаю, вам примерно такой нужен ?
https://trade-lit.ru/katalog/manipulyator-zalivshhik/
https://imstech.ru/produktsiya/oborudov ... lyuminiya/
А нужен:
Думаю , что за проблема робот подобрать, а это Druckübersetzer. Простое понятное слово. Всё ухожу .

Nein zum Krieg.
-
- Эксперт Гидравлик
- Сообщения: 5584
- Зарегистрирован: 24 окт 2012, 20:41
- Страна, Регион, Область: СССР
- Город: Деревня Малая Малявня
- Откуда: деревня МАЛАЯ МАЛЯВНЯ
- Благодарил (а): 602 раза
- Поблагодарили: 816 раз
Re: Машина для литья под давлением А71107; А71108
Мультипликатор под цифрой 21. Конструкции разные, задача одна, поднять давление. Думаю надо искать продавцов этих машин БУ. Возможны варианты продаж на запчасти. А что случилось с родным мультипликатором? Может в ремонт?
-
- Эксперт Гидравлик
- Сообщения: 5584
- Зарегистрирован: 24 окт 2012, 20:41
- Страна, Регион, Область: СССР
- Город: Деревня Малая Малявня
- Откуда: деревня МАЛАЯ МАЛЯВНЯ
- Благодарил (а): 602 раза
- Поблагодарили: 816 раз
Re: Машина для литья под давлением А71107; А71108
Эти штуки используются в ТПА. Встречали для поднятия давления зажима формы когда давления насоса не достаточно а габариты гидро цилиндра ограничены конструктивно. ТПА Виндзор, Куаси 160 первого поколения.
-
- Эксперт Гидравлик
- Сообщения: 5584
- Зарегистрирован: 24 окт 2012, 20:41
- Страна, Регион, Область: СССР
- Город: Деревня Малая Малявня
- Откуда: деревня МАЛАЯ МАЛЯВНЯ
- Благодарил (а): 602 раза
- Поблагодарили: 816 раз
Re: Машина для литья под давлением А71107; А71108
Попросту преобразователь давления. В этом случае узел впрыска. Можно помониторить изготовление на заказ. Возможно дорого но реально.
- Вложения
-
- i (3).jpeg (76.39 КБ) 3276 просмотров
-
- i.jpeg (88.26 КБ) 3276 просмотров
-
- Эксперт Гидравлик
- Сообщения: 5584
- Зарегистрирован: 24 окт 2012, 20:41
- Страна, Регион, Область: СССР
- Город: Деревня Малая Малявня
- Откуда: деревня МАЛАЯ МАЛЯВНЯ
- Благодарил (а): 602 раза
- Поблагодарили: 816 раз
Re: Машина для литья под давлением А71107; А71108
https://xn--80adfdbscmorebdjpezh9nvd.xn ... likatoryi/https://znachenie-slova.ru/%D0%BC%D1%83 ... 0%BE%D1%80 Неожиданно и интересно. В смысле значения слова.
-
- Эксперт Гидравлик
- Сообщения: 5584
- Зарегистрирован: 24 окт 2012, 20:41
- Страна, Регион, Область: СССР
- Город: Деревня Малая Малявня
- Откуда: деревня МАЛАЯ МАЛЯВНЯ
- Благодарил (а): 602 раза
- Поблагодарили: 816 раз
Re: Машина для литья под давлением А71107; А71108
А мультипликатор рожден в Германии. Артур, интересная история. Ни когда не задумывался, мультик ну и мультик.(((((Слово мультипликатор вошло в математический язык ХVIII века в значении «множитель» (КС ХVIII в.). Заимств. непосредственно из латыни или через нем. К сожалению Алюминию автора темы от этого не легче.
-
- Эксперт Гидравлик
- Сообщения: 5584
- Зарегистрирован: 24 окт 2012, 20:41
- Страна, Регион, Область: СССР
- Город: Деревня Малая Малявня
- Откуда: деревня МАЛАЯ МАЛЯВНЯ
- Благодарил (а): 602 раза
- Поблагодарили: 816 раз
Re: Машина для литья под давлением А71107; А71108
Повторяю вопросы, ато замылились лирическим отступлением. Суббота. Попросим Фото узла с нескольких ракурсов, причина поиска, чертежи, год выпуска машины. Чем дишит завод изготовитель на сегодняшний день????? Что у вас есть кроме желания купить????? В заключение фонтазии из яндекса.
-
- Эксперт Гидравлик
- Сообщения: 5584
- Зарегистрирован: 24 окт 2012, 20:41
- Страна, Регион, Область: СССР
- Город: Деревня Малая Малявня
- Откуда: деревня МАЛАЯ МАЛЯВНЯ
- Благодарил (а): 602 раза
- Поблагодарили: 816 раз
Re: Машина для литья под давлением А71107; А71108
https://www.exponet.ru/exhibitions/onli ... ij.ru.html Затянуло в Невод, гоняем кофейную гущу. Следы ведут в Тирасполь. Санду долой, мультик в г. Киров.
Думаю изготовить вполне реально. Что скажет Автор темы?

Кто сейчас на конференции
Сейчас этот форум просматривают: нет зарегистрированных пользователей и 10 гостей