- "Чудеса" случившиеся с вашими дорогими Куаси, Хмельницкими, Одесскими, Белорусскими, Русскими, Немецкими, Китайскими, Итальянскими и даже Американскими машинами.
- Various cases and problems with your IMM: Kuasy from DDR, Soviet-made machines, German, Chinese, American, Italian, Belarusian made machines.
-
Артур69
- Сообщения: 3455
- Зарегистрирован: 02 фев 2020, 10:56
- Страна, Регион, Область: Германия
- Город: NRW
-
Благодарил (а):
1219 раз
-
Поблагодарили:
1429 раз
#61
Сообщение
Артур69 » 30 дек 2020, 00:23
Спасибо . Вас тоже с наступающим . Имени настоящего к сожалению не знаю . Область кемеровская . Нас там тоже было не мало

. Молодцы, стараетесь . Успехов вам . Вспомните историю , да простят меня , немцы и мороз понятия не совместимые . Не приспособлены они . В вашем регионе , начинайте с отопления . Причём , поищите газовое . Россия же . Вроде газ доступнее чем где либо ? Ещё раз с новым , лучшим годом

Nein zum Krieg.
-
Олька
- Сообщения: 1011
- Зарегистрирован: 18 окт 2010, 17:36
- Страна, Регион, Область: Россия, Северо-западный регион, Новгородская обл.
- Город: Великий Новгород
- Откуда: Великий Новгород
-
Благодарил (а):
32 раза
-
Поблагодарили:
84 раза
#62
Сообщение
Олька » 30 дек 2020, 09:11
MONITORING 8 писал(а): ↑25 дек 2020, 12:46
Дело то в том что самостоятельно я пытался закрутить этот болт но дальше чем на половину ширины этой канавки он не закручивается что то мешает там. Вызвал слесарей они пожали плечами Пятница раб. день к концу поэтому от безысходности заказал втулку мне бы продемонстрировать работоспособность цикла что идея правильная и направление верное, а там пусть Механик репу чешет
Доброе утро коллега!
Как уже писали другие, этот болт надо закрутить как положено!!!
Для начала снимите крышку, на самом узле впрыска. Она расположена справа от бункера с материалом. Крепится она на двух болтах. Ключ на 10ть. Сняв её Вы увидите шлицевое соединение шнека и штока цилиндра впрыска. Шлицы обоих должны войти в друг друга. Количество шлицов и та и там по 5ть!
Выкрутите этот болт. Он длинный. Проверьте на нем резьбу. Прогоните плашкой. Вроде там резьба на 16ть основная. Если резьба повреждена то надо делать новый болт.
Закрутить по новой. Если опять не до конца, проверить резьбу на самом шнеке. Повредить её там сложно. Чаще всего там грязь.
Злая ты, Олечка!
-
MONITORING 8
- Сообщения: 81
- Зарегистрирован: 18 фев 2018, 19:09
- Страна, Регион, Область: Россия,Новосибирская область
- Город: Новосибирск
-
Благодарил (а):
6 раз
-
Поблагодарили:
3 раза
#63
Сообщение
MONITORING 8 » 30 дек 2020, 09:40
Оля после нового года я Ваш пост полностью покажу слесарям как женщины могут работать, а мужики не могут или не хотят
С Новым годом лучшую половину человечества и в частности нашу Ольку !
-
Олька
- Сообщения: 1011
- Зарегистрирован: 18 окт 2010, 17:36
- Страна, Регион, Область: Россия, Северо-западный регион, Новгородская обл.
- Город: Великий Новгород
- Откуда: Великий Новгород
-
Благодарил (а):
32 раза
-
Поблагодарили:
84 раза
#64
Сообщение
Олька » 30 дек 2020, 11:32
Дошла до работы и сфоткала.
-
Вложения
-

- 20201230_112337.jpg (67.28 КБ) 6083 просмотра
-

- 20201230_112053.jpg (72.56 КБ) 6083 просмотра
Злая ты, Олечка!
-
Олька
- Сообщения: 1011
- Зарегистрирован: 18 окт 2010, 17:36
- Страна, Регион, Область: Россия, Северо-западный регион, Новгородская обл.
- Город: Великий Новгород
- Откуда: Великий Новгород
-
Благодарил (а):
32 раза
-
Поблагодарили:
84 раза
#65
Сообщение
Олька » 30 дек 2020, 11:35
...
-
Вложения
-

- 20201230_113623.jpg (105.84 КБ) 6082 просмотра
-

- 20201230_113552.jpg (93.6 КБ) 6082 просмотра
-

- 20201230_113531.jpg (77.12 КБ) 6082 просмотра
Злая ты, Олечка!
-
MONITORING 8
- Сообщения: 81
- Зарегистрирован: 18 фев 2018, 19:09
- Страна, Регион, Область: Россия,Новосибирская область
- Город: Новосибирск
-
Благодарил (а):
6 раз
-
Поблагодарили:
3 раза
#66
Сообщение
MONITORING 8 » 30 дек 2020, 12:13
У мужчин появилось руководство к действию. Спасибо.
-
ЗЮМ
- Эксперт Гидравлик
- Сообщения: 5583
- Зарегистрирован: 24 окт 2012, 20:41
- Страна, Регион, Область: СССР
- Город: Деревня Малая Малявня
- Откуда: деревня МАЛАЯ МАЛЯВНЯ
-
Благодарил (а):
602 раза
-
Поблагодарили:
816 раз
#67
Сообщение
ЗЮМ » 13 янв 2021, 00:56
Четвёртый Висяк. Ну уж просыпайтесь , пора отчитаться по успехам нашего безнадежного дела. Не гасите популярность нашей радиопередачи. Или, сделал дело.....

Граждане, остерегайтесь, Молчунов и равнодушных людей, пусть идут себе лесом. Наливайте, вроде старый новый год.
- За это сообщение автора ЗЮМ поблагодарил:
- Woolfy
-
Мулланур
- Сообщения: 1584
- Зарегистрирован: 01 окт 2013, 15:06
- Страна, Регион, Область: Россия
- Город: Екатеринбург
- Откуда: Yevlax
-
Благодарил (а):
414 раз
-
Поблагодарили:
386 раз
#68
Сообщение
Мулланур » 14 янв 2021, 09:15
Испанцы летом боятся с погодой, а у нас получается бороться зимой с погодой. Думаю по этому молчат.
-
Вложения
-

- Слово вылетело в сугроб упало и замёрзло, а весной оттает.
- IMG_20210114_062930654~3.jpg (76.48 КБ) 5627 просмотров
-
ЗЮМ
- Эксперт Гидравлик
- Сообщения: 5583
- Зарегистрирован: 24 окт 2012, 20:41
- Страна, Регион, Область: СССР
- Город: Деревня Малая Малявня
- Откуда: деревня МАЛАЯ МАЛЯВНЯ
-
Благодарил (а):
602 раза
-
Поблагодарили:
816 раз
#69
Сообщение
ЗЮМ » 14 янв 2021, 09:22
Мы тоже ждём трактор.

-
MONITORING 8
- Сообщения: 81
- Зарегистрирован: 18 фев 2018, 19:09
- Страна, Регион, Область: Россия,Новосибирская область
- Город: Новосибирск
-
Благодарил (а):
6 раз
-
Поблагодарили:
3 раза
#70
Сообщение
MONITORING 8 » 16 янв 2021, 22:32
ЗЮМ писал(а): ↑13 янв 2021, 00:56
Четвёртый Висяк. Ну уж просыпайтесь , пора отчитаться по успехам нашего безнадежного дела. Не гасите популярность нашей радиопередачи. Или, сделал дело.....

Граждане, остерегайтесь, Молчунов и равнодушных людей, пусть идут себе лесом. Наливайте, вроде старый новый год.
ЗЮМ у меня к Вам деловое предложение через год под бой новогодних курантов проходимся по всем "неблагодарным молчунам" состовляем чёрные списки и будем вместе их всех гнобить целый год в стиле детской песочницы.??? Как??
Серьёзно у нас после нового года даже в работу пластмассовый участок не запускали и так сплош и рядом. Как то так.
-
ЗЮМ
- Эксперт Гидравлик
- Сообщения: 5583
- Зарегистрирован: 24 окт 2012, 20:41
- Страна, Регион, Область: СССР
- Город: Деревня Малая Малявня
- Откуда: деревня МАЛАЯ МАЛЯВНЯ
-
Благодарил (а):
602 раза
-
Поблагодарили:
816 раз
#71
Сообщение
ЗЮМ » 17 янв 2021, 09:49
Спасибо, за ответ. Чёрный список, это жестоко. Но мысль правильная. Тратишь время, переживаешь за процесс и конечный результат, а тут БАЦ " вторая смена". Просто появляется желание игнорировать некоторых штатских. Воспитанием нужно заниматься не только в детском саду, но и всю сознательную жизнь. И его величество ВРЕМЯ все расставит по своим местам.
-
ПластСтер
- Сообщения: 2932
- Зарегистрирован: 29 окт 2009, 13:15
- Страна, Регион, Область: Россия
- Город: Стерлитамак
- Откуда: Как все
-
Благодарил (а):
458 раз
-
Поблагодарили:
807 раз
-
Контактная информация:
#72
Сообщение
ПластСтер » 17 янв 2021, 12:25
Вячеслав

, относитесь к этому философски. Спросили - знаешь, посоветовал. Но жить жизнью спрашивающего, не стоит. Так уж устроены все тематические форумы: 1% ведет активную жизнь на форуме, подсказывает, советует, переживает, притом как за своё, а 99% просто пользуются, без отдачи и спасибо. К тому же, половина из них, даже ответы, на поставленные ими же вопросы, не читает. Повышение квалификации по Nью-Российски...

Звать меня, Сергей
-
ЗЮМ
- Эксперт Гидравлик
- Сообщения: 5583
- Зарегистрирован: 24 окт 2012, 20:41
- Страна, Регион, Область: СССР
- Город: Деревня Малая Малявня
- Откуда: деревня МАЛАЯ МАЛЯВНЯ
-
Благодарил (а):
602 раза
-
Поблагодарили:
816 раз
#73
Сообщение
ЗЮМ » 17 янв 2021, 13:17
Спасибо, Сергей. Ещё говорят: 80% плевать на твои проблемы а 20% будут рады, что тебя занесло и ты влетел в канаву. ( образно говоря) Но обсуждать и дергать за рукав надо. Результат может оказаться приятным. Слово и критика должна быть. У меня тут тоже есть висяки. Будем закрывать. Демаг на сухаря уже работает три месяца. Появился посвист синицы. Душа болит и плачет.

-
MONITORING 8
- Сообщения: 81
- Зарегистрирован: 18 фев 2018, 19:09
- Страна, Регион, Область: Россия,Новосибирская область
- Город: Новосибирск
-
Благодарил (а):
6 раз
-
Поблагодарили:
3 раза
#74
Сообщение
MONITORING 8 » 21 янв 2021, 09:41
Добрый день.!
По поводу нашего неблагодарного дела у нас встало всё вроде на свои места ибусный болт успешно закрутили за что всем спасибо за участие, станок работает почти в 3 смены, счёт выпущенных деталей пошёл уже на многие тысячи.Но без ложки дёгтя все равно не обошлось станок переодически начал сбоить где совсем часто где редко, самопроизвольно выключаться. Расследование вывело на электронный блок К1012 что представляет собой не то электронный предохранитель, не то термореле отвечающие за перегрев масла гидравлики. Зависимости срабатывания этого реле от температуры масла гидравлики не выявлено станок мог сразу же отключаться по включению на "холодную" утром, а мог успешно работать с такой температурой масла что руку можно обжечь прикоснувшись к арматуре гидравлики и наоборот, причём отключение станка не сопровождалось какой либо аварийной светодиодной сигнализациией на станке. После двух дней неблагодарных экспериментов закоротили этот блок 1012 через контакты 31---33.Станок стал нормально работать, но хотелось бы нормально настроить эту термозащиту, а для этого ес--но отремонтировать этот электронный блок. В связи с этим вопрос форуму есть ли у кого схема на этот электронный блок ну или кто то ремонтировал знает слабые места этого блока, что вылетает и т. д.
-
Вложения
-

- Электронный блок К1012
- _20210121_124411.JPG (45.36 КБ) 5378 просмотров
-

- _20210121_124454.JPG (77.18 КБ) 5378 просмотров
-
Woolfy
- Сообщения: 810
- Зарегистрирован: 08 июн 2018, 08:12
- Страна, Регион, Область: Россия
- Город: Новосибирск
-
Благодарил (а):
690 раз
-
Поблагодарили:
351 раз
#75
Сообщение
Woolfy » 21 янв 2021, 15:01
MONITORING 8 писал(а): ↑21 янв 2021, 09:41
...есть ли у кого схема на этот электронный блок ну или кто то ремонтировал знает слабые места этого блока, что вылетает и т. д.
Схема рисуется от руки почти "на коленке". Рекомендую проверить датчик температуры масла вместе с проводами. Избавиться от скруток и промежуточных соединений (по возможности). Готов помочь руками и паяльником в выходные (на электричке), спальное место будет плюсом, хотя можно уложиться до вечера, если повезёт. Ваша доставка из Новосибирска в Искитим увеличит чистое рабочее время. Свой телефон отправил в личку.
Дополнение: возможно, я перепутал вас с другим форумчанином, из Искитима. Это вы на супер-пупер секретном заводе? Тогда прошу прощения.
Дополнение 2: как вариант можете вынести и передать мне релюху для ремонта. Мозгов с секретами у неё нет. Это точно!
С уважением. Белый и пушистый, а не серый и лохматый.
-
MONITORING 8
- Сообщения: 81
- Зарегистрирован: 18 фев 2018, 19:09
- Страна, Регион, Область: Россия,Новосибирская область
- Город: Новосибирск
-
Благодарил (а):
6 раз
-
Поблагодарили:
3 раза
#76
Сообщение
MONITORING 8 » 21 янв 2021, 20:35
Woolfy писал(а): ↑21 янв 2021, 15:01
Схема рисуется от руки почти "на коленке". Рекомендую проверить датчик температуры масла вместе с проводами. Избавиться от скруток и промежуточных соединений (по возможности). Готов помочь руками и паяльником в выходные (на электричке), спальное место будет плюсом, хотя можно уложиться до вечера, если повезёт. Ваша доставка из Новосибирска в Искитим увеличит чистое рабочее время. Свой телефон отправил в личку.
Дополнение: возможно, я перепутал вас с другим форумчанином, из Искитима. Это вы на супер-пупер секретном заводе? Тогда прошу прощения.
Дополнение 2: как вариант можете вынести и передать мне релюху для ремонта. Мозгов с секретами у неё нет. Это точно!
К Искитиму мы действительно не имеем отношения ошибочка так сказать. Над супер-пупер секретностью можете конечно смеяться, но тащить несанкционированно через металлорамки такие вещи с нашей стороны мягко выражаясь не серьёзно имей она хоть нулевую степень секретности, есть чёткий список что можно проносить а что нет, ну а это уже ни в какие ворота не лезет.Ко всему прочему если все там так просто рисуется и ремонтируется с коленки попробуем обойтись своими силами просто не люблю этот головняк с художеством и аналогами, но ничего не поделаешь. Спасибо за советы, станок партию деталей доделает попробуем порисовать.
-
agent_serg
- Сообщения: 811
- Зарегистрирован: 29 июл 2011, 20:30
- Страна, Регион, Область: Её уже нет, только память...
- Город: Город, который помню с детства
-
Благодарил (а):
108 раз
-
Поблагодарили:
164 раза
#77
Сообщение
agent_serg » 21 янв 2021, 22:17
MONITORING 8 писал(а): ↑21 янв 2021, 09:41
закоротили этот блок 1012 через контакты 31---33
Это реле контроля перегрева электродвигателя.
Закоротили - можете сжечь электромотор.
Проверьте контакты магнитного пускателя, может иногда одна фаза пропадает?

- P.jpg (58.47 КБ) 5277 просмотров
Качество - это делать что-либо правильно, даже когда никто не смотрит.
© Генри Форд
-
MONITORING 8
- Сообщения: 81
- Зарегистрирован: 18 фев 2018, 19:09
- Страна, Регион, Область: Россия,Новосибирская область
- Город: Новосибирск
-
Благодарил (а):
6 раз
-
Поблагодарили:
3 раза
#78
Сообщение
MONITORING 8 » 22 янв 2021, 14:01
Нежданчик вылез откуда не думали щупаем бак а тут на тебе двигатель. Моя вина опять спешка, запарка никак не могу привыкнуть к этим картинкам, казалось выучил эту мнемонику и перепутал нагрев гидравлики с нагревом двигателя не судите строго. Фазы проверил все на месте, частенько такое происходит из за межвиткового в обмотках двигателя но сопротивление очень малое порядка 0,5 ом надо мостом мерить обмотки и его пока не доставили.Цешкой 0,5-:-0,6 ом показывает но насколько этому можно верить в отсутствие межвитка? Если с обмотками все норм ну тогда только искать температурно-омическую характеристику терморезистора двигателя, а иначе как тут определиш что врет блок или терморезистор, а данные характеристики последнего сейчас найти кажется из области фантастики. Хотя чисто по наитию ставлю на терморезистор что он врёт. Ещё в бытность советского времени работал слесарем и плотно контактировал с электриками обслуживающими станки с болгарским двигателями постоянного тока порядка 12 станков на каждом по 3 двигателя один главный и два подачи - - - 36 двигателей хоть бы на одном работала штатная термозащита, все поголовно было закорочен меня это очень забовляло спрашивал у электриков ответ один - - терморезистор, не знаю правда насколько тогда отличалась электроника Болгарии от ГДР мне кажется ни на сколько.Ладно а то у меня лошадь впереди телеги бежит пощупаем, попробуем, померим, двигатель конечно греется, но насколько сильно, выходит ли за рамки этот нагрев, все это нужно точно мерить, а так все это субьективно. Есть ещё конечно такая вещь как механическая нагрузка так это вообще тёмная лошадка, нужно разбирать насос отцеплять двигатель, тот ещё головняк, если как вариант косвенно токи нагрузки померить, а с чем сравнить. В общем подумаем как действовать дальше и отпишемся к чему пришли
-
MONITORING 8
- Сообщения: 81
- Зарегистрирован: 18 фев 2018, 19:09
- Страна, Регион, Область: Россия,Новосибирская область
- Город: Новосибирск
-
Благодарил (а):
6 раз
-
Поблагодарили:
3 раза
#79
Сообщение
MONITORING 8 » 02 фев 2022, 05:52
Здравствуйте! Лень двигатель прогресса, но если серьёзно страшновато было лезти в станок работает себе станок да работает начнешь ковырять ещё чего нибудь поломаеш зацепиш. Тем более температуру двигателя мерили 40гр что намного меньше допустимой температуры самой низкотемпературной эзоляции двигателя 90гр.Обмотки двигателя мерили мостом все ровненько никакого намёка на межвитковое. Наконец механическая или гидравлическия перегрузка двигателя особенно в таком повторно-кратковременном режиме где токи не всегда соответствуют настройкам тепловых реле тоже отсутствует. При смыкания пресс-формы это самый нагруженный режим пиковое значение токов фазы достигает 40--45А. Сам двигатель по бирке 15КВА включён по треугольнику линейное напряжение в этом случае 220в и по рассчету Iн=15000/1,73*220*0,8*0,9=55А что говорит что двигатель работает с недогрузкой никаких причин для срабатывания термореле нету. Так мы выяснили что глючит либо само термореле либо терморезистор
-
Вложения
-

-

-

-
MONITORING 8
- Сообщения: 81
- Зарегистрирован: 18 фев 2018, 19:09
- Страна, Регион, Область: Россия,Новосибирская область
- Город: Новосибирск
-
Благодарил (а):
6 раз
-
Поблагодарили:
3 раза
#80
Сообщение
MONITORING 8 » 02 фев 2022, 06:31
Проверка терморезистора дело хлопотное поэтому начали с блока термореле на фото представлена схема этого термореле, действительно рисуется это с коленки как выражаются уважаемые наши коллеги и ничего страшного в нем нет. Заменили мы в этом блочке саму выходную релюшку и конденсатор все и пошло ложные срабатывания прекратились.
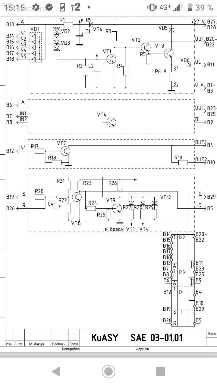
Так как сам я человек переучивающийся и термопластавтоматы для меня совершенно новая стезя возникает очень много вопросов особенно при отсутствии доков(какие то 3-х платные особенные модификации) в частности при разборе инфы предоставленной коллегами с форума обнаружил для себя следующую загадку(или я чего то не понимаю переучивающийся) основа основ(для меня) входные-выходные сигналы с которыми работает машина, на станке одна плата входных-выходных сигналов EFE 15-53.01 полные аналоги этой платы EFE 15-51 и SAE 15 51 они взаимозаменяемы немного только по разному архетиктура внутри но вот выходной каскад у них полностью идентичен на фото представлен фрагмент этого каскада(оригинал не мог представить качество схем только под микроскопом извиняюсь) он состоит из 2-х микросхем D100( наша 155ЛА3) и 2-х D200(наша 531ЛА3П) стандартная ТТЛ последняя с небольшим наворотом без всякого ОК выход 5в и все эти выхода идут на входы усилителей сигналов SAE 03-01.01(представлен на фото) где питаюшее напряжение 24в и всё это без всякой гальванической развязки??
-
Woolfy
- Сообщения: 810
- Зарегистрирован: 08 июн 2018, 08:12
- Страна, Регион, Область: Россия
- Город: Новосибирск
-
Благодарил (а):
690 раз
-
Поблагодарили:
351 раз
#81
Сообщение
Woolfy » 02 фев 2022, 15:10
MONITORING 8 писал(а): ↑02 фев 2022, 06:31
...где питаюшее напряжение 24в и всё это без всякой гальванической развязки??
Видимо, напутано у вас. Двухтактный выходной каскад D100 (D200) ну вот совсем не стыкуется с последующими +24 В. Или открытый коллектор (ОК) выхода, или оптопара последующего входа. Насколько я помню схемы на KuASY, то там всё-таки регистры данных с ОК. Найдите на форуме "функционалку" - поможет. Со своей стороны могу поклянчить у знакомых схемы на KuASY-1400, но там качество весьма плачевное. Даже после ксерокопирования часть адресов не будет читаться.
Дополнение: в схеме мощного усилителя SAE 03-01.01 приняты меры (схемотехнические) по ограничению напряжения на входах. Насколько ограничивается - можете сами измерить и сюда выложить.
С уважением. Белый и пушистый, а не серый и лохматый.
-
MONITORING 8
- Сообщения: 81
- Зарегистрирован: 18 фев 2018, 19:09
- Страна, Регион, Область: Россия,Новосибирская область
- Город: Новосибирск
-
Благодарил (а):
6 раз
-
Поблагодарили:
3 раза
#82
Сообщение
MONITORING 8 » 03 фев 2022, 19:04
Представил как мог и получилось фото с заводской кальки платы входных-выходных сигналов SAE 15 51 где представлен фрагмент выходного каскада с соответствующей спецификацией где показаны полные аналоги микросхем ГДР D100, D200 отечественные К155ла3 и К531ла3п гугл тоже самое выдаёт это обычные ТТЛ микросхемы и никакого открытого коллектора (ОК) там нет. Сегодня не поленился вызвонил в корзине выхода этих микросхем идут точнехонько и прямехонька без всяких буферов на входы усилителей SAE 03-01 точнее катоды диодных микросборок типа VD1. При запитке SAE 03-01 действительно на аноды этих микросборок идут ТТЛ уровни 3.4----3.2в с падением на диоде на сами выходы D100(155ЛАЗ),D200(531ЛАЗ) приходит mах 2,5в что для них не критично.Но всё это работает в штатном режиме при обрыве микросборок VD2, VD3 или R2 c VT1 на плату входов-выходов прёт полные 24в с выходом последней. Сомнительное схемотехн ическое решение в плане безопасности и надёжности. Допускаю что данную плату склепали кажется в Калуге на нашей элементной базе как говорят ДЖЕНЕРИК по упрощённой схеме без гальваноразвязки. В платах же ГДР EFE 15-51, EFE 15-53 присутствует или ОК или гальваноразвязки ну так предполагаю. Последних схем плат ГДР у меня нет поэтому не прочь воспользоваться Вашим широким жестом и приобрести копии(какие есть) плат EFE 15-51 и EFE 15-53 что ничитаемо думаю можно дорисовать.Материальное вознаграждение гарантирую наверно договоримся уж по плохим копиям.Живу и работаю на левом берегу могу лично приехать на Королева ваши координаты есть.Правда в данный момент собираюсь в командировку недели на полторы по прибытию могу позвонить или написать в личку если Вы конечно не против
-
Вложения
-

-

- _20220203_213856.JPG (94.88 КБ) 3825 просмотров
-

-
zdoba
- Сообщения: 93
- Зарегистрирован: 14 июл 2012, 19:46
- Страна, Регион, Область: Россия
- Город: Кинешма
- Откуда: Кинешма
-
Благодарил (а):
2 раза
-
Поблагодарили:
13 раз
#83
Сообщение
zdoba » 04 фев 2022, 18:36
-
MONITORING 8
- Сообщения: 81
- Зарегистрирован: 18 фев 2018, 19:09
- Страна, Регион, Область: Россия,Новосибирская область
- Город: Новосибирск
-
Благодарил (а):
6 раз
-
Поблагодарили:
3 раза
#84
Сообщение
MONITORING 8 » 05 фев 2022, 08:01
Zdoba большое спасибо но моя схема из тех же источников, что и предоставленной Вами нужные схемы развернул на формате А1 приятно работать, там же схема на 15-53 даже не стал заморачиваться читать и работать с такими разрозненными квадратиками схему убийственно, нужна скатерть. Сейчас на одном из фрагментиков рассмотрел ОК действительно адреса совпадают и в этом Woolfy прав на оригинальных немецких платах выхода с ОК но это мало что меняет, по моему все равно выходная часть не доработана и использовать её особенно с платами SAE 15 51 просто опасно, все жиждется только на качественных немецких комплектующих и добротном монтаже, вот всё, а спасёт ли ОК при нештатной ситуации большой вопрос. Ну пока все как то работает. Полёт нормальный, всем спасибо за помощь
-
Woolfy
- Сообщения: 810
- Зарегистрирован: 08 июн 2018, 08:12
- Страна, Регион, Область: Россия
- Город: Новосибирск
-
Благодарил (а):
690 раз
-
Поблагодарили:
351 раз
#85
Сообщение
Woolfy » 05 фев 2022, 13:52
Можете подстраховаться, припаяв на выходные усилители стабилитроны КС447А или КС456А. Главное - правильно выбрать точки пайки.
С уважением. Белый и пушистый, а не серый и лохматый.
Кто сейчас на конференции
Сейчас этот форум просматривают: нет зарегистрированных пользователей и 9 гостей