Не корректная работа гидравлики?
-
- Сообщения: 1584
- Зарегистрирован: 01 окт 2013, 15:06
- Страна, Регион, Область: Россия
- Город: Екатеринбург
- Откуда: Yevlax
- Благодарил (а): 414 раз
- Поблагодарили: 386 раз
Re: Не корректная работа гидравлики?
Если прорабатывать версию высокого давления на сливе "Т" то нужно или увеличить ее сечение путем про броски параллельной ветки в бак, или на входе в этот блок дросселировать подачу "Р"
- Рейтинг: 5%
-
- Сообщения: 1584
- Зарегистрирован: 01 окт 2013, 15:06
- Страна, Регион, Область: Россия
- Город: Екатеринбург
- Откуда: Yevlax
- Благодарил (а): 414 раз
- Поблагодарили: 386 раз
Re: Не корректная работа гидравлики?
Если прорабатывать версию высокого давления на сливе "Т" то нужно или увеличить ее сечение путем про броски параллельной ветки в бак, или на входе в этот блок дросселировать подачу "Р". Или на насосе убавить производительность
- Рейтинг: 5%
-
- Сообщения: 241
- Зарегистрирован: 26 дек 2013, 04:53
- Страна, Регион, Область: Россия
- Город: Тюмень
- Благодарил (а): 0
- Поблагодарили: 16 раз
Re: Не корректная работа гидравлики?
На первый взгляд редукционный клапан здесь не при чем, оба отсечены не включенными распределителями.
-
- Эксперт Гидравлик
- Сообщения: 5583
- Зарегистрирован: 24 окт 2012, 20:41
- Страна, Регион, Область: СССР
- Город: Деревня Малая Малявня
- Откуда: деревня МАЛАЯ МАЛЯВНЯ
- Благодарил (а): 602 раза
- Поблагодарили: 816 раз
Re: Не корректная работа гидравлики?
Или установить контроль давления в Т и увидеть в динамике что там происходит. Факт что трехлинейный редукционник дает импульс в трубу Т в момент переключения и включения. Отсечен он во время статики а в динамике он переодически скидывает литраж в линию Т для установки своей настройки.Почитаем пока что такое ТРЕХЛИНЕЙКА.( три сосны какие то)Мулланур писал(а):Если прорабатывать версию высокого давления на сливе "Т" то нужно или увеличить ее сечение путем про броски параллельной ветки в бак, или на входе в этот блок дросселировать подачу "Р". Или на насосе убавить производительность
-
- Эксперт Гидравлик
- Сообщения: 5583
- Зарегистрирован: 24 окт 2012, 20:41
- Страна, Регион, Область: СССР
- Город: Деревня Малая Малявня
- Откуда: деревня МАЛАЯ МАЛЯВНЯ
- Благодарил (а): 602 раза
- Поблагодарили: 816 раз
Re: Не корректная работа гидравлики?
Хорошо бы еще знать трехлинейный, прямого действия или не прямого?
-
- Сообщения: 1584
- Зарегистрирован: 01 окт 2013, 15:06
- Страна, Регион, Область: Россия
- Город: Екатеринбург
- Откуда: Yevlax
- Благодарил (а): 414 раз
- Поблагодарили: 386 раз
Re: Не корректная работа гидравлики?
У меня родилась ещё одна версия: слишком густое (вязкое) масло в системе. Какой вязкости масло залито?
- Рейтинг: 5%
-
- Сообщения: 28
- Зарегистрирован: 13 июл 2015, 19:39
- Страна, Регион, Область: Россия
- Город: Москва
- Благодарил (а): 0
- Поблагодарили: 0
Re: Не корректная работа гидравлики?
Не прямого. Стоит вот этот клапан http://dc-america.resource.bosch.com/me ... a26572.pdfЗЮМ писал(а):Хорошо бы еще знать трехлинейный, прямого действия или не прямого?
-
- Сообщения: 28
- Зарегистрирован: 13 июл 2015, 19:39
- Страна, Регион, Область: Россия
- Город: Москва
- Благодарил (а): 0
- Поблагодарили: 0
Re: Не корректная работа гидравлики?
Насчет масла ничего не могу сказать, завтра уточню.Мулланур писал(а):У меня родилась ещё одна версия: слишком густое (вязкое) масло в системе. Какой вязкости масло залито?
-
- Сообщения: 28
- Зарегистрирован: 13 июл 2015, 19:39
- Страна, Регион, Область: Россия
- Город: Москва
- Благодарил (а): 0
- Поблагодарили: 0
Re: Не корректная работа гидравлики?
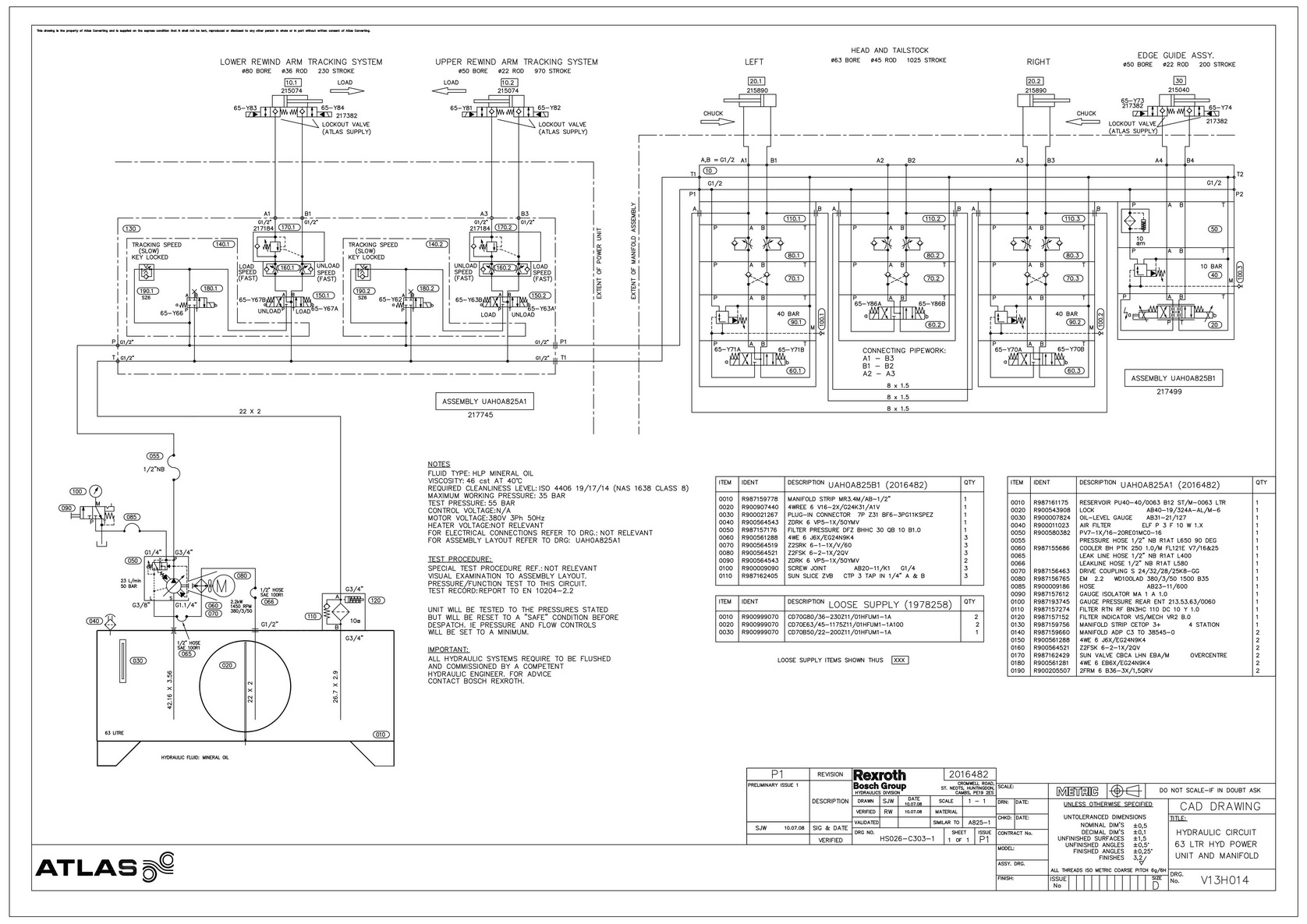
Выкладываю полную схему гидравлики станка.
- Вложения
-
- V13H014.pdf
- (216.86 КБ) 131 скачивание
-
- Сообщения: 1584
- Зарегистрирован: 01 окт 2013, 15:06
- Страна, Регион, Область: Россия
- Город: Екатеринбург
- Откуда: Yevlax
- Благодарил (а): 414 раз
- Поблагодарили: 386 раз
Re: Не корректная работа гидравлики?
Судя по схеме у Вас регулятор давления стоит прямо под распределителем, то есть на шпильки к блоку у вас стоит дроссельная плита, затем плита с обратными клапанами, потом регулятор давления, и распределитель.syler писал(а): Не прямого. Стоит вот этот клапан http://dc-america.resource.bosch.com/me ... a26572.pdf
А если с начало поставить от блока: плитку с регулятором давления (90.1- 90.2), потом плиту с обратными клапанами (70.1-70.3), следом дроссельную плиту (80.1-80.3) ну и закрыть распределителем.
В блоке отверстия больше Р и Т , а дроссельная плита еще одно разделение Т от А+В.
-
- Сообщения: 28
- Зарегистрирован: 13 июл 2015, 19:39
- Страна, Регион, Область: Россия
- Город: Москва
- Благодарил (а): 0
- Поблагодарили: 0
Re: Не корректная работа гидравлики?
Как вариант. Вообще, раздумываю о том, насколько безболезненно этот регулятор можно убрать из системы. Ведь судя по схеме планировалось редуцирование давления с 50 всего до 40 бар. Мне кажется, что эти 10 бар разницы вряд ли могут как то навредить зажимаемой шпуле, я пробовал зажимать при различных настройках регулятора, в том числе и в крайних положениях, ничего страшного не случалось. Дополнительных сил, которые могут воздействовать на стойку в зажатом стостоянии и тем самым поднять давление в гидроцилиндре и до критических значений, как мне кажется, нет. Поднять давление свыше 50 бар при зажиме, по идее, тоже не получится, так как на гидростанции использован пластинчатый насос с регулируемой подачей. Попробую написать производителям станка.Мулланур писал(а):Судя по схеме у Вас регулятор давления стоит прямо под распределителем, то есть на шпильки к блоку у вас стоит дроссельная плита, затем плита с обратными клапанами, потом регулятор давления, и распределитель.syler писал(а): Не прямого. Стоит вот этот клапан http://dc-america.resource.bosch.com/me ... a26572.pdf
А если с начало поставить от блока: плитку с регулятором давления (90.1- 90.2), потом плиту с обратными клапанами (70.1-70.3), следом дроссельную плиту (80.1-80.3) ну и закрыть распределителем.
В блоке отверстия больше Р и Т , а дроссельная плита еще одно разделение Т от А+В.
-
- Сообщения: 1584
- Зарегистрирован: 01 окт 2013, 15:06
- Страна, Регион, Область: Россия
- Город: Екатеринбург
- Откуда: Yevlax
- Благодарил (а): 414 раз
- Поблагодарили: 386 раз
Re: Не корректная работа гидравлики?
Сейчас не нужно а завтра понадобится.syler писал(а): Как вариант. Вообще, раздумываю о том, насколько безболезненно этот регулятор можно убрать из системы. Ведь судя по схеме планировалось редуцирование давления с 50 всего до 40 бар. Мне кажется, что эти 10 бар разницы вряд ли могут как то навредить зажимаемой шпуле, я пробовал зажимать при различных настройках регулятора, в том числе и в крайних положениях, ничего страшного не случалось. Дополнительных сил, которые могут воздействовать на стойку в зажатом стостоянии и тем самым поднять давление в гидроцилиндре и до критических значений, как мне кажется, нет. Поднять давление свыше 50 бар при зажиме, по идее, тоже не получится, так как на гидростанции использован пластинчатый насос с регулируемой подачей. Попробую написать производителям станка.
Плиты стоят в очередности как на схеме?
-
- Сообщения: 28
- Зарегистрирован: 13 июл 2015, 19:39
- Страна, Регион, Область: Россия
- Город: Москва
- Благодарил (а): 0
- Поблагодарили: 0
Re: Не корректная работа гидравлики?
Да, все собрано в полном соответствии со схемой.Мулланур писал(а):Сейчас не нужно а завтра понадобится.
Плиты стоят в очередности как на схеме?
-
- Сообщения: 1584
- Зарегистрирован: 01 окт 2013, 15:06
- Страна, Регион, Область: Россия
- Город: Екатеринбург
- Откуда: Yevlax
- Благодарил (а): 414 раз
- Поблагодарили: 386 раз
Re: Не корректная работа гидравлики?
Так может собрать внимательно не переворачивая плиты как я описывал выше? По времени это займет максимум полчаса.
1) регулятор давления;
2) управляемые обратные клапана;
3) дросселя;
4) распределитель.
Линия "Т" укоротится, а расстояние между линиями Т и А+В увеличится уменьшая влияния друг на друга ( сейчас они отделяются только распределителем).
1) регулятор давления;
2) управляемые обратные клапана;
3) дросселя;
4) распределитель.
Линия "Т" укоротится, а расстояние между линиями Т и А+В увеличится уменьшая влияния друг на друга ( сейчас они отделяются только распределителем).
-
- Сообщения: 28
- Зарегистрирован: 13 июл 2015, 19:39
- Страна, Регион, Область: Россия
- Город: Москва
- Благодарил (а): 0
- Поблагодарили: 0
Re: Не корректная работа гидравлики?
К сожалению не имею сейчас доступа к станку, он в работе сейчас, и ближайшее время тоже будет в работе.
-
- Эксперт Гидравлик
- Сообщения: 5583
- Зарегистрирован: 24 окт 2012, 20:41
- Страна, Регион, Область: СССР
- Город: Деревня Малая Малявня
- Откуда: деревня МАЛАЯ МАЛЯВНЯ
- Благодарил (а): 602 раза
- Поблагодарили: 816 раз
Re: Не корректная работа гидравлики?
А я упорно буду советовать для начала установить манометр в линию Т1. По давлению, контрольных точек на каждом блоке общей схемы достаточно. В линию Т1 удобно поставить манометр через переходник в точке Т2. В самом правом конце схемы. Точка Т2 скорее всего заглушка технологическая. туда и ввернуть манометр. и понаблюдать за давлением на сливе. Сечение трубопровода 1/2 дюйма плюс фильтр на сливе. Думаю если масло не достаточно прогрето на сливе будет давление ? хотя насос 25 литров в минуту вроде подача не шибко большая. С другой стороны если на сливе завышено давление даже Кратковременно, должен сработать фильтровый датчик засора на общем сливе в бак.( спасибо за полную схему)
-
- Сообщения: 241
- Зарегистрирован: 26 дек 2013, 04:53
- Страна, Регион, Область: Россия
- Город: Тюмень
- Благодарил (а): 0
- Поблагодарили: 16 раз
Re: Не корректная работа гидравлики?
Давление 50 бар и без того присутствует в цилиндрах, при коррекции положения вторая панель получает давление из гидросистемы без редуцирования.syler писал(а): Как вариант. Вообще, раздумываю о том, насколько безболезненно этот регулятор можно убрать из системы. Ведь судя по схеме планировалось редуцирование давления с 50 всего до 40 бар. Мне кажется, что эти 10 бар разницы вряд ли могут как то навредить зажимаемой шпуле, я пробовал зажимать при различных настройках регулятора, в том числе и в крайних положениях, ничего страшного не случалось. Дополнительных сил, которые могут воздействовать на стойку в зажатом стостоянии и тем самым поднять давление в гидроцилиндре и до критических значений, как мне кажется, нет. Поднять давление свыше 50 бар при зажиме, по идее, тоже не получится, так как на гидростанции использован пластинчатый насос с регулируемой подачей. Попробую написать производителям станка.
-
- Сообщения: 1584
- Зарегистрирован: 01 окт 2013, 15:06
- Страна, Регион, Область: Россия
- Город: Екатеринбург
- Откуда: Yevlax
- Благодарил (а): 414 раз
- Поблагодарили: 386 раз
Re: Не корректная работа гидравлики?
С манометром в Т2 не соглашусь , так как редукционный клапан стоит прямо под распределителем и диаметр слива 6,5 мм, а в Т1 диаметр около 16 мм. Чтобы маслу попасть в Т1 ему нужно пройти еще две плиты высотой каждая по 40 мм и диаметром 6,5 мм, замер значений будет не корректным.ЗЮМ писал(а):А я упорно буду советовать для начала установить манометр в линию Т1. По давлению, контрольных точек на каждом блоке общей схемы достаточно. В линию Т1 удобно поставить манометр через переходник в точке Т2. В самом правом конце схемы. Точка Т2 скорее всего заглушка технологическая. туда и ввернуть манометр. и понаблюдать за давлением на сливе. Сечение трубопровода 1/2 дюйма плюс фильтр на сливе. Думаю если масло не достаточно прогрето на сливе будет давление ? хотя насос 25 литров в минуту вроде подача не шибко большая. С другой стороны если на сливе завышено давление даже Кратковременно, должен сработать фильтровый датчик засора на общем сливе в бак.( спасибо за полную схему)
-
- Сообщения: 28
- Зарегистрирован: 13 июл 2015, 19:39
- Страна, Регион, Область: Россия
- Город: Москва
- Благодарил (а): 0
- Поблагодарили: 0
Re: Не корректная работа гидравлики?
Благодарю за замечание. Возникает вопрос о целесообразности применения этих редукционных клапанов. Для чего разработчики их вообще применили?atm писал(а):Давление 50 бар и без того присутствует в цилиндрах, при коррекции положения вторая панель получает давление из гидросистемы без редуцирования.
-
- Сообщения: 28
- Зарегистрирован: 13 июл 2015, 19:39
- Страна, Регион, Область: Россия
- Город: Москва
- Благодарил (а): 0
- Поблагодарили: 0
Re: Не корректная работа гидравлики?
Вот как выглядит блок в "натуре". К сожалению, точка Т2 оказалось не самой легкодоступнойЗЮМ писал(а):А я упорно буду советовать для начала установить манометр в линию Т1. По давлению, контрольных точек на каждом блоке общей схемы достаточно. В линию Т1 удобно поставить манометр через переходник в точке Т2. В самом правом конце схемы. Точка Т2 скорее всего заглушка технологическая. туда и ввернуть манометр. и понаблюдать за давлением на сливе. Сечение трубопровода 1/2 дюйма плюс фильтр на сливе. Думаю если масло не достаточно прогрето на сливе будет давление ? хотя насос 25 литров в минуту вроде подача не шибко большая. С другой стороны если на сливе завышено давление даже Кратковременно, должен сработать фильтровый датчик засора на общем сливе в бак.( спасибо за полную схему)

-
- Эксперт Гидравлик
- Сообщения: 5583
- Зарегистрирован: 24 окт 2012, 20:41
- Страна, Регион, Область: СССР
- Город: Деревня Малая Малявня
- Откуда: деревня МАЛАЯ МАЛЯВНЯ
- Благодарил (а): 602 раза
- Поблагодарили: 816 раз
Re: Не корректная работа гидравлики?
Понятно, что ни чего не понятно. Давайте тогда с начала: ЕСЛИ - шток ползет вправо , значит в цилиндр в бесштоковую полость поступает напруга а из штоковой жидкость вытесняется КУДА? По схеме видно что напор может приплыть и из соседнего модуля и масло может вытеснится в соседний модуль . Мне например понятно что надо делать. Но для этого надо 1)Набор заглушек 2) Распределитель 44 схемы 3) Промежуточную плитку с четырьмя выходами под манометры из А, В, Р и Т. Подойдет от КУАСИ 5000 и 9000 стоят на модулях знаков. ( всегда пользуюсь при случае) 4) Набор или резьбовую шпильку строительную резьба М 5 ( для изготовления крепежа модуля при временной ликвидации редукционников и других экспериментов) 5) Шайбочки под пятерку и гайки , есть в продаже высокие с резьбой М 5. 6) Несколько манометров 3 штуки. от 0-100. И причина самопроизвольного движения должна быть установлена. Далее выстроить логику действий и дождаться остановки станка. Район то проблемы известен. И очень интересно и как всегда какая нибудь чепуха в конечном итоге.
-
- Сообщения: 1584
- Зарегистрирован: 01 окт 2013, 15:06
- Страна, Регион, Область: Россия
- Город: Екатеринбург
- Откуда: Yevlax
- Благодарил (а): 414 раз
- Поблагодарили: 386 раз
Re: Не корректная работа гидравлики?
Если правильно понял надпись над этими цилиндрами то :
диаметр поршня 63 мм, S=31,15665 cm2;
диаметр штока 45 мм, S=15,89625 cm2;
длина хода 1025 мм.
Если так, то очень большая разница площадей и штоковая полость имеет небольшое усилие. 44 схемы должно было хватить вместо 34 с гидрозамками.
диаметр поршня 63 мм, S=31,15665 cm2;
диаметр штока 45 мм, S=15,89625 cm2;
длина хода 1025 мм.
Если так, то очень большая разница площадей и штоковая полость имеет небольшое усилие. 44 схемы должно было хватить вместо 34 с гидрозамками.
- Karakol
- Сообщения: 541
- Зарегистрирован: 01 сен 2011, 19:53
- Страна, Регион, Область: Литва
- Город: Вильнюс
- Благодарил (а): 2 раза
- Поблагодарили: 3 раза
Re: Не корректная работа гидравлики?
Как вариант, длина хода большая, объём масла так же значителен. Масло за несколько минут остывает и уменьшается в объёме со всеми вытекающими последствиями.
-
- Сообщения: 28
- Зарегистрирован: 13 июл 2015, 19:39
- Страна, Регион, Область: Россия
- Город: Москва
- Благодарил (а): 0
- Поблагодарили: 0
Re: Не корректная работа гидравлики?
Специально для производителей станка снял небольшое видео.
Пока что они никак его не прокомментировали и вообще уже несколько дней молчат...
Пока что они никак его не прокомментировали и вообще уже несколько дней молчат...
-
- Сообщения: 1584
- Зарегистрирован: 01 окт 2013, 15:06
- Страна, Регион, Область: Россия
- Город: Екатеринбург
- Откуда: Yevlax
- Благодарил (а): 414 раз
- Поблагодарили: 386 раз
Re: Не корректная работа гидравлики?
Может и наивно, к блоку подвод Р и Т не перепутан?
При включенном насосе на магнит также легко нажать как и при выключенном насосе?
При включенном насосе на магнит также легко нажать как и при выключенном насосе?
-
- Сообщения: 241
- Зарегистрирован: 26 дек 2013, 04:53
- Страна, Регион, Область: Россия
- Город: Тюмень
- Благодарил (а): 0
- Поблагодарили: 16 раз
Re: Не корректная работа гидравлики?
При том что давление открытия клапанов гидрозамка по ТТХ 1,5 бара может стоит попытаться для проверки пустить обратку мимо (без) фильтра, чтобы скинуть давление обратки до минимума, правда от необходимости знать величину давления в отрезке Т1 - Т2 сие не освобождает (можно будет при положительном результате и желании подобрать ГЗ по давлению открытия).ЗЮМ писал(а):А я упорно буду советовать для начала установить манометр в линию Т1. По давлению, контрольных точек на каждом блоке общей схемы достаточно. В линию Т1 удобно поставить манометр через переходник в точке Т2. В самом правом конце схемы. Точка Т2 скорее всего заглушка технологическая. туда и ввернуть манометр. и понаблюдать за давлением на сливе. Сечение трубопровода 1/2 дюйма плюс фильтр на сливе. Думаю если масло не достаточно прогрето на сливе будет давление ? хотя насос 25 литров в минуту вроде подача не шибко большая. С другой стороны если на сливе завышено давление даже Кратковременно, должен сработать фильтровый датчик засора на общем сливе в бак.( спасибо за полную схему)
-
- Сообщения: 28
- Зарегистрирован: 13 июл 2015, 19:39
- Страна, Регион, Область: Россия
- Город: Москва
- Благодарил (а): 0
- Поблагодарили: 0
Re: Не корректная работа гидравлики?
1. Отходящие от манифолда 0130 рукава промаркированы. Маркировка на этих концах рукавов ("Р" и "Т") совпадает с выбитой маркировкой на рядом с соответствующими отверстиями на манифолде.Мулланур писал(а):Может и наивно, к блоку подвод Р и Т не перепутан?
При включенном насосе на магнит также легко нажать как и при выключенном насосе?
2. Маркировка на другом конце рукавов и на манифолде 0010 также совпадает.
3. Возможно была допущена ошибка при маркировании и рвд все таки перепутаны, но проверить это предположение довольно проблематично: рукава проходят внутри длинного и узкого металлического короба, части рамы станка, попробуем "продернуть".
Спасибо, попробуем при первой возможности!atm писал(а):При том что давление открытия клапанов гидрозамка по ТТХ 1,5 бара может стоит попытаться для проверки пустить обратку мимо (без) фильтра, чтобы скинуть давление обратки до минимума, правда от необходимости знать величину давления в отрезке Т1 - Т2 сие не освобождает (можно будет при положительном результате и желании подобрать ГЗ по давлению открытия).ЗЮМ писал(а):А я упорно буду советовать для начала установить манометр в линию Т1. По давлению, контрольных точек на каждом блоке общей схемы достаточно. В линию Т1 удобно поставить манометр через переходник в точке Т2. В самом правом конце схемы. Точка Т2 скорее всего заглушка технологическая. туда и ввернуть манометр. и понаблюдать за давлением на сливе. Сечение трубопровода 1/2 дюйма плюс фильтр на сливе. Думаю если масло не достаточно прогрето на сливе будет давление ? хотя насос 25 литров в минуту вроде подача не шибко большая. С другой стороны если на сливе завышено давление даже Кратковременно, должен сработать фильтровый датчик засора на общем сливе в бак.( спасибо за полную схему)
-
- Сообщения: 28
- Зарегистрирован: 13 июл 2015, 19:39
- Страна, Регион, Область: Россия
- Город: Москва
- Благодарил (а): 0
- Поблагодарили: 0
Re: Не корректная работа гидравлики?
Не нашел, к сожалению, документацию на манифолд 0010, поэтому задам наивный вопрос: можно ли вытащить из сэндвича один блок (в моем случае это блок регулятора давления) и собрать все обратно используя те же крепежные винты? Или понадобятся более короткие винты?
Кто сейчас на конференции
Сейчас этот форум просматривают: нет зарегистрированных пользователей и 0 гостей