Литьевые машины фирмы Hemscheidt

- "Чудеса" случившиеся с вашими дорогими Куаси, Хмельницкими, Одесскими, Белорусскими, Русскими, Немецкими, Китайскими, Итальянскими и даже Американскими машинами.
- Various cases and problems with your IMM: Kuasy from DDR, Soviet-made machines, German, Chinese, American, Italian, Belarusian made machines.
Сообщение
Автор
Аватара пользователя
dedaborja
Сообщения: 928
Зарегистрирован: 16 июл 2008, 16:55
Страна, Регион, Область: Россия
Город: Воронеж
Откуда: Колыма
Благодарил (а): 30 раз
Поблагодарили: 123 раза

Re: Литьевые машины фирмы Hemscheidt

#331 Сообщение dedaborja » 23 ноя 2015, 00:19

dedaborja писал(а):...
Да, вопрос по медленным движениям остался, однако, будем решать его в порядке очереди.
Ну, всё! Дальше терпеть невозможно. Давления приходится завышать почти до максимума (145 из 170 бар), масло быстро перегревается (вместо 43 - 52 градуса), появляются ощутимые провалы давления по впрыску и, хотя, отливки какое-то время идут кондиционные - это не надолго. Приходится гонять масло вхолостую, пока остынет. Это не работа - мутата. Механик молодой, опыта по литьевым машинам не имеет, в чем честно признался. В этой связи предложение воронежским специалистам - кто возьмется за кап ремонт гидроагрегата? Возможно, там дело в насосах или в управляющих ими клапанах.
Если бы иметь подробное руководство по выявлению причины, то рискнул бы сам побыть "боксером-заочником". К сожалению, в документации отсутствует гидросхема и циклограмма, но не думаю, что сильно отличается от Куаси 400.
Что посоветуете, любимцы богов?

Аватара пользователя
dedaborja
Сообщения: 928
Зарегистрирован: 16 июл 2008, 16:55
Страна, Регион, Область: Россия
Город: Воронеж
Откуда: Колыма
Благодарил (а): 30 раз
Поблагодарили: 123 раза

Re: Литьевые машины фирмы Hemscheidt

#332 Сообщение dedaborja » 29 ноя 2015, 21:05

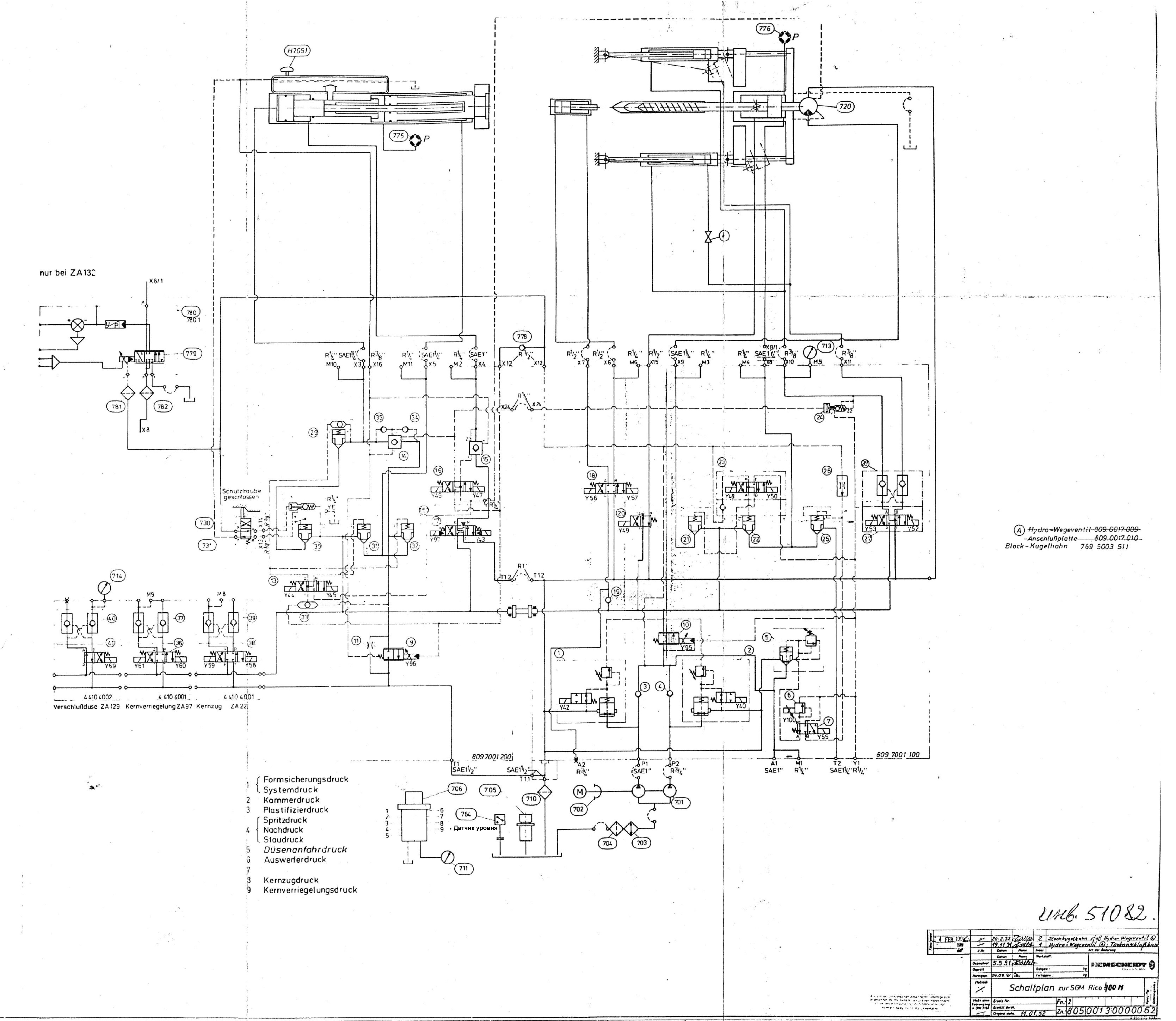
Похолодало до ночных -7...-9 градусов и вода стала поступать холоднее. Масло теперь выше 48 градусов не нагревается. Нашли золотую середину в параметрах и отливки идут. Но по манометру на тот же впрыск вместо 148 бар где-то 115, выдержка под давлением вместо 130 бар - 105. Где-то сифонит и не слабо. Нашли гидросхему.Мелковата, но если масштаб браузера увеличить до 300 или 400%, то четкость нормальная. С чего начать?
сх гидравлики2.JPG

Мулланур
Сообщения: 1586
Зарегистрирован: 01 окт 2013, 15:06
Страна, Регион, Область: Россия
Город: Екатеринбург
Откуда: Yevlax
Благодарил (а): 415 раз
Поблагодарили: 386 раз

Re: Литьевые машины фирмы Hemscheidt

#333 Сообщение Мулланур » 30 ноя 2015, 15:19

Großvater Boris,
1) Проверить пропорциональный клапан производительности (скорости) (10) У95, по току и механики.
2) Сам цилиндр впрыска тоже требует внимание, так как на схеме поршень вращается вместе с шнеком и гидромотором. Значит может: залечь поршневые кольца, износ цилиндра (задиры), ослабление крепление и уплотнения поршня к штоку.
Вложения
сх гидравлики2.1.JPG
За это сообщение автора Мулланур поблагодарил:
dedaborja
Рейтинг: 5%

Роман101
Сообщения: 4
Зарегистрирован: 04 дек 2015, 17:52
Страна, Регион, Область: Россия
Город: Курск
Благодарил (а): 0
Поблагодарили: 0

Re: Литьевые машины фирмы Hemscheidt

#334 Сообщение Роман101 » 04 дек 2015, 20:37

Здравствуйте братья!Машина Rico-Rego120H навернулся насос на насосе нет шильдика.Снял насос где вал выходит маркировка 44Р-049-021RF .Не подскажите что за насос,какой фирмы стоит на RICO120.Просто есть еще RICO 80,там другой насос стоит.

Аватара пользователя
dedaborja
Сообщения: 928
Зарегистрирован: 16 июл 2008, 16:55
Страна, Регион, Область: Россия
Город: Воронеж
Откуда: Колыма
Благодарил (а): 30 раз
Поблагодарили: 123 раза

Re: Литьевые машины фирмы Hemscheidt

#335 Сообщение dedaborja » 05 дек 2015, 19:26

Мулланур писал(а):Großvater Boris,
1) Проверить пропорциональный клапан производительности (скорости) (10) У95, по току и механики.
2) Сам цилиндр впрыска тоже требует внимание, так как на схеме поршень вращается вместе с шнеком и гидромотором. Значит может: залечь поршневые кольца, износ цилиндра (задиры), ослабление крепление и уплотнения поршня к штоку.
Sehr geehrter Herr Мулланур
Первый пункт, очевидно, надо будет выполнить в первую очередь, так как провалы давления характерны и для остальных перемещений, и второй пункт не очень вероятен. Наиболее общим местом является Y95. С него и начнем. Далее Y40, Y42. Затем придется найти соответствия между выходами консоли RICO и отдельными элементами гидросхемы. Такая таблица пригодится всем хемшайдовцам, поскольку менюшка выходов на дисплее явно неполная, а циклограммы нет и теперь уже не будет. Раз дошло до гидравлики - придется повозиться.
Есть хорошая новость: точно такая машина у нас есть в резерве (немножко раскулаченная) и деталюшки для проверки можно брать оттуда.
Спасибо за участие. Вдвоем уже легче.
Вложения
IMG_1010.JPG

Мулланур
Сообщения: 1586
Зарегистрирован: 01 окт 2013, 15:06
Страна, Регион, Область: Россия
Город: Екатеринбург
Откуда: Yevlax
Благодарил (а): 415 раз
Поблагодарили: 386 раз

Re: Литьевые машины фирмы Hemscheidt

#336 Сообщение Мулланур » 05 дек 2015, 19:58

У40 и У42 ( клапана по сбросу давления полостей насоса) можно проверить, задав максимальные значения (У100) по давлению на других операциях ( прижим сопла, декомпрессия "до упора" и т.д.) с контролем на манометре.

Аватара пользователя
dedaborja
Сообщения: 928
Зарегистрирован: 16 июл 2008, 16:55
Страна, Регион, Область: Россия
Город: Воронеж
Откуда: Колыма
Благодарил (а): 30 раз
Поблагодарили: 123 раза

Re: Литьевые машины фирмы Hemscheidt

#337 Сообщение dedaborja » 10 дек 2015, 20:28

Заменили У95 и машина стала бегать намного быстрее, даже пришлось процентов на 15-20 снижать скорости и давления. Перегрева масла тоже нет. Пусть поработает, присмотримся, может ещё У96 заменим. Сегодня смену отпахал без нареканий.

Мулланур
Сообщения: 1586
Зарегистрирован: 01 окт 2013, 15:06
Страна, Регион, Область: Россия
Город: Екатеринбург
Откуда: Yevlax
Благодарил (а): 415 раз
Поблагодарили: 386 раз

Re: Литьевые машины фирмы Hemscheidt

#338 Сообщение Мулланур » 11 дек 2015, 10:07

dedaborja писал(а):... может ещё У96 заменим...
У 96 можно проверить, убрав дроссель (11). Будет слив на прямую без У96 с узла смыкания.

EvgenyAly
Сообщения: 20
Зарегистрирован: 30 июл 2015, 14:53
Страна, Регион, Область: Россия
Город: Казань
Благодарил (а): 1 раз
Поблагодарили: 0

Re: Литьевые машины фирмы Hemscheidt

#339 Сообщение EvgenyAly » 16 дек 2015, 16:13

Коллеги запарился с сервисным меню которое процессы - 1 - 1403 не подскажите что неправильно фотки выкладываю .Проблема в следующем после разряда акб ,ремонта БП и последующей инициализации слетели сервисные настройки к тому же аппарат стоял без работы 3 года короче в настоящий момент забил сервисные настройки от HEM50H которые дал "дядя Боря" У нас 100H сейчас узел замыкания при движении вперед и назад движется очень медленно и не работает в автоматическом режиме .Складывается ощущение не хватает давления только в каком параметре его прописывать надо пока не пойму. Вот еще хочу извинится если некоторые узлы называю не своими именами я электронщик и с термопластом столкнулся не так давно пока осваиваю :-):
Вложения
20151216_100222.jpg
Узел замыкания
20151216_155208.jpg
Калибр
20151216_155134.jpg
Серв устан
20151216_155119.jpg
Маш данн
20151216_155038.jpg
Макс знач

Аватара пользователя
dedaborja
Сообщения: 928
Зарегистрирован: 16 июл 2008, 16:55
Страна, Регион, Область: Россия
Город: Воронеж
Откуда: Колыма
Благодарил (а): 30 раз
Поблагодарили: 123 раза

Re: Литьевые машины фирмы Hemscheidt

#340 Сообщение dedaborja » 16 дек 2015, 21:10

Попробуйте в сервис меню У95 (построение давления на нижнем фото) вместо 10 поставить 60.

EvgenyAly
Сообщения: 20
Зарегистрирован: 30 июл 2015, 14:53
Страна, Регион, Область: Россия
Город: Казань
Благодарил (а): 1 раз
Поблагодарили: 0

Re: Литьевые машины фирмы Hemscheidt

#341 Сообщение EvgenyAly » 17 дек 2015, 15:43

dedaborja писал(а):Попробуйте в сервис меню У95 (построение давления на нижнем фото) вместо 10 поставить 60.
Не помогло сегодня целый день игрался с настройками без результата. :-( может поделится кто фотками настроек интересует сервисное меню 1403 вкладки сервисные установки(серв уст), машинные данные(маш дан),максимальные значения(макс знач),калибровка(калибр),узел замыкания(узел зам) повторюсь у меня HEM100H проблемма медленная скорость на смыкание

Аватара пользователя
dedaborja
Сообщения: 928
Зарегистрирован: 16 июл 2008, 16:55
Страна, Регион, Область: Россия
Город: Воронеж
Откуда: Колыма
Благодарил (а): 30 раз
Поблагодарили: 123 раза

Re: Литьевые машины фирмы Hemscheidt

#342 Сообщение dedaborja » 17 дек 2015, 19:15

Там надо проверить настройки аналоговых входов, а именно с размерностями скорости и давления. Прикиньте, что не так по моим записям на ХЕМ 265:
https://cloud.mail.ru/public/26io/Co8BGQaXw

Кстати, а не появляется сообщение о необходимости настройки ходов? Ходы-Корректуры.

EvgenyAly
Сообщения: 20
Зарегистрирован: 30 июл 2015, 14:53
Страна, Регион, Область: Россия
Город: Казань
Благодарил (а): 1 раз
Поблагодарили: 0

Re: Литьевые машины фирмы Hemscheidt

#343 Сообщение EvgenyAly » 18 дек 2015, 11:53

dedaborja писал(а): Кстати, а не появляется сообщение о необходимости настройки ходов? Ходы-Корректуры.
Нет сообщение не появляется , сейчас когда вбил ваши настройки глобальных изменений не произошло только при нажатии на кнопку вперед узла смыкания едет назад :-): отпускаешь кнопку дергается вперед , назад тоже ход есть но очень слабый , в режиме наладки ход нормальный назад .Кстати после ввода параметров перегружать обязательно автомат?

Аватара пользователя
dedaborja
Сообщения: 928
Зарегистрирован: 16 июл 2008, 16:55
Страна, Регион, Область: Россия
Город: Воронеж
Откуда: Колыма
Благодарил (а): 30 раз
Поблагодарили: 123 раза

Re: Литьевые машины фирмы Hemscheidt

#344 Сообщение dedaborja » 18 дек 2015, 15:32

EvgenyAly писал(а):
dedaborja писал(а): Кстати после ввода параметров перегружать обязательно автомат?
Эти данные переписываются при включении стойки в сеть. При перезапуске, боюсь, обнулятся. Посмотрите на меню, где сохранение программ в RAM. Если что-то осталось, то загрузите первую в режиме Maschine или Complekt - обычно на заводе эти машинные данные оставляют для покупателя.
Хотелось бы посмотреть экран смыкания формы в сомкнутом состоянии. Подозреваю неправильную настройку нуля формы. Остальные движения нормальные?
За это сообщение автора dedaborja поблагодарил:
EvgenyAly
Рейтинг: 5%

EvgenyAly
Сообщения: 20
Зарегистрирован: 30 июл 2015, 14:53
Страна, Регион, Область: Россия
Город: Казань
Благодарил (а): 1 раз
Поблагодарили: 0

Re: Литьевые машины фирмы Hemscheidt

#345 Сообщение EvgenyAly » 18 дек 2015, 15:58

Вроде запустили, одну машину проблемы с настройками были, оператор довольный ,с "новья говорит так не работало" :-): теперь со второй разобраться надо там то же самое .Спасибо за помощь!!! :co_ol:

Vesta
Сообщения: 2
Зарегистрирован: 13 янв 2016, 19:37
Страна, Регион, Область: Россия
Город: москва
Благодарил (а): 0
Поблагодарили: 0

Re: Литьевые машины фирмы Hemscheidt

#346 Сообщение Vesta » 26 янв 2016, 20:38

Здравствуйте!Начал проводить ТО на Hemscheidt 85H,125H b 215H. Есть ли у кого какая-нибудь информация по ТО, может инструкции.

Аватара пользователя
dedaborja
Сообщения: 928
Зарегистрирован: 16 июл 2008, 16:55
Страна, Регион, Область: Россия
Город: Воронеж
Откуда: Колыма
Благодарил (а): 30 раз
Поблагодарили: 123 раза

Re: Литьевые машины фирмы Hemscheidt

#347 Сообщение dedaborja » 26 янв 2016, 21:44

Vesta писал(а):Здравствуйте!Начал проводить ТО на Hemscheidt 85H,125H b 215H. Есть ли у кого какая-нибудь информация по ТО, может инструкции.
Тут выкладывалась какая-то документация, посмотрите - живые ли ссылки?
Машины в рабочем состоянии или после консервации? Если долго в простое были. то начинать надо со стойки. Подтвердите, что стойки от RICO.
Подробности лишними не бывают.

Vesta
Сообщения: 2
Зарегистрирован: 13 янв 2016, 19:37
Страна, Регион, Область: Россия
Город: москва
Благодарил (а): 0
Поблагодарили: 0

Re: Литьевые машины фирмы Hemscheidt

#348 Сообщение Vesta » 28 янв 2016, 19:32

Машины в рабочем состоянии.Давно не проводился ремонт и обслуживание.Вытекает много проблем. Прокладки текут на гидравлике, какой материал можно использовать?

Аватара пользователя
dedaborja
Сообщения: 928
Зарегистрирован: 16 июл 2008, 16:55
Страна, Регион, Область: Россия
Город: Воронеж
Откуда: Колыма
Благодарил (а): 30 раз
Поблагодарили: 123 раза

Re: Литьевые машины фирмы Hemscheidt

#349 Сообщение dedaborja » 29 янв 2016, 11:40

Vesta писал(а):Машины в рабочем состоянии.Давно не проводился ремонт и обслуживание.Вытекает много проблем. Прокладки текут на гидравлике, какой материал можно использовать?
Это к Зюму или Бегемоту. Не думаю, что там какие-то особенности.
DIN рулит. Deutsche Industriellen Normen.

EvgenyAly
Сообщения: 20
Зарегистрирован: 30 июл 2015, 14:53
Страна, Регион, Область: Россия
Город: Казань
Благодарил (а): 1 раз
Поблагодарили: 0

Re: Литьевые машины фирмы Hemscheidt

#350 Сообщение EvgenyAly » 10 мар 2016, 18:46

Люди добрые, помогите не могу избавится от ошибок которые на фото, я понимаю так что настройки ни те у меня а вот какие и где ставить не знаю. В ручном режиме все ездит и греет как надо , полуавтомате и автомате молчек. Делал инициализацию , в сервисном меню настройки дяди Бори стоят , я так понимаю это где-то в меню операторском надо все правильно забить но нашго оператора я ни разу за год работы трезвым не видел вобщем атасс.Может фотки операторских настроек с рабочего аппарата кто побрасает.Интересует узел смыкания .Думаю отуда у меня бяка идет.
Вложения
tmp_10222-20160310_150510-1868296410.jpg

Аватара пользователя
dedaborja
Сообщения: 928
Зарегистрирован: 16 июл 2008, 16:55
Страна, Регион, Область: Россия
Город: Воронеж
Откуда: Колыма
Благодарил (а): 30 раз
Поблагодарили: 123 раза

Re: Литьевые машины фирмы Hemscheidt

#351 Сообщение dedaborja » 10 мар 2016, 21:02

Сначала то же на немецком. Переводы экранов ещё те...
Там есть меню Статистика (откуда в сервис входите). Среди прочих экранов там производственная статистика, где в сжатом объеме основные данные по процессу. Сфотайте их. Лишняя инфа не помешает. Возможно просто достигнуто количество заданных деталей. (экраны на немецком,чтобы не ломать голову "крапсвордами")

EvgenyAly
Сообщения: 20
Зарегистрирован: 30 июл 2015, 14:53
Страна, Регион, Область: Россия
Город: Казань
Благодарил (а): 1 раз
Поблагодарили: 0

Re: Литьевые машины фирмы Hemscheidt

#352 Сообщение EvgenyAly » 10 мар 2016, 21:06

Ок.Завтра с утра сделаю.У меня с немецким совсем плохо английский хорошо а с немецим неусваевается он у меня)

Аватара пользователя
dedaborja
Сообщения: 928
Зарегистрирован: 16 июл 2008, 16:55
Страна, Регион, Область: Россия
Город: Воронеж
Откуда: Колыма
Благодарил (а): 30 раз
Поблагодарили: 123 раза

Re: Литьевые машины фирмы Hemscheidt

#353 Сообщение dedaborja » 11 мар 2016, 09:59

Терминология должна быть на языке производителя. Не от хорошей жизни, и не потому, что здесь у нас такие германофилы. Перевод на русский, да ещё и сокращения делают нечитаемым технологический текст. Извините.

EvgenyAly
Сообщения: 20
Зарегистрирован: 30 июл 2015, 14:53
Страна, Регион, Область: Россия
Город: Казань
Благодарил (а): 1 раз
Поблагодарили: 0

Re: Литьевые машины фирмы Hemscheidt

#354 Сообщение EvgenyAly » 11 мар 2016, 10:22

Сделал фото настроек узла смыкания и фото лист данных в меню процесс. Сейчас установка на прогреве минут через 30 скину фото ошибками
Вложения
20160311_101004.jpg
20160311_100934.jpg

EvgenyAly
Сообщения: 20
Зарегистрирован: 30 июл 2015, 14:53
Страна, Регион, Область: Россия
Город: Казань
Благодарил (а): 1 раз
Поблагодарили: 0

Re: Литьевые машины фирмы Hemscheidt

#355 Сообщение EvgenyAly » 11 мар 2016, 10:36

Вот на немецком
Вложения
20160311_103437.jpg
20160311_103422.jpg

Аватара пользователя
dedaborja
Сообщения: 928
Зарегистрирован: 16 июл 2008, 16:55
Страна, Регион, Область: Россия
Город: Воронеж
Откуда: Колыма
Благодарил (а): 30 раз
Поблагодарили: 123 раза

Re: Литьевые машины фирмы Hemscheidt

#356 Сообщение dedaborja » 11 мар 2016, 14:34

Так понимаю, это уже до второй машины добрались? Первая работает нормально? С параметрами, действительно, что-то не то. Специально посмотрел на своей 265-ке, Toleranze все по нулям. Попробуйте с RAM первую программу загрузить, как уже писал ранее:
"Посмотрите на меню, где сохранение программ в RAM. Если что-то осталось, то загрузите первую в режиме Maschine или Complekt - обычно на заводе эти машинные данные оставляют для покупателя."
Для диагноза мало информации. Вот, что она в ошибках пишет "Последавление слишком низкое" Там же есть экраны, где параметры переключения задаются. Надо проверить. Может, и впрямь,низкое. И обратите внимание как переключения задаются: по путям или по времени. остальные способы практически не используются. Что там сейчас стоит?

EvgenyAly
Сообщения: 20
Зарегистрирован: 30 июл 2015, 14:53
Страна, Регион, Область: Россия
Город: Казань
Благодарил (а): 1 раз
Поблагодарили: 0

Re: Литьевые машины фирмы Hemscheidt

#357 Сообщение EvgenyAly » 11 мар 2016, 14:52

первую продали посмотреть не могу , а в каком экране "Последавление слишком низкое" можно выше сделать? узел смыкания ? или сервисменю по 1403 ? Перезаписывать RAM хочу напоследок оставить сейчас в ручном режиме у меня все хорошо работает , если перепишу опять все уплывёт

Аватара пользователя
dedaborja
Сообщения: 928
Зарегистрирован: 16 июл 2008, 16:55
Страна, Регион, Область: Россия
Город: Воронеж
Откуда: Колыма
Благодарил (а): 30 раз
Поблагодарили: 123 раза

Re: Литьевые машины фирмы Hemscheidt

#358 Сообщение dedaborja » 11 мар 2016, 15:36

В меню ошибок находится запись 0035. Там много странного. Написано: Diskette voll. Там нет дисковода флоппи, а он задан. Не сочтите за труд переписать машинные данные с RAM-диска - остальная технология уже палки-веревки - любой наладчик освоит. Главное задать конфигурацию машины и настройки ПИД-регуляторов. Это проще в одном загрузочном цикле сделать. Иначе по записям смену клавиши жамкать.
Вообще, для диагноза надо много информации иметь, иногда такая фигня, а крутишься пол-смены. Когда много неизвестных, надо упрощать путь к победе. Загрузите с RAM - дальше видно будет.

EvgenyAly
Сообщения: 20
Зарегистрирован: 30 июл 2015, 14:53
Страна, Регион, Область: Россия
Город: Казань
Благодарил (а): 1 раз
Поблагодарили: 0

Re: Литьевые машины фирмы Hemscheidt

#359 Сообщение EvgenyAly » 11 мар 2016, 15:40

Ок. В понедельник тогда о результатах дам знать .

EvgenyAly
Сообщения: 20
Зарегистрирован: 30 июл 2015, 14:53
Страна, Регион, Область: Россия
Город: Казань
Благодарил (а): 1 раз
Поблагодарили: 0

Re: Литьевые машины фирмы Hemscheidt

#360 Сообщение EvgenyAly » 16 мар 2016, 13:24

Дисковод отключил , ошибка убралась , в ручном режиме сейчас вообще ошибок нет.А вот в полуавтомате или автомате скрины ниже.По поводу настроек ram я фото тоже прикрепил. Там меню немного мудренное может по шагам если не трудно распишите как правильно переписать настройки.
Вложения
20160316_111716.jpg
20160316_112041.jpg
20160316_110626.jpg

Ответить

Вернуться в «Термопластавтоматы не могут без ремонта/Injection molding machines need in repair»

Кто сейчас на конференции

Сейчас этот форум просматривают: нет зарегистрированных пользователей и 0 гостей