Не корректная работа гидравлики?
-
ЗЮМ
- Эксперт Гидравлик
- Сообщения: 5646
- Зарегистрирован: 24 окт 2012, 20:41
- Страна, Регион, Область: СССР
- Город: Деревня Малая Малявня
- Откуда: деревня МАЛАЯ МАЛЯВНЯ
- Благодарил (а): 603 раза
- Поблагодарили: 825 раз
Re: Не корректная работа гидравлики?
Согласен. Чтобы привлечь покупателя китайцы ловко варганят системы упрощенные без учета динамики работы некоторых гидроаппаратов.
-
ЗЮМ
- Эксперт Гидравлик
- Сообщения: 5646
- Зарегистрирован: 24 окт 2012, 20:41
- Страна, Регион, Область: СССР
- Город: Деревня Малая Малявня
- Откуда: деревня МАЛАЯ МАЛЯВНЯ
- Благодарил (а): 603 раза
- Поблагодарили: 825 раз
Re: Не корректная работа гидравлики?
Для конкретных пацанов. Конкретика.
Сдвоенный замок и принцип работы - внимательно... " И вообще что вы тут рассуждениями занимаетесь. ГДЕ КОНКРЕТИКА. назовите причину, почему так а не эдак, рассуждать не мешками ворочать, блин" цитата из другой темы.
-
Мулланур
- Сообщения: 1586
- Зарегистрирован: 01 окт 2013, 15:06
- Страна, Регион, Область: Россия
- Город: Екатеринбург
- Откуда: Yevlax
- Благодарил (а): 415 раз
- Поблагодарили: 386 раз
Re: Не корректная работа гидравлики?
Что-то мне кажется, что причина не в гидравлике, а в размере используемых центров (большой размер конуса у центров или меньшем внутреннем отверстии в шпуле).
-
ЗЮМ
- Эксперт Гидравлик
- Сообщения: 5646
- Зарегистрирован: 24 окт 2012, 20:41
- Страна, Регион, Область: СССР
- Город: Деревня Малая Малявня
- Откуда: деревня МАЛАЯ МАЛЯВНЯ
- Благодарил (а): 603 раза
- Поблагодарили: 825 раз
Re: Не корректная работа гидравлики?
Я вообще не представляю эти шпульки. Думаешь продавливает а все думают что давление падает? Что то Коловорот молчит что у него там происходит?
-
Мулланур
- Сообщения: 1586
- Зарегистрирован: 01 окт 2013, 15:06
- Страна, Регион, Область: Россия
- Город: Екатеринбург
- Откуда: Yevlax
- Благодарил (а): 415 раз
- Поблагодарили: 386 раз
Re: Не корректная работа гидравлики?
Представьте на двух круглошлифовальных станках зажаты заготовки центрами, на одном с "острым" конусом а на другом с "тупым углом" конуса. Похоже у ребят второй вариант.
Последний раз редактировалось Мулланур 15 июл 2015, 21:37, всего редактировалось 1 раз.
-
ЗЮМ
- Эксперт Гидравлик
- Сообщения: 5646
- Зарегистрирован: 24 окт 2012, 20:41
- Страна, Регион, Область: СССР
- Город: Деревня Малая Малявня
- Откуда: деревня МАЛАЯ МАЛЯВНЯ
- Благодарил (а): 603 раза
- Поблагодарили: 825 раз
Re: Не корректная работа гидравлики?
С острым заготовка деталь ослабнет быстрее. а чем объяснить движения штоков назад. как они говорят метили маркером.
-
ЗЮМ
- Эксперт Гидравлик
- Сообщения: 5646
- Зарегистрирован: 24 окт 2012, 20:41
- Страна, Регион, Область: СССР
- Город: Деревня Малая Малявня
- Откуда: деревня МАЛАЯ МАЛЯВНЯ
- Благодарил (а): 603 раза
- Поблагодарили: 825 раз
Re: Не корректная работа гидравлики?
затягиает так что с трудом выбиваешь. Работал и токарем -диплом имею и шлифовщиком. Меньше угол, деформации больше. принцип клина.
-
Мулланур
- Сообщения: 1586
- Зарегистрирован: 01 окт 2013, 15:06
- Страна, Регион, Область: Россия
- Город: Екатеринбург
- Откуда: Yevlax
- Благодарил (а): 415 раз
- Поблагодарили: 386 раз
Re: Не корректная работа гидравлики?
Теперь думаю представляете, только вес в районе 100 кгЗЮМ писал(а):Я вообще не представляю эти шпульки. Думаешь продавливает а все думают что давление падает? Что то Коловорот молчит что у него там происходит?
-
ЗЮМ
- Эксперт Гидравлик
- Сообщения: 5646
- Зарегистрирован: 24 окт 2012, 20:41
- Страна, Регион, Область: СССР
- Город: Деревня Малая Малявня
- Откуда: деревня МАЛАЯ МАЛЯВНЯ
- Благодарил (а): 603 раза
- Поблагодарили: 825 раз
Re: Не корректная работа гидравлики?
Значит должна быть какая то компенсация по зажиму? И тем не менее : Есть подозреваемые и у каждого подозреваемого должно быть железное неопровержимое АЛИБИ.
Последний раз редактировалось ЗЮМ 15 июл 2015, 22:15, всего редактировалось 1 раз.
-
syler
- Сообщения: 28
- Зарегистрирован: 13 июл 2015, 19:39
- Страна, Регион, Область: Россия
- Город: Москва
- Благодарил (а): 0
- Поблагодарили: 0
Re: Не корректная работа гидравлики?
Вот как все это выглядит. Гидроцилиндры спрятаны в "столе" на котором установлены стойки.ЗЮМ писал(а):Я вообще не представляю эти шпульки. Думаешь продавливает а все думают что давление падает? Что то Коловорот молчит что у него там происходит?
-
ЗЮМ
- Эксперт Гидравлик
- Сообщения: 5646
- Зарегистрирован: 24 окт 2012, 20:41
- Страна, Регион, Область: СССР
- Город: Деревня Малая Малявня
- Откуда: деревня МАЛАЯ МАЛЯВНЯ
- Благодарил (а): 603 раза
- Поблагодарили: 825 раз
Re: Не корректная работа гидравлики?
Ух ты серьезная красивая махина.syler писал(а):Вот как все это выглядит. Гидроцилиндры спрятаны в "столе" на котором установлены стойки.ЗЮМ писал(а):Я вообще не представляю эти шпульки. Думаешь продавливает а все думают что давление падает? Что то Коловорот молчит что у него там происходит?
-
ЗЮМ
- Эксперт Гидравлик
- Сообщения: 5646
- Зарегистрирован: 24 окт 2012, 20:41
- Страна, Регион, Область: СССР
- Город: Деревня Малая Малявня
- Откуда: деревня МАЛАЯ МАЛЯВНЯ
- Благодарил (а): 603 раза
- Поблагодарили: 825 раз
Re: Не корректная работа гидравлики?
Теперь вроде понятно для чего средний пакетник и модуль , для перемещения рулона в зажатом состоянии влево вправо корректируя центральную ось размотки и полотно не наезжало в сторону.
-
Kolovorot
- Сообщения: 728
- Зарегистрирован: 06 май 2008, 11:51
- Страна, Регион, Область: РФ
- Город: Москва
- Благодарил (а): 0
- Поблагодарили: 31 раз
Re: Не корректная работа гидравлики?
Я начал коллега продолжил- это одна машина, проблема пока решена с помощью деревянных подпорок. Но всю жизнь так работать нельзя конечно.
-
atm
- Сообщения: 241
- Зарегистрирован: 26 дек 2013, 04:53
- Страна, Регион, Область: Россия
- Город: Тюмень
- Благодарил (а): 0
- Поблагодарили: 16 раз
Re: Не корректная работа гидравлики?
Еще не помешало бы проверить как установлены дросселя 80, если изменить направление обратных клапанов, цилиндр работает без подпора и обязан озадачивать владельца аппарата.
-
Мулланур
- Сообщения: 1586
- Зарегистрирован: 01 окт 2013, 15:06
- Страна, Регион, Область: Россия
- Город: Екатеринбург
- Откуда: Yevlax
- Благодарил (а): 415 раз
- Поблагодарили: 386 раз
Re: Не корректная работа гидравлики?
Воздух из цилиндров стравливали?
Когда в цилиндре присутствует воздух который может сжиматься в отличии от масла, это может привести к смещению поршня.
На цилиндре должна быть пробка в его верхней части.
Когда в цилиндре присутствует воздух который может сжиматься в отличии от масла, это может привести к смещению поршня.
На цилиндре должна быть пробка в его верхней части.
-
syler
- Сообщения: 28
- Зарегистрирован: 13 июл 2015, 19:39
- Страна, Регион, Область: Россия
- Город: Москва
- Благодарил (а): 0
- Поблагодарили: 0
Re: Не корректная работа гидравлики?
Спасибо, начнем диагностику с этого.Мулланур писал(а):Воздух из цилиндров стравливали?
Когда в цилиндре присутствует воздух который может сжиматься в отличии от масла, это может привести к смещению поршня.
На цилиндре должна быть пробка в его верхней части.
-
syler
- Сообщения: 28
- Зарегистрирован: 13 июл 2015, 19:39
- Страна, Регион, Область: Россия
- Город: Москва
- Благодарил (а): 0
- Поблагодарили: 0
Re: Не корректная работа гидравлики?
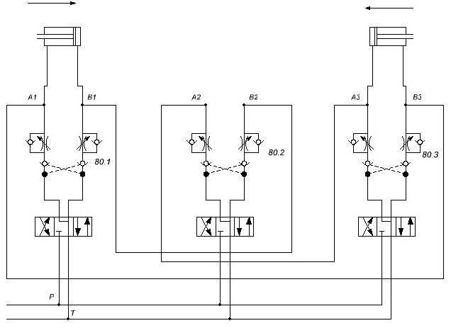
Всем привет! Продолжаем разбираться с наболевшим
Для начала хочу извиниться за "исправленную" и выложенную мной схему. На самом деле исходная схема верна. Прикладываю ее к сообщению, для освежения памяти. На этот раз дорисовал стойки, так, как они расположены "в натуре". Для удобства пронумеровал стойки слева направо. То есть левая стойка –- № 1, правая -- № 2.
Провел несколько экспериментов, спешу поделиться с вами результатами. Однозначно интерпретировать их у меня пока что не получается.
1. Исходное состояние: вторая стойка в крайнем правом положении, первая в крайнем левом. Отвожу вторую стойку в крайнее левое положение. Она начинает очень медленно возвращаться обратно (наш нежелательный эффект). Пока стойка медленно едет, я подаю на первую стойку команду двигаться влево (а поскольку она в крайнем левом положении, двигаться ей некуда) и при подаче этой команды, вторая стойка, медленно возвращавшаяся на свое крайнее правое положение, вдруг начинает ускоренно двигаться вправо, как будто команда была подана на нее! То есть наблюдается влияние первой стойки на вторую. Такой же эффект возникает и при подаче команды "Двигаться вправо" на первую стойку.
2. Исходное состояние точно такое же, но на этот раз перекрываю все дроссели. Теперь влияния команд, подаваемых на первую стойку, на движение второй стойки не наблюдается.
3. Для проверки гидроцилиндра, отвел вторую стойку в крайнее правое положение и отсоединил от самого гидроцилиндра рукав В3 и подал команду "Движение вправо". Вместо ожидаемого мною истечения масла из отверстия на цилиндре, наблюдаю струю из шланга. Это был перепуск регулятора давления в линию слива?
Призываю специалистов к обсуждению!
Для начала хочу извиниться за "исправленную" и выложенную мной схему. На самом деле исходная схема верна. Прикладываю ее к сообщению, для освежения памяти. На этот раз дорисовал стойки, так, как они расположены "в натуре". Для удобства пронумеровал стойки слева направо. То есть левая стойка –- № 1, правая -- № 2.
Но ведь после дросселей установлены сдвоенные гидрозамки! Установку дросселей и гидрозамков все же проверил -- все соответствует схеме.atm писал(а):Еще не помешало бы проверить как установлены дросселя 80, если изменить направление обратных клапанов, цилиндр работает без подпора и обязан озадачивать владельца аппарата.
По-идее воздух должен уйти обратно в гидростанцию, если активно погонять цилиндр. Да и разве может поршень из-за воздуха на величину полного хода? То есть я отвожу вторую стойку в крайнее левое положение и потом наблюдаю медленное ее возвращение в крайнее правое положение.Мулланур писал(а): Воздух из цилиндров стравливали?
Когда в цилиндре присутствует воздух который может сжиматься в отличии от масла, это может привести к смещению поршня.
На цилиндре должна быть пробка в его верхней части.
Провел несколько экспериментов, спешу поделиться с вами результатами. Однозначно интерпретировать их у меня пока что не получается.
1. Исходное состояние: вторая стойка в крайнем правом положении, первая в крайнем левом. Отвожу вторую стойку в крайнее левое положение. Она начинает очень медленно возвращаться обратно (наш нежелательный эффект). Пока стойка медленно едет, я подаю на первую стойку команду двигаться влево (а поскольку она в крайнем левом положении, двигаться ей некуда) и при подаче этой команды, вторая стойка, медленно возвращавшаяся на свое крайнее правое положение, вдруг начинает ускоренно двигаться вправо, как будто команда была подана на нее! То есть наблюдается влияние первой стойки на вторую. Такой же эффект возникает и при подаче команды "Двигаться вправо" на первую стойку.
2. Исходное состояние точно такое же, но на этот раз перекрываю все дроссели. Теперь влияния команд, подаваемых на первую стойку, на движение второй стойки не наблюдается.
3. Для проверки гидроцилиндра, отвел вторую стойку в крайнее правое положение и отсоединил от самого гидроцилиндра рукав В3 и подал команду "Движение вправо". Вместо ожидаемого мною истечения масла из отверстия на цилиндре, наблюдаю струю из шланга. Это был перепуск регулятора давления в линию слива?
Призываю специалистов к обсуждению!
-
Мулланур
- Сообщения: 1586
- Зарегистрирован: 01 окт 2013, 15:06
- Страна, Регион, Область: Россия
- Город: Екатеринбург
- Откуда: Yevlax
- Благодарил (а): 415 раз
- Поблагодарили: 386 раз
Re: Не корректная работа гидравлики?
Воздух может остаться частично так как он легче масла особенно если большой диаметр цилиндра и штуцера не верхнем положении, но он мешает держать давление на весь ход поршня не может влиять.syler писал(а):Всем привет! Продолжаем разбираться с наболевшим...
По-идее воздух должен уйти обратно в гидростанцию, если активно погонять цилиндр. Да и разве может поршень из-за воздуха на величину полного хода? То есть я отвожу вторую стойку в крайнее левое положение и потом наблюдаю медленное ее возвращение в крайнее правое положение.Мулланур писал(а): Воздух из цилиндров стравливали?
Когда в цилиндре присутствует воздух который может сжиматься в отличии от масла, это может привести к смещению поршня.
На цилиндре должна быть пробка в его верхней части.
На первой страницы я предположил что у Вас перепутаны между собой А3\В3 и А1\ В1, ТЕПЕРЬ ВЫ МОЁ ПРЕДПОЛОЖЕНИЕ ПОДТВЕРДИЛИ. Меняйте РВД местами и разъёмы на магнитах.syler писал(а):...
Провел несколько экспериментов, спешу поделиться с вами результатами. Однозначно интерпретировать их у меня пока что не получается.
1. Исходное состояние: вторая стойка в крайнем правом положении, первая в крайнем левом. Отвожу вторую стойку в крайнее левое положение. Она начинает очень медленно возвращаться обратно (наш нежелательный эффект). Пока стойка медленно едет, я подаю на первую стойку команду двигаться влево (а поскольку она в крайнем левом положении, двигаться ей некуда) и при подаче этой команды, вторая стойка, медленно возвращавшаяся на свое крайнее правое положение, вдруг начинает ускоренно двигаться вправо, как будто команда была подана на нее! То есть наблюдается влияние первой стойки на вторую. Такой же эффект возникает и при подаче команды "Двигаться вправо" на первую стойку...
Желаю Успехов.
-
atm
- Сообщения: 241
- Зарегистрирован: 26 дек 2013, 04:53
- Страна, Регион, Область: Россия
- Город: Тюмень
- Благодарил (а): 0
- Поблагодарили: 16 раз
Re: Не корректная работа гидравлики?
Схему упростил
Связи между цилиндрами присутствуют и прямая А1 = В3 и через гидрожелезо так что п.1 возможен и без перепутанных РВД
syler при каких операциях происходит включение э/магнитов 60,2? Можно светодиоды на них повесить, если нет индикации.
syler при каких операциях происходит включение э/магнитов 60,2? Можно светодиоды на них повесить, если нет индикации.
-
Мулланур
- Сообщения: 1586
- Зарегистрирован: 01 окт 2013, 15:06
- Страна, Регион, Область: Россия
- Город: Екатеринбург
- Откуда: Yevlax
- Благодарил (а): 415 раз
- Поблагодарили: 386 раз
Re: Не корректная работа гидравлики?
Как раз из-за этой линии соль работы зажима. При выключенных распределителях если подключена была бы по схеме то при нагрузке (вес рулона) на один шток цилиндра "за счет сообщающихся сосудов" передает на другой шток и сильнее зажимает рулон. А если этой линией соединить без штоковые полости (поршневые) цилиндра то при нагрузке на шток цилиндра через поршень одного цилиндра будет отжимать и второй цилиндр и фиксация рулона снижается, что сейчас и происходит.atm писал(а):...Связи между цилиндрами присутствуют и прямая А1 = В3 и через гидрожелезо так что п.1 возможен и без перепутанных РВД
-
syler
- Сообщения: 28
- Зарегистрирован: 13 июл 2015, 19:39
- Страна, Регион, Область: Россия
- Город: Москва
- Благодарил (а): 0
- Поблагодарили: 0
Re: Не корректная работа гидравлики?
РВД совершенно точно не перепутаны, собрано все в соответствии со схемой и работает! (кое-как).atm писал(а):Схему упростил Связи между цилиндрами присутствуют и прямая А1 = В3 и через гидрожелезо так что п.1 возможен и без перепутанных РВД
syler при каких операциях происходит включение э/магнитов 60,2? Можно светодиоды на них повесить, если нет индикации.
Катушки на распределителе 60.2 включаются, когда оператор корректирует положение зажатого рулона относительно станка, то есть синхронно смещаются обе стойки вместе с зажатым между ними рулоном. Индикация на катушках есть, к электрической части вопросов нет, все работает как надо!
-
Мулланур
- Сообщения: 1586
- Зарегистрирован: 01 окт 2013, 15:06
- Страна, Регион, Область: Россия
- Город: Екатеринбург
- Откуда: Yevlax
- Благодарил (а): 415 раз
- Поблагодарили: 386 раз
Re: Не корректная работа гидравлики?
Если переставите местами А1 с В1 и А3 с В3 то перемещение сохранится, а если при этом переставите разъемы на магнитах У71А с У71В, 86А с 86В и 70А с 70В то оператор изменения в управлении не заметит, но результат удерживания рулона будет другой.syler писал(а): ...РВД совершенно точно не перепутаны, собрано все в соответствии со схемой и работает! (кое-как).
Катушки на распределителе 60.2 включаются, когда оператор корректирует положение зажатого рулона относительно станка, то есть синхронно смещаются обе стойки вместе с зажатым между ними рулоном. Индикация на катушках есть, к электрической части вопросов нет, все работает как надо!
С этих слов я делаю вывод что линия которая должна соединять А1 с В3 на данный момент соединяет В1 с А3 и при крайнем левом ( раздвинутом) положении поршня первого цилиндра перемещает поршень второго в крайнее правое положение, тем самым раздвигая стойки через данную линию. Если действия проходили согласно схеме то при движения штока на зажатие одного цилиндра в его крайнем положении начал зажимать второй шток.syler писал(а): Провел несколько экспериментов, спешу поделиться с вами результатами. Однозначно интерпретировать их у меня пока что не получается.
1. Исходное состояние: вторая стойка в крайнем правом положении, первая в крайнем левом. Отвожу вторую стойку в крайнее левое положение. Она начинает очень медленно возвращаться обратно (наш нежелательный эффект). Пока стойка медленно едет, я подаю на первую стойку команду двигаться влево (а поскольку она в крайнем левом положении, двигаться ей некуда) и при подаче этой команды, вторая стойка, медленно возвращавшаяся на свое крайнее правое положение, вдруг начинает ускоренно двигаться вправо, как будто команда была подана на нее! То есть наблюдается влияние первой стойки на вторую. Такой же эффект возникает и при подаче команды "Двигаться вправо" на первую стойку.
-
atm
- Сообщения: 241
- Зарегистрирован: 26 дек 2013, 04:53
- Страна, Регион, Область: Россия
- Город: Тюмень
- Благодарил (а): 0
- Поблагодарили: 16 раз
Re: Не корректная работа гидравлики?
syler Нужно попробовать полностью перекрыть гидродроссели 80.1 и 80.3 в линиях А1 и В3, при поднятом рулоне. Если эффект "сползания" пропадет при одном перекрытом дросселе, гидрозамок в этой колонке неисправен.
-
ЗЮМ
- Эксперт Гидравлик
- Сообщения: 5646
- Зарегистрирован: 24 окт 2012, 20:41
- Страна, Регион, Область: СССР
- Город: Деревня Малая Малявня
- Откуда: деревня МАЛАЯ МАЛЯВНЯ
- Благодарил (а): 603 раза
- Поблагодарили: 825 раз
Re: Не корректная работа гидравлики?
Версия такая: Воздуха ни какого нет. Ни чего не перепутано. Просто у Вас в линии Т присутствует давление (Х) которое открывая гидрозамок поступает в поршневую и штоковую полости и согласно диференциала шток совершает движение в сторону выхода штока из цилиндра. Поршневая по площади больше штоковой полости вот и видим ( не желаемый эффект). Второе: при подаче команды на левый цилиндр, давление в линии Т подрастает и сползание идет веселее. Я просил еще тогда раньше показать схему полностью но меня не услышали. Так что версия банально простая - замки срабатывают на открытие при поступлении жидкости из линии Т в А и В , далее через дроссели в цилиндр , вот вам и ослабление зажима. Поэтому и когда РВД снимали масло шло из шланга со стороны дросселя. Манометр в линию Т, который все расскажет. Всего лишь версия. Перекрытие дросселей остановят сползание но и остановят работу цилиндров. После открытия снова вернемся к проблеме.
-
atm
- Сообщения: 241
- Зарегистрирован: 26 дек 2013, 04:53
- Страна, Регион, Область: Россия
- Город: Тюмень
- Благодарил (а): 0
- Поблагодарили: 16 раз
Re: Не корректная работа гидравлики?
ЗЮМ Линии А1, В3 подпирают поршни, когда поднят рулон,
При закрытых дросселях, нет сползания - виноваты гидрозамки.
Сползание не прекратилось - виноваты поршневые уплотнения, зеркало гильзы, кривые руки и пр., сползание прекратилось при одном перекрытом дросселе виноват конкретный гидрозамок.
Правда для этого должны быть гарантировано исправны и правильно установлены дроссели 80.1 80.3.
По поводу давления в обратке, для смещения золотника гидрозамка необходима разница давлений а на 34 схеме такого не должно быть, с 24 схемой исправные гидрозамки прекрасно уживаются и работают как положено.
При закрытых дросселях, нет сползания - виноваты гидрозамки.
Сползание не прекратилось - виноваты поршневые уплотнения, зеркало гильзы, кривые руки и пр., сползание прекратилось при одном перекрытом дросселе виноват конкретный гидрозамок.
Правда для этого должны быть гарантировано исправны и правильно установлены дроссели 80.1 80.3.
По поводу давления в обратке, для смещения золотника гидрозамка необходима разница давлений а на 34 схеме такого не должно быть, с 24 схемой исправные гидрозамки прекрасно уживаются и работают как положено.
-
ЗЮМ
- Эксперт Гидравлик
- Сообщения: 5646
- Зарегистрирован: 24 окт 2012, 20:41
- Страна, Регион, Область: СССР
- Город: Деревня Малая Малявня
- Откуда: деревня МАЛАЯ МАЛЯВНЯ
- Благодарил (а): 603 раза
- Поблагодарили: 825 раз
Re: Не корректная работа гидравлики?
Теоретически убедительно atm !. ( спора нет) Я предпочитаю контроль доп манометрами. Теория теорией но бывают сдвоенные даже строенные дефекты в работе систем.
-
syler
- Сообщения: 28
- Зарегистрирован: 13 июл 2015, 19:39
- Страна, Регион, Область: Россия
- Город: Москва
- Благодарил (а): 0
- Поблагодарили: 0
Re: Не корректная работа гидравлики?
syler писал(а): 3. Для проверки гидроцилиндра, отвел вторую стойку в крайнее правое положение и отсоединил от самого гидроцилиндра рукав В3 и подал команду "Движение вправо". Вместо ожидаемого мною истечения масла из отверстия на цилиндре, наблюдаю струю из шланга. Это был перепуск регулятора давления в линию слива?
ЗЮМ писал(а): Версия такая: Воздуха ни какого нет. Ни чего не перепутано. Просто у Вас в линии Т присутствует давление (Х) которое открывая гидрозамок поступает в поршневую и штоковую полости и согласно диференциала шток совершает движение в сторону выхода штока из цилиндра. Поршневая по площади больше штоковой полости вот и видим ( не желаемый эффект). Второе: при подаче команды на левый цилиндр, давление в линии Т подрастает и сползание идет веселее. Я просил еще тогда раньше показать схему полностью но меня не услышали. Так что версия банально простая - замки срабатывают на открытие при поступлении жидкости из линии Т в А и В , далее через дроссели в цилиндр , вот вам и ослабление зажима. Поэтому и когда РВД снимали масло шло из шланга со стороны дросселя. Манометр в линию Т, который все расскажет. Всего лишь версия. Перекрытие дросселей остановят сползание но и остановят работу цилиндров. После открытия снова вернемся к проблеме.
Решил развить эту гипотезу. Было замечено, что если пошевелить стойки, то привод насоса гидростанции включается и работает напропалую. По всей видимости, редукционный клапан для снижения давления после себя, при нейтральном положении распределителя, сбрасывает в линию слива часть потока от насоса и давление создаваемое при этом в линии T, приоткрывает гидрозамок 70.3. Для проверки гипотезы провел следующий эксперимент:
[*] отвел вторую стойку в крайнее левое положение, как обычно, наблюдается плавный ход обратно
[*] выключил рубильник на гидростанции, стойка остановилась!
[*] включил рубильник на гидростанции, привод насоса не включился. Стойка все также намертво стоит.
[*] чуть шевельнул стойку с пульта управления, привод насоса включился, стойка вновь поползла...
Вполне возможно, что при проектировании была допущена ошибка и вместо редукционного клапана, который должен регулировать давление в линии А, был выбран клапан, регулирующий давление в линии Р.
-
ЗЮМ
- Эксперт Гидравлик
- Сообщения: 5646
- Зарегистрирован: 24 окт 2012, 20:41
- Страна, Регион, Область: СССР
- Город: Деревня Малая Малявня
- Откуда: деревня МАЛАЯ МАЛЯВНЯ
- Благодарил (а): 603 раза
- Поблагодарили: 825 раз
Re: Не корректная работа гидравлики?
Хорошо бы как говорит Мулланур 44-ю для эксперимента поставить. И посмотреть ползушка уйдет? И чем черт не шутит, может проблема уйдет. По поводу сброса с редукционного клапана в линию слива это нонсенс. Редукционный клапан в слив сбрасывает совсем не много (торцевые утечки) Это не значительные граммы в минуту. Так он устроен. Возможно скачек в линии Т приходит от обшего предохран. Кл или. , зауженного условного прохода, (манометр покажет) И изображение редукционного клапана какое то не корректное.
-
ЗЮМ
- Эксперт Гидравлик
- Сообщения: 5646
- Зарегистрирован: 24 окт 2012, 20:41
- Страна, Регион, Область: СССР
- Город: Деревня Малая Малявня
- Откуда: деревня МАЛАЯ МАЛЯВНЯ
- Благодарил (а): 603 раза
- Поблагодарили: 825 раз
Re: Не корректная работа гидравлики?
По поводу не корректного изображения беру свои слова назад. На схеме изображен О КАК! ТРЕХЛИНЕЙНЫЙ редукционный клапан. ( посмотрел в обозначении символики схем) И смысл в трехлинейном В ЧЕМ???. И SYLER почуял тут липу может и не зря.
Так как до селе не сталкивался плотно с трехлинейными ред. кл. пойду в читальный зал.
Кто сейчас на конференции
Сейчас этот форум просматривают: нет зарегистрированных пользователей и 1 гость