KuASY 400/100 загадка с давлением впрыска

- "Чудеса" случившиеся с вашими дорогими Куаси, Хмельницкими, Одесскими, Белорусскими, Русскими, Немецкими, Китайскими, Итальянскими и даже Американскими машинами.
- Various cases and problems with your IMM: Kuasy from DDR, Soviet-made machines, German, Chinese, American, Italian, Belarusian made machines.
Ответить
Сообщение
Автор
Corsair
Сообщения: 24
Зарегистрирован: 01 фев 2012, 14:25
Страна, Регион, Область: Украина
Город: Киев
Благодарил (а): 0
Поблагодарили: 0

KuASY 400/100 загадка с давлением впрыска

#1 Сообщение Corsair » 27 июл 2018, 19:29

Здравствуйте, уважаемые форумчане.
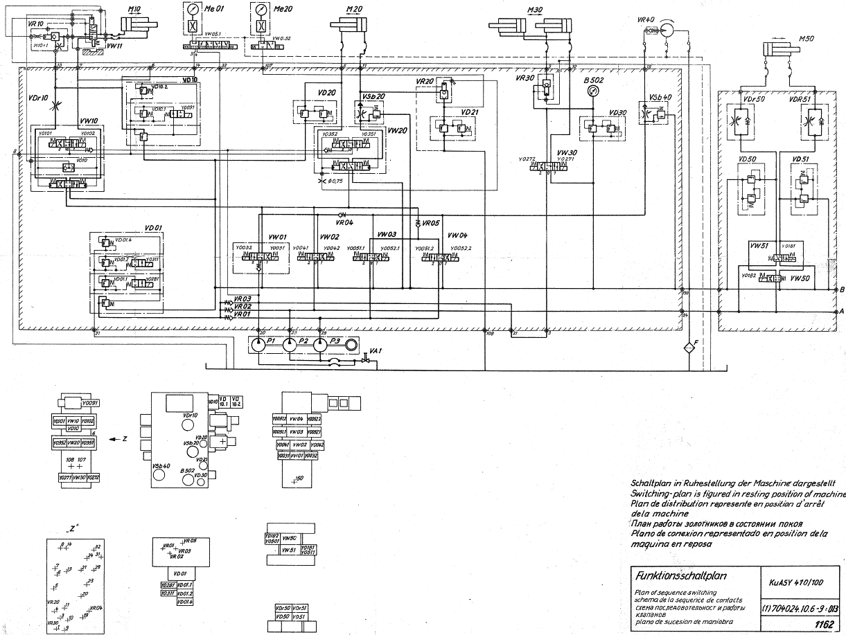
Помогите разгадать загадку давления впрыска данного станка! :)
Предистория: Приехал к нам куаси 400/100 1984 г.в. (почти комплектный) мы его установили, подключили, отмыли, налили масла, включили давление 0.
В отсутствии давления был веновен VD 01 - поправили седло, притёрли, появилось на первом насосе 40 кг на втором и третьем 160 кг.
Думали насос умирает, проверили давление непосредственно на насосе - есть, вылечили заменой Y0031-Y0032 на турецкий аналог.
А сейчас собственно сама проблема: максимальное давление впрыска 50 кг, а давления выдержки под давлением и противодавления при наборе дозы нет вообще :(
Что делалось: мылись и проверялись VD 01.1 VD 01.2 Y0311 Y0281 VR01-VR05 VW20 VSb20 VR 20 VD21 заменены все РТИ.
VW20 VSb20 VR20 VD21 возились к знакомым у которых есть такая же машина, ставились по очереди на нее, все работало.

Подскажите, куда копать дальше? А то свои идеи закончились :(

На выходных буду без доступа к интернету, на вопросы отвечу в понедельник.
Вложения
гидросхема 410.100.png

ЗЮМ
Эксперт Гидравлик
Сообщения: 5711
Зарегистрирован: 24 окт 2012, 20:41
Страна, Регион, Область: СССР
Город: Деревня Малая Малявня
Откуда: деревня МАЛАЯ МАЛЯВНЯ
Благодарил (а): 607 раз
Поблагодарили: 830 раз

Re: KuASY 400/100 загадка с давлением впрыска

#2 Сообщение ЗЮМ » 27 июл 2018, 20:23

Долго не думая, не заглядывая в схему, вопрос: Сам цилиндр впрыска проверяли? На предмет залегания поршневых колец и износа. И жиклер 0,75 на засор.

Corsair
Сообщения: 24
Зарегистрирован: 01 фев 2012, 14:25
Страна, Регион, Область: Украина
Город: Киев
Благодарил (а): 0
Поблагодарили: 0

Re: KuASY 400/100 загадка с давлением впрыска

#3 Сообщение Corsair » 30 июл 2018, 10:53

Здравствуйте. Да жиклер на VR20 чистый. Сам цилиндр не разбирали, глушил шланг подачи на него, давление также 50кг

Мулланур
Сообщения: 1586
Зарегистрирован: 01 окт 2013, 15:06
Страна, Регион, Область: Россия
Город: Екатеринбург
Откуда: Yevlax
Благодарил (а): 415 раз
Поблагодарили: 386 раз

Re: KuASY 400/100 загадка с давлением впрыска

#4 Сообщение Мулланур » 30 июл 2018, 18:28

1) Чтобы отбросить подозрения с VD 01.1 VD 01.2 Y0311 Y0281, подберите короткие винты крепления и оставьте только VD 01.4 без VD 01.1 VD 01.2. Если давление не появится, тогда внимательно изучайте VSb20.
2) Если поменять РВД (Рукава Высокого Давления) на цилиндре впрыска и переставить разъёмы местами на магнитах Y0351 с Y0352 , тогда давление впрыска будет регулироваться VD 20, а VSb20 будет работать на декомпрессию. Можно испытать сам цилиндр.



Большие подозрения на VSb20.

Corsair
Сообщения: 24
Зарегистрирован: 01 фев 2012, 14:25
Страна, Регион, Область: Украина
Город: Киев
Благодарил (а): 0
Поблагодарили: 0

Re: KuASY 400/100 загадка с давлением впрыска

#5 Сообщение Corsair » 30 июл 2018, 20:22

Регуляторы проверял, как говорите, на коротких болтах, работают исправно во всем диапазоне 0-160 кг.
А идею с перестановкой РВД завтра постараюсь попробовать. Спасибо за идею.

Ответить

Вернуться в «Термопластавтоматы не могут без ремонта/Injection molding machines need in repair»

Кто сейчас на конференции

Сейчас этот форум просматривают: Ahrefs [Bot], Amazon [Bot] и 2 гостя