Медленно набирает дозу.
-
Max55
- Сообщения: 23
- Зарегистрирован: 13 ноя 2016, 14:09
- Страна, Регион, Область: Россия
- Город: Омск
- Благодарил (а): 5 раз
- Поблагодарили: 0
Медленно набирает дозу.
У меня проблема заключается в наборе дозы, медленно набирает, около минуты. Вроде проблема ясна, на линии которую я выделил красным цветом низкое давление 90 бар вместо положенных 175 бар. Пытаюсь разобраться, вот только не понятен сам момент набора дозы. Как я понимаю процесс. В момент поступления высокого давления 175 бар в камеру 1 через линию А происходит впрыск, шнек с цилиндром движется вперед (потом задержка и т.п), далее начинает работать гидромотор заставляя вращаться шнек в одном направлении и отходит назад.
Что приводить в действие шнек и цилиндр отходить назад ? Сам механизм не понятен.
Как мне кажется. Из камеры 1 масло обратно идет по линии А и через Пилотный клапан идет сбор масло на слив, если так то что приводит в действие отходить назад ? Или вообще все это не так ?
Тяжело дается настройка, наладка ТПА, я вообще в этом не специалист, но так сложилась ситуация что приходиться самому понимать как работает ТПА, производить запуск.
Буду благодарен любому ответу !!!
Что приводить в действие шнек и цилиндр отходить назад ? Сам механизм не понятен.
Как мне кажется. Из камеры 1 масло обратно идет по линии А и через Пилотный клапан идет сбор масло на слив, если так то что приводит в действие отходить назад ? Или вообще все это не так ?
Тяжело дается настройка, наладка ТПА, я вообще в этом не специалист, но так сложилась ситуация что приходиться самому понимать как работает ТПА, производить запуск.
Буду благодарен любому ответу !!!
-
Тоха
- Сообщения: 580
- Зарегистрирован: 20 мар 2015, 11:03
- Страна, Регион, Область: Россия
- Город: Россия
- Благодарил (а): 92 раза
- Поблагодарили: 296 раз
Re: Медленно набирает дозу.
Схему сами рисовали?
Вряд ли линия на набор идет напрямую без обхода через фильтр.
Если так, то скорее всего падение производительности набора из-за загрязнения фильтра.
Декомпрессия (отвод шнека назад) обычно реализуется путем заполнения штоковой полости и слива безштоковой.
Вряд ли линия на набор идет напрямую без обхода через фильтр.
Если так, то скорее всего падение производительности набора из-за загрязнения фильтра.
Декомпрессия (отвод шнека назад) обычно реализуется путем заполнения штоковой полости и слива безштоковой.
-
atm
- Сообщения: 241
- Зарегистрирован: 26 дек 2013, 04:53
- Страна, Регион, Область: Россия
- Город: Тюмень
- Благодарил (а): 0
- Поблагодарили: 16 раз
Re: Медленно набирает дозу.
Если в общих чертах, шнек, вращаясь, проталкивает расплавленный материал и сам выталкивается из материального цилиндра, отводя в исходное положение поршень цилиндра впрыска, маслом которое выдавливается из цилиндра впрыска можно регулировать скорость отвода поршня (давление, скорость). Повышенный расход масла происходит именно при наборе дозы, в этот момент и подключается дополнительный насос, обычно. Подключение насоса с низким выходным давлением обязано усугубить ситуацию с производительностью.
-
Max55
- Сообщения: 23
- Зарегистрирован: 13 ноя 2016, 14:09
- Страна, Регион, Область: Россия
- Город: Омск
- Благодарил (а): 5 раз
- Поблагодарили: 0
Re: Медленно набирает дозу.
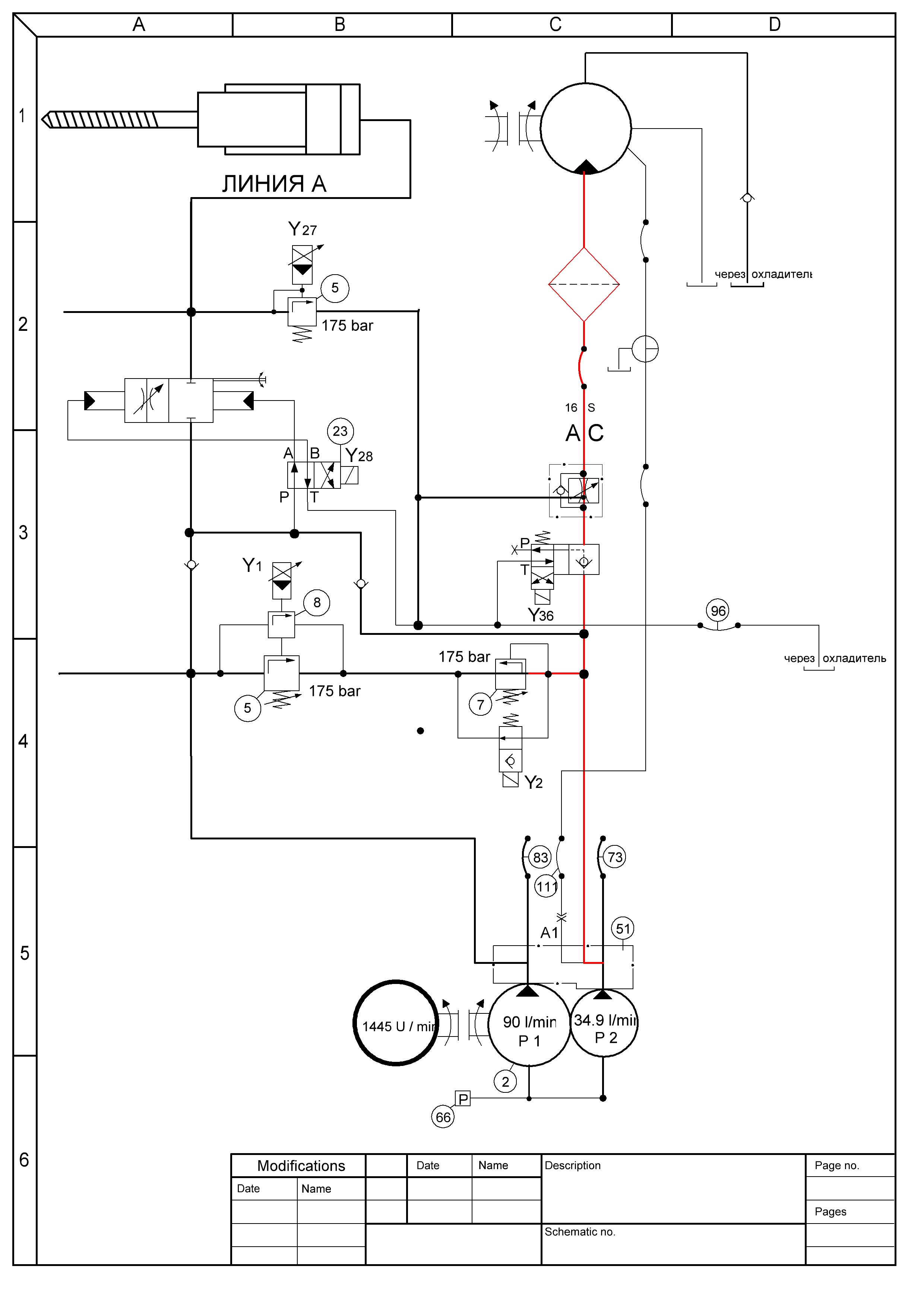
Схема просто перерисована. Да, фильтр стоит. Недоглядел. Фильтр на всасывание в гидронасос очень грязный давление около 3.5 - 4 бар (хотя должно быть вроде 2 - 2.5 бар) промывка фильтра ни к чему не привела . Недавно заказал, должен прийти новый фильтр. А вы имели ввиду фильтр который идет на шнек, он нормальный (промывку делал) .Тоха писал(а): 19 янв 2018, 16:00 Схему сами рисовали?
Вряд ли линия на набор идет напрямую без обхода через фильтр.
Если так, то скорее всего падение производительности набора из-за загрязнения фильтра.
Декомпрессия (отвод шнека назад) обычно реализуется путем заполнения штоковой полости и слива безштоковой.
Можете подсказать на панели управления есть потенциометр отвечает за набор дозы, я так понял он регулирует скорость отвода шнека назад.
А каким способом можно регулировать скорость вращения шнека ?
-
Figaro
- Сообщения: 2183
- Зарегистрирован: 27 апр 2013, 02:27
- Страна, Регион, Область: Владимирская обл.
- Город: Владимир
- Благодарил (а): 772 раза
- Поблагодарили: 552 раза
Re: Медленно набирает дозу.
А не пробовали в инете книжки по гидравлике читать? Раздел по гидродвигателям...
Поиском на ура кучу книг выдаёт, среди них есть и "бош-рексротовские" учебные курсы с цветными картинками...
-
Мулланур
- Сообщения: 1586
- Зарегистрирован: 01 окт 2013, 15:06
- Страна, Регион, Область: Россия
- Город: Екатеринбург
- Откуда: Yevlax
- Благодарил (а): 415 раз
- Поблагодарили: 386 раз
Re: Медленно набирает дозу.
Ну очень небрежно перерисованная схема!
1) Вы нарисовали пропорциональный клапан давления и обозвали его Y27. И место куда Вы его врезали, такие клапана обычно регулируют давление впрыска (0-175 бар) и противодавление (давление вытесняющего масла из цилиндра с полости впрыска) (0-25 бар) во время загрузки.
2) В первом посте в Вашей схеме дополнительная линия (111) возможна как управление тормозом гидромотора или управление производительностью насоса при увеличения нагрузки.
Выложите оригинальную схему или делайте отчетливей фото всей цепочки от насоса до гидромотора.
Какого года машина?
1) Вы нарисовали пропорциональный клапан давления и обозвали его Y27. И место куда Вы его врезали, такие клапана обычно регулируют давление впрыска (0-175 бар) и противодавление (давление вытесняющего масла из цилиндра с полости впрыска) (0-25 бар) во время загрузки.
2) В первом посте в Вашей схеме дополнительная линия (111) возможна как управление тормозом гидромотора или управление производительностью насоса при увеличения нагрузки.
Выложите оригинальную схему или делайте отчетливей фото всей цепочки от насоса до гидромотора.
Какого года машина?
- Димитрий
- Сообщения: 730
- Зарегистрирован: 09 апр 2008, 01:15
- Страна, Регион, Область: Россия
- Город: Калуга
- Откуда: Калуга
- Благодарил (а): 22 раза
- Поблагодарили: 81 раз
- Контактная информация:
Re: Медленно набирает дозу.
А есть уверенность в том, что дело не в износе пары цилиндр-шнек?
Вопрос, ответ на который встречается на первых двух страницах тематической литературы - глупый!
Используйте технологии 21 века, пока он не кончился! (с) МихалИваныч
Используйте технологии 21 века, пока он не кончился! (с) МихалИваныч
-
Max55
- Сообщения: 23
- Зарегистрирован: 13 ноя 2016, 14:09
- Страна, Регион, Область: Россия
- Город: Омск
- Благодарил (а): 5 раз
- Поблагодарили: 0
Re: Медленно набирает дозу.
Конечно, литературой пользуемся как раз такой, про которую вы сказали.Figaro писал(а): 21 янв 2018, 14:50А не пробовали в инете книжки по гидравлике читать? Раздел по гидродвигателям...
Поиском на ура кучу книг выдаёт, среди них есть и "бош-рексротовские" учебные курсы с цветными картинками...
1)Гидропривод. Основы и компоненты. Учебный курс по гидравлике, том 1. Bosch Rexroth. или
2) Основы гидравлики Часть 1 и 2 сайт http://www.hydropart.ru/ автор неизвестен.
Конечно вторая книга больше понравилась, картинок больше. ))
Но и после прочитанных возникает кучу вопрос, на которые где то надо узнать ответы. Форум как раз помощник.
-
Max55
- Сообщения: 23
- Зарегистрирован: 13 ноя 2016, 14:09
- Страна, Регион, Область: Россия
- Город: Омск
- Благодарил (а): 5 раз
- Поблагодарили: 0
Re: Медленно набирает дозу.
Вот оригинальная схема + перерисованная. Но они вроде одинаковы . Буду только рад если найдутся замечание по схеме, мне предстоит только себя поругать. Фото скину позжеМулланур писал(а): 21 янв 2018, 22:47 Ну очень небрежно перерисованная схема!
1) Вы нарисовали пропорциональный клапан давления и обозвали его Y27. И место куда Вы его врезали, такие клапана обычно регулируют давление впрыска (0-175 бар) и противодавление (давление вытесняющего масла из цилиндра с полости впрыска) (0-25 бар) во время загрузки.
2) В первом посте в Вашей схеме дополнительная линия (111) возможна как управление тормозом гидромотора или управление производительностью насоса при увеличения нагрузки.
Выложите оригинальную схему или делайте отчетливей фото всей цепочки от насоса до гидромотора.
Какого года машина?
- Вложения
-
- Гидравлика Схема.pdf
- (3.79 МБ) 41 скачивание
-
Max55
- Сообщения: 23
- Зарегистрирован: 13 ноя 2016, 14:09
- Страна, Регион, Область: Россия
- Город: Омск
- Благодарил (а): 5 раз
- Поблагодарили: 0
Re: Медленно набирает дозу.
Я знаю что сам шнек ремонтировали, наплавляли, растачивали и шлифовали. После ремонта еще и года не прошло. Про головку цилиндра ничего не знаю, пока не приходилось ремонтировать.Димитрий писал(а): 21 янв 2018, 23:25 А есть уверенность в том, что дело не в износе пары цилиндр-шнек?
-
Мулланур
- Сообщения: 1586
- Зарегистрирован: 01 окт 2013, 15:06
- Страна, Регион, Область: Россия
- Город: Екатеринбург
- Откуда: Yevlax
- Благодарил (а): 415 раз
- Поблагодарили: 386 раз
Re: Медленно набирает дозу.
Ваша машина снабжена запираемым соплом, управляемым распределителем с магнитом Y25. Декомпрессия (принудительный отвод шнека) не предусмотрена в данной схеме.
Y27- это пропорциональный клапан (как я и предполагал ранние) отвечающий за давление впрыска (0-175 бар) и противодавление (0-25).
На загрузку у Вас работает только одна полость насоса производительностью 34,9 л/мин, которая также может участвовать во время впрыска и управлять открытием/закрытием сопла.
Максимальное давление на этой полости устанавливается на предохранительном клапане (7), который в свою очередь управляется распределителем с магнитом Y2.
Скорость вращения шнека регулируется в ручную дросселем (17).
Чтобы убедится что насос нагружается до 175 бар и нет износа в предохранительном клапане (7), проверьте каково давление когда на манометре при удержании режима открытия/закрытия сопла. если те же 90 бар. Тогда уделите внимания (7) и Y2, а потом данной полости насоса.
Y27- это пропорциональный клапан (как я и предполагал ранние) отвечающий за давление впрыска (0-175 бар) и противодавление (0-25).
На загрузку у Вас работает только одна полость насоса производительностью 34,9 л/мин, которая также может участвовать во время впрыска и управлять открытием/закрытием сопла.
Максимальное давление на этой полости устанавливается на предохранительном клапане (7), который в свою очередь управляется распределителем с магнитом Y2.
Скорость вращения шнека регулируется в ручную дросселем (17).
Чтобы убедится что насос нагружается до 175 бар и нет износа в предохранительном клапане (7), проверьте каково давление когда на манометре при удержании режима открытия/закрытия сопла. если те же 90 бар. Тогда уделите внимания (7) и Y2, а потом данной полости насоса.
-
Max55
- Сообщения: 23
- Зарегистрирован: 13 ноя 2016, 14:09
- Страна, Регион, Область: Россия
- Город: Омск
- Благодарил (а): 5 раз
- Поблагодарили: 0
Re: Медленно набирает дозу.
Машина 1980 года Немец WIDSOR HSI 130. На схеме не указал, что запирания сопла нет, его до меня демонтировали. А проверить что насос нагружается, мы же можем проверить в процессе работы ? А в режиме работы все тоже самое 90 бар.Мулланур писал(а): 22 янв 2018, 18:17 Ваша машина снабжена запираемым соплом, управляемым распределителем с магнитом Y25. Декомпрессия (принудительный отвод шнека) не предусмотрена в данной схеме.
Y27- это пропорциональный клапан (как я и предполагал ранние) отвечающий за давление впрыска (0-175 бар) и противодавление (0-25).
На загрузку у Вас работает только одна полость насоса производительностью 34,9 л/мин, которая также может участвовать во время впрыска и управлять открытием/закрытием сопла.
Максимальное давление на этой полости устанавливается на предохранительном клапане (7), который в свою очередь управляется распределителем с магнитом Y2.
Скорость вращения шнека регулируется в ручную дросселем (17).
Чтобы убедится что насос нагружается до 175 бар и нет износа в предохранительном клапане (7), проверьте каково давление когда на манометре при удержании режима открытия/закрытия сопла. если те же 90 бар. Тогда уделите внимания (7) и Y2, а потом данной полости насоса.
Можно еще немного вашего внимания.
Такая практика встречается, отсоединяем шланг (глушим) который подходит к гидромотору, проверяем какое давление (как бы исключая гидромотор). Хотя думаю что это может дать. У меня такой вопрос, к примеру допустим гидромотор неисправен, а линия рабочая выдает 175 бар, что в этом случает будет ? те же 175 бар или нет.
А так есть подозрение что гидронасос неисправен + к этому клапан Y2 есть дефекты Золотник 1 слишком изношен и золотник 2 (походу все в комплексе надо решать)
Кто сейчас на конференции
Сейчас этот форум просматривают: нет зарегистрированных пользователей и 2 гостя