Документация- или как об стенку горох!?

- "Чудеса" случившиеся с вашими дорогими Куаси, Хмельницкими, Одесскими, Белорусскими, Русскими, Немецкими, Китайскими, Итальянскими и даже Американскими машинами.
- Various cases and problems with your IMM: Kuasy from DDR, Soviet-made machines, German, Chinese, American, Italian, Belarusian made machines.
Ответить
Сообщение
Автор
ЗЮМ
Эксперт Гидравлик
Сообщения: 5711
Зарегистрирован: 24 окт 2012, 20:41
Страна, Регион, Область: СССР
Город: Деревня Малая Малявня
Откуда: деревня МАЛАЯ МАЛЯВНЯ
Благодарил (а): 607 раз
Поблагодарили: 830 раз

Документация- или как об стенку горох!?

#1 Сообщение ЗЮМ » 08 фев 2015, 21:52

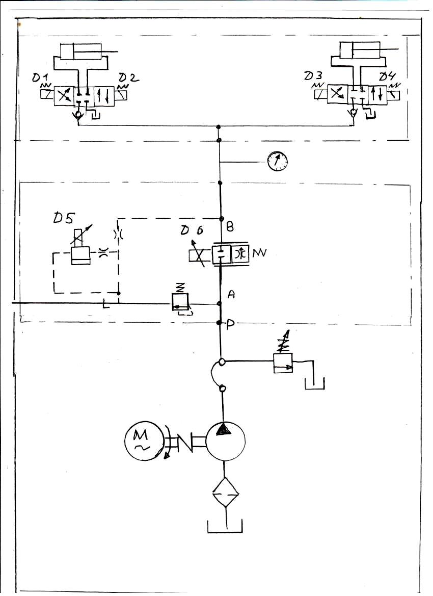
Прошу правильно изобразить схему . Схема скопирована в ручную с документации на портативную гидростанцию для гидро знаков прессформы. Идет в комплекте с электрическими ТПА ZHAFIR.
Вложения
CIMG4618.JPG
CIMG4617.JPG
CIMG4616.JPG
CIMG4615.JPG
Scan зафир схема гидростанции..jpg
Последний раз редактировалось ЗЮМ 08 фев 2015, 22:05, всего редактировалось 1 раз.

ЗЮМ
Эксперт Гидравлик
Сообщения: 5711
Зарегистрирован: 24 окт 2012, 20:41
Страна, Регион, Область: СССР
Город: Деревня Малая Малявня
Откуда: деревня МАЛАЯ МАЛЯВНЯ
Благодарил (а): 607 раз
Поблагодарили: 830 раз

Re: Документация- или как об стенку горох!?

#2 Сообщение ЗЮМ » 08 фев 2015, 22:03

Станция не плохая работает нормально. С пропорциональным управлением по давлению и по скорости. Причина не исправности: Подгорели контакты на реле и не приходил сигнал на D6- пропорциональный распределитель управления потоком-скоростью. Не ожидали от немцев такой филькиной грамоты по поводу гидравлической схемы. А кстати . кто был на выставке и может рассказать о состоянии документации.
Вложения
CIMG4623.JPG
CIMG4622.JPG
CIMG4621.JPG
CIMG4619.JPG

Аватара пользователя
Бегемот
Сообщения: 2815
Зарегистрирован: 03 окт 2009, 13:39
Страна, Регион, Область: Россия
Город: Владимир
Откуда: Из Аршинцево, г. Керчь, Крым-Россия.
Благодарил (а): 53 раза
Поблагодарили: 166 раз
Контактная информация:

Re: Документация- или как об стенку горох!?

#3 Сообщение Бегемот » 08 фев 2015, 22:29

А я давно уже не видел нормальной документации. Была приличная у Chen Hsong(2006г.) и JonWai.
А потом понеслись китаёзы с весёлыми картинками рязанского самиздата.
Бегемот!!! Ты меня не зли!!! ©Олька

ЗЮМ
Эксперт Гидравлик
Сообщения: 5711
Зарегистрирован: 24 окт 2012, 20:41
Страна, Регион, Область: СССР
Город: Деревня Малая Малявня
Откуда: деревня МАЛАЯ МАЛЯВНЯ
Благодарил (а): 607 раз
Поблагодарили: 830 раз

Re: Документация- или как об стенку горох!?

#4 Сообщение ЗЮМ » 08 фев 2015, 22:49

Так то оно так. Но диллер, представитель, сервисник, руководитель имеет связь с производителем. И вроде должен вносить коректировки и справлять ошибки. В продолжении этой темы , нам пришлоссь не много поломать голову. что бы правильно изобразить схему. Но хотелось бы получить правильный оригинал. Ведь даже на распределителе фирмы АТОС на шильдике ошибки это наводит на мысль что АТОС не настоящий. Возвращаясь к схеме, по нашему мнению она должна выглядеть примерно так (черновики)
Вложения
Scan схема гидростанции на знаки..jpg
Scan Схема гидростанции на знаки....jpg

Ответить

Вернуться в «Термопластавтоматы не могут без ремонта/Injection molding machines need in repair»

Кто сейчас на конференции

Сейчас этот форум просматривают: нет зарегистрированных пользователей и 1 гость