"Педагогическая поэма" автор Багаев Олег КНР
-
ЗЮМ
- Эксперт Гидравлик
- Сообщения: 5713
- Зарегистрирован: 24 окт 2012, 20:41
- Страна, Регион, Область: СССР
- Город: Деревня Малая Малявня
- Откуда: деревня МАЛАЯ МАЛЯВНЯ
- Благодарил (а): 608 раз
- Поблагодарили: 831 раз
"Педагогическая поэма" автор Багаев Олег КНР
Вступление: Обсуждался принцип насоса. Тяжело обсуждался из за отсутствия базовых знаний у собеседников по гидравлике. В результате получилась "Педагогическая поэма" написанная очень интересно, мне понравилась. А кто давно не слышал Олега Багаева, просим любить и жаловать.
-
ЗЮМ
- Эксперт Гидравлик
- Сообщения: 5713
- Зарегистрирован: 24 окт 2012, 20:41
- Страна, Регион, Область: СССР
- Город: Деревня Малая Малявня
- Откуда: деревня МАЛАЯ МАЛЯВНЯ
- Благодарил (а): 608 раз
- Поблагодарили: 831 раз
Re: "Педагогическая поэма" автор Багаев Олег КНР
Эпилог: У Андрея есть практическая задача, которую ему нужно решить. Ранее Андрей понадеялся на то, что сейчас придёт дядя Слава и выдаст всю правду. Но в ответ, вместо пояснений устройства насоса, прилетел лёгкий пук насчёт того, что некие мудрые старцы думают, что там нужно держать какой-то перепад давления. Ладно бы это было абсолютно бесполезной, так это ещё и неверная информация. Мне пришлось срочно развеять этот пук. И тут возникает незамысловатый вопрос: а почему развеивать чужие пуки приходится мне? Я вот себя в грудь не бью насчёт того, сколько я там чего отремонтировал при царе Горохе. Ну то как бы ладно. Мало ли кого пучит. Бывает. Попучило — и ладно. Но метеоризм бесполезной информации ведь никак не иссякнет. Кому интересно знать, насчёт того, сколько там схем у этой серии насосов? Кому интересно знать, что там в системе управления 4Е? Да всем похер. Я вот, дядя Слава, мириться с тем, что тебя пучит, не могу. Я же доктор по жизни. Лечу всех. А поэтому получи порцию Фестала. ( Багаев О)
-
ЗЮМ
- Эксперт Гидравлик
- Сообщения: 5713
- Зарегистрирован: 24 окт 2012, 20:41
- Страна, Регион, Область: СССР
- Город: Деревня Малая Малявня
- Откуда: деревня МАЛАЯ МАЛЯВНЯ
- Благодарил (а): 608 раз
- Поблагодарили: 831 раз
Re: "Педагогическая поэма" автор Багаев Олег КНР
Дядя Слава, ты же пойми. Андрей не по своей прихоти занимается насосом. Ему нужно кормить семью. Первый раз он к тебе обратился за содействием около месяца назад, но в ответ получил какие-то оскорбительные нотации. И сейчас Андрей искренне понадеялся на тебя, но взамен получил ответ в стиле "учись студент" и кучу околесицы вроде того, сколько же там схем управления этим насосом имеется. И это на фоне рассказов о том, сколько же ты там гидравлики в своей жизни отремонтировал и какой же ты там умный и квалифицированный специалист. Два раза к тебе приходили с практическими вопросами, влияющими на заработки. Ответ от тебя последовал абсолютно омерзительный по своей придури и к тому же в оскорбительном ключе. Я думаю, что больше тебя никто слушать не станет в связи с твоей бесполезностью. Всё, что тебе нужно сделать — не гадить бесполезной информацией. Ну а если ты ещё раз позволишь себе какие-то оскорбительные выпады в чей-то адрес — буду нещадно закрывать тебе рот. Ну а содействие твоё больше не требуется. Вопрос на этом закрывается. ( Багаев О)
-
ЗЮМ
- Эксперт Гидравлик
- Сообщения: 5713
- Зарегистрирован: 24 окт 2012, 20:41
- Страна, Регион, Область: СССР
- Город: Деревня Малая Малявня
- Откуда: деревня МАЛАЯ МАЛЯВНЯ
- Благодарил (а): 608 раз
- Поблагодарили: 831 раз
Re: "Педагогическая поэма" автор Багаев Олег КНР
Лично я объяснил так, на сколько мне позволило мое образование и знания. Но если каждое твое слово ставят под сомнение, то о чем дальше можно говорить. На что в ответ и родилась эта поэма. Если есть желающие продолжить этот дискусс то я с удовольствием покажу насос, а вы уж пожалуйста расскажите подробно принцип работы этого насоса. Кто желает лично пообщаться с бывшим кумиром этого форума дам контакт в телеграм ( По запросу в личку)
-
ЗЮМ
- Эксперт Гидравлик
- Сообщения: 5713
- Зарегистрирован: 24 окт 2012, 20:41
- Страна, Регион, Область: СССР
- Город: Деревня Малая Малявня
- Откуда: деревня МАЛАЯ МАЛЯВНЯ
- Благодарил (а): 608 раз
- Поблагодарили: 831 раз
Re: "Педагогическая поэма" автор Багаев Олег КНР
Насос : подробно принцип работы аксиально поршневого насоса ТПА. Хотят знать Олег и Андрей
- Вложения
-
- i (23).jpeg (20.45 КБ) 1586 просмотров
-
ЗЮМ
- Эксперт Гидравлик
- Сообщения: 5713
- Зарегистрирован: 24 окт 2012, 20:41
- Страна, Регион, Область: СССР
- Город: Деревня Малая Малявня
- Откуда: деревня МАЛАЯ МАЛЯВНЯ
- Благодарил (а): 608 раз
- Поблагодарили: 831 раз
Re: "Педагогическая поэма" автор Багаев Олег КНР
Последний раз редактировалось ЗЮМ 24 янв 2026, 19:42, всего редактировалось 1 раз.
-
ЗЮМ
- Эксперт Гидравлик
- Сообщения: 5713
- Зарегистрирован: 24 окт 2012, 20:41
- Страна, Регион, Область: СССР
- Город: Деревня Малая Малявня
- Откуда: деревня МАЛАЯ МАЛЯВНЯ
- Благодарил (а): 608 раз
- Поблагодарили: 831 раз
Re: "Педагогическая поэма" автор Багаев Олег КНР
Файл можно получить по ссылке:
Nasosy_serii_A.pdf
https://disk.yandex.ru/i/b2QL-uC_b6rjyg Характеристики на русском языке. Да ещё шильдик сейчас найдем.А56-F-R- 0.4-H-K-32339 документация есть. Шильдик есть. Добавлю файлы из обсуждений редактированые. Для размышления инфы достаточно. Ждём ваших мыслей коллеги специалисты.Нужно описание принципа работы насоса. Причину поломки разбирать будем потом.
Nasosy_serii_A.pdf
https://disk.yandex.ru/i/b2QL-uC_b6rjyg Характеристики на русском языке. Да ещё шильдик сейчас найдем.А56-F-R- 0.4-H-K-32339 документация есть. Шильдик есть. Добавлю файлы из обсуждений редактированые. Для размышления инфы достаточно. Ждём ваших мыслей коллеги специалисты.Нужно описание принципа работы насоса. Причину поломки разбирать будем потом.
-
AlexsandrN
- Сообщения: 579
- Зарегистрирован: 08 апр 2022, 13:22
- Страна, Регион, Область: Россия
- Город: К
- Благодарил (а): 38 раз
- Поблагодарили: 121 раз
-
ЗЮМ
- Эксперт Гидравлик
- Сообщения: 5713
- Зарегистрирован: 24 окт 2012, 20:41
- Страна, Регион, Область: СССР
- Город: Деревня Малая Малявня
- Откуда: деревня МАЛАЯ МАЛЯВНЯ
- Благодарил (а): 608 раз
- Поблагодарили: 831 раз
Re: "Педагогическая поэма" автор Багаев Олег КНР
Свое корявенькое описание опубликую чуть позже. За которое накидали фигни на вентилятор 
-
ЗЮМ
- Эксперт Гидравлик
- Сообщения: 5713
- Зарегистрирован: 24 окт 2012, 20:41
- Страна, Регион, Область: СССР
- Город: Деревня Малая Малявня
- Откуда: деревня МАЛАЯ МАЛЯВНЯ
- Благодарил (а): 608 раз
- Поблагодарили: 831 раз
Re: "Педагогическая поэма" автор Багаев Олег КНР
Да не особо накипело. Не понравилась моя инструкция.
-
ЗЮМ
- Эксперт Гидравлик
- Сообщения: 5713
- Зарегистрирован: 24 окт 2012, 20:41
- Страна, Регион, Область: СССР
- Город: Деревня Малая Малявня
- Откуда: деревня МАЛАЯ МАЛЯВНЯ
- Благодарил (а): 608 раз
- Поблагодарили: 831 раз
Re: "Педагогическая поэма" автор Багаев Олег КНР
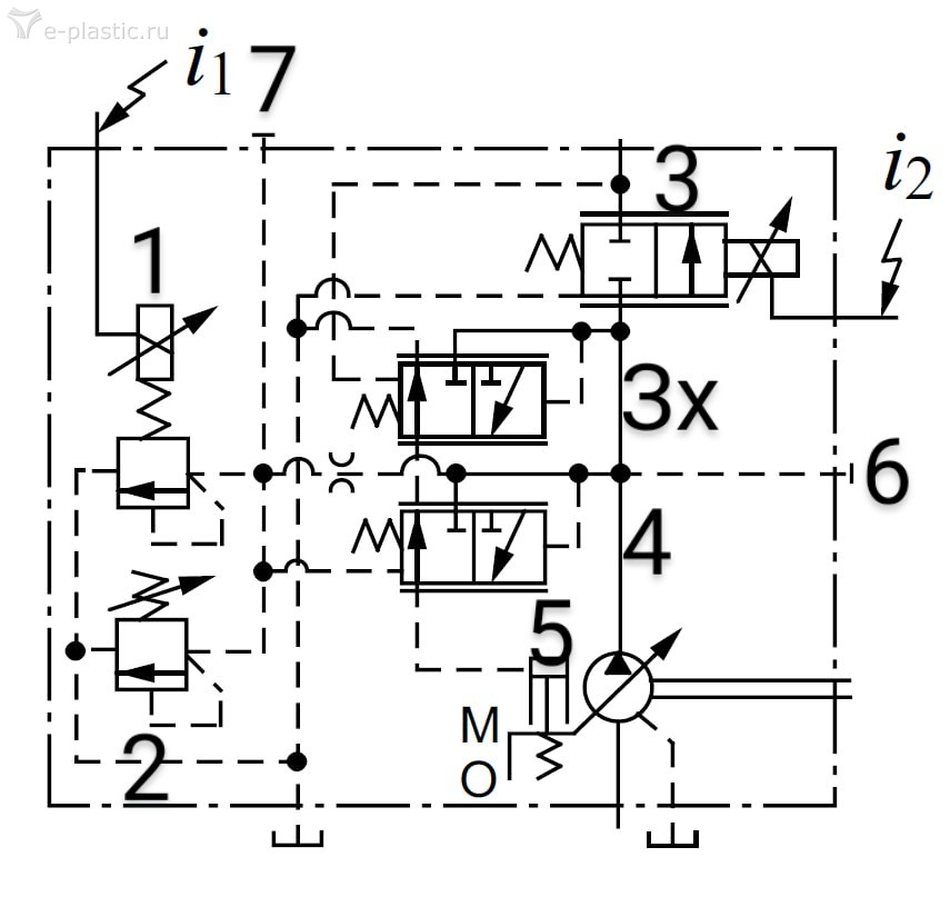
Пронумеруем комплектующие насоса.Далее будет описание как я его понимаю.
1). Предохранительный пропорциональный клапан прямого действия.
2). Аварийный предохранительный клапан настроен на максимально разрешённое давление.
3). 3-х Основной пропорциональный регулятор скорости расхода масла.
4). Зх вспомогательный компенсатор регулятора скорости, следит за перепадом давления на входе в З и на выходе из 3. Тем самым держит стабильный поток независимо от скачков нагрузки.
5) 4 Пилот при чрезмерном росте давления снижает производительность насоса путем переключения влево и воздействия на плунжер управления наклоном шайбы.
3х так же участвует в изменении подачи насоса то есть в изменении наклона шайбы.
Четвертый подчиняется давлению 1-го.
Зх подчиняется давлению системы на входе в 3-шку и давлению на выходе из 3-шки.
И чутко следит за перепадом давления на входе и выходе в пределах 12-14 атмосфер влияя на наклон шайбы насоса.
Если перепада не будет, регулятор скорости работать не будет.
1 и 3 подчиняются сигналам по току. Поток масла ни куда не переливается в больших объемах.
В штрих линиях циркулирует слабый поток управления не более 4-9 литров в минуту. Точка 6 и 7 контрольные для диагностики подключаемыми тестовыми манометрами. Также есть точки для замера перепада давления на дросселе скорости 3+3х.
В первую очередь гидравлики измеряют. Этот перепад Constanta.
Перепад на дросселе например на входе 100 на выходе всегда будет 112-114. Аксиома.
Так что по легче там крутить. Иначе без стенда не настроить и ни чего не понять.
А к стенду ещё усилитель управления сигналами надо городить. Не у всех эти возможности есть.
Насос при скоростных циклах как сумасшедший играет своей шайбой по мере надобности.
Из корпуса насоса есть один единственный дренажный шланг и з которого вытекает я бы не сказал что слишком льет так себе вялый поток с плевками при переключении плунжера. Да может быть ещё шланг с линии управления пунктирных линий. На больших насосах. На маленьких все заведено внутрь корпуса, от туда в бак.
Олег Багаев скажет: Много слов, надо сократить упорядочить. А вот свои басни не сокращает однако. Вот загадка блин это про сокращение. Там внутри один жиклёр, если засорится насос уйдет в ноль и скорость исчезнет и давление.
1). Предохранительный пропорциональный клапан прямого действия.
2). Аварийный предохранительный клапан настроен на максимально разрешённое давление.
3). 3-х Основной пропорциональный регулятор скорости расхода масла.
4). Зх вспомогательный компенсатор регулятора скорости, следит за перепадом давления на входе в З и на выходе из 3. Тем самым держит стабильный поток независимо от скачков нагрузки.
5) 4 Пилот при чрезмерном росте давления снижает производительность насоса путем переключения влево и воздействия на плунжер управления наклоном шайбы.
3х так же участвует в изменении подачи насоса то есть в изменении наклона шайбы.
Четвертый подчиняется давлению 1-го.
Зх подчиняется давлению системы на входе в 3-шку и давлению на выходе из 3-шки.
И чутко следит за перепадом давления на входе и выходе в пределах 12-14 атмосфер влияя на наклон шайбы насоса.
Если перепада не будет, регулятор скорости работать не будет.
1 и 3 подчиняются сигналам по току. Поток масла ни куда не переливается в больших объемах.
В штрих линиях циркулирует слабый поток управления не более 4-9 литров в минуту. Точка 6 и 7 контрольные для диагностики подключаемыми тестовыми манометрами. Также есть точки для замера перепада давления на дросселе скорости 3+3х.
В первую очередь гидравлики измеряют. Этот перепад Constanta.
Перепад на дросселе например на входе 100 на выходе всегда будет 112-114. Аксиома.
Так что по легче там крутить. Иначе без стенда не настроить и ни чего не понять.
А к стенду ещё усилитель управления сигналами надо городить. Не у всех эти возможности есть.
Насос при скоростных циклах как сумасшедший играет своей шайбой по мере надобности.
Из корпуса насоса есть один единственный дренажный шланг и з которого вытекает я бы не сказал что слишком льет так себе вялый поток с плевками при переключении плунжера. Да может быть ещё шланг с линии управления пунктирных линий. На больших насосах. На маленьких все заведено внутрь корпуса, от туда в бак.
Олег Багаев скажет: Много слов, надо сократить упорядочить. А вот свои басни не сокращает однако. Вот загадка блин это про сокращение. Там внутри один жиклёр, если засорится насос уйдет в ноль и скорость исчезнет и давление.
Последний раз редактировалось ЗЮМ 24 янв 2026, 20:27, всего редактировалось 1 раз.
- За это сообщение автора ЗЮМ поблагодарил:
- Елена ПластЭксперт
- Рейтинг: 5%
-
ЗЮМ
- Эксперт Гидравлик
- Сообщения: 5713
- Зарегистрирован: 24 окт 2012, 20:41
- Страна, Регион, Область: СССР
- Город: Деревня Малая Малявня
- Откуда: деревня МАЛАЯ МАЛЯВНЯ
- Благодарил (а): 608 раз
- Поблагодарили: 831 раз
Re: "Педагогическая поэма" автор Багаев Олег КНР
И последнее. Я не знаю такой инструкции, прочитав которую можно было бы починить насос на коленке не понимая даже символов обозначения гидравлической схемы. И не вникая в принцип управления , которых на этих насосах целых 8 или 9 типов. Но опубликовал я это все для сведения что Багаев жив здоров 17 лет в Китае. Ну и насос ему растолкуйте а я передам. И тогда он снимет с меня тяжёлую кару невежды. А если нет. Сниму ботинок и по морде.
Почему Офтопик-? Флудить можно.
-
ЗЮМ
- Эксперт Гидравлик
- Сообщения: 5713
- Зарегистрирован: 24 окт 2012, 20:41
- Страна, Регион, Область: СССР
- Город: Деревня Малая Малявня
- Откуда: деревня МАЛАЯ МАЛЯВНЯ
- Благодарил (а): 608 раз
- Поблагодарили: 831 раз
Re: "Педагогическая поэма" автор Багаев Олег КНР
Описания принципа работы я так думаю не дождемся. Тогда останется ботинок применить. Отбиваясь. Кстати управление на этом именно насосе 0.4
Последний раз редактировалось ЗЮМ 24 янв 2026, 20:33, всего редактировалось 1 раз.
-
AlexsandrN
- Сообщения: 579
- Зарегистрирован: 08 апр 2022, 13:22
- Страна, Регион, Область: Россия
- Город: К
- Благодарил (а): 38 раз
- Поблагодарили: 121 раз
Re: "Педагогическая поэма" автор Багаев Олег КНР
То есть 1 и 3 токовое регулирование? И это не переключающие клапана, а пропорциональные регуляторы? От чего зависит положение (значение тока управления)?
Я не волшебник, я только учусь.
-
ЗЮМ
- Эксперт Гидравлик
- Сообщения: 5713
- Зарегистрирован: 24 окт 2012, 20:41
- Страна, Регион, Область: СССР
- Город: Деревня Малая Малявня
- Откуда: деревня МАЛАЯ МАЛЯВНЯ
- Благодарил (а): 608 раз
- Поблагодарили: 831 раз
Re: "Педагогическая поэма" автор Багаев Олег КНР
Да токовое. Управление с монитора. С монитора сигналы все идут и меняются. Видно по амперметрам в шкафу. С их слов. Ток 0-900 мАAlexsandrN писал(а): 24 янв 2026, 20:32То есть 1 и 3 токовое регулирование? И это не переключающие клапана, а пропорциональные регуляторы? От чего зависит положение (значение тока управления)?
-
AlexsandrN
- Сообщения: 579
- Зарегистрирован: 08 апр 2022, 13:22
- Страна, Регион, Область: Россия
- Город: К
- Благодарил (а): 38 раз
- Поблагодарили: 121 раз
Re: "Педагогическая поэма" автор Багаев Олег КНР
Но ведь задается же не ток в прямом виде на мониторе? А какой то параметр. Который преобразуется в ток. И прям амперметры стоят на цепях управления? А зачем?ЗЮМ писал(а): 24 янв 2026, 20:35Да токовое. Управление с монитора. С монитора сигналы все идут и меняются. Видно по амперметрам в шкафу. С их слов. Ток 0-900 мАAlexsandrN писал(а): 24 янв 2026, 20:32
То есть 1 и 3 токовое регулирование? И это не переключающие клапана, а пропорциональные регуляторы? От чего зависит положение (значение тока управления)?
Я не волшебник, я только учусь.
-
ЗЮМ
- Эксперт Гидравлик
- Сообщения: 5713
- Зарегистрирован: 24 окт 2012, 20:41
- Страна, Регион, Область: СССР
- Город: Деревня Малая Малявня
- Откуда: деревня МАЛАЯ МАЛЯВНЯ
- Благодарил (а): 608 раз
- Поблагодарили: 831 раз
Re: "Педагогическая поэма" автор Багаев Олег КНР
Так и есть а как ещё. Амперметры в шкафу показывают ток на клапане расхода и давления. Параметры в % может в барах. Не знаю что там Кеба или ещё что. Амперметры для контроля и диагностики.
-
ЗЮМ
- Эксперт Гидравлик
- Сообщения: 5713
- Зарегистрирован: 24 окт 2012, 20:41
- Страна, Регион, Область: СССР
- Город: Деревня Малая Малявня
- Откуда: деревня МАЛАЯ МАЛЯВНЯ
- Благодарил (а): 608 раз
- Поблагодарили: 831 раз
Re: "Педагогическая поэма" автор Багаев Олег КНР
Красивый динамичный 73560 рублей. Доставка 6 марта.
-
ЗЮМ
- Эксперт Гидравлик
- Сообщения: 5713
- Зарегистрирован: 24 окт 2012, 20:41
- Страна, Регион, Область: СССР
- Город: Деревня Малая Малявня
- Откуда: деревня МАЛАЯ МАЛЯВНЯ
- Благодарил (а): 608 раз
- Поблагодарили: 831 раз
Re: "Педагогическая поэма" автор Багаев Олег КНР
Перепад на дросселе например на входе 100 на выходе всегда будет 112-114. Аксиома. В этом предложении ошибка. Наоборот: На входе 112 на выходе 100 бар. Перепад сохраняется при любых условиях работы. И следит за этим золотник 3х переключаясь то влево то вправо. При этом наклон шайбы на переключение 3х реагирует изменением наклона шайбы- траверсы. Например: зависло сырье в бункере насос скидывает поток, возросла нагрузка на шнек насос прибавляет напор тем самым держит обороты шнека постоянными не зависимо от меняющейся нагрузке на шнек. И это за счёт золотника 3х.
-
ЗЮМ
- Эксперт Гидравлик
- Сообщения: 5713
- Зарегистрирован: 24 окт 2012, 20:41
- Страна, Регион, Область: СССР
- Город: Деревня Малая Малявня
- Откуда: деревня МАЛАЯ МАЛЯВНЯ
- Благодарил (а): 608 раз
- Поблагодарили: 831 раз
Re: "Педагогическая поэма" автор Багаев Олег КНР
Перепад на дросселе например на входе 100 на выходе всегда будет 112-114. Аксиома.
В этом предложении ошибка.
Наоборот: На входе 112 на выходе 100 бар.
Перепад сохраняется при любых условиях работы. И следит за этим золотник 3х переключаясь то влево то вправо.
При этом наклон шайбы на переключение 3х реагирует изменением наклона шайбы- траверсы.
Например: зависло сырье в бункере насос скидывает поток, возросла нагрузка на шнек насос прибавляет напор тем самым держит обороты шнека постоянными не зависимо от меняющейся нагрузке на шнек. И это за счёт золотника 3х.
Естественно с изменением потока меняется и давление в системе, но перепад на регуляторе потока остаётся стабильным.
Для проверки насос обвешивают манометрами в нужных точках.
И например если нет перепада, специалист уже знает что делать.
И в этом случае поток и давление будет гулять. И обороты тоже. Получится задница.
В этом предложении ошибка.
Наоборот: На входе 112 на выходе 100 бар.
Перепад сохраняется при любых условиях работы. И следит за этим золотник 3х переключаясь то влево то вправо.
При этом наклон шайбы на переключение 3х реагирует изменением наклона шайбы- траверсы.
Например: зависло сырье в бункере насос скидывает поток, возросла нагрузка на шнек насос прибавляет напор тем самым держит обороты шнека постоянными не зависимо от меняющейся нагрузке на шнек. И это за счёт золотника 3х.
Естественно с изменением потока меняется и давление в системе, но перепад на регуляторе потока остаётся стабильным.
Для проверки насос обвешивают манометрами в нужных точках.
И например если нет перепада, специалист уже знает что делать.
И в этом случае поток и давление будет гулять. И обороты тоже. Получится задница.
-
ЗЮМ
- Эксперт Гидравлик
- Сообщения: 5713
- Зарегистрирован: 24 окт 2012, 20:41
- Страна, Регион, Область: СССР
- Город: Деревня Малая Малявня
- Откуда: деревня МАЛАЯ МАЛЯВНЯ
- Благодарил (а): 608 раз
- Поблагодарили: 831 раз
Re: "Педагогическая поэма" автор Багаев Олег КНР
Александр, ты прямо говори, принципа работы насоса не знаю и дело с концом. К чему эти гадания.AlexsandrN писал(а): 24 янв 2026, 20:57Но ведь задается же не ток в прямом виде на мониторе? А какой то параметр. Который преобразуется в ток. И прям амперметры стоят на цепях управления? А зачем?ЗЮМ писал(а): 24 янв 2026, 20:35 Да токовое. Управление с монитора. С монитора сигналы все идут и меняются. Видно по амперметрам в шкафу. С их слов. Ток 0-900 мА![]()
- Woolfy
- Сообщения: 833
- Зарегистрирован: 08 июн 2018, 08:12
- Страна, Регион, Область: Россия
- Город: Новосибирск
- Благодарил (а): 706 раз
- Поблагодарили: 353 раза
Re: "Педагогическая поэма" автор Багаев Олег КНР
Поправочка. Есть такие понятия, как "Стандартизация" и "Унификация". То есть аналоговые управляющие межблочные сигналы давно стандартизованы.Применительно к нашим пропорциональным регуляторам в ТПА (хоть в насосе, хоть отдельно) это будет сигнал постоянного тока в диапазоне от 0 до 1,0 Ампера (1000 мА). Из практики я понял, что китайцы не всегда точно укладываются в этот диапазон. Пусть это останется на их совести.
Управляющий ток может быть не только "чисто" постоянным, но и аппроксимированным из дискретного сигнала ШИМ (Широтно - Импульсно - Модулированного).
Для справки: сегодня также распространены унифицированные сигналы 0-10 Вольт, 0 - +/-10 Вольт, 0 - 20 миллиАмпера, 4 - 20 миллиАмпера.
С уважением. Белый и пушистый, а не серый и лохматый.
-
AlexsandrN
- Сообщения: 579
- Зарегистрирован: 08 апр 2022, 13:22
- Страна, Регион, Область: Россия
- Город: К
- Благодарил (а): 38 раз
- Поблагодарили: 121 раз
Re: "Педагогическая поэма" автор Багаев Олег КНР
Да, я не знаю принципа работы этого насоса. О том, что знаю его - не писал ни разу.ЗЮМ писал(а): 24 янв 2026, 23:21 Александр, ты прямо говори, принципа работы насоса не знаю и дело с концом. К чему эти гадания.
Задаваемые вопросы - это уточнения для того, что бы понять, как это работает. Это не гадания. Или вопросы задавать нельзя?
На данный момент, к примеру не понятен такой вопрос: насос один, а управляющих сигнала - 2. И какой в приоритете? И что регулирует каждый сигнал? Если исходить из графика расход / давление, то расход может изменяться в широких пределах, а давление совсем немного (ну почти прямая линия с отрицательным наклоном).
- За это сообщение автора AlexsandrN поблагодарил:
- ЗЮМ
- Рейтинг: 5%
Я не волшебник, я только учусь.
-
ЗЮМ
- Эксперт Гидравлик
- Сообщения: 5713
- Зарегистрирован: 24 окт 2012, 20:41
- Страна, Регион, Область: СССР
- Город: Деревня Малая Малявня
- Откуда: деревня МАЛАЯ МАЛЯВНЯ
- Благодарил (а): 608 раз
- Поблагодарили: 831 раз
Re: "Педагогическая поэма" автор Багаев Олег КНР
Ок, принято. Я сам в этих сигналах как корова на льду. Это не мое, попытки постигнуть азы электроники ни чем не продолжались. Да и не было нужды, всегда рядом были специалисты в этой области . По поводу приоритета. Думаю Поток, без него не будет давления. Попробую загрузить видео о сигналах.Woolfy устал мне объяснять, а я и не все понимал. Тут серьезный подход нужен. Почему в приоритете поток. На Амперметре Q потока изначально на холостых оборотах уже есть задание и регулятор потока чуточку приоткрыт, для прохода питания к клапану давления. Но не в этом случае. А на клапана дальше в системе и с другими насосами.
Последний раз редактировалось ЗЮМ 25 янв 2026, 11:26, всего редактировалось 1 раз.
-
ЗЮМ
- Эксперт Гидравлик
- Сообщения: 5713
- Зарегистрирован: 24 окт 2012, 20:41
- Страна, Регион, Область: СССР
- Город: Деревня Малая Малявня
- Откуда: деревня МАЛАЯ МАЛЯВНЯ
- Благодарил (а): 608 раз
- Поблагодарили: 831 раз
Re: "Педагогическая поэма" автор Багаев Олег КНР
https://rutube.ru/video/393e742fe696d61 ... 6ae5a/?r=a Интересный ролик. Для общего понимания.
-
ЗЮМ
- Эксперт Гидравлик
- Сообщения: 5713
- Зарегистрирован: 24 окт 2012, 20:41
- Страна, Регион, Область: СССР
- Город: Деревня Малая Малявня
- Откуда: деревня МАЛАЯ МАЛЯВНЯ
- Благодарил (а): 608 раз
- Поблагодарили: 831 раз
Re: "Педагогическая поэма" автор Багаев Олег КНР
Не уверен но по внешним признакам похож на Кавасаки Юж Корея. К теме не относится. Просто интересная движуха внутри насосов.
- Вложения
-
- preview.jpeg (15.3 КБ) 1295 просмотров
-
ЗЮМ
- Эксперт Гидравлик
- Сообщения: 5713
- Зарегистрирован: 24 окт 2012, 20:41
- Страна, Регион, Область: СССР
- Город: Деревня Малая Малявня
- Откуда: деревня МАЛАЯ МАЛЯВНЯ
- Благодарил (а): 608 раз
- Поблагодарили: 831 раз
Re: "Педагогическая поэма" автор Багаев Олег КНР
Похожая система по поводу отсечки и стабилизации потока.
Кто сейчас на конференции
Сейчас этот форум просматривают: нет зарегистрированных пользователей и 1 гость