Срочно нужна помощь куаси 400/100 Vr20
-
- Сообщения: 68
- Зарегистрирован: 11 апр 2016, 19:06
- Страна, Регион, Область: Россия
- Город: Барнаул
- Благодарил (а): 3 раза
- Поблагодарили: 6 раз
Срочно нужна помощь куаси 400/100 Vr20
1) длина штока
2) отличаются ли вр20 от вр30(печь)
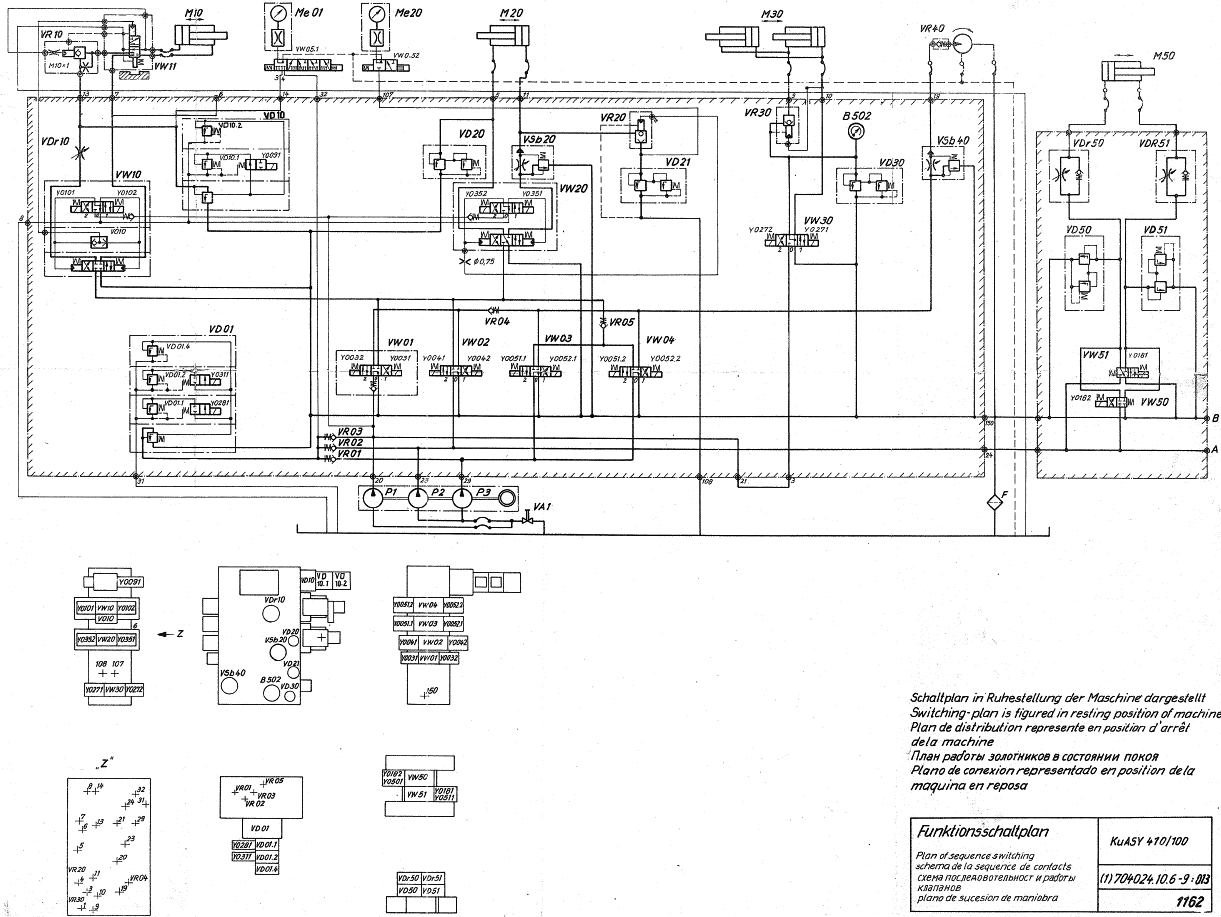
3) какой именно вид клапанов стоит на впрысковом(есть оба варианта),чертеж прилагаю 1) 10-12.00/0
2)2 клапана 10-11.00/2 и 20-11.00/0
- Рейтинг: 5%
-
- Сообщения: 68
- Зарегистрирован: 11 апр 2016, 19:06
- Страна, Регион, Область: Россия
- Город: Барнаул
- Благодарил (а): 3 раза
- Поблагодарили: 6 раз
Re: Срочно нужна помощь куаси 400/100 Vr20
Устранил проблему путем замены клапана (взял от старого 170/55, с эл. катушкой,он стоит на управление насосом), поменял крышку распределителя на закрытую(без штуцера с дросселем 0.75), клапан 170/55 работает так же как и vr20(в покое сливает, при нажатие переключает на давление впрыска , только электрикой , а не гидравликой, ), запараллелил катушку клапана с катушкой впрыска. почитал на форуме все темы про вр20, чудеса такие тож видел ,когда снимаешь с рабочего( не перебирая), ставишь на сломанный станок он не работает, потом обратно на рабочий, а он уже и тут не работает)))) предлагаю все таки разобраться в этом клапане, где точно стоит 10-12.00/0 ,а где 10-11.00/2 и , что в нем может не работать , клапан 20-11.00/0 это клапан большего размера ( стоит на 170/55 на наборе), так , что его отметаем. еще интересуют обозначение пружин: буквы а в с д перед размером - что это жесткость? ( с 0.9* 5.5*11,5 к примеру) , я так понимаю 0.9 это толщина проволоки, 5.5- диаметр, а 11,5 -число витков, если не прав очень прошу поправить,
-
- Эксперт Гидравлик
- Сообщения: 5583
- Зарегистрирован: 24 окт 2012, 20:41
- Страна, Регион, Область: СССР
- Город: Деревня Малая Малявня
- Откуда: деревня МАЛАЯ МАЛЯВНЯ
- Благодарил (а): 602 раза
- Поблагодарили: 816 раз
Re: Срочно нужна помощь куаси 400/100 Vr20
Если говорить простым языком. Это гидравлический замок. Один нормально закрытый, второй нормально открытый. Разница во внутренней начинке и мелкого управляющего квадратненького запорного элементика со штырьком носиком и без.И надо точно понимать направление движения масла внутри клапана основного потока и потока управления. Тогда и принцип работы будет понятен. А где точно стоит можно понять из гидравлической схемы. Которую хорошо бы сюда подкинуть. На пример на прижим сопла и удержание давления прижима сопла отвечает точно замок, который крупным планом нарисован. На закрытие при впрыске и открытии при наборе работает начинка сноски ниже.( штуцер другой формы и и квадратненький элементик без тоненького носика) Пишу по памяти. Архивы лень копать. Если седла этих запорных точек повреждены и геометрия конусочков забита, он работать и не захочет. Ведь на форуме эти клапана уже перемывали в темах о Куаси 175. И дело не только в мелких детальках. Должно быть хорошее седло герметичное основного запорного элемента поршенька. Новые кольца уплотнения и внутри и снаружи. Даже не большая перетечка внутри клапана по мелким штуцерам в линии управления спровоцирует самопроизвольное открытие замка. Или отказ по команде на его закрытие.
-
- Эксперт Гидравлик
- Сообщения: 5583
- Зарегистрирован: 24 окт 2012, 20:41
- Страна, Регион, Область: СССР
- Город: Деревня Малая Малявня
- Откуда: деревня МАЛАЯ МАЛЯВНЯ
- Благодарил (а): 602 раза
- Поблагодарили: 816 раз
Re: Срочно нужна помощь куаси 400/100 Vr20
Понимаю вашу проблему, так как когда то. На одном заводе было 4 шт.175-ки и две 410-ки. Работали себе и работали. Слесаря курили себе и курили. Но пришел дотошный и принципиальный НАЛАДЧИК. ( Мои машины не правильно работают!!!). И так как мне больше всех надо, пошел разбираться. Выясняется что на всех четырех 175-ках стоят по паре одинаковых замков 8 штук. Понимаю что быть того не может, функциал то в схеме разный. Пришлось забраться в 410-ки. И там сборная непонятка. Пришлось ехать к друзьям в институт медицинских полимеров. Где как в медицине и положено ДОКУМЕНТАЦИЯ в порядке как в библиотеке имени В И Ленина. Вот там изучая паспорт с медицинским спиртом все и прояснилось. Вернулся нарисовал мармулеточки. Токарь сделал культурно квадратненькие штучки с носиками. Собрали и все на всех машинах восстановили. ( Вот такая Петровка 38 получилась)
-
- Эксперт Гидравлик
- Сообщения: 5583
- Зарегистрирован: 24 окт 2012, 20:41
- Страна, Регион, Область: СССР
- Город: Деревня Малая Малявня
- Откуда: деревня МАЛАЯ МАЛЯВНЯ
- Благодарил (а): 602 раза
- Поблагодарили: 816 раз
Re: Срочно нужна помощь куаси 400/100 Vr20
Приврал : На 175-ке такого типа один замок на прижим сопла.( зависит от года выпуска ТПА) На 410-ой 2 замка блочного исполнения. На некоторых схемах - монтажных все маркировки прописаны.( посмотреть пока нет возможности) 10-12.00/0 - впрыск- подпор. 10-11.00/2- прижим сопла. ( по памяти надо проверять)ЗЮМ писал(а):Понимаю вашу проблему, так как когда то. На одном заводе было 4 шт.175-ки и две 410-ки. Работали себе и работали. Слесаря курили себе и курили. Но пришел дотошный и принципиальный НАЛАДЧИК. ( Мои машины не правильно работают!!!). И так как мне больше всех надо, пошел разбираться. Выясняется что на всех четырех 175-ках стоят по паре одинаковых замков 8 штук. Понимаю что быть того не может, функциал то в схеме разный. Пришлось забраться в 410-ки. И там сборная непонятка. Пришлось ехать к друзьям в институт медицинских полимеров. Где как в медицине и положено ДОКУМЕНТАЦИЯ в порядке как в библиотеке имени В И Ленина. Вот там изучая паспорт с медицинским спиртом все и прояснилось. Вернулся нарисовал мармулеточки. Токарь сделал культурно квадратненькие штучки с носиками. Собрали и все на всех машинах восстановили. ( Вот такая Петровка 38 получилась)
-
- Сообщения: 68
- Зарегистрирован: 11 апр 2016, 19:06
- Страна, Регион, Область: Россия
- Город: Барнаул
- Благодарил (а): 3 раза
- Поблагодарили: 6 раз
Re: Срочно нужна помощь куаси 400/100 Vr20
зюм спасибо большое, что откликнулись на мою проблему.Начну с начало как и , что у меня обстоит, достались мне в наследство от старого слесаря 2 400ки( док. часть, очень интересует страницы с клапанами, дросселями и спецификация на них(пружины,резина) , 3 хмельницких ,105 32 sr(док вообще нет, ну по гидросхеме скаченной здесь разобрался) и напрочь убитый 170\55.(небольшая часть док.) По 400кам , на обоих стоят двух поточные БГшки по 35 литра на поток, много из гидравлики выброшено,убран клапан vr3 т.к нет 3го насоса, я сделал действующию сейчас схему ее и прилагаю. так же прилагаю схему 410(отличие в отсутствие vo 30 и распрелителя толкателя, как я понимаю), кстати забыл про vr10 вот еще один выплыл))),но меня он особо не интересует, за его отсутствием)))(на 170 у меня 4 клапана такого типа -2на насосы с эл упр., один на набор( большой, тоже с эл упр. ) и еще 1 на печь) Вопрос влияет ли отсутствие дросселя 0.75, того, что на vw20,сейчас стоит просто штуцер около 5 мм d( на данный момент он заглушен так как установлено эл. управление). Завтра сфотаю все клапана ,выложу.Разбираться так разбираться, не думаю , что я последний по этому вопросу. и все таки вопрос по обозначению пружин из первого поста я правильно понимаю или нет( проблема в том ,что ставили все , что под руку попадалось.)???
-
- Эксперт Гидравлик
- Сообщения: 5583
- Зарегистрирован: 24 окт 2012, 20:41
- Страна, Регион, Область: СССР
- Город: Деревня Малая Малявня
- Откуда: деревня МАЛАЯ МАЛЯВНЯ
- Благодарил (а): 602 раза
- Поблагодарили: 816 раз
Re: Срочно нужна помощь куаси 400/100 Vr20
" Влияет ли отсутствие дросселя 0,75" ------ Отсутствие дросселя самого как такового не влияет. Но это делает систему менее технологичной, клапан - ВР20 будет получать ударчик по голове и ресурс его работы снизится. Штуцер - заглушен. Это плохо. По этому впрыска и нет. Линия управления на закрытие ВР20 закрыта. Давление впрыска уходит через настроенный клапан подпора-противодавления. это Легко проверить, затянуть клапан подпора до упора и впрыск должен появится. Но не будет грузить!!! На счет наследства... Ни кому такого не пожелаю. Но в 41-м было труднее. С днем победы.
-
- Эксперт Гидравлик
- Сообщения: 5583
- Зарегистрирован: 24 окт 2012, 20:41
- Страна, Регион, Область: СССР
- Город: Деревня Малая Малявня
- Откуда: деревня МАЛАЯ МАЛЯВНЯ
- Благодарил (а): 602 раза
- Поблагодарили: 816 раз
Re: Срочно нужна помощь куаси 400/100 Vr20
Опять приврал: На 105 /32 на 170 и 175 ках таких нет.ЗЮМ писал(а):Приврал : На 175-ке такого типа один замок на прижим сопла.( зависит от года выпуска ТПА) На 410-ой 2 замка блочного исполнения. На некоторых схемах - монтажных все маркировки прописаны.( посмотреть пока нет возможности) 10-12.00/0 - впрыск- подпор. 10-11.00/2- прижим сопла. ( по памяти надо проверять)ЗЮМ писал(а):Понимаю вашу проблему, так как когда то. На одном заводе было 4 шт.175-ки и две 410-ки. Работали себе и работали. Слесаря курили себе и курили. Но пришел дотошный и принципиальный НАЛАДЧИК. ( Мои машины не правильно работают!!!). И так как мне больше всех надо, пошел разбираться. Выясняется что на всех четырех 175-ках стоят по паре одинаковых замков 8 штук. Понимаю что быть того не может, функциал то в схеме разный. Пришлось забраться в 410-ки. И там сборная непонятка. Пришлось ехать к друзьям в институт медицинских полимеров. Где как в медицине и положено ДОКУМЕНТАЦИЯ в порядке как в библиотеке имени В И Ленина. Вот там изучая паспорт с медицинским спиртом все и прояснилось. Вернулся нарисовал мармулеточки. Токарь сделал культурно квадратненькие штучки с носиками. Собрали и все на всех машинах восстановили. ( Вот такая Петровка 38 получилась)
-
- Эксперт Гидравлик
- Сообщения: 5583
- Зарегистрирован: 24 окт 2012, 20:41
- Страна, Регион, Область: СССР
- Город: Деревня Малая Малявня
- Откуда: деревня МАЛАЯ МАЛЯВНЯ
- Благодарил (а): 602 раза
- Поблагодарили: 816 раз
Re: Срочно нужна помощь куаси 400/100 Vr20
По поводу резинок и пружинок, Все так поступают. Я как то из шариковой ручки пружинку ставил. Каталог маленький есть. Скину. 

-
- Эксперт Гидравлик
- Сообщения: 5583
- Зарегистрирован: 24 окт 2012, 20:41
- Страна, Регион, Область: СССР
- Город: Деревня Малая Малявня
- Откуда: деревня МАЛАЯ МАЛЯВНЯ
- Благодарил (а): 602 раза
- Поблагодарили: 816 раз
Re: Срочно нужна помощь куаси 400/100 Vr20
! По цифрам размеров пружин, что то не могу сообразить. С
сечением проволоки вроде понятно а вот шаг и общая длина не стыкуется.
сечением проволоки вроде понятно а вот шаг и общая длина не стыкуется.
-
- Сообщения: 68
- Зарегистрирован: 11 апр 2016, 19:06
- Страна, Регион, Область: Россия
- Город: Барнаул
- Благодарил (а): 3 раза
- Поблагодарили: 6 раз
Re: Срочно нужна помощь куаси 400/100 Vr20
По поводу "штуцер закрыт" вы не поняли меня, я его заглушил, т.к вчера поставил клапан с эл. катушкой( тот ,что верхний на вашем листе с 170,спасибо кстати) , а ему соответственно он(штуцер) не нужен, т.к золотник теперь толкает не поток масла с распределителя, а шток эл. катушки.эту катушку запараллелил с впрысковой. Станок сейчас работает норм, а на втором станке работает обычный клапан(тот , что ниже) , но как то хреновенько(малое давление впрыска и замедленная загрузка), про клапоночки понял вас, седла вроде ничего , в самих элементах на конусе есть набой, особенно на том ,что с хоботком, посоветуйте как это устранить на такой крохе?
-
- Эксперт Гидравлик
- Сообщения: 5583
- Зарегистрирован: 24 окт 2012, 20:41
- Страна, Регион, Область: СССР
- Город: Деревня Малая Малявня
- Откуда: деревня МАЛАЯ МАЛЯВНЯ
- Благодарил (а): 602 раза
- Поблагодарили: 816 раз
Re: Срочно нужна помощь куаси 400/100 Vr20
да наверное. как нибудь сравним с оригиналом при случае. Про штуцер я догадался, что сам глушанул. Про мелочь это к тому- кто там блоху подковал? Гравер - инструментальщик обязан справится. На крайняк - ювелир вашего города. Или хороший слесарь: оправочка, притирочка, крутилочка, цангочка, ловкие пальцы. Ну а если все резиночки поменять может и заработает.Дмитрий О писал(а):я так думаю это число витков
-
- Сообщения: 68
- Зарегистрирован: 11 апр 2016, 19:06
- Страна, Регион, Область: Россия
- Город: Барнаул
- Благодарил (а): 3 раза
- Поблагодарили: 6 раз
Re: Срочно нужна помощь куаси 400/100 Vr20
завтра выложу фото всего хозяйства, в плане клапанов, просто все перемешаны и сейчас разобраны, как раз видно все отличия.то что на 2 станке пока трогать не буду, идет заказ, задача заранее собрать 2 вида РАБОЧИХ клапанов впрыск и печь, после чего их проверить в работе, а не так , что хоть как то)) рабочий снял разобрал, собрал- не работает чета ,станок стоит неделю)))Возможно это из за того, что при разборке нарушаешь приработанное положение элементика, вытащил повернул , а он набит уже годами в одном положение.
-
- Сообщения: 68
- Зарегистрирован: 11 апр 2016, 19:06
- Страна, Регион, Область: Россия
- Город: Барнаул
- Благодарил (а): 3 раза
- Поблагодарили: 6 раз
Re: Срочно нужна помощь куаси 400/100 Vr20
да и людям с фото в будущем будет более понятно, что да как
-
- Сообщения: 68
- Зарегистрирован: 11 апр 2016, 19:06
- Страна, Регион, Область: Россия
- Город: Барнаул
- Благодарил (а): 3 раза
- Поблагодарили: 6 раз
Re: Срочно нужна помощь куаси 400/100 Vr20
А еще я к сожалению не помню когда собирал клапан с катушкой, поставил систему из 1ой иглы или из двух,пока возможности снять его нет, но работает он хорошо и четко
-
- Сообщения: 68
- Зарегистрирован: 11 апр 2016, 19:06
- Страна, Регион, Область: Россия
- Город: Барнаул
- Благодарил (а): 3 раза
- Поблагодарили: 6 раз
Re: Срочно нужна помощь куаси 400/100 Vr20
ювелир, гравер, да очень может быть, не сообразил кстати, такова класса слесаря у меня к сожалению нет...
-
- Сообщения: 1584
- Зарегистрирован: 01 окт 2013, 15:06
- Страна, Регион, Область: Россия
- Город: Екатеринбург
- Откуда: Yevlax
- Благодарил (а): 414 раз
- Поблагодарили: 386 раз
Re: Срочно нужна помощь куаси 400/100 Vr20
На 170 У31 и У41 (насос) с одной иглой (отрытый клапан), а У601 (загрузка) с двумя иглами (нормально закрытый клапан). Подача с боку, по этому маленькое отверстие в поршеньке должно быть чистым.Дмитрий О писал(а):А еще я к сожалению не помню когда собирал клапан с катушкой, поставил систему из 1ой иглы или из двух,пока возможности снять его нет, но работает он хорошо и четко
-
- Сообщения: 68
- Зарегистрирован: 11 апр 2016, 19:06
- Страна, Регион, Область: Россия
- Город: Барнаул
- Благодарил (а): 3 раза
- Поблагодарили: 6 раз
Re: Срочно нужна помощь куаси 400/100 Vr20
1)Да все правильно, 10-12.00/0 -впрыск, противодавление, 10-11.00/0-печь, помогла схема 105-32-40 и описание клапанов к ней.
2)Маленькие клапаночки сегодня поправил, возник вопрос по толкателю , если убираешь пружину из под золотника нажимая на сей золотник он опускается на 1.5 мм, то есть приоткрывает 10-11.00/2(тот ,что с хоботом) на 1.5мм, но при установки 10-12.00\0(без хобота как раз короче) хода золотника попросту не хватает, упершись в корпус он только-только доходит до толкателя и получается не приоткрывает клапаночик.
3) передний золотник (с конусом) на части чертежей он без отверстия ,завтра посмотрю на работе на всех ли оно есть(у меня их штук 5-6).
4) отличие в наружных и внутренних корпусах клапана , фото также прилагаю.
2)Маленькие клапаночки сегодня поправил, возник вопрос по толкателю , если убираешь пружину из под золотника нажимая на сей золотник он опускается на 1.5 мм, то есть приоткрывает 10-11.00/2(тот ,что с хоботом) на 1.5мм, но при установки 10-12.00\0(без хобота как раз короче) хода золотника попросту не хватает, упершись в корпус он только-только доходит до толкателя и получается не приоткрывает клапаночик.
3) передний золотник (с конусом) на части чертежей он без отверстия ,завтра посмотрю на работе на всех ли оно есть(у меня их штук 5-6).
4) отличие в наружных и внутренних корпусах клапана , фото также прилагаю.
-
- Эксперт Гидравлик
- Сообщения: 5583
- Зарегистрирован: 24 окт 2012, 20:41
- Страна, Регион, Область: СССР
- Город: Деревня Малая Малявня
- Откуда: деревня МАЛАЯ МАЛЯВНЯ
- Благодарил (а): 602 раза
- Поблагодарили: 816 раз
Re: Срочно нужна помощь куаси 400/100 Vr20
То что толкатель не достает?!. Посмотри стартовый чертеж. Там ведь начинка - ввертные штуцера с седлами разные.По пункту 2) Без хоботочка , его толкатель и не должен приоткрывать, а должен прижимать в момент впрыска.
-
- Сообщения: 1584
- Зарегистрирован: 01 окт 2013, 15:06
- Страна, Регион, Область: Россия
- Город: Екатеринбург
- Откуда: Yevlax
- Благодарил (а): 414 раз
- Поблагодарили: 386 раз
-
- Сообщения: 68
- Зарегистрирован: 11 апр 2016, 19:06
- Страна, Регион, Область: Россия
- Город: Барнаул
- Благодарил (а): 3 раза
- Поблагодарили: 6 раз
Re: Срочно нужна помощь куаси 400/100 Vr20
Мулланур спасибо, по картинке 4, где 2 ввертыша ,что скажите, тоже ведь резинки на одном нема
-
- Сообщения: 68
- Зарегистрирован: 11 апр 2016, 19:06
- Страна, Регион, Область: Россия
- Город: Барнаул
- Благодарил (а): 3 раза
- Поблагодарили: 6 раз
-
- Сообщения: 1584
- Зарегистрирован: 01 окт 2013, 15:06
- Страна, Регион, Область: Россия
- Город: Екатеринбург
- Откуда: Yevlax
- Благодарил (а): 414 раз
- Поблагодарили: 386 раз
Re: Срочно нужна помощь куаси 400/100 Vr20
Здесь на левой половинке тоже нема download/file.php?id=13256&mode=viewДмитрий О писал(а):Мулланур спасибо, по картинке 4, где 2 ввертыша ,что скажите, тоже ведь резинки на одном нема
-
- Сообщения: 68
- Зарегистрирован: 11 апр 2016, 19:06
- Страна, Регион, Область: Россия
- Город: Барнаул
- Благодарил (а): 3 раза
- Поблагодарили: 6 раз
Re: Срочно нужна помощь куаси 400/100 Vr20
Даже сейчас смог проверит , просто пальцем золотник поджал и стал трести клапан, при тряске игла дребезжит, значит шток точно короткий, завтра буду подбирать шток, вообще валялись где то иглы немного длиннее, может хоботки кто то спиливал, мож родные, в общем то какая разница шток будет длиннее или игла.
-
- Сообщения: 68
- Зарегистрирован: 11 апр 2016, 19:06
- Страна, Регион, Область: Россия
- Город: Барнаул
- Благодарил (а): 3 раза
- Поблагодарили: 6 раз
Re: Срочно нужна помощь куаси 400/100 Vr20
с док , вообще какая то жопа, если отмотаете вверх там моя картинка и зюма, все разное, даже читая спецификацию, ориентируясь по резинкам, не знаешь какой верить. спецификацию на 105 искать долго. там опять же отличается, да элементарно обратите внимание на пункт 1.4 в 10.12.00 пружины вообще не должно быть, так, что немцы тоже халтурят
Последний раз редактировалось Дмитрий О 28 апр 2016, 21:06, всего редактировалось 4 раза.
-
- Сообщения: 68
- Зарегистрирован: 11 апр 2016, 19:06
- Страна, Регион, Область: Россия
- Город: Барнаул
- Благодарил (а): 3 раза
- Поблагодарили: 6 раз
Re: Срочно нужна помощь куаси 400/100 Vr20
здесь пойдем методом научного тыка, долго что ли поменять одну на другую.
Кто сейчас на конференции
Сейчас этот форум просматривают: нет зарегистрированных пользователей и 14 гостей