- "Чудеса" случившиеся с вашими дорогими Куаси, Хмельницкими, Одесскими, Белорусскими, Русскими, Немецкими, Китайскими, Итальянскими и даже Американскими машинами.
- Various cases and problems with your IMM: Kuasy from DDR, Soviet-made machines, German, Chinese, American, Italian, Belarusian made machines.
-
Figaro
- Сообщения: 2183
- Зарегистрирован: 27 апр 2013, 02:27
- Страна, Регион, Область: Владимирская обл.
- Город: Владимир
-
Благодарил (а):
772 раза
-
Поблагодарили:
552 раза
#91
Сообщение
Figaro » 30 апр 2016, 00:33
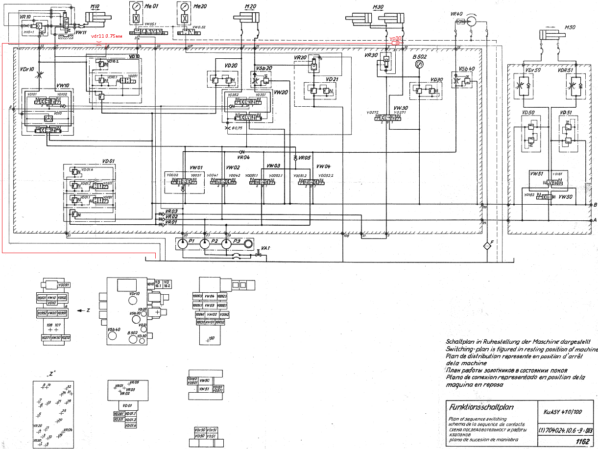
ЗЮМ писал(а):Дмитрий О писал(а):А мне просто покоя не дает тройник VO30,и если даже на новых клапанах( если вы их разберете)увижу резинку, для меня это будет не показатель, я уже говорил , что по моему мнению в vr30 410 резинка будет, а в 400 нет...
Качество, достойное уважения- сам такой. Ни кому не верю, во все дырки нос сую,стараюсь делать все сам. Но с этим тяжеловато жить. Груз большой. заключительные фотки. Последний десертный экземпляр не разбирался со дня падения БЕРЛИНСКОЙ СТЕНЫ.
VR30 с резинкой может быть только если в клапанной плите объединены каналы основного порта (выхода) клапана и слива управляющего поток.
Так сказать "старый" вариант конструкции (если он был).
-
ЗЮМ
- Эксперт Гидравлик
- Сообщения: 5583
- Зарегистрирован: 24 окт 2012, 20:41
- Страна, Регион, Область: СССР
- Город: Деревня Малая Малявня
- Откуда: деревня МАЛАЯ МАЛЯВНЯ
-
Благодарил (а):
602 раза
-
Поблагодарили:
816 раз
#92
Сообщение
ЗЮМ » 30 апр 2016, 00:45
Ну блока у меня в чемоданчике нет, так как весит кг 150.
-
Figaro
- Сообщения: 2183
- Зарегистрирован: 27 апр 2013, 02:27
- Страна, Регион, Область: Владимирская обл.
- Город: Владимир
-
Благодарил (а):
772 раза
-
Поблагодарили:
552 раза
#93
Сообщение
Figaro » 30 апр 2016, 01:04
Просто применение клапана без проточки удешевляет конструкцию - отпадает лишняя механообработка: проточка на корпусе клапана, сверление (и т.д.) каналов в плите...
-
ЗЮМ
- Эксперт Гидравлик
- Сообщения: 5583
- Зарегистрирован: 24 окт 2012, 20:41
- Страна, Регион, Область: СССР
- Город: Деревня Малая Малявня
- Откуда: деревня МАЛАЯ МАЛЯВНЯ
-
Благодарил (а):
602 раза
-
Поблагодарили:
816 раз
#94
Сообщение
ЗЮМ » 30 апр 2016, 01:09
ЗЮМ писал(а):Дмитрий О писал(а):А мне просто покоя не дает тройник VO30,и если даже на новых клапанах( если вы их разберете)увижу резинку, для меня это будет не показатель, я уже говорил , что по моему мнению в vr30 410 резинка будет, а в 400 нет...
Качество, достойное уважения- сам такой. Ни кому не верю, во все дырки нос сую,стараюсь делать все сам. Но с этим тяжеловато жить. Груз большой. заключительные фотки. Последний десертный экземпляр не разбирался со дня падения БЕРЛИНСКОЙ СТЕНЫ.
И при чем тут тройник Vo 30. Логический элемент. При открытии формы мгновенно приходит поток управления на открытие замка и сброса давления с прижима сопла. И при команде отвода сопла через него же управление открывает замок . Не пойму связи и в чем вопрос? На одной схеме 410-ки линии не хватает. Такие копии по всему бывшему СССР.
-
ЗЮМ
- Эксперт Гидравлик
- Сообщения: 5583
- Зарегистрирован: 24 окт 2012, 20:41
- Страна, Регион, Область: СССР
- Город: Деревня Малая Малявня
- Откуда: деревня МАЛАЯ МАЛЯВНЯ
-
Благодарил (а):
602 раза
-
Поблагодарили:
816 раз
#95
Сообщение
ЗЮМ » 30 апр 2016, 01:15
Figaro писал(а):Просто применение клапана без проточки удешевляет конструкцию - отпадает лишняя механообработка: проточка на корпусе клапана, сверление (и т.д.) каналов в плите...
Мои клапана из чемоданчика можно сказать последние телодвижения немцев на закате КУАСИ. Наоборот , мое мнение это повышает стабильность работы замка вот и все. Да и не вижу смысла это выяснять. ЗАМОК должен открываться и закрываться при помощи ключа. А без ключа нет.
-
Figaro
- Сообщения: 2183
- Зарегистрирован: 27 апр 2013, 02:27
- Страна, Регион, Область: Владимирская обл.
- Город: Владимир
-
Благодарил (а):
772 раза
-
Поблагодарили:
552 раза
#96
Сообщение
Figaro » 30 апр 2016, 01:25
ЗЮМ писал(а):ЗАМОК должен
Что-то непохоже на замок - редуктор противодавления "печьки" подключается при срабатывании VR30... Защита сопла/гнезда пресс-формы от мех. повреждения?
-
ЗЮМ
- Эксперт Гидравлик
- Сообщения: 5583
- Зарегистрирован: 24 окт 2012, 20:41
- Страна, Регион, Область: СССР
- Город: Деревня Малая Малявня
- Откуда: деревня МАЛАЯ МАЛЯВНЯ
-
Благодарил (а):
602 раза
-
Поблагодарили:
816 раз
#97
Сообщение
ЗЮМ » 30 апр 2016, 01:33
Дмитрий О писал(а):вот еще идея, но сообразить не могу, давайте коллективно- отличие 410(на чертеже к нему 2 резинки и там и там) от 400 в наличие у 400го клапана v030(при открытой прессформе печь не сдвинется),как раз такой же стоит на 105,170( одна резинка и 2)даю 2 схемы 410 и 400( это схема именно моего станка(качать ее не надо), поэтому некоторых узлов нет, но нам они не важны), может в этом дело.
Вот еще упоминание Vo 30 ( печь не сдвинется с открытой формой) Куда не сдвинется? Я не понял. Назначение Vo 30 что на 410-ке, что на 400-ке, что на 170ке и тд. одно и то же. И влиять на внутренне устройство замка влиять не может. Тем более на две резинки или одну. У магистрали Vo30 путь заканчивается на поршне управления замком.
-
ЗЮМ
- Эксперт Гидравлик
- Сообщения: 5583
- Зарегистрирован: 24 окт 2012, 20:41
- Страна, Регион, Область: СССР
- Город: Деревня Малая Малявня
- Откуда: деревня МАЛАЯ МАЛЯВНЯ
-
Благодарил (а):
602 раза
-
Поблагодарили:
816 раз
#98
Сообщение
ЗЮМ » 30 апр 2016, 01:37
Figaro писал(а):ЗЮМ писал(а):ЗАМОК должен
Что-то непохоже на замок - редуктор противодавления "печьки" подключается при срабатывании VR30... Защита сопла/гнезда пресс-формы от мех. повреждения?
ЛЕВА, пойдем ка курнем, да спать.

-
Figaro
- Сообщения: 2183
- Зарегистрирован: 27 апр 2013, 02:27
- Страна, Регион, Область: Владимирская обл.
- Город: Владимир
-
Благодарил (а):
772 раза
-
Поблагодарили:
552 раза
#99
Сообщение
Figaro » 30 апр 2016, 01:40
ЗЮМ писал(а):ЛЕВА, пойдем ка курнем, да спать.

Пошли :) Спокойной ночи!
-
Дмитрий О
- Сообщения: 68
- Зарегистрирован: 11 апр 2016, 19:06
- Страна, Регион, Область: Россия
- Город: Барнаул
-
Благодарил (а):
3 раза
-
Поблагодарили:
6 раз
#100
Сообщение
Дмитрий О » 30 апр 2016, 08:57
По поводу ,что печь не сдвинется, это защита от дурака,пока прессформа находится в открытом положение по команде печь не поедет в направление сопла,что бы не выломать половинку прессформы, той ,что на неподвижной плите. схема есть именно к 400му скачал тоже на это сайте.
-
Вложения
-

-

-

-

-
Мулланур
- Сообщения: 1584
- Зарегистрирован: 01 окт 2013, 15:06
- Страна, Регион, Область: Россия
- Город: Екатеринбург
- Откуда: Yevlax
-
Благодарил (а):
414 раз
-
Поблагодарили:
386 раз
#101
Сообщение
Мулланур » 30 апр 2016, 13:10
Честно, фоторепортаж из чемоданчика не убедил, нет уверенности эти клапана первый раз разбираются, да если именно с работающей машины были сняты и развернуты, тогда согласился бы. Пока остаюсь при своем мнении.
Не помню чтобы Трузиома что то лишнего оставляла.
Клапан "ИЛИ" VO30 это отдельный элемент гидроаппаратуры, хоть габариты небольшие. открывает клапан VR30.
"ИЛИ" при отводе сопла (узла впрыска), по вашему "Печь".
"ИЛИ" при размыкании пресс формы сбрасывает давление прижима узла впрыска.
Очень плохо что вы в машине убрали узел гидравлической защиты, рассчитывать на электронную и электрическую защиты без реальной механики есть опасность получения травм.
-
ЗЮМ
- Эксперт Гидравлик
- Сообщения: 5583
- Зарегистрирован: 24 окт 2012, 20:41
- Страна, Регион, Область: СССР
- Город: Деревня Малая Малявня
- Откуда: деревня МАЛАЯ МАЛЯВНЯ
-
Благодарил (а):
602 раза
-
Поблагодарили:
816 раз
#102
Сообщение
ЗЮМ » 30 апр 2016, 18:29
Убедил , не убедил. Мне как то все равно. Это все пройдено на практике и через сотни машин. И всегда был результат. Даже если не было оригинальных запчастей, всегда можно применить модернизацию. Установить замки трубного исполнения. Даже от экскаватора ставили. Была бы база , понимание вопроса. желание и финансирование. С людьми страдающими дефицитом доверия трудно работать

НУ вот и убираю чемоданчик ... подальше положишь, поближе возьмешь.
-
Figaro
- Сообщения: 2183
- Зарегистрирован: 27 апр 2013, 02:27
- Страна, Регион, Область: Владимирская обл.
- Город: Владимир
-
Благодарил (а):
772 раза
-
Поблагодарили:
552 раза
#103
Сообщение
Figaro » 30 апр 2016, 18:57
ЗЮМ писал(а): С людьми страдающими дефицитом доверия трудно работать
Это точно.
-
Figaro
- Сообщения: 2183
- Зарегистрирован: 27 апр 2013, 02:27
- Страна, Регион, Область: Владимирская обл.
- Город: Владимир
-
Благодарил (а):
772 раза
-
Поблагодарили:
552 раза
#104
Сообщение
Figaro » 30 апр 2016, 19:04
Мулланур писал(а):
Очень плохо что вы в машине убрали узел гидравлической защиты, рассчитывать на электронную и электрическую защиты без реальной механики есть опасность получения травм.
Опасность и в механике/гидравлике есть - если не отрегулировать толкатель гидравлического концевого выключателя - то защита не сработает.
Всего 1 мм - и аут...
-
Дмитрий О
- Сообщения: 68
- Зарегистрирован: 11 апр 2016, 19:06
- Страна, Регион, Область: Россия
- Город: Барнаул
-
Благодарил (а):
3 раза
-
Поблагодарили:
6 раз
#105
Сообщение
Дмитрий О » 30 апр 2016, 19:05
Мужики, давайте завязывать спорить, ну проверю отпишусь
-
ЗЮМ
- Эксперт Гидравлик
- Сообщения: 5583
- Зарегистрирован: 24 окт 2012, 20:41
- Страна, Регион, Область: СССР
- Город: Деревня Малая Малявня
- Откуда: деревня МАЛАЯ МАЛЯВНЯ
-
Благодарил (а):
602 раза
-
Поблагодарили:
816 раз
#106
Сообщение
ЗЮМ » 30 апр 2016, 19:06
Figaro писал(а):ЗЮМ писал(а): С людьми страдающими дефицитом доверия трудно работать
Это точно.
Не понял я совсем...ЗАЧЕМ я доставал свой чемоданчик

??? В Барнаул не полечу-самолетов боюсь. Да вдруг по дороге чемоданчик сопрут

-
ЗЮМ
- Эксперт Гидравлик
- Сообщения: 5583
- Зарегистрирован: 24 окт 2012, 20:41
- Страна, Регион, Область: СССР
- Город: Деревня Малая Малявня
- Откуда: деревня МАЛАЯ МАЛЯВНЯ
-
Благодарил (а):
602 раза
-
Поблагодарили:
816 раз
#107
Сообщение
ЗЮМ » 30 апр 2016, 19:08
Дмитрий О писал(а):Мужики, давайте завязывать спорить, ну проверю отпишусь
Я согласен.

-
Дмитрий О
- Сообщения: 68
- Зарегистрирован: 11 апр 2016, 19:06
- Страна, Регион, Область: Россия
- Город: Барнаул
-
Благодарил (а):
3 раза
-
Поблагодарили:
6 раз
#108
Сообщение
Дмитрий О » 30 апр 2016, 19:21
По защитам ,я лично ничего не убирал, как и говорил раньше - наследие, vo30 стоит , но из за неправильной начинки vr30 сейчас не работает, ну вот сам представь на хмельницком 1000ке противодавление сделано за счет отвода 1 из 4 шлангов полости впрыска в бак, на шланге на этом поставили кран( водяной с ближайшей помойки), так и работает, получается и при впрыске сливает, но часть масла, для массы наших деталей хватает и при противодавлении.(долгая загрузка, видать из за малого сечения шланга), сейчас мне им заниматься некогда, также на это чюдо техники стоит не НАП, или какой там должен не помню+ 2ой бг литров по 70, а один 50 литровый одопоточный бг,ну также клапана , распределители, и другое я вообще молчу.вот такие пироги с котенками..
-
ЗЮМ
- Эксперт Гидравлик
- Сообщения: 5583
- Зарегистрирован: 24 окт 2012, 20:41
- Страна, Регион, Область: СССР
- Город: Деревня Малая Малявня
- Откуда: деревня МАЛАЯ МАЛЯВНЯ
-
Благодарил (а):
602 раза
-
Поблагодарили:
816 раз
#109
Сообщение
ЗЮМ » 30 апр 2016, 19:32
Да уж. Это все цветочки а ягодки все еще впереди. Но это не так уж и плохо. Главное есть интересная работа. дА если рядом с домом это вообще счастье. насчет защит. Вот возьмем сто машин... зуб даю дай бог если на одной присутствуют все четыре степени защиты безопасности не считая защиты формы. ( Пробег машин условно 5 лет)
-
Figaro
- Сообщения: 2183
- Зарегистрирован: 27 апр 2013, 02:27
- Страна, Регион, Область: Владимирская обл.
- Город: Владимир
-
Благодарил (а):
772 раза
-
Поблагодарили:
552 раза
#110
Сообщение
Figaro » 30 апр 2016, 19:49
Скоро "современное европейское" оборудование в ремонт пойдёт...
-
Дмитрий О
- Сообщения: 68
- Зарегистрирован: 11 апр 2016, 19:06
- Страна, Регион, Область: Россия
- Город: Барнаул
-
Благодарил (а):
3 раза
-
Поблагодарили:
6 раз
#111
Сообщение
Дмитрий О » 30 апр 2016, 19:53
ЭТ точно ЗЮМ, единственный станок который в норм. сост.(в плане защит, смазки) у меня это 105 -32 ср2,и то на нем сломалась плата отвечающая за пропорциональник потока(скорость), на пока поставил обычную катушку закрутив в неё регулировачный винт, соответственно скорость отдельно по декадникам, для определенного процесса не регулируется ,а работает по общей, заданной винтом...особо проблем нет, подрегулировав можно найти оптимальный режим работы , благо давление регулируется раздельно...
-
Дмитрий О
- Сообщения: 68
- Зарегистрирован: 11 апр 2016, 19:06
- Страна, Регион, Область: Россия
- Город: Барнаул
-
Благодарил (а):
3 раза
-
Поблагодарили:
6 раз
#112
Сообщение
Дмитрий О » 30 апр 2016, 20:28
Про современное не знаю ,я так понимаю основное разграбление, разбирание на части, потери документов, происходило в 90Х, когда не было именно "Хозяина"( вот эти плоды и пожимаются сейчас) , сейчас большинство современных частников, зубами разорвут, того кто позарится на их добро, люди попросту стали ценить вещи , из за их нынешней стоимости.В ремонт то оно пойдет точно, но я думаю это будет уже замена изношенных деталей,а не поиск того, что и где стояло изначально.
Но это опять же сугубо мое мнение...
-
Мулланур
- Сообщения: 1584
- Зарегистрирован: 01 окт 2013, 15:06
- Страна, Регион, Область: Россия
- Город: Екатеринбург
- Откуда: Yevlax
-
Благодарил (а):
414 раз
-
Поблагодарили:
386 раз
#113
Сообщение
Мулланур » 30 апр 2016, 22:00
ЗЮМ писал(а):Убедил , не убедил. Мне как то все равно. Это все пройдено на практике и через сотни машин. И всегда был результат. Даже если не было оригинальных запчастей, всегда можно применить модернизацию. Установить замки трубного исполнения. Даже от экскаватора ставили. Была бы база , понимание вопроса. желание и финансирование. С людьми страдающими дефицитом доверия трудно работать

НУ вот и убираю чемоданчик ... подальше положишь, поближе возьмешь.
ЗЮМ писал(а):Figaro писал(а):
Это точно.
Не понял я совсем...ЗАЧЕМ я доставал свой чемоданчик

??? В Барнаул не полечу-самолетов боюсь. Да вдруг по дороге чемоданчик сопрут

Чемодан достали не зря, хотя бы для того чтобы разложить другой чемодан у коллеги который меньше ориентируется в Барнауле на полки по многим позициям, а может и на все. И реальные эксперименты поставят точку в этой теме.

Михаил, ждем теперь пожалуйста ответа.
Лев, полезность ваших текстов в данной теме Вы как сами оцениваете? (можете не отвечать, тем самым не засорять тему)
-
ЗЮМ
- Эксперт Гидравлик
- Сообщения: 5583
- Зарегистрирован: 24 окт 2012, 20:41
- Страна, Регион, Область: СССР
- Город: Деревня Малая Малявня
- Откуда: деревня МАЛАЯ МАЛЯВНЯ
-
Благодарил (а):
602 раза
-
Поблагодарили:
816 раз
#114
Сообщение
ЗЮМ » 30 апр 2016, 22:52
ПОЖЕЛАНИЕ СОВЕТ:Не менее важную роль для безукоризненной работы гидрозамков. В нашем случае на работу прижима и сброса давления сопла-"печки" играет демпфер Vdr11 -0.75мм и тройник с челночным клапаном-(логический элемент) если в тройном штуцере разбиты на элепс- нарушена геометрия седел и они утратили герметичность. А демпфер засорен. ВР30 будет работать плохо ( зависать, отказываться открываться и т.д.) Прежде чем ставить эксперименты необходимо убедится что там все в порядке. С ВР 20 проще, там меньше помех. Заменить все РТИ. С натягом 0,4 -0,5 мм на сторону. Имейте в виду Российский гост колец не на все канавки подходит. Придется извращаться комбинировать. Даже если все будет собрано верно. Не правильное кольцо приведет к сбою работы клапана. И эксперименты и ложные телодвижения могут затянутся.
-
Дмитрий О
- Сообщения: 68
- Зарегистрирован: 11 апр 2016, 19:06
- Страна, Регион, Область: Россия
- Город: Барнаул
-
Благодарил (а):
3 раза
-
Поблагодарили:
6 раз
#115
Сообщение
Дмитрий О » 04 май 2016, 17:55
Сегодня удалось проверить наш собранный вр20 все работает отлично как мы и предполагали. Вр 30 при следующей остановки станка..с полным отчетом.
-
Дмитрий О
- Сообщения: 68
- Зарегистрирован: 11 апр 2016, 19:06
- Страна, Регион, Область: Россия
- Город: Барнаул
-
Благодарил (а):
3 раза
-
Поблагодарили:
6 раз
#116
Сообщение
Дмитрий О » 05 май 2016, 17:50
ИТОГ
Ну вот и удалось установить и проверить оба клапана, сразу скажу оба соответствуют чертежу ниже- 10-12.00/0(ВР20) для впрыскового и 10-11.00/2(ВР30) для печи.
Для клапана ВР20 установил иглу с хоботом как на картинке,при этом все работает на ура, иглу такой же длины(10мм) без хобота(возможно просто отломан) не проверял,но думаю так же должна работать.
Клапан вр30- 2 иглы, мужики здесь я напутал со злополучным VO30(Да он работает так же как и на 105-32sr2, его задача-разгрузить давление поджима(открыть замок на слив) при открытие прессформы, что бы не выдавило часть прессформы та , что с соплом, но помимо этого на 105 -32sr2 есть и электронная защита при которой печь не подходит к соплу если прессформа не закрыта, здесь я и напутал. Ввертыш вр30го стоит без проточки, а с 2 уплотнительными кольцами, как на чертеже и как на вр20,
Так же разобрался со схемой 410, отсутствие VO30 это ошибка в подтверждение даю схему трубопроводов из этой же книге, vo 30 и дроссель там есть, так,что смело дополняю им схему.
-
Вложения
-

-

-

-

-

-
Дмитрий О
- Сообщения: 68
- Зарегистрирован: 11 апр 2016, 19:06
- Страна, Регион, Область: Россия
- Город: Барнаул
-
Благодарил (а):
3 раза
-
Поблагодарили:
6 раз
#117
Сообщение
Дмитрий О » 05 май 2016, 17:52
Всем большое спасибо за помощь, приятно с вами работать.
-
Мулланур
- Сообщения: 1584
- Зарегистрирован: 01 окт 2013, 15:06
- Страна, Регион, Область: Россия
- Город: Екатеринбург
- Откуда: Yevlax
-
Благодарил (а):
414 раз
-
Поблагодарили:
386 раз
#118
Сообщение
Мулланур » 05 май 2016, 18:56
Дмитрий О писал(а):... Ввертыш вр30го стоит без проточки, а с 2 уплотнительными кольцами, как на чертеже и как на вр20...
Я правильно понял, что для ВР20 и ВР30 вы использовали одинаковый корпус управления клапаном "ввертыш" с двумя резиновыми уплотнениями"?
-
Вложения
-

-
ЗЮМ
- Эксперт Гидравлик
- Сообщения: 5583
- Зарегистрирован: 24 окт 2012, 20:41
- Страна, Регион, Область: СССР
- Город: Деревня Малая Малявня
- Откуда: деревня МАЛАЯ МАЛЯВНЯ
-
Благодарил (а):
602 раза
-
Поблагодарили:
816 раз
#119
Сообщение
ЗЮМ » 05 май 2016, 23:00
Главная интрига выше на фото. Александру покоя не дает. Я в такой ситуации поступаю так: 2)Либо собираю два варианта и обкатываю. 1)Либо беру фонарик штангенциркуль и заглядываю в блок. Если между двумя уплотнениями есть канал Резинка и канавка вторая должны быть. Если канала нет то и смысла в таком корпусе нет. Это если не вдаваться в высшие материи и надо срочно сдать машину в работу. То что на схеме изображено часто и почти всегда не соответствует реалиям. Нужна монтажная схема. На которой каждая пробка и каждый закоулок обозначены. Так что ИНТРИГА думаю для вас сохранится. И ради нашего любопытства повторять эксперимент автор темы думаю не станет.
- За это сообщение автора ЗЮМ поблагодарил:
- Figaro
-
ЗЮМ
- Эксперт Гидравлик
- Сообщения: 5583
- Зарегистрирован: 24 окт 2012, 20:41
- Страна, Регион, Область: СССР
- Город: Деревня Малая Малявня
- Откуда: деревня МАЛАЯ МАЛЯВНЯ
-
Благодарил (а):
602 раза
-
Поблагодарили:
816 раз
#120
Сообщение
ЗЮМ » 05 май 2016, 23:48
Есть еще один нюанс или скорее мораль: Масло в ВР20 входит и движется в одном направлении приход в бок. Либо путь потоку закрыт. Либо открыт. В ВР30 динамика другая и это понятно. Масло движется в обеих направлениях. При команде, механизм впрыска подвести, жидкость приходит в торец клапана торец поршня и по малому каналу на открытие иглы с хоботком что бы четко позволить поршню открыться. После прижима сопла и снятия команды давление удерживаемое приходит в бок и на демпфер. Это я к чему? Да все к тому что две канавки и два уплотнения должны быть. И судить о принципе работы клапана по не корректно и не полностью изображенной схеме не корректно. На старой схеме выше ВР20 вообще не правильно прописан графически. Гидравлика как и аптека любит точность. Спор продолжается?! Золотое правило не оставлять вопросов и сводить их к минимуму для того что бы к ним вернуться и добить.
Кто сейчас на конференции
Сейчас этот форум просматривают: нет зарегистрированных пользователей и 15 гостей