Экономическая эффективность ввода мела в ПЭ
-
flex
- Сообщения: 20
- Зарегистрирован: 17 дек 2012, 21:49
- Страна, Регион, Область: Россия
- Город: Ростов-на-Дону
- Благодарил (а): 0
- Поблагодарили: 0
Re: Экономическая эффективность ввода мела в ПЭ
Согласен можно уменьшить толщину работая на чистом сырье, но вес тоже уменьшится. А тут вес такой-же поменялась только толщина.
Мы знаем мел бывает разный. Применяется разное сырье , разный мел как это все перемешивается и готовится и т.д.
По таблицам мы видим .Что бы получить хорошую прибыль у мела должна быть низкая цена, низкая плотность, и высокий процент добавления. Таблица буду перепроверять. Пока остановился на этом расчете. Распишу все вычисления в письменном виде, возможно и ошибки присутствуют, буду рад за помощь.
Мы знаем мел бывает разный. Применяется разное сырье , разный мел как это все перемешивается и готовится и т.д.
По таблицам мы видим .Что бы получить хорошую прибыль у мела должна быть низкая цена, низкая плотность, и высокий процент добавления. Таблица буду перепроверять. Пока остановился на этом расчете. Распишу все вычисления в письменном виде, возможно и ошибки присутствуют, буду рад за помощь.
-
леха
- Старпом
- Сообщения: 6234
- Зарегистрирован: 18 авг 2010, 13:46
- Страна, Регион, Область: Россия
- Город: невест
- Откуда: Россия
- Благодарил (а): 2043 раза
- Поблагодарили: 1221 раз
Re: Экономическая эффективность ввода мела в ПЭ
Извините ,толщину уменьшать нельзя ,оперировать только ценой V .
Например плёнку 25мкм сложнее ориентировать чем более тонкую и увеличить прочность можно снижением толщины ,но продавать более прочную и тонкую вместо 25мкм обман хоть с мелом хоть без .
Например плёнку 25мкм сложнее ориентировать чем более тонкую и увеличить прочность можно снижением толщины ,но продавать более прочную и тонкую вместо 25мкм обман хоть с мелом хоть без .
Спасибо деду за Победу!
-
леха
- Старпом
- Сообщения: 6234
- Зарегистрирован: 18 авг 2010, 13:46
- Страна, Регион, Область: Россия
- Город: невест
- Откуда: Россия
- Благодарил (а): 2043 раза
- Поблагодарили: 1221 раз
Re: Экономическая эффективность ввода мела в ПЭ
Антон спасибо за формулу ,казалось слишком простой ,но работает же!! (обязательно проверю на компе )
Не хочу антирекламой заниматся ,но теперь легко оценить что почём и не уити в минус ! Спасибо!!!
Не хочу антирекламой заниматся ,но теперь легко оценить что почём и не уити в минус ! Спасибо!!!
Спасибо деду за Победу!
-
поликом
- Сообщения: 6
- Зарегистрирован: 01 сен 2013, 00:40
- Страна, Регион, Область: Московская область
- Город: Серпухов
- Благодарил (а): 0
- Поблагодарили: 0
Re: Экономическая эффективность ввода мела в ПЭ
Господа!!! Я дико извиняюсь !!! Произвожу гранулу- не конеч.продукт......но...наполняю чем попало минеральным 30-40%- речь про олефины....причем у талька плотность очень сильно выше чем у обсуждаемой проблемы......гранула зараза такая не тонет....стандартный брусок/весло не тонет... Плотность- стандартый лаб.брусок(ДШВ=V)....реторда с делениями=V воды...дальше Архимед...=1.06......1.19(у гидрооксида,тяжёлый гад)...на фоне Ваших расчетов кажусь сам себе Коперфилдом. С Уважением.
- Shadow
- Сообщения: 2953
- Зарегистрирован: 12 мар 2009, 12:53
- Страна, Регион, Область: Россия
- Город: Томск
- Откуда: Tomsk
- Благодарил (а): 245 раз
- Поблагодарили: 644 раза
- Контактная информация:
Re: Экономическая эффективность ввода мела в ПЭ
Поликом, вас очень сложно читать и понимать. Что вы наполняете и какая плотность у вас получается? Давайте цифры в студию будет вместе разбираться
-
stup_mened
- Сообщения: 391
- Зарегистрирован: 19 дек 2011, 12:20
- Страна, Регион, Область: Россия
- Город: Москва
- Благодарил (а): 74 раза
- Поблагодарили: 67 раз
Re: Экономическая эффективность ввода мела в ПЭ
Для понимания Поликома надо посмотреть время и дату его поста.
-
поликом
- Сообщения: 6
- Зарегистрирован: 01 сен 2013, 00:40
- Страна, Регион, Область: Московская область
- Город: Серпухов
- Благодарил (а): 0
- Поблагодарили: 0
Re: Экономическая эффективность ввода мела в ПЭ
Спать необходимо когда пожелает организм, а не так как предписывает общественное мнение,природа - господа ЭКСПЕРТЫ. За скрытую попытку уничижения и иронии Я Вас извиняю.Судя по Вашим советам Вы очень далеки от производственной и лабораторной базы, о практическом опыте даже не говорю-максимум институтская лаборатория и производственная практика.Любой практик понял о чем я написал и поделился . С уважением.P/S. Не получится у Вас впереди арифметика а после химические процессы все-таки очень сложная наука-химия и не всегда подчиняется логике.Еще раз с Уважением.
- Shadow
- Сообщения: 2953
- Зарегистрирован: 12 мар 2009, 12:53
- Страна, Регион, Область: Россия
- Город: Томск
- Откуда: Tomsk
- Благодарил (а): 245 раз
- Поблагодарили: 644 раза
- Контактная информация:
Re: Экономическая эффективность ввода мела в ПЭ
Да у вас товарищ ЧСВ больше 9000( для справки: http://lurkmore.to/%D0%A7%D0%A1%D0%92 )
Можете по теме ответить конкретными цифрами?
Можете по теме ответить конкретными цифрами?
-
stup_mened
- Сообщения: 391
- Зарегистрирован: 19 дек 2011, 12:20
- Страна, Регион, Область: Россия
- Город: Москва
- Благодарил (а): 74 раза
- Поблагодарили: 67 раз
Re: Экономическая эффективность ввода мела в ПЭ
Поликом, да не было задачи Вас обидеть.
Возникло впечатление, что Вы тему читали не сначала и не внимательно.
Там черным по голубому написано, как на практике были получены результаты, которые можно было бы предположить еще из теории, избежав траты денег и люлей начальства. Математику начали выводить уже после, причем принимали участие практики с обоих сторон баррикады.
В общем тема видится разжеванной тщательно.
Если у Вас есть какая-то тайна, как наполнить олефин гидроксидом талька и чтобы не тонул, может просветите? Желательно со взаимоувязанными цифрами.
Возникло впечатление, что Вы тему читали не сначала и не внимательно.
Там черным по голубому написано, как на практике были получены результаты, которые можно было бы предположить еще из теории, избежав траты денег и люлей начальства. Математику начали выводить уже после, причем принимали участие практики с обоих сторон баррикады.
В общем тема видится разжеванной тщательно.
Если у Вас есть какая-то тайна, как наполнить олефин гидроксидом талька и чтобы не тонул, может просветите? Желательно со взаимоувязанными цифрами.
- NIC
- Сообщения: 300
- Зарегистрирован: 27 май 2007, 17:50
- Откуда: Москва
- Благодарил (а): 0
- Поблагодарили: 24 раза
Re: Экономическая эффективность ввода мела в ПЭ
интересная тема в расчетах можно легко ошибиться если не обратить внимания на тонкости)
мои рассуждения следующие
считать можно только в одних единицах я считаю в объеме
продукция у меня кубики объемом 10 см3 (мл) и продаю я их поштучно
так исходные данные 100 г ПЭ с плотностью 0,9 г/см3
и 100 г мела с плотностью 1,8 г/см3
обьем ПЭ 111 см3 (мл) 100/0,9=111
объем мела 55 см3 (мл)100/1,8 = 55
следовательно из 100г ПЭ я получу 11 кубиков, а из 100 г мела я получу 5 кубиков
теперь цена )
ПЭ мне стоил 60р
а мел 35 р
цена кубика из полиэтилена 60/11= 5,45 р
цена кубика из мела 35/5= 7 р
следовательно мой кубик с добавленим мела дорожает.
и мел дороже 15 р я не куплю и добавки меловые дороже 27р буду рассматривать как удешивитель не буду
теперь по плотность
если смешать 100 г ПЭ и 100 г мела того 200 г смеси и её обьем 111+55= 166 см3 получаем 200/ 166= 1.2 г/см3
мои рассуждения следующие
считать можно только в одних единицах я считаю в объеме
продукция у меня кубики объемом 10 см3 (мл) и продаю я их поштучно
так исходные данные 100 г ПЭ с плотностью 0,9 г/см3
и 100 г мела с плотностью 1,8 г/см3
обьем ПЭ 111 см3 (мл) 100/0,9=111
объем мела 55 см3 (мл)100/1,8 = 55
следовательно из 100г ПЭ я получу 11 кубиков, а из 100 г мела я получу 5 кубиков
теперь цена )
ПЭ мне стоил 60р
а мел 35 р
цена кубика из полиэтилена 60/11= 5,45 р
цена кубика из мела 35/5= 7 р
следовательно мой кубик с добавленим мела дорожает.
теперь по плотность
если смешать 100 г ПЭ и 100 г мела того 200 г смеси и её обьем 111+55= 166 см3 получаем 200/ 166= 1.2 г/см3
- NIC
- Сообщения: 300
- Зарегистрирован: 27 май 2007, 17:50
- Откуда: Москва
- Благодарил (а): 0
- Поблагодарили: 24 раза
Re: Экономическая эффективность ввода мела в ПЭ
[*]"Меловая добавка - 40% плотность - 1,85г/см3
ПНД - 60% плотность (средн) - 0,95г/см3
Итого имеем - среднюю плотность полученной смеси - 1,31г/см3"[*]
так рассчитывать нельзя так как 100 г смеси не соответсвует 100 см3 обьема
100 г этой смеси будет иметь обьем 84 см3 и следовательно плотность будет 1,19
Поликом продает добавку с нанокальцидом за 65 р (Спецификация у них на сайте кому интересно) плотностью 1,1 и пишет, что снижает собестоимость исходя из рассуждений выше утверждение о снижении стоимости изделия (оно имеет обьем и продается по количеству а не массе) сомнительно!
ПНД - 60% плотность (средн) - 0,95г/см3
Итого имеем - среднюю плотность полученной смеси - 1,31г/см3"[*]
так рассчитывать нельзя так как 100 г смеси не соответсвует 100 см3 обьема
100 г этой смеси будет иметь обьем 84 см3 и следовательно плотность будет 1,19
Поликом продает добавку с нанокальцидом за 65 р (Спецификация у них на сайте кому интересно) плотностью 1,1 и пишет, что снижает собестоимость исходя из рассуждений выше утверждение о снижении стоимости изделия (оно имеет обьем и продается по количеству а не массе) сомнительно!
-
леха
- Старпом
- Сообщения: 6234
- Зарегистрирован: 18 авг 2010, 13:46
- Страна, Регион, Область: Россия
- Город: невест
- Откуда: Россия
- Благодарил (а): 2043 раза
- Поблагодарили: 1221 раз
Re: Экономическая эффективность ввода мела в ПЭ
Пытался высчитать плотность стеарат кальция в добавке CH801, um-rzn.ru/?mode=product&product_id=373717801 плотность которой 1,61 .Состав:80% CaCO3;15%LL;5%стеарат кальция.
Получается у меня что плотность стеарата кальция 0,33,но как бы его плотность должна быть больше единицы. Или мел там какой то...,или не 1,61 плотность добавки или высчитываю не правильно ...Как считаете ?
Получается у меня что плотность стеарата кальция 0,33,но как бы его плотность должна быть больше единицы. Или мел там какой то...,или не 1,61 плотность добавки или высчитываю не правильно ...Как считаете ?
Спасибо деду за Победу!
- Maks42old
- Сообщения: 12562
- Зарегистрирован: 19 окт 2009, 11:40
- Страна, Регион, Область: Узбекистан
- Город: Ташкент
- Откуда: Калинин
- Благодарил (а): 2877 раз
- Поблагодарили: 3243 раза
- Контактная информация:
Re: Экономическая эффективность ввода мела в ПЭ
Вероятно ошибка в плотности, не 1610 кг/м3, а 1810 кг/м3.
-
SeiRioS
- Сообщения: 196
- Зарегистрирован: 09 июл 2010, 09:34
- Откуда: Казань
- Благодарил (а): 0
- Поблагодарили: 0
Re: Экономическая эффективность ввода мела в ПЭ
Плотность величина не аддитивная. Если взять ПЭВД и ПЭНД, то это полимер кристализующийся поэтому плотность его упаковки достаточно велика, при вводе мела процент кристалической фазы уменьшится -следовательно упадет плотность упаковки и появится в надмолекулярных структурах дополнительный свободный объем, что ведем к понижению плотности. Теоритически если мы имеем смесь ПЭ плотностью 0.92 (70%) и наполнителя 2.20 (30%), то аддитивная плотность должна быть 1.304. Реальная плотность будет ниже этой . Учитывая данные, полученные на более сложным смесях полиолефинов, примерны "КПД" аддитивности мела =80%. т.е. плотность такой смеси будет 0.92*0.7+2.2*0.3*0.8=1.172. Повторюсь на простой смеси ПЭ+ мел я опыты не ставил, так что данные даны как общеинформационные.
-
леха
- Старпом
- Сообщения: 6234
- Зарегистрирован: 18 авг 2010, 13:46
- Страна, Регион, Область: Россия
- Город: невест
- Откуда: Россия
- Благодарил (а): 2043 раза
- Поблагодарили: 1221 раз
Re: Экономическая эффективность ввода мела в ПЭ
Расчет плотности с результатом 1,304 не верен ,расчетная плотность 1,1145374 . 80% аддитивности вероятно притянута за уши - имея разницу в неправильно расчитанной плотностью и её замером придумали коэффициент аддитивности .
Спасибо деду за Победу!
-
SBM
- Сообщения: 385
- Зарегистрирован: 20 июн 2009, 23:08
- Страна, Регион, Область: Ukraine
- Город: ....
- Благодарил (а): 0
- Поблагодарили: 4 раза
Re: Экономическая эффективность ввода мела в ПЭ
При введении любого наполнителя в полимер образуется пограничный слой не полного прилягания расплава к частице наполнителя. Из за этого образуется полости уменьшающие теоретическую плотность. Особенно занижаю плотность ориентационные процессы - например раздув рукава.
При полимера содержащего частицы, вокруг нее образуется полость, которая тоже снижает кажущуюся плотность. Кроме того поверхность композита не является идеально гладкой и если в расчет плотности принимают геометрические измерения, то это вносит погрешность, как раз в сторону уменьшения плотности.
По поводу влияния мела на кристаллизацию, то влияние это как правило нуклеирующее, приводящее к увеличению плотности. Но с другой стороны, введение мела, приводит к увеличению теплопроводности расплава, что имеет разностороннее влияние на плотность...
Кальцит используемый при производстве меловой добавки всегда содержит влагу и при производстве добавки и при ее применении всегда газит в расплав.
При полимера содержащего частицы, вокруг нее образуется полость, которая тоже снижает кажущуюся плотность. Кроме того поверхность композита не является идеально гладкой и если в расчет плотности принимают геометрические измерения, то это вносит погрешность, как раз в сторону уменьшения плотности.
По поводу влияния мела на кристаллизацию, то влияние это как правило нуклеирующее, приводящее к увеличению плотности. Но с другой стороны, введение мела, приводит к увеличению теплопроводности расплава, что имеет разностороннее влияние на плотность...
Кальцит используемый при производстве меловой добавки всегда содержит влагу и при производстве добавки и при ее применении всегда газит в расплав.
Последний раз редактировалось SBM 18 янв 2014, 18:09, всего редактировалось 1 раз.
Настоящий Бендеровец
-
леха
- Старпом
- Сообщения: 6234
- Зарегистрирован: 18 авг 2010, 13:46
- Страна, Регион, Область: Россия
- Город: невест
- Откуда: Россия
- Благодарил (а): 2043 раза
- Поблагодарили: 1221 раз
Re: Экономическая эффективность ввода мела в ПЭ
На фото мел ? В чём? Поясните пожалуйста фото . Спасибо, интересно ужасно!!!Насчёт ориентации , она вроде вытягивает кристаллиты в направление вытяжки и кристалличность и вероятно плотность растёт .
Спасибо, понял .А без мела фотки нет? там норы вроде есть и без частиц мела .
Спасибо, понял .А без мела фотки нет? там норы вроде есть и без частиц мела .
Спасибо деду за Победу!
-
леха
- Старпом
- Сообщения: 6234
- Зарегистрирован: 18 авг 2010, 13:46
- Страна, Регион, Область: Россия
- Город: невест
- Откуда: Россия
- Благодарил (а): 2043 раза
- Поблагодарили: 1221 раз
Re: Экономическая эффективность ввода мела в ПЭ
На фото не расплав? Получается что хоть частица мела и является причиной ухудшения физмехов( концентратором напряжений??), но её размер не самое главное ?
Спасибо деду за Победу!
-
SBM
- Сообщения: 385
- Зарегистрирован: 20 июн 2009, 23:08
- Страна, Регион, Область: Ukraine
- Город: ....
- Благодарил (а): 0
- Поблагодарили: 4 раза
Re: Экономическая эффективность ввода мела в ПЭ
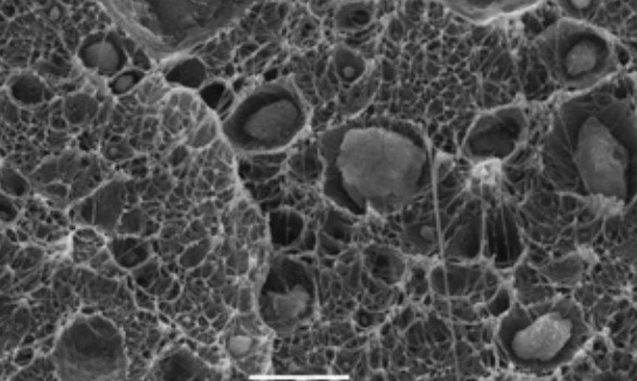
Образцы получены охлаждением композита в жидком азоте и хрупким разрушением.
Фото 1 - ПЭНД + 15% кальцит. Довольно старый микроскоп.
Фото а - ПЭНД +30 % кальцит без обработки
Фото б - ПЭНД + 30% кальцит обработан СтК
Фото 1 - ПЭНД + 15% кальцит. Довольно старый микроскоп.
Фото а - ПЭНД +30 % кальцит без обработки
Фото б - ПЭНД + 30% кальцит обработан СтК
Настоящий Бендеровец
-
SBM
- Сообщения: 385
- Зарегистрирован: 20 июн 2009, 23:08
- Страна, Регион, Область: Ukraine
- Город: ....
- Благодарил (а): 0
- Поблагодарили: 4 раза
Re: Экономическая эффективность ввода мела в ПЭ
Во время растяжения (деформирования) композита, так как частица не растягивается, то вокруг нее образуется полость, как пузырек.
Этот эффект называется кавитационным вспениванием.
Благодаря чему при введении наполнителя плотность отличается от расчетной, кроме того в ряде случаев наличие наполнителя приводит к более интенсивной ориентации молекул ( в пространстве между частицами) что благоприятно сказывается на механических свойствах. Но нужна правильная ориентация. Так при наполнении ПЭНП концентратом кальцита от 5% до 20% мас. При правильном раздуве, и правильном концентрате, наблюдается прочность при разрыве выше чем у не наполненного ПЭНП.
Этот эффект называется кавитационным вспениванием.
Благодаря чему при введении наполнителя плотность отличается от расчетной, кроме того в ряде случаев наличие наполнителя приводит к более интенсивной ориентации молекул ( в пространстве между частицами) что благоприятно сказывается на механических свойствах. Но нужна правильная ориентация. Так при наполнении ПЭНП концентратом кальцита от 5% до 20% мас. При правильном раздуве, и правильном концентрате, наблюдается прочность при разрыве выше чем у не наполненного ПЭНП.
Настоящий Бендеровец
-
леха
- Старпом
- Сообщения: 6234
- Зарегистрирован: 18 авг 2010, 13:46
- Страна, Регион, Область: Россия
- Город: невест
- Откуда: Россия
- Благодарил (а): 2043 раза
- Поблагодарили: 1221 раз
Re: Экономическая эффективность ввода мела в ПЭ
возможно это та пустота ( которой мел нагазил) только вытянутая вытяжной . Кавитационное вспенивание будет больше при холодной вытяжки или при горячей ?
Да ещё ,а как же повышение теплопроводности если мел в пузырьке воздуха?
Да ещё ,а как же повышение теплопроводности если мел в пузырьке воздуха?
Спасибо деду за Победу!
- Iron Smile
- Сообщения: 956
- Зарегистрирован: 07 окт 2013, 14:54
- Страна, Регион, Область: СЗФО
- Город: Город дождей
- Благодарил (а): 192 раза
- Поблагодарили: 219 раз
Re: Экономическая эффективность ввода мела в ПЭ
SBM, а есть возможность скинуть ссылочку на этот материал? уж больно любопытно (думаю не мне одному). Может чего нового удастся почерпнуть! 
Кажется, вот оно, счастье!!! Ан нет, опять опыт...
-
Труд
- Сообщения: 13
- Зарегистрирован: 08 ноя 2013, 15:07
- Страна, Регион, Область: россия
- Город: москва
- Благодарил (а): 0
- Поблагодарили: 0
Re: Экономическая эффективность ввода мела в ПЭ
Многоуважаемый SBM, присоединяюсь к просьбе коллеги Iron Smile и прошу разъяснить, что вы называете при этом правильным раздувом?
-
stup_mened
- Сообщения: 391
- Зарегистрирован: 19 дек 2011, 12:20
- Страна, Регион, Область: Россия
- Город: Москва
- Благодарил (а): 74 раза
- Поблагодарили: 67 раз
Re: Экономическая эффективность ввода мела в ПЭ
Странность на странности...
Любой наполнитель - это концентратор напряжений, как пленка с ним может быть лучше на разрыв?
Когда мы тестировали совместители - считали успехом хотя бы приблизиться по разрыву к чистому полимеру, эта хар-ка всегда проседала.
По поводу правильного мела и тд - влага выходит при компаундировании при дегазации, меловая добавка не вспениватель.
На фото с шариком классическое изображение вакуоли, образующейся при двухосной ориентации пленки. Так делают перламутровый БОПП - блеск образуется из-за этих полостей. Только почему-то форма частицы больше похожа на синтетический SiO2.
???
Любой наполнитель - это концентратор напряжений, как пленка с ним может быть лучше на разрыв?
Когда мы тестировали совместители - считали успехом хотя бы приблизиться по разрыву к чистому полимеру, эта хар-ка всегда проседала.
По поводу правильного мела и тд - влага выходит при компаундировании при дегазации, меловая добавка не вспениватель.
На фото с шариком классическое изображение вакуоли, образующейся при двухосной ориентации пленки. Так делают перламутровый БОПП - блеск образуется из-за этих полостей. Только почему-то форма частицы больше похожа на синтетический SiO2.
???
-
SBM
- Сообщения: 385
- Зарегистрирован: 20 июн 2009, 23:08
- Страна, Регион, Область: Ukraine
- Город: ....
- Благодарил (а): 0
- Поблагодарили: 4 раза
Re: Экономическая эффективность ввода мела в ПЭ
Чтобы произошла ориентация макромолекул, необходимо условие создания напряжений, если напряжений нет, например при фильерной вытяжке, то влияния такой вытяжки на прочность и ориентацию макромолекул незначительное. Например - волокно, фильерная вытяжка хоть до 1200% не дает такого увеличения прочности как вытяжка сформованого волокна например даже 200%.
Перламутровая пленка хороший пример применения кавитационного вспенивания...
А концентрат, газит... Если еще не досушен при производстве или полежит в плохой упаковке недельку. Или стеарирован сильно.
Правильная ориентация рукава, происходит при максимально возможном напряжении(оптимум температуры), при сбалансированной кратности вытяжки вдоль и поперек.
Правильные мел - содержит оптимальний размер частиц 1,6 - 2,2 мкр. и минимальное количество низкомолекулярных диспергаторов и предпочтительно обработку поверхности совмещающими агентами (куплеры) или
При определенных размерах частиц кальцит концентратор напряжений, но ниже определенных он рассредотачивает нагрузки приводящие к разрушению.
Тут в пример можно привести действие кальцита как антифибриллизационнной добавки для ПП ленты или ориентированного полотна...
Основное достоинство кальцита как наполнителя, увеличение теплопроводности расплава и модификация режима его течения в строну более пробкообразного "ньютоновского". Все эти факторы приводят к возможности концентрации напряжений между частицами кальцита и более эффективной ориентации молекул при более низких из за теплопроводности температурах. Кроме того кальцит еще и нуклеирует...
Фото БОПП пленки с кальцитом и плотностью 0,65.
Перламутровая пленка хороший пример применения кавитационного вспенивания...
А концентрат, газит... Если еще не досушен при производстве или полежит в плохой упаковке недельку. Или стеарирован сильно.
Правильная ориентация рукава, происходит при максимально возможном напряжении(оптимум температуры), при сбалансированной кратности вытяжки вдоль и поперек.
Правильные мел - содержит оптимальний размер частиц 1,6 - 2,2 мкр. и минимальное количество низкомолекулярных диспергаторов и предпочтительно обработку поверхности совмещающими агентами (куплеры) или
При определенных размерах частиц кальцит концентратор напряжений, но ниже определенных он рассредотачивает нагрузки приводящие к разрушению.
Тут в пример можно привести действие кальцита как антифибриллизационнной добавки для ПП ленты или ориентированного полотна...
Основное достоинство кальцита как наполнителя, увеличение теплопроводности расплава и модификация режима его течения в строну более пробкообразного "ньютоновского". Все эти факторы приводят к возможности концентрации напряжений между частицами кальцита и более эффективной ориентации молекул при более низких из за теплопроводности температурах. Кроме того кальцит еще и нуклеирует...
Фото БОПП пленки с кальцитом и плотностью 0,65.
Настоящий Бендеровец
- Максим Викторович
- Сообщения: 1541
- Зарегистрирован: 21 авг 2007, 13:24
- Страна, Регион, Область: Украина, Луганская область
- Город: Северодонецк
- Откуда: Украина, г. Северодонецк
- Благодарил (а): 253 раза
- Поблагодарили: 255 раз
Re: Экономическая эффективность ввода мела в ПЭ
БОПП-пленка с кальцитом
? В паропроницаемые пленки - само собой, там без мела - концентратора напряжений, и пор не получишь. Но в БОПП? Зачем? Да, я согласен с тезисом
, но мел каким боком помогает развернуться в одном направлении макромолекулам?Чтобы произошла ориентация макромолекул, необходимо условие создания напряжений, если напряжений нет, например при фильерной вытяжке, то влияния такой вытяжки на прочность и ориентацию макромолекул незначительное. Например - волокно, фильерная вытяжка хоть до 1200% не дает такого увеличения прочности как вытяжка сформованого волокна например даже 200%.
Здоровье - лучшее приобретение, удовольствие - лучшая выгода, внушающий доверие - лучший родственник.
Будда.
Будда.
-
леха
- Старпом
- Сообщения: 6234
- Зарегистрирован: 18 авг 2010, 13:46
- Страна, Регион, Область: Россия
- Город: невест
- Откуда: Россия
- Благодарил (а): 2043 раза
- Поблагодарили: 1221 раз
Re: Экономическая эффективность ввода мела в ПЭ
Наверное и скоростью охлаждения ,и возможно снижением давления в головке( нд с вд головки как не старайся не добьешься прочности).Я например не особо понимаю почему плотность расплава ниже плотности аморфной фазы при комнатной температуре и до каких значений может снизится плотность расплава? А пустоты вокруг мела могут вероятно возникнуть и не только из за воды- однажды в вторичку нд добавил по 30% меловой добавки и добавка на пэ основе дала пузыри на плёнке( как от воды) ,а добавка на эластомерной основе нормально перерабатывалась ,значит мел может влиять на деструкцию и она может быть видна только под микроскопом .
Спасибо деду за Победу!
-
SBM
- Сообщения: 385
- Зарегистрирован: 20 июн 2009, 23:08
- Страна, Регион, Область: Ukraine
- Город: ....
- Благодарил (а): 0
- Поблагодарили: 4 раза
Re: Экономическая эффективность ввода мела в ПЭ
Любой кальцитный концентрат набирает влагу при хранении... При малых дозах 0 - 15% этого почти не видно.
Настоящий Бендеровец
- Iron Smile
- Сообщения: 956
- Зарегистрирован: 07 окт 2013, 14:54
- Страна, Регион, Область: СЗФО
- Город: Город дождей
- Благодарил (а): 192 раза
- Поблагодарили: 219 раз
Re: Экономическая эффективность ввода мела в ПЭ
А с ссылочкой на источник информации - подзабылось?SBM писал(а):Любой кальцитный концентрат набирает влагу при хранении... При малых дозах 0 - 15% этого почти не видно.
Кажется, вот оно, счастье!!! Ан нет, опять опыт...
- Максим Викторович
- Сообщения: 1541
- Зарегистрирован: 21 авг 2007, 13:24
- Страна, Регион, Область: Украина, Луганская область
- Город: Северодонецк
- Откуда: Украина, г. Северодонецк
- Благодарил (а): 253 раза
- Поблагодарили: 255 раз
Re: Экономическая эффективность ввода мела в ПЭ
Вот тут совсем не согласен. Даже обработанный мел практически не адсорбирует влагу, а капсулированный в полимере (в виде концентрата) и того меньше.Любой кальцитный концентрат набирает влагу при хранении... При малых дозах 0 - 15% этого почти не видно.
Здоровье - лучшее приобретение, удовольствие - лучшая выгода, внушающий доверие - лучший родственник.
Будда.
Будда.
Кто сейчас на конференции
Сейчас этот форум просматривают: нет зарегистрированных пользователей и 3 гостя