ремонт KuASY 410/100

- "Чудеса" случившиеся с вашими дорогими Куаси, Хмельницкими, Одесскими, Белорусскими, Русскими, Немецкими, Китайскими, Итальянскими и даже Американскими машинами.
- Various cases and problems with your IMM: Kuasy from DDR, Soviet-made machines, German, Chinese, American, Italian, Belarusian made machines.
Сообщение
Автор
IgorBuyuk
Сообщения: 77
Зарегистрирован: 24 янв 2023, 18:30
Страна, Регион, Область: Казахстан, Алматинская область.
Город: Алматы
Благодарил (а): 28 раз
Поблагодарили: 7 раз

Re: ремонт KuASY 410/100

#211 Сообщение IgorBuyuk » 02 окт 2024, 20:48

ЗЮМ писал(а):
28 сен 2024, 18:54
Проверка износа золотниковой пары распределителей. По хорошему все распреды на верстак на проверку. Хотя бы нагрузочные. 31-32, 41-42, 51-52. Файл можно получить по ссылке:
Диагностика распределителей 4 (3).3gp
https://disk.yandex.ru/i/kGRgvrZgiM9xlQ
Да, у меня вот есть вопрос по паре 31-32
На гидросхеме он упоминается 2 раза и там есть разночтения.
У меня стоит вот так как на фото. (если честно, то я сомневаюсь в правильности)
Вложения
Screenshot_20241002_222506.jpg
IMG-20241002-WA0008.jpg
IMG-20241002-WA0008.jpg (45.9 КБ) 4940 просмотров

ЗЮМ
Эксперт Гидравлик
Сообщения: 5589
Зарегистрирован: 24 окт 2012, 20:41
Страна, Регион, Область: СССР
Город: Деревня Малая Малявня
Откуда: деревня МАЛАЯ МАЛЯВНЯ
Благодарил (а): 603 раза
Поблагодарили: 820 раз

Re: ремонт KuASY 410/100

#212 Сообщение ЗЮМ » 02 окт 2024, 21:28

https://ctois.ru/poleznaya-informaciya/ ... edelitelya. Вообще литературы и информации в интернете полно.

ЗЮМ
Эксперт Гидравлик
Сообщения: 5589
Зарегистрирован: 24 окт 2012, 20:41
Страна, Регион, Область: СССР
Город: Деревня Малая Малявня
Откуда: деревня МАЛАЯ МАЛЯВНЯ
Благодарил (а): 603 раза
Поблагодарили: 820 раз

Re: ремонт KuASY 410/100

#213 Сообщение ЗЮМ » 02 окт 2024, 21:35

На фото правильно стоит. Вверх тормашками. По другому не поставить. Не совпадут болты. Специально так сделано. Для исключения правильности подключения. Схема это схема, может отличаться от реальности.(Право-лево) Точно чертят до последнего отверстия и каналов на монтажных схемах. 31 изображён справа условно.На машине он слева то есть ближе к мотору.Все верно. Обратите внимание на размеры между отверстиями крепежа. 31 мм и 32,5 мм.
Вложения
ВЕ6.44 габарит.jpeg
ВЕ6.44 габарит.jpeg (57.71 КБ) 4908 просмотров

ЗЮМ
Эксперт Гидравлик
Сообщения: 5589
Зарегистрирован: 24 окт 2012, 20:41
Страна, Регион, Область: СССР
Город: Деревня Малая Малявня
Откуда: деревня МАЛАЯ МАЛЯВНЯ
Благодарил (а): 603 раза
Поблагодарили: 820 раз

Re: ремонт KuASY 410/100

#214 Сообщение ЗЮМ » 02 окт 2024, 22:19

У этого товарища много роликов. Можно сказать высший пилотаж относительно. Сидел я плотно на этих работах три года по всем видам аппаратуры. В СССР. Получалось не плохо. Наличие разнообразных стендов и мощная механичеа по обработке металлов. Для понимания можно смотреть. Можно сделать точнее современного Китая. Проверено.
Последний раз редактировалось ЗЮМ 02 окт 2024, 22:26, всего редактировалось 1 раз.

IgorBuyuk
Сообщения: 77
Зарегистрирован: 24 янв 2023, 18:30
Страна, Регион, Область: Казахстан, Алматинская область.
Город: Алматы
Благодарил (а): 28 раз
Поблагодарили: 7 раз

Re: ремонт KuASY 410/100

#215 Сообщение IgorBuyuk » 02 окт 2024, 22:22

ЗЮМ писал(а):
02 окт 2024, 21:35
На фото правильно стоит. Вверх тормашками. По другому не поставить. Не совпадут болты. Специально так сделано. Для исключения правильности подключения. Схема это схема, может отличаться от реальности.(Право-лево) Точно чертят до последнего отверстия и каналов на монтажных схемах. 31 изображён справа условно.На машине он слева то есть ближе к мотору.Все верно. Обратите внимание на размеры между отверстиями крепежа. 31 мм и 32,5 мм.
Про это я знаю. Первое что сделал в свое время, поставил не верно распределитель и сломал болт.

ЗЮМ
Эксперт Гидравлик
Сообщения: 5589
Зарегистрирован: 24 окт 2012, 20:41
Страна, Регион, Область: СССР
Город: Деревня Малая Малявня
Откуда: деревня МАЛАЯ МАЛЯВНЯ
Благодарил (а): 603 раза
Поблагодарили: 820 раз

Re: ремонт KuASY 410/100

#216 Сообщение ЗЮМ » 02 окт 2024, 22:28

IgorBuyuk писал(а):
02 окт 2024, 22:22
ЗЮМ писал(а):
02 окт 2024, 21:35
На фото правильно стоит. Вверх тормашками. По другому не поставить. Не совпадут болты. Специально так сделано. Для исключения правильности подключения. Схема это схема, может отличаться от реальности.(Право-лево) Точно чертят до последнего отверстия и каналов на монтажных схемах. 31 изображён справа условно.На машине он слева то есть ближе к мотору.Все верно. Обратите внимание на размеры между отверстиями крепежа. 31 мм и 32,5 мм.
Про это я знаю. Первое что сделал в свое время, поставил не верно распределитель и сломал болт.
Наблюдал это часто. Отверстия у российских по диаметру увеличены и не точны, и народ умудряется прикрутить. Импорт не получится.

IgorBuyuk
Сообщения: 77
Зарегистрирован: 24 янв 2023, 18:30
Страна, Регион, Область: Казахстан, Алматинская область.
Город: Алматы
Благодарил (а): 28 раз
Поблагодарили: 7 раз

Re: ремонт KuASY 410/100

#217 Сообщение IgorBuyuk » 02 окт 2024, 22:54

ЗЮМ писал(а):
02 окт 2024, 22:19
У этого товарища много роликов. Можно сказать высший пилотаж относительно. Сидел я плотно на этих работах три года по всем видам аппаратуры. В СССР. Получалось не плохо. Наличие разнообразных стендов и мощная механичеа по обработке металлов. Для понимания можно смотреть. Можно сделать точнее современного Китая. Проверено.
Это правильный и научный подход, но ддя меня не подойдет.
Ни возможностей, ни навыка, ни инструмента, ни времени.
Но много косвеной и полезной информации позволяющей по другому взглянуть на гидроаппаратуру.

ЗЮМ
Эксперт Гидравлик
Сообщения: 5589
Зарегистрирован: 24 окт 2012, 20:41
Страна, Регион, Область: СССР
Город: Деревня Малая Малявня
Откуда: деревня МАЛАЯ МАЛЯВНЯ
Благодарил (а): 603 раза
Поблагодарили: 820 раз

Re: ремонт KuASY 410/100

#218 Сообщение ЗЮМ » 02 окт 2024, 22:59

Это да. Понять теорию относительности. А По поводу притирки ремонта.Выгоднее купить.

IgorBuyuk
Сообщения: 77
Зарегистрирован: 24 янв 2023, 18:30
Страна, Регион, Область: Казахстан, Алматинская область.
Город: Алматы
Благодарил (а): 28 раз
Поблагодарили: 7 раз

Re: ремонт KuASY 410/100

#219 Сообщение IgorBuyuk » 06 окт 2024, 14:33

IgorBuyuk писал(а):
26 сен 2024, 09:00
ЗЮМ писал(а):
25 сен 2024, 23:45
injection-molding-machines-need-in-repa ... 21661.html Не теряйте эту ссылку. На подвод отвод сопла проблемы думаю связаны с этим гидрозамком. Не исправен, либо не правильно собран. То же самое на впрыске возможно. Но в первую очередь разобраться с гидроприводом. И шарик в фильтре это вопрос... Из какого он места можно понять по поведению машины. Нужен опыт. В принципе машине нужна перетряска. И 100% -ная замена резины желательно или по мере и в процессе.
Как раз после изучения этой ветки перебрал их. Описал выше.
Смущает толщина пружины.
VR30
Вложения
IMG-20241006-WA0048.jpg
IMG-20241006-WA0048.jpg (21.07 КБ) 4667 просмотров

IgorBuyuk
Сообщения: 77
Зарегистрирован: 24 янв 2023, 18:30
Страна, Регион, Область: Казахстан, Алматинская область.
Город: Алматы
Благодарил (а): 28 раз
Поблагодарили: 7 раз

Re: ремонт KuASY 410/100

#220 Сообщение IgorBuyuk » 06 окт 2024, 14:56

IgorBuyuk писал(а):
25 сен 2024, 17:02
Всем здравствуйте!
Даже не знаю как правильно сформировать вопрос, но попытаюсь.
410/100
Не получается настроить машину. Начинаешь работать, пока масло прохладное что то получается. Потом начинает греться и около 50° начинаются проблемы. Причем греется достаточно быстро. Сначала грешил на проблемы со сливом, думал фильтр в хлам и общее сечение оставшихся отверстий критично. Снял, там действительно павидло из стружки, грязи и прочего. И да!, шарик, около 9 мм в диаметре, на магнитной ловушке. Стал без него (фильтра) ковыряться. Потом начал собирать симптомы:
1)очень медленый отвод сопла и очень быстрый подвод.
Вчера занялся осмотром ВР30 и ВР20. Согласно найденым на просторах чата чертежам, понял, что поршень на вр 30 стоял не верной формы. Заменил (был донор). Теперь ситуация обратная назад идет быстро, вперед еле еле. Давление вперед большое.
2) очень медленый впрыск. Отливка суммарно около 25 гр, ПВД, первак. Короче прогулка для него. Он еле двигает вперед при полностью открытом дросселе.
В общем, товарищи, где то проблема. Подскажите куда рыть.
И еще раз, стоял поршень под номером один. И в этом варианте скорость подвода мат цилиндра быстрая, а отвода медленная.
При установке номера 2,а именно такая форма указана на всех чертежах, все поменялось с точностью наоборот. Отвод быстрый, подвод медленный.
Может это наталкнет более опытных еще на мысли.

И еще. При начале цикла, с отведенным соплом (работаю без отвода), в момент защита формы/полное смыкание (расход 31,41) сопло начинает двигаться вперед, до включения соответствующего магнита. Медленней конечно, но идет.
Вложения
IMG-20241006-WA0050.jpg
IMG-20241006-WA0050.jpg (35.9 КБ) 4659 просмотров

ЗЮМ
Эксперт Гидравлик
Сообщения: 5589
Зарегистрирован: 24 окт 2012, 20:41
Страна, Регион, Область: СССР
Город: Деревня Малая Малявня
Откуда: деревня МАЛАЯ МАЛЯВНЯ
Благодарил (а): 603 раза
Поблагодарили: 820 раз

Re: ремонт KuASY 410/100

#221 Сообщение ЗЮМ » 06 окт 2024, 15:21

Видим три вопроса: 1)Сомнения в пружинах. 2) Разница по поршням основным. 3) Самопроизвольное движение механизма впрыска( сопла) в момент подвода подвижной плиты ( пуансона п/ф). Попробуем разобраться. Не погружаясь в похожие темы. Хотя может и придется. Память испаряется со временем. :-):

ЗЮМ
Эксперт Гидравлик
Сообщения: 5589
Зарегистрирован: 24 окт 2012, 20:41
Страна, Регион, Область: СССР
Город: Деревня Малая Малявня
Откуда: деревня МАЛАЯ МАЛЯВНЯ
Благодарил (а): 603 раза
Поблагодарили: 820 раз

Re: ремонт KuASY 410/100

#222 Сообщение ЗЮМ » 06 окт 2024, 15:25

Дайте маркировку с корпуса Vr30.
Вложения
IMG_20241006_153923_902.jpg

IgorBuyuk
Сообщения: 77
Зарегистрирован: 24 янв 2023, 18:30
Страна, Регион, Область: Казахстан, Алматинская область.
Город: Алматы
Благодарил (а): 28 раз
Поблагодарили: 7 раз

Re: ремонт KuASY 410/100

#223 Сообщение IgorBuyuk » 06 окт 2024, 15:44

ЗЮМ писал(а):
06 окт 2024, 15:21
Видим три вопроса: 1)Сомнения в пружинах. 2) Разница по поршням основным. 3) Самопроизвольное движение механизма впрыска( сопла) в момент подвода подвижной плиты ( пуансона п/ф). Попробуем разобраться. Не погружаясь в похожие темы. Хотя может и придется. Память испаряется со временем. :-):
Все верно, я еще раз описываю симптомы в привязке к фото.
И дополняю их. (симптомы)

IgorBuyuk
Сообщения: 77
Зарегистрирован: 24 янв 2023, 18:30
Страна, Регион, Область: Казахстан, Алматинская область.
Город: Алматы
Благодарил (а): 28 раз
Поблагодарили: 7 раз

Re: ремонт KuASY 410/100

#224 Сообщение IgorBuyuk » 06 окт 2024, 15:49

ЗЮМ писал(а):
06 окт 2024, 15:25
Дайте маркировку с корпуса Vr30.
Он явно с другой машины, остатки эмали синие. А станок коричневый.
Вложения
IMG-20241006-WA0052.jpg
IMG-20241006-WA0052.jpg (50.88 КБ) 4626 просмотров

ЗЮМ
Эксперт Гидравлик
Сообщения: 5589
Зарегистрирован: 24 окт 2012, 20:41
Страна, Регион, Область: СССР
Город: Деревня Малая Малявня
Откуда: деревня МАЛАЯ МАЛЯВНЯ
Благодарил (а): 603 раза
Поблагодарили: 820 раз

Re: ремонт KuASY 410/100

#225 Сообщение ЗЮМ » 06 окт 2024, 16:17

Данные например по деталировке на 12 разновидностей гидрозамком. Корпус у вас не родной. Надо идти от первоисточника. А он в теме про Vr 20. Там споры где то и о поршнях. Поищем древнее фото с маркировкой управляющей мелкой начинкой. Пока работаю по пружинкам. Кстати их там три. Малюсенькая совсем в мелких между двумя запорными иглами. На фото вашем 10 11 00/2 это функция клапана как я понимаю. В каталоге 5 разновидностей пружин.
Вложения
WP_20160425_006 (1).jpg
WP_20160425_006 (1).jpg (12.56 КБ) 4613 просмотров
IMG_20241006_160535_048.jpg

ЗЮМ
Эксперт Гидравлик
Сообщения: 5589
Зарегистрирован: 24 окт 2012, 20:41
Страна, Регион, Область: СССР
Город: Деревня Малая Малявня
Откуда: деревня МАЛАЯ МАЛЯВНЯ
Благодарил (а): 603 раза
Поблагодарили: 820 раз

Re: ремонт KuASY 410/100

#226 Сообщение ЗЮМ » 06 окт 2024, 16:26

Первоисточник. Сравниваем эти две позиции по пружинкам.
Вложения
IMG_20241006_163048_472.jpg
WP_20160425_006 (1).jpg
WP_20160425_006 (1).jpg (12.56 КБ) 4612 просмотров

IgorBuyuk
Сообщения: 77
Зарегистрирован: 24 янв 2023, 18:30
Страна, Регион, Область: Казахстан, Алматинская область.
Город: Алматы
Благодарил (а): 28 раз
Поблагодарили: 7 раз

Re: ремонт KuASY 410/100

#227 Сообщение IgorBuyuk » 06 окт 2024, 16:34

ЗЮМ писал(а):
06 окт 2024, 16:17
Данные например по деталировке на 12 разновидностей гидрозамком. Корпус у вас не родной. Надо идти от первоисточника. А он в теме про Vr 20. Там споры где то и о поршнях. Поищем древнее фото с маркировкой управляющей мелкой начинкой. Пока работаю по пружинкам. Кстати их там три. Малюсенькая совсем в мелких между двумя запорными иглами. На фото вашем 10 11 00/2 это функция клапана как я понимаю. В каталоге 5 разновидностей пружин.
Ну если честно, то в сравнении с чертежем 10 11 00/0 я не вижу конструктиной разницы. Возможно размерная цепь или как раз усилие пружин или еще что то в этом роде.

IgorBuyuk
Сообщения: 77
Зарегистрирован: 24 янв 2023, 18:30
Страна, Регион, Область: Казахстан, Алматинская область.
Город: Алматы
Благодарил (а): 28 раз
Поблагодарили: 7 раз

Re: ремонт KuASY 410/100

#228 Сообщение IgorBuyuk » 06 окт 2024, 16:43

ЗЮМ писал(а):
06 окт 2024, 15:25
Дайте маркировку с корпуса Vr30.
Похоже правильная стояла пружина. ≈0.6(толщина витка) *10,5 (общий диаметр) *≈5,5(оборотов)
Ну она нежная по ощущениям, но немцам виднее.

ЗЮМ
Эксперт Гидравлик
Сообщения: 5589
Зарегистрирован: 24 окт 2012, 20:41
Страна, Регион, Область: СССР
Город: Деревня Малая Малявня
Откуда: деревня МАЛАЯ МАЛЯВНЯ
Благодарил (а): 603 раза
Поблагодарили: 820 раз

Re: ремонт KuASY 410/100

#229 Сообщение ЗЮМ » 06 окт 2024, 16:55

Выписал. Конструктивного различия нет. Разница в условном проходе возможно. У 20-ки пружина сильнее.
Вложения
IMG_20241006_164853_889.jpg
Последний раз редактировалось ЗЮМ 06 окт 2024, 17:02, всего редактировалось 2 раза.

IgorBuyuk
Сообщения: 77
Зарегистрирован: 24 янв 2023, 18:30
Страна, Регион, Область: Казахстан, Алматинская область.
Город: Алматы
Благодарил (а): 28 раз
Поблагодарили: 7 раз

Re: ремонт KuASY 410/100

#230 Сообщение IgorBuyuk » 06 окт 2024, 16:59

ЗЮМ писал(а):
06 окт 2024, 16:55
Выписал.
Да, все верно.
Я только чуть не понял к чему 20 11 00...
Разве он должен стоять?
Последний раз редактировалось IgorBuyuk 06 окт 2024, 17:22, всего редактировалось 1 раз.

ЗЮМ
Эксперт Гидравлик
Сообщения: 5589
Зарегистрирован: 24 окт 2012, 20:41
Страна, Регион, Область: СССР
Город: Деревня Малая Малявня
Откуда: деревня МАЛАЯ МАЛЯВНЯ
Благодарил (а): 603 раза
Поблагодарили: 820 раз

Re: ремонт KuASY 410/100

#231 Сообщение ЗЮМ » 06 окт 2024, 17:09

Да это ясно что там одна игла и нет мелкой пружины. По поводу 20 и 10.Не уверен я, какой условный проход? 10 или 20мм. Тогда и габарит должен быть разный Поэтому нужно срисовать все по кругу до последнего символа. В TGL присутствует цифра 20 и что она значит? Хорошо.Тогда по ружинам вопрос закрываем вроде как? Перейдем к следующему.
Вложения
IMG_20241006_153923_902.jpg

IgorBuyuk
Сообщения: 77
Зарегистрирован: 24 янв 2023, 18:30
Страна, Регион, Область: Казахстан, Алматинская область.
Город: Алматы
Благодарил (а): 28 раз
Поблагодарили: 7 раз

Re: ремонт KuASY 410/100

#232 Сообщение IgorBuyuk » 06 окт 2024, 17:21

ЗЮМ писал(а):
06 окт 2024, 17:09
Да это ясно что там одна игла и нет мелкой пружины. По поводу 20 и 10.Не уверен я, какой условный проход? 10 или 20мм. Тогда и габарит должен быть разный Поэтому нужно срисовать все по кругу до последнего символа. В TGL присутствует цифра 20 и что она значит? Хорошо.Тогда по ружинам вопрос закрываем вроде как? Перейдем к следующему.
Да, благодарю Вас! По пружинам снят по форме поршня теперь. А это кординально поменяло поведение узла.

ЗЮМ
Эксперт Гидравлик
Сообщения: 5589
Зарегистрирован: 24 окт 2012, 20:41
Страна, Регион, Область: СССР
Город: Деревня Малая Малявня
Откуда: деревня МАЛАЯ МАЛЯВНЯ
Благодарил (а): 603 раза
Поблагодарили: 820 раз

Re: ремонт KuASY 410/100

#233 Сообщение ЗЮМ » 06 окт 2024, 17:24

Да левых поршней не встречал. В смысле левое фото. Второй больше похож и однозначно на родной. Немцы просто так фаску без смысла не сделают. А вот номер один возможно самопал. Надо осмыслить что с тем и что с другим. Попрошу фото трубки управления от Vr30 и далее куда она идёт надо сверить со схемами. К объяснению почему ползет сопло. Это вопрос третий потом.

IgorBuyuk
Сообщения: 77
Зарегистрирован: 24 янв 2023, 18:30
Страна, Регион, Область: Казахстан, Алматинская область.
Город: Алматы
Благодарил (а): 28 раз
Поблагодарили: 7 раз

Re: ремонт KuASY 410/100

#234 Сообщение IgorBuyuk » 06 окт 2024, 17:34

ЗЮМ писал(а):
06 окт 2024, 17:09
Да это ясно что там одна игла и нет мелкой пружины. По поводу 20 и 10.Не уверен я, какой условный проход? 10 или 20мм. Тогда и габарит должен быть разный Поэтому нужно срисовать все по кругу до последнего символа. В TGL присутствует цифра 20 и что она значит? Хорошо.Тогда по ружинам вопрос закрываем вроде как? Перейдем к следующему.
Насколько могу разобрать:
Orsta 05 10-11 00/2 TGL26254/20 9/83 ?A?

IgorBuyuk
Сообщения: 77
Зарегистрирован: 24 янв 2023, 18:30
Страна, Регион, Область: Казахстан, Алматинская область.
Город: Алматы
Благодарил (а): 28 раз
Поблагодарили: 7 раз

Re: ремонт KuASY 410/100

#235 Сообщение IgorBuyuk » 06 окт 2024, 17:40

ЗЮМ писал(а):
06 окт 2024, 17:24
Да левых поршней не встречал. В смысле левое фото. Второй больше похож и однозначно на родной. Немцы просто так фаску без смысла не сделают. А вот номер один возможно самопал. Надо осмыслить что с тем и что с другим. Попрошу фото трубки управления от Vr30 и далее куда она идёт надо сверить со схемами. К объяснению почему ползет сопло. Это вопрос третий потом.
От VR 30 отстегнута. Далее в троиник. Из него одна трубка в цилиндры подвода отвода сопла, одна трубка в точку 10 на гидроблоке.
Вложения
IMG-20241006-WA0068.jpg
IMG-20241006-WA0068.jpg (55.5 КБ) 4505 просмотров
IMG-20241006-WA0069.jpg
IMG-20241006-WA0069.jpg (56.03 КБ) 4505 просмотров

ЗЮМ
Эксперт Гидравлик
Сообщения: 5589
Зарегистрирован: 24 окт 2012, 20:41
Страна, Регион, Область: СССР
Город: Деревня Малая Малявня
Откуда: деревня МАЛАЯ МАЛЯВНЯ
Благодарил (а): 603 раза
Поблагодарили: 820 раз

Re: ремонт KuASY 410/100

#236 Сообщение ЗЮМ » 06 окт 2024, 17:44

IgorBuyuk писал(а):
06 окт 2024, 17:34
ЗЮМ писал(а):
06 окт 2024, 17:09
Да это ясно что там одна игла и нет мелкой пружины. По поводу 20 и 10.Не уверен я, какой условный проход? 10 или 20мм. Тогда и габарит должен быть разный Поэтому нужно срисовать все по кругу до последнего символа. В TGL присутствует цифра 20 и что она значит? Хорошо.Тогда по ружинам вопрос закрываем вроде как? Перейдем к следующему.
Насколько могу разобрать:
Orsta 05 10-11 00/2 TGL26254/20 9/83 ?A?
К расшифровке вернёмся попозже. Артур дал хороший каталог Орсты. Потом изучим.

ЗЮМ
Эксперт Гидравлик
Сообщения: 5589
Зарегистрирован: 24 окт 2012, 20:41
Страна, Регион, Область: СССР
Город: Деревня Малая Малявня
Откуда: деревня МАЛАЯ МАЛЯВНЯ
Благодарил (а): 603 раза
Поблагодарили: 820 раз

Re: ремонт KuASY 410/100

#237 Сообщение ЗЮМ » 06 окт 2024, 17:51

IgorBuyuk писал(а):
06 окт 2024, 17:40
ЗЮМ писал(а):
06 окт 2024, 17:24
Да левых поршней не встречал. В смысле левое фото. Второй больше похож и однозначно на родной. Немцы просто так фаску без смысла не сделают. А вот номер один возможно самопал. Надо осмыслить что с тем и что с другим. Попрошу фото трубки управления от Vr30 и далее куда она идёт надо сверить со схемами. К объяснению почему ползет сопло. Это вопрос третий потом.
От VR 30 отстегнута. Далее в троиник. Из него одна трубка в цилиндры подвода отвода сопла, одна трубка в точку 10 на гидроблоке.
Как это выглядит на схеме? Схема на бумаге есть? Какой пользуетесь?Как выглядит тройник? Снимал изучал его? На предмет шарика двух седел и жиклёра? Под рукой нет схем. Тройник плохо видно.

IgorBuyuk
Сообщения: 77
Зарегистрирован: 24 янв 2023, 18:30
Страна, Регион, Область: Казахстан, Алматинская область.
Город: Алматы
Благодарил (а): 28 раз
Поблагодарили: 7 раз

Re: ремонт KuASY 410/100

#238 Сообщение IgorBuyuk » 06 окт 2024, 18:10

ЗЮМ писал(а):
06 окт 2024, 17:51
IgorBuyuk писал(а):
06 окт 2024, 17:40

От VR 30 отстегнута. Далее в троиник. Из него одна трубка в цилиндры подвода отвода сопла, одна трубка в точку 10 на гидроблоке.
Как это выглядит на схеме? Схема на бумаге есть? Какой пользуетесь?Как выглядит тройник? Снимал изучал его? На предмет шарика двух седел и жиклёра? Под рукой нет схем. Тройник плохо видно.
Со схемой сверял. Сходится. Не думал, что там еще что есть. Думал сквозной. Сейчас сниму.
Вложения
IMG-20241006-WA0072.jpg
IMG-20241006-WA0072.jpg (41.06 КБ) 4487 просмотров

ЗЮМ
Эксперт Гидравлик
Сообщения: 5589
Зарегистрирован: 24 окт 2012, 20:41
Страна, Регион, Область: СССР
Город: Деревня Малая Малявня
Откуда: деревня МАЛАЯ МАЛЯВНЯ
Благодарил (а): 603 раза
Поблагодарили: 820 раз

Re: ремонт KuASY 410/100

#239 Сообщение ЗЮМ » 06 окт 2024, 18:18

Ну вижу.Шарика там нет, а вот жиклёр быть обязан.

IgorBuyuk
Сообщения: 77
Зарегистрирован: 24 янв 2023, 18:30
Страна, Регион, Область: Казахстан, Алматинская область.
Город: Алматы
Благодарил (а): 28 раз
Поблагодарили: 7 раз

Re: ремонт KuASY 410/100

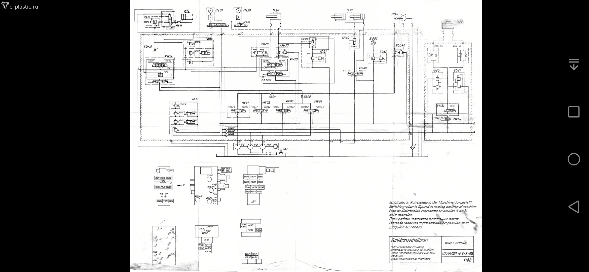
#240 Сообщение IgorBuyuk » 06 окт 2024, 18:26

ЗЮМ писал(а):
06 окт 2024, 17:51
IgorBuyuk писал(а):
06 окт 2024, 17:40

От VR 30 отстегнута. Далее в троиник. Из него одна трубка в цилиндры подвода отвода сопла, одна трубка в точку 10 на гидроблоке.
Как это выглядит на схеме? Схема на бумаге есть? Какой пользуетесь?Как выглядит тройник? Снимал изучал его? На предмет шарика двух седел и жиклёра? Под рукой нет схем. Тройник плохо видно.
Этой схемой.
Вложения
Screenshot_20241006_202505_com.android.gallery3d.jpg

Ответить

Вернуться в «Термопластавтоматы не могут без ремонта/Injection molding machines need in repair»

Кто сейчас на конференции

Сейчас этот форум просматривают: нет зарегистрированных пользователей и 8 гостей