Перепады напряжения (при выдуве)
-
- Сообщения: 17
- Зарегистрирован: 22 авг 2023, 14:10
- Страна, Регион, Область: Воронежская область
- Город: Бутурлиновка
- Благодарил (а): 4 раза
- Поблагодарили: 1 раз
Перепады напряжения (при выдуве)
Здравствуйте! Такая беда при включении компрессора скачок напряжения, соответственно идёт брак так как лампы в печи моргают. Спасёт ли ситуацию стабилизатор напряжения на печь? Или может есть какие то выходы из этой ситуации?
Переименовано. Админ
Переименовано. Админ
-
- Сообщения: 542
- Зарегистрирован: 08 апр 2022, 13:22
- Страна, Регион, Область: Россия
- Город: К
- Благодарил (а): 36 раз
- Поблагодарили: 114 раз
Re: Перепады напряжения
Опишите более подробно.
Скачок в виде просадки, или в виде импульсного (скачкообразного) выброса?
Какие лампы установлены - количество, мощность лампы, суммарная мощность? Есть конкретное понимание, почему они "моргают"?
Компрессор - как часто включается / отключается? То есть цикл работы? Марка, тип электродвигателя компрессора?
Скачок в виде просадки, или в виде импульсного (скачкообразного) выброса?
Какие лампы установлены - количество, мощность лампы, суммарная мощность? Есть конкретное понимание, почему они "моргают"?
Компрессор - как часто включается / отключается? То есть цикл работы? Марка, тип электродвигателя компрессора?
Я не волшебник, я только учусь.
-
- Сообщения: 686
- Зарегистрирован: 16 фев 2011, 12:54
- Страна, Регион, Область: РФ
- Город: Санкт-Петербург
- Благодарил (а): 69 раз
- Поблагодарили: 146 раз
Re: Перепады напряжения
Добрый вечер.
Стабилизатор вряд ли поможет.
Более результативным вариантом будет замена подводящего кабеля/автоматов и качественная обтяжка контактов.
Стабилизатор вряд ли поможет.
Более результативным вариантом будет замена подводящего кабеля/автоматов и качественная обтяжка контактов.
-
- Сообщения: 17
- Зарегистрирован: 22 авг 2023, 14:10
- Страна, Регион, Область: Воронежская область
- Город: Бутурлиновка
- Благодарил (а): 4 раза
- Поблагодарили: 1 раз
Re: Перепады напряжения
Скачок происходит в момент запуска компрессора единоразовай. Ламп 12 шт кг 230в 1000вт. Компрессор 8 мин работает 3 отдыхает электрон двигатель 7.5квт 2900r/min
-
- Сообщения: 3455
- Зарегистрирован: 02 фев 2020, 10:56
- Страна, Регион, Область: Германия
- Город: NRW
- Благодарил (а): 1219 раз
- Поблагодарили: 1429 раз
Re: Перепады напряжения
Не знаю насколько это поможет. Примерно с год у нас понаставили вот такие частотные стабилизаторы или как они по русски называются. Так переводит . Моторы запускаются в щадящем режиме . Правда проблемы были несколько другого характера. После выходных при старте насосов аж трубы рвало.
https://www.kostal-drives-technology.co ... /inveor-m/
https://www.kostal-drives-technology.co ... /inveor-m/
Nein zum Krieg.
-
- Сообщения: 17
- Зарегистрирован: 22 авг 2023, 14:10
- Страна, Регион, Область: Воронежская область
- Город: Бутурлиновка
- Благодарил (а): 4 раза
- Поблагодарили: 1 раз
Re: Перепады напряжения
Думаю если поставить стабилизатор на печь будет она реагировать на перепады или нет
- Shadow
- Сообщения: 2953
- Зарегистрирован: 12 мар 2009, 12:53
- Страна, Регион, Область: Россия
- Город: Томск
- Откуда: Tomsk
- Благодарил (а): 245 раз
- Поблагодарили: 644 раза
- Контактная информация:
Re: Перепады напряжения
Либо запитывайте от другого транса, либо бесперебойник ставьте, что немного дороговато. ..для начала частотник можно воткнуть.
-
- Сообщения: 542
- Зарегистрирован: 08 апр 2022, 13:22
- Страна, Регион, Область: Россия
- Город: К
- Благодарил (а): 36 раз
- Поблагодарили: 114 раз
Re: Перепады напряжения
И по возможности схему в виде однолинейной как запитаны компрессор и печь?
Последний раз редактировалось AlexsandrN 17 окт 2023, 06:30, всего редактировалось 1 раз.
Я не волшебник, я только учусь.
-
- Сообщения: 542
- Зарегистрирован: 08 апр 2022, 13:22
- Страна, Регион, Область: Россия
- Город: К
- Благодарил (а): 36 раз
- Поблагодарили: 114 раз
Re: Перепады напряжения
Будет реагировать или нет, зависит от вида перепада по напряжению (выброс или просадка, или и просадка с последующим выбросом), длительности отклонения от допустимого значения, скорости изменения, мощности печи, технических характеристик стабилизатора, технических решений, заложенных в стабилизатор.
Я не волшебник, я только учусь.
-
- Сообщения: 542
- Зарегистрирован: 08 апр 2022, 13:22
- Страна, Регион, Область: Россия
- Город: К
- Благодарил (а): 36 раз
- Поблагодарили: 114 раз
Re: Перепады напряжения
Немного уточняющий вопрос: единоразовый - это каждый раз при запуске компрессора с цикличностью в 11 минут, или один раз, когда запускаете на холодную?
Имеется несколько варинатов для решения проблемы:
1. Анализ существующего оборудования, расключения, при необходимости замена кабельных линий, изменение схемы расключения.
2. Облегчить запуск компрессора:
2.1 - установка частотного преобразователя с переводом его в режим плавного запуска;
2.2 - установка устройства плавного запуска.
2.3 - если возможно по характеристикам электродвигателя - применение схемы двухступенчатого запуска.
3. Как сами предлагаете - стабилизатор на лампы. Но надо понять, под какие парамтеры подбирать, что бы и не переплатить, не получить дополнительные проблемы, или после приобретения оборудования, его установки и запуска не оказаться перед фактом неверного решения.
Наименее затратный п. 1 - только нужно немного информации дополнительной.
Я не волшебник, я только учусь.
-
- Сообщения: 542
- Зарегистрирован: 08 апр 2022, 13:22
- Страна, Регион, Область: Россия
- Город: К
- Благодарил (а): 36 раз
- Поблагодарили: 114 раз
Re: Перепады напряжения
(сбой связи был, не успел откоректировать вопросы)
Марка, модель ламп (или это обычные лампы накаливания?), марка, модель электродвигателя (лучше шильдик).
Такая проблема была изначально, или появилась через некоторое время? Или после того, как провели какие то работы на оборудовании?
Марка, модель ламп (или это обычные лампы накаливания?), марка, модель электродвигателя (лучше шильдик).
Такая проблема была изначально, или появилась через некоторое время? Или после того, как провели какие то работы на оборудовании?
Я не волшебник, я только учусь.
-
- Сообщения: 3615
- Зарегистрирован: 31 янв 2015, 20:16
- Страна, Регион, Область: Россия
- Город: Самара
- Благодарил (а): 275 раз
- Поблагодарили: 701 раз
Re: Перепады напряжения
А к Вас когда получение когда делали проект какой-то делали или подключили на глаз?
-
- Сообщения: 17
- Зарегистрирован: 22 авг 2023, 14:10
- Страна, Регион, Область: Воронежская область
- Город: Бутурлиновка
- Благодарил (а): 4 раза
- Поблагодарили: 1 раз
Re: Перепады напряжения
Вот это написано на лампа кг 230в 1000вт. Проблема была изначально. При выдуве 5л преформа 81 грамм особо не реагирует на эти перепады(моргание ламп в момент запуска компрессора),а вот преформа 28 грам и 23 грамма реагирует сильно сразу идёт недогрев.
-
- Сообщения: 3615
- Зарегистрирован: 31 янв 2015, 20:16
- Страна, Регион, Область: Россия
- Город: Самара
- Благодарил (а): 275 раз
- Поблагодарили: 701 раз
Re: Перепады напряжения
Я думаю у вас ошибка была в сечении кабеля его заложили неправильно и стабилизатор здесь вряд ли поможет. При выдуве преформы с маленьким весом, хватает напряжение, если идет большой вес, то расход возрастает и соответственно идет повышения нагрузки и соответственно отключение компрессора, боюсь что без замены кабеля вряд ли что измените.
-
- Сообщения: 542
- Зарегистрирован: 08 апр 2022, 13:22
- Страна, Регион, Область: Россия
- Город: К
- Благодарил (а): 36 раз
- Поблагодарили: 114 раз
Re: Перепады напряжения
Соглсен в Вами, именно поэтому и задатую более конкретные дополнительные вопросы автору сообщения. Что бы собрать максимально информации, и оказать посильную консультацию, помощь.технолог54 писал(а): ↑17 окт 2023, 10:03Я думаю у вас ошибка была в сечении кабеля его заложили неправильно и стабилизатор здесь вряд ли поможет. При выдуве преформы с маленьким весом, хватает напряжение, если идет большой вес, то расход возрастает и соответственно идет повышения нагрузки и соответственно отключение компрессора, боюсь что без замены кабеля вряд ли что измените.
Я не волшебник, я только учусь.
-
- Сообщения: 17
- Зарегистрирован: 22 авг 2023, 14:10
- Страна, Регион, Область: Воронежская область
- Город: Бутурлиновка
- Благодарил (а): 4 раза
- Поблагодарили: 1 раз
Re: Перепады напряжения
Так наоборот при выдуве большой тары брака нет, а при выдуве маленькой брак есть
-
- Сообщения: 3615
- Зарегистрирован: 31 янв 2015, 20:16
- Страна, Регион, Область: Россия
- Город: Самара
- Благодарил (а): 275 раз
- Поблагодарили: 701 раз
Re: Перепады напряжения
Так мы ведём речь о том, что у вас перепады работы компрессора из за электроэнергии, а почему у вас много брака на маленькой таре это другой вопрос который относится уже наверное не к перепадам электроэнергии.
-
- Сообщения: 542
- Зарегистрирован: 08 апр 2022, 13:22
- Страна, Регион, Область: Россия
- Город: К
- Благодарил (а): 36 раз
- Поблагодарили: 114 раз
Re: Перепады напряжения
Итак, имеется желание все таки докопаться до истины, и оказать посильную помощь.
Перед тем, как принимать решение о том или ином приобретении, необходимо все таки понять, что же не так в текущей ситуации.
Поскольку от темы выдува далёк, то просто рассуждения.
Почитал о лампах КГ. Теоретически они должны работать в диапазоне 150 - 250 В. Но при снижении напряжения сильно снижается эффективность нагрева. И если они все таки мигают, то напряжение падает ниже напряжения работы, а это очень плохо (1. Плохо для двигателя компрессора - если при пуска он так сильно просаживает сеть, то он "говорит" - что же издеваетесь то надо мной
2. Плохо для ламп - момент включения для ламп накаливания - самый "тяжелый" режим, в холодном состоянии нить накала имеет малое сопротивления, и из -за этого через неё протекает большой ток).
Но может, и не просаживается так сильно напряжение, просто визуально отмечается этот эффект.
Теперь о температуре и браке. Также рассуждения. Как написал выше, то при снижении напряжения уменьшается эффективность нагрева от ламп КГ. На малых изделиях это может становиться заметно из за того, что у них меньше тепловая инерция, и они получаются более чувствительны к уменьшению тепловой энергии. А на большей массе оно все сглаживается.
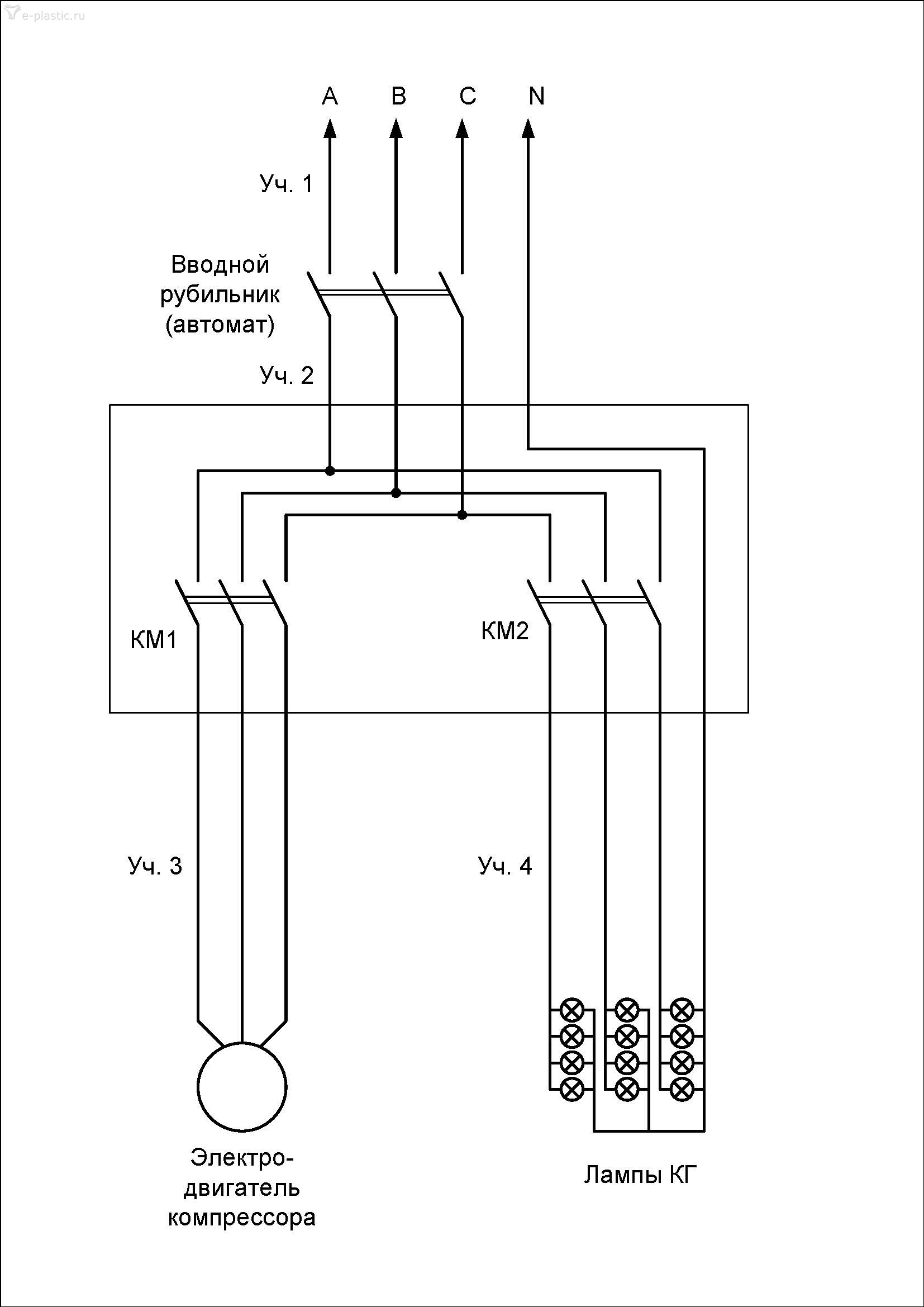
Теперь немного об электроснабжении. Поскольку ответа на некоторые вопросы не получил, но сам нарисовал предполагаемую схему установки. Предполагаю, что лампы разнесены по фазам. Для оценки влияния проложенных кабельных линий на данную проблему, а также взгляда в целом, необходима информация об ЭД компрессора (как уже ранее писал - лучше шильдик), а также длины и сечения кабельных линий - ну хотя бы Уч.3 и Уч.4. Предполагаю, что питание самого шкафа установки выполнено кабельной линией достаточного сечения. Хотя тоже было бы интересно узнать.
Есть возможность измерить напряжение в шкафу (по фазно) при запуске компрессора?. Неплохо было бы и токи, тоже по фазно. Но понимаю сложности, которые могут возникнуть при постановке таких задач электрику (может включить саботаж из за подозрения в поползновении в его сторону о не компетенции).
Перед тем, как принимать решение о том или ином приобретении, необходимо все таки понять, что же не так в текущей ситуации.
Поскольку от темы выдува далёк, то просто рассуждения.
Почитал о лампах КГ. Теоретически они должны работать в диапазоне 150 - 250 В. Но при снижении напряжения сильно снижается эффективность нагрева. И если они все таки мигают, то напряжение падает ниже напряжения работы, а это очень плохо (1. Плохо для двигателя компрессора - если при пуска он так сильно просаживает сеть, то он "говорит" - что же издеваетесь то надо мной

Но может, и не просаживается так сильно напряжение, просто визуально отмечается этот эффект.
Теперь о температуре и браке. Также рассуждения. Как написал выше, то при снижении напряжения уменьшается эффективность нагрева от ламп КГ. На малых изделиях это может становиться заметно из за того, что у них меньше тепловая инерция, и они получаются более чувствительны к уменьшению тепловой энергии. А на большей массе оно все сглаживается.
Теперь немного об электроснабжении. Поскольку ответа на некоторые вопросы не получил, но сам нарисовал предполагаемую схему установки. Предполагаю, что лампы разнесены по фазам. Для оценки влияния проложенных кабельных линий на данную проблему, а также взгляда в целом, необходима информация об ЭД компрессора (как уже ранее писал - лучше шильдик), а также длины и сечения кабельных линий - ну хотя бы Уч.3 и Уч.4. Предполагаю, что питание самого шкафа установки выполнено кабельной линией достаточного сечения. Хотя тоже было бы интересно узнать.
Есть возможность измерить напряжение в шкафу (по фазно) при запуске компрессора?. Неплохо было бы и токи, тоже по фазно. Но понимаю сложности, которые могут возникнуть при постановке таких задач электрику (может включить саботаж из за подозрения в поползновении в его сторону о не компетенции).
- За это сообщение автора AlexsandrN поблагодарили (всего 2):
- технолог54 • ЗЮМ
- Рейтинг: 10%
Я не волшебник, я только учусь.
-
- Сообщения: 17
- Зарегистрирован: 22 авг 2023, 14:10
- Страна, Регион, Область: Воронежская область
- Город: Бутурлиновка
- Благодарил (а): 4 раза
- Поблагодарили: 1 раз
Re: Перепады напряжения (при выдуве)
Решили проблему частотником, плавным запуском
- За это сообщение автора Артем36 поблагодарил:
- AlexsandrN
- Рейтинг: 5%
Кто сейчас на конференции
Сейчас этот форум просматривают: нет зарегистрированных пользователей и 14 гостей