Не отрабатывает торможение
-
- Эксперт Гидравлик
- Сообщения: 5583
- Зарегистрирован: 24 окт 2012, 20:41
- Страна, Регион, Область: СССР
- Город: Деревня Малая Малявня
- Откуда: деревня МАЛАЯ МАЛЯВНЯ
- Благодарил (а): 602 раза
- Поблагодарили: 816 раз
Не отрабатывает торможение
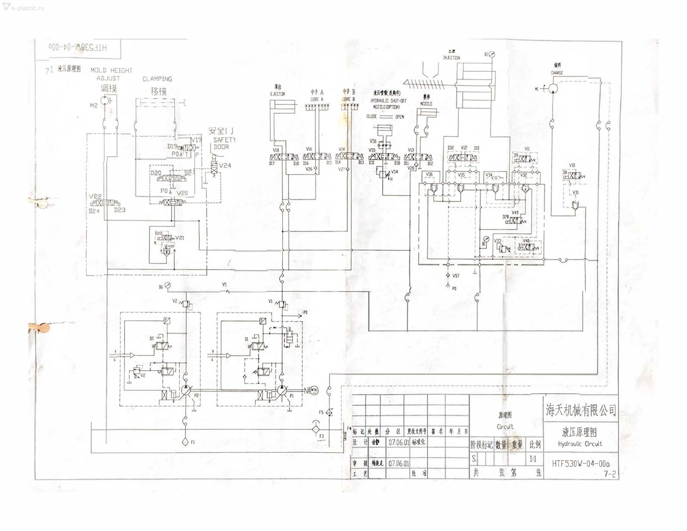
HTF 530 W. Вот столкнулись с такой не исправностью. Задумка проектировщика проста. Электромагнит выключен- проход открыт полностью. Электромагнит включен - проход ограничен. У нас все время открыт на максимум и торможения конечно не происходит. Распределитель хороший. Двухлинейный распределитель в идеале. На первый взгляд все родное, все на месте, уплотнения в порядке. НЕ тормозит. Пришли к выводу - фокус в жиклерах соплах.
-
- Эксперт Гидравлик
- Сообщения: 5583
- Зарегистрирован: 24 окт 2012, 20:41
- Страна, Регион, Область: СССР
- Город: Деревня Малая Малявня
- Откуда: деревня МАЛАЯ МАЛЯВНЯ
- Благодарил (а): 602 раза
- Поблагодарили: 816 раз
Re: Не отрабатывает торможение
Плотно засели в Букваре. Нашего примера тут нет. Но в описании есть строки говорящие о возможности прижать поршень и заставить тормозить. Не ожидал, что придется тут ломать голову. Намечены эксперименты. Если кто с этим вопросом работал, просим поделится.
Последний раз редактировалось ЗЮМ 19 ноя 2021, 19:47, всего редактировалось 1 раз.
-
- Эксперт Гидравлик
- Сообщения: 5583
- Зарегистрирован: 24 окт 2012, 20:41
- Страна, Регион, Область: СССР
- Город: Деревня Малая Малявня
- Откуда: деревня МАЛАЯ МАЛЯВНЯ
- Благодарил (а): 602 раза
- Поблагодарили: 816 раз
Re: Не отрабатывает торможение
Во сне приснилась идея как заставить торможение слушаться. Легко и просто не изменяя конструкции и не жиклерами. Попробуем расскажем. На следующей неделе.
-
- Сообщения: 3455
- Зарегистрирован: 02 фев 2020, 10:56
- Страна, Регион, Область: Германия
- Город: NRW
- Благодарил (а): 1219 раз
- Поблагодарили: 1429 раз
Re: Не отрабатывает торможение
Слава, не те сны смотришь

Вот . Не совсем может то , но примерно.
https://docplayer.org/116021465-Hydropn ... matik.html
Nein zum Krieg.
-
- Эксперт Гидравлик
- Сообщения: 5583
- Зарегистрирован: 24 окт 2012, 20:41
- Страна, Регион, Область: СССР
- Город: Деревня Малая Малявня
- Откуда: деревня МАЛАЯ МАЛЯВНЯ
- Благодарил (а): 602 раза
- Поблагодарили: 816 раз
Re: Не отрабатывает торможение
Не, гибрид нам не желателен. Все решим открутив 4 болтика. И закрутив 4 болтика. Пока тайна.
-
- Эксперт Гидравлик
- Сообщения: 5583
- Зарегистрирован: 24 окт 2012, 20:41
- Страна, Регион, Область: СССР
- Город: Деревня Малая Малявня
- Откуда: деревня МАЛАЯ МАЛЯВНЯ
- Благодарил (а): 602 раза
- Поблагодарили: 816 раз
Re: Не отрабатывает торможение
В прочем невтерпеж. Поршень этого клапана торможения должен держать две позиции. Открыт полностью и прикрыт. Прикрытие сужение условного прохода зависит от жиклера в линии Т. Если его совсем перекрыть. Клапан закроется совсем. И плита остановится. Мы в натуре видим жиклер в линии Т исковеркан. И что бы не делать жиклер опытным путём, решили в линию Т установить регулируемый дроссель и регулировкой поймать щель для торможения. Кстати жиклер в линии Т должен быть меньше жиклера в поршне иначе поршень всегда будет открыт и реагировать на закрытие не будет. Почистим бак 1000 литров , этим и займёмся. Результат и реализацию задумки покажем. Попробуем использовать дроссельную плитку модульную, но ставить придётся не штатно а повернул на 90°. Пропилив болгарской в боках для прохода болтиков крепления распределителя. Каналы р,а,б,т Немного не совпадают, попробуем. Потом Если получится торможение установим игольчатый краник в линию Т и протянем трубку ПВХ к баку 5 метров. Плитку уберем, не надежно в плане подтекания ( просто быстрый опыт)Кое что заглушим, штуцер в крышку , трубка, кран далее слив в бак. Фото будет. До и после. Что это нам даёт: это даёт безступенчато регулировать торможение при отрыве пуансона и мягкой остановки в конце открытия плиты. Правда в очень узком коридоре перехода из за большого диаметра поршня. Надо пробовать.
- Рейтинг: 5%
-
- Сообщения: 3455
- Зарегистрирован: 02 фев 2020, 10:56
- Страна, Регион, Область: Германия
- Город: NRW
- Благодарил (а): 1219 раз
- Поблагодарили: 1429 раз
Re: Не отрабатывает торможение
Вопрос дилетанта. Если ты дроссель врежешь , он не будет тормозить скорость цилиндра и в обратную сторону? Или нужно два ? Если я правильно понимаю , там что-то типа обратного клапана должно быть ? Это так , глупости наверное.
Nein zum Krieg.
-
- Эксперт Гидравлик
- Сообщения: 5583
- Зарегистрирован: 24 окт 2012, 20:41
- Страна, Регион, Область: СССР
- Город: Деревня Малая Малявня
- Откуда: деревня МАЛАЯ МАЛЯВНЯ
- Благодарил (а): 602 раза
- Поблагодарили: 816 раз
Re: Не отрабатывает торможение
Не не будет. Когда электромагнит выключен, поршень открыт полность, плита летит, включается магнит поршень опускается но не совсем. И висит под действием сил перепадов давления и прочего , удерживая щель слива малую. Это короткий участок вначале открытия и в конце. А сейчас без торможения плита пролетает позицию на 2 см. Насосом регулируемым тяжеловато настраивать. надо наладчику облегчить работу и восстановить тупой но надежный тормоз. Ввернуть в Т жиклер 0,8; 0,9, 1мм. На схеме китайцы не написали размер. А сверлить там не где и сверла надо искать. Вот и решили иглу на слив вставить и и посмотреть как будет откликаться. После испытаний нарисую как сделали и фото. Было, стало. Не хотим жиклеры делать погонять ловить. Иглой быстрее поймем и отрегулируем. такой план. Да и удобней будет можно будет поприжать, приотпустить. Ведь на куаси 5000 например там полно регулировок с обратными клапанами и дросселями, что бы динамику сделать хорошую и вперед и назад.. Массы большие, инерция , скорости. Плавность нужна.
-
- Эксперт Гидравлик
- Сообщения: 5583
- Зарегистрирован: 24 окт 2012, 20:41
- Страна, Регион, Область: СССР
- Город: Деревня Малая Малявня
- Откуда: деревня МАЛАЯ МАЛЯВНЯ
- Благодарил (а): 602 раза
- Поблагодарили: 816 раз
Re: Не отрабатывает торможение
Поднял все схемы Наитиана на машины. Где такой же блок. с 2001 года. Ведь все работали как надо. думаю решится вопрос легко. Искал может где указано сечение и диаметр отверстия. Но нет. (Китайцы молодцы) чернил не хватило указать размерчик..
Последний раз редактировалось ЗЮМ 20 ноя 2021, 22:49, всего редактировалось 1 раз.
-
- Сообщения: 3455
- Зарегистрирован: 02 фев 2020, 10:56
- Страна, Регион, Область: Германия
- Город: NRW
- Благодарил (а): 1219 раз
- Поблагодарили: 1429 раз
Re: Не отрабатывает торможение
Ну да , ты прав . Я вот про такой думал. Как этот дроссель в одну сторону по русски называется не знаю. Но он в принципе не нужен.ЗЮМ писал(а): ↑20 ноя 2021, 22:29Не не будет. Когда электромагнит выключен, поршень открыт полность, плита летит, включается магнит поршень опускается но не совсем. И висит под действием сил перепадов давления и прочего , удерживая щель слива малую. Это короткий участок вначале открытия и в конце. А сейчас без торможения плита пролетает позицию на 2 см. Насосом регулируемым тяжеловато настраивать. надо наладчику облегчить работу и восстановить тупой но надежный тормоз. Ввернуть в Т жиклер 0,8; 0,9, 1мм. На схеме китайцы не написали размер. А сверлить там не где и сверла надо искать. Вот и решили иглу на слив вставить и и посмотреть как будет откликаться. После испытаний нарисую как сделали и фото. Было, стало. Не хотим жиклеры делать погонять ловить. Иглой быстрее поймем и отрегулируем. такой план. Да и удобней будет можно будет поприжать, приотпустить. Ведь на куаси 5000 например там полно регулировок с обратными клапанами и дросселями, что бы динамику сделать хорошую и вперед и назад.. Массы большие, инерция , скорости. Плавность нужна.
- Вложения
-
- 961669F3-EB39-493C-BC5A-AF02B87447A1.jpeg (49.35 КБ) 5532 просмотра
Nein zum Krieg.
-
- Эксперт Гидравлик
- Сообщения: 5583
- Зарегистрирован: 24 окт 2012, 20:41
- Страна, Регион, Область: СССР
- Город: Деревня Малая Малявня
- Откуда: деревня МАЛАЯ МАЛЯВНЯ
- Благодарил (а): 602 раза
- Поблагодарили: 816 раз
Re: Не отрабатывает торможение
О такой годится красавец.. Только правильной стороной подвесить. Чтоб обратный клапан был закрыт. А слив шел через регулировку. В продаже полно таких. Но слепим из того что под рукой. Вход в А выход в бак В. Дроссель с обратным клапаном , так и зовется.
У нас, еще раз, что получается. Плита назад 1) медленно отрыв,2) ускоренный ход. 3). Замедление скорости движения. 4) Мягкое торможение. Стоп. А у нас замедление насосом в конце и жестковатая остановка. Излишне жестковатая. С этим и боремся.

Последний раз редактировалось ЗЮМ 20 ноя 2021, 23:02, всего редактировалось 2 раза.
-
- Сообщения: 3455
- Зарегистрирован: 02 фев 2020, 10:56
- Страна, Регион, Область: Германия
- Город: NRW
- Благодарил (а): 1219 раз
- Поблагодарили: 1429 раз
-
- Эксперт Гидравлик
- Сообщения: 5583
- Зарегистрирован: 24 окт 2012, 20:41
- Страна, Регион, Область: СССР
- Город: Деревня Малая Малявня
- Откуда: деревня МАЛАЯ МАЛЯВНЯ
- Благодарил (а): 602 раза
- Поблагодарили: 816 раз
Re: Не отрабатывает торможение
Да вроде мелочь пузатая, но нервы народу треплет. Где МОНТЕР ВАШ. Ждем каждый день!!!!!!!!
-
- Сообщения: 3455
- Зарегистрирован: 02 фев 2020, 10:56
- Страна, Регион, Область: Германия
- Город: NRW
- Благодарил (а): 1219 раз
- Поблагодарили: 1429 раз
Re: Не отрабатывает торможение
Я бы тоже хотел знать. Обещали каждый день на неделе. То не успел с другого места к нам заехать, то приболел, то ещё какие отмазки. Короче людей у них катастрофически не хватает. Не помню такого. Теперь слёзно обещают на следующей неделе. Но думаю они ещё и пузыри дуют , что мы между делом , для ремонта попроще другие фирмы подключать стали. Может и другие причины конечно.
Короче шеф обозлился в конец. Тут пару дней назад делегация с Энгеля в гостях была . Как бы пополнение парка не намечено.
Кстати. Вспомнил. У нас на бат 650 тонн одном , такая же проблема. Давно уже. Всё руки не доходят. Правда конечную остановку не пролетает, но даже при уменьшении давления и скорости, в конце как в стену упирается. С небольшим стуком. Короче медленно едет но жёстко тормозит.
Nein zum Krieg.
-
- Сообщения: 1584
- Зарегистрирован: 01 окт 2013, 15:06
- Страна, Регион, Область: Россия
- Город: Екатеринбург
- Откуда: Yevlax
- Благодарил (а): 414 раз
- Поблагодарили: 386 раз
Re: Не отрабатывает торможение
Площадь отверстия "А" и площадь внутреннего отверстия поршенька (под пружину) "Х" должны быть Х>А.
В поршеньке мы привыкли видеть жеклер от 0.8-1.0, тогда сопло √3 должно быть меньше.
Внимательно изучите поверхности самого клапана, возможно присутствует ошибка токаря выборе конусности когда попровлял седло.
В поршеньке мы привыкли видеть жеклер от 0.8-1.0, тогда сопло √3 должно быть меньше.
Внимательно изучите поверхности самого клапана, возможно присутствует ошибка токаря выборе конусности когда попровлял седло.
-
- Эксперт Гидравлик
- Сообщения: 5583
- Зарегистрирован: 24 окт 2012, 20:41
- Страна, Регион, Область: СССР
- Город: Деревня Малая Малявня
- Откуда: деревня МАЛАЯ МАЛЯВНЯ
- Благодарил (а): 602 раза
- Поблагодарили: 816 раз
Re: Не отрабатывает торможение
Спасибо Саша, очень рад. Блок и аппаратуру ни кто не трогал кроме жиклера из А в Т ( изуродован. Ну и делать жиклеры в нашем положении не очень просто Надо микросверла, микропатрон, обороты хорошие сверла. Уже перебрали и возможность автомобильных жиклеров и газовых плит. Ну вот засела мысль сделать регулируемый жиклер в Т из А. Верхнюю полость поршня с пружиной поджать. То есть как я ожидаю- жиклер закрою полностью и плита не будет двигаться ни куда.По чуть будем открывать и смотретьМулланур писал(а): ↑21 ноя 2021, 20:02Площадь отверстия "А" и площадь внутреннего отверстия поршенька (под пружину) "Х" должны быть Х>А.
В поршеньке мы привыкли видеть жеклер от 0.8-1.0, тогда сопло √3 должно быть меньше.
Внимательно изучите поверхности самого клапана, возможно присутствует ошибка токаря выборе конусности когда попровлял седло.

-
- Эксперт Гидравлик
- Сообщения: 5583
- Зарегистрирован: 24 окт 2012, 20:41
- Страна, Регион, Область: СССР
- Город: Деревня Малая Малявня
- Откуда: деревня МАЛАЯ МАЛЯВНЯ
- Благодарил (а): 602 раза
- Поблагодарили: 816 раз
Re: Не отрабатывает торможение
А вот и стендик по имени шиворот на выворот
Обратный клапан в плитке с одной стороны исключен. Можно покрутить пальцем у виска можно и нет. Всего лишь опыт. Или когда голова рукам ногам покоя не дает.
Жиклеры участники будут измерятся для понимания. И надо помнить управление тут пассивное. На гидромотор шнека управление активное. И зависимость разная .


-
- Эксперт Гидравлик
- Сообщения: 5583
- Зарегистрирован: 24 окт 2012, 20:41
- Страна, Регион, Область: СССР
- Город: Деревня Малая Малявня
- Откуда: деревня МАЛАЯ МАЛЯВНЯ
- Благодарил (а): 602 раза
- Поблагодарили: 816 раз
Re: Не отрабатывает торможение
Х больше А и есть в натуре.Мулланур писал(а): ↑21 ноя 2021, 20:02Площадь отверстия "А" и площадь внутреннего отверстия поршенька (под пружину) "Х" должны быть Х>А.
В поршеньке мы привыкли видеть жеклер от 0.8-1.0, тогда сопло √3 должно быть меньше.
Внимательно изучите поверхности самого клапана, возможно присутствует ошибка токаря выборе конусности когда попровлял седло.
-
- Сообщения: 1584
- Зарегистрирован: 01 окт 2013, 15:06
- Страна, Регион, Область: Россия
- Город: Екатеринбург
- Откуда: Yevlax
- Благодарил (а): 414 раз
- Поблагодарили: 386 раз
Re: Не отрабатывает торможение
Браво! Крест забабахали, Браво! Линии Р и Т, теперь можно регулировать.
Есть опасения что с простым жеклером сделали, представьте что могут сделать с регуляторами
Всё же по моему мнению не нужно использовать регуляторы, это как красная кнопка, обязательно найдётся тот кто нажмёт.
Может ещё раз просмотреть, проверь и вернуться к жеклеру. Чтобы добраться до жеклера нужно залазить во внутрь клапана, а с дроссельной плитой всё под рукой, крути не хочу.
Есть опасения что с простым жеклером сделали, представьте что могут сделать с регуляторами

Всё же по моему мнению не нужно использовать регуляторы, это как красная кнопка, обязательно найдётся тот кто нажмёт.
Может ещё раз просмотреть, проверь и вернуться к жеклеру. Чтобы добраться до жеклера нужно залазить во внутрь клапана, а с дроссельной плитой всё под рукой, крути не хочу.
- Рейтинг: 5%
-
- Сообщения: 1584
- Зарегистрирован: 01 окт 2013, 15:06
- Страна, Регион, Область: Россия
- Город: Екатеринбург
- Откуда: Yevlax
- Благодарил (а): 414 раз
- Поблагодарили: 386 раз
Re: Не отрабатывает торможение
А почему дроссельную плиту поставили? Может на линию Т поставить регулятор давления.
-
- Эксперт Гидравлик
- Сообщения: 5583
- Зарегистрирован: 24 окт 2012, 20:41
- Страна, Регион, Область: СССР
- Город: Деревня Малая Малявня
- Откуда: деревня МАЛАЯ МАЛЯВНЯ
- Благодарил (а): 602 раза
- Поблагодарили: 816 раз
Re: Не отрабатывает торможение
К жеклерам вернемся попозже. Дроссельная плитка пока в мешке.
Последний раз редактировалось ЗЮМ 22 ноя 2021, 22:55, всего редактировалось 2 раза.
-
- Эксперт Гидравлик
- Сообщения: 5583
- Зарегистрирован: 24 окт 2012, 20:41
- Страна, Регион, Область: СССР
- Город: Деревня Малая Малявня
- Откуда: деревня МАЛАЯ МАЛЯВНЯ
- Благодарил (а): 602 раза
- Поблагодарили: 816 раз
Re: Не отрабатывает торможение
ЗЮМ писал(а): ↑22 ноя 2021, 22:41Нет времени городить. Работы другой много. На счёт жиклера: Гравер местный поможет, сверла микро есть. Несколько штук и опытным путём подберем. Они под распредом завёрнуты в крышку сверху. Доступ лёгкий. Сегодня бак помыли, залили масло. Ждём наконечник. Но жиклерами можно заниматься. Да гонят на другие машины. Спасибо за участие.
-
- Эксперт Гидравлик
- Сообщения: 5583
- Зарегистрирован: 24 окт 2012, 20:41
- Страна, Регион, Область: СССР
- Город: Деревня Малая Малявня
- Откуда: деревня МАЛАЯ МАЛЯВНЯ
- Благодарил (а): 602 раза
- Поблагодарили: 816 раз
Re: Не отрабатывает торможение
ЗЮМ писал(а): ↑22 ноя 2021, 22:49Было.ЗЮМ писал(а): ↑22 ноя 2021, 22:41Нет времени городить. Работы другой много. На счёт жиклера: Гравер местный поможет, сверла микро есть. Несколько штук и опытным путём подберем. Они под распредом завёрнуты в крышку сверху. Доступ лёгкий. Сегодня бак помыли, залили масло. Ждём наконечник. Но жиклерами можно заниматься. Да гонят на другие машины. Спасибо за участие.
-
- Эксперт Гидравлик
- Сообщения: 5583
- Зарегистрирован: 24 окт 2012, 20:41
- Страна, Регион, Область: СССР
- Город: Деревня Малая Малявня
- Откуда: деревня МАЛАЯ МАЛЯВНЯ
- Благодарил (а): 602 раза
- Поблагодарили: 816 раз
Re: Не отрабатывает торможение
Исполнения промышленных дросселей
В промышленных гидроприводах применяют дроссели стыкового, фланцевого, модульного, встраиваемого монтажа.
Дроссели стыкового и фланцевого монтажа изготавливаются, как правило, для больших расходов.
Встраиваемые дроссели размещают в специальной монтажной плите, в которой выполнены соответствующие каналы, либо в корпусе, который может обеспечить, резьбовой, фланцевый, модульный или стыковой монтаж. ( Кстати в пропорциональном управлении это место одно из самых важных и чувствительных - кромка золотника, игла седло, сопло заслонка.)
В промышленных гидроприводах применяют дроссели стыкового, фланцевого, модульного, встраиваемого монтажа.
Дроссели стыкового и фланцевого монтажа изготавливаются, как правило, для больших расходов.
Встраиваемые дроссели размещают в специальной монтажной плите, в которой выполнены соответствующие каналы, либо в корпусе, который может обеспечить, резьбовой, фланцевый, модульный или стыковой монтаж. ( Кстати в пропорциональном управлении это место одно из самых важных и чувствительных - кромка золотника, игла седло, сопло заслонка.)
- Вложения
-
- 07_03_18_20_16_30_Drossel_s_pazom (1).jpg (21.71 КБ) 4849 просмотров
-
- 07_03_18_20_15_56_Shelevoi_drossel.jpg (7.52 КБ) 4849 просмотров
-
- 07_03_18_20_15_33_Igolchatiy_drossel.jpg (9.38 КБ) 4849 просмотров
-
- 07_03_18_20_15_06_drossel_konstrutsiya.jpg (22.08 КБ) 4849 просмотров
Последний раз редактировалось ЗЮМ 23 ноя 2021, 19:20, всего редактировалось 2 раза.
-
- Эксперт Гидравлик
- Сообщения: 5583
- Зарегистрирован: 24 окт 2012, 20:41
- Страна, Регион, Область: СССР
- Город: Деревня Малая Малявня
- Откуда: деревня МАЛАЯ МАЛЯВНЯ
- Благодарил (а): 602 раза
- Поблагодарили: 816 раз
Re: Не отрабатывает торможение
На чипмаркете этим вопросом тоже озабочены, советуют подбирать Эмпирическим путем. Будем использовать и пробовать.
-
- Эксперт Гидравлик
- Сообщения: 5583
- Зарегистрирован: 24 окт 2012, 20:41
- Страна, Регион, Область: СССР
- Город: Деревня Малая Малявня
- Откуда: деревня МАЛАЯ МАЛЯВНЯ
- Благодарил (а): 602 раза
- Поблагодарили: 816 раз
Re: Не отрабатывает торможение
Отчет по торможению, ограничению слива из цилиндра смыкания размыкания. Не стали терять время на изготовление группы жиклеров. Менее 1мм. Поставили приспособу с регулируемым жиклером. Жиклер закрыт полностью- слив перекрыт движения нет. Потихоньку регулировочным левым винтом открываем. Очень медленно начинает плита двигаться. Отрегулировали до желаемой скорости. Плита позицию конечной остановки назад пролетать на 20 мм перестала. Благодаря плавному ходу в конце отвода плиты. Вывод: ( Подобрать жиклер). Оказалось это часть проблемы. Если взглянуть на схему, то видно что в системе нет регулятора потока и регулятора давления. Все делает насос переменной производительности. И не удается настроить с монитора ускорение, замедление насосом перед торможением.Резкий сброс скорости перед торможением( не из за нашей приспособы- проверяли) Задача разбираться с линейкой, сигналами на пропорциональный клапан насоса, контроллером.... Работу насоса проверим принудительно в ручном режиме послав поток на гидромотор и по показаниям тахометра убедимся что насос управляется нормально от минимума до максимума. Для доказательства что гидравлика на машине в порядке. Дело за монтером как скажет Артур. Ну и в принципе очередные грабли. Наперед батьки в пекло. Псевдоним Батька это
Электронщик. Он. был, сказал собирайте наконечник , будем смотреть при литье. Наконечник в работе, теряем время. Вот такая засада. На подходе заказ. Подождем. Короче, Три сосны. Фото электрошкафа покажем.

-
- Эксперт Гидравлик
- Сообщения: 5583
- Зарегистрирован: 24 окт 2012, 20:41
- Страна, Регион, Область: СССР
- Город: Деревня Малая Малявня
- Откуда: деревня МАЛАЯ МАЛЯВНЯ
- Благодарил (а): 602 раза
- Поблагодарили: 816 раз
Re: Не отрабатывает торможение
Уважаемым инженерам электроники. Кто нибудь имел с этим управлением дело?????
Последний раз редактировалось ЗЮМ 26 ноя 2021, 00:31, всего редактировалось 1 раз.
Кто сейчас на конференции
Сейчас этот форум просматривают: нет зарегистрированных пользователей и 18 гостей