ТПА Nissei PH660S280B 94-года Япония.
-
- Эксперт Гидравлик
- Сообщения: 5584
- Зарегистрирован: 24 окт 2012, 20:41
- Страна, Регион, Область: СССР
- Город: Деревня Малая Малявня
- Откуда: деревня МАЛАЯ МАЛЯВНЯ
- Благодарил (а): 602 раза
- Поблагодарили: 816 раз
ТПА Nissei PH660S280B 94-года Япония.
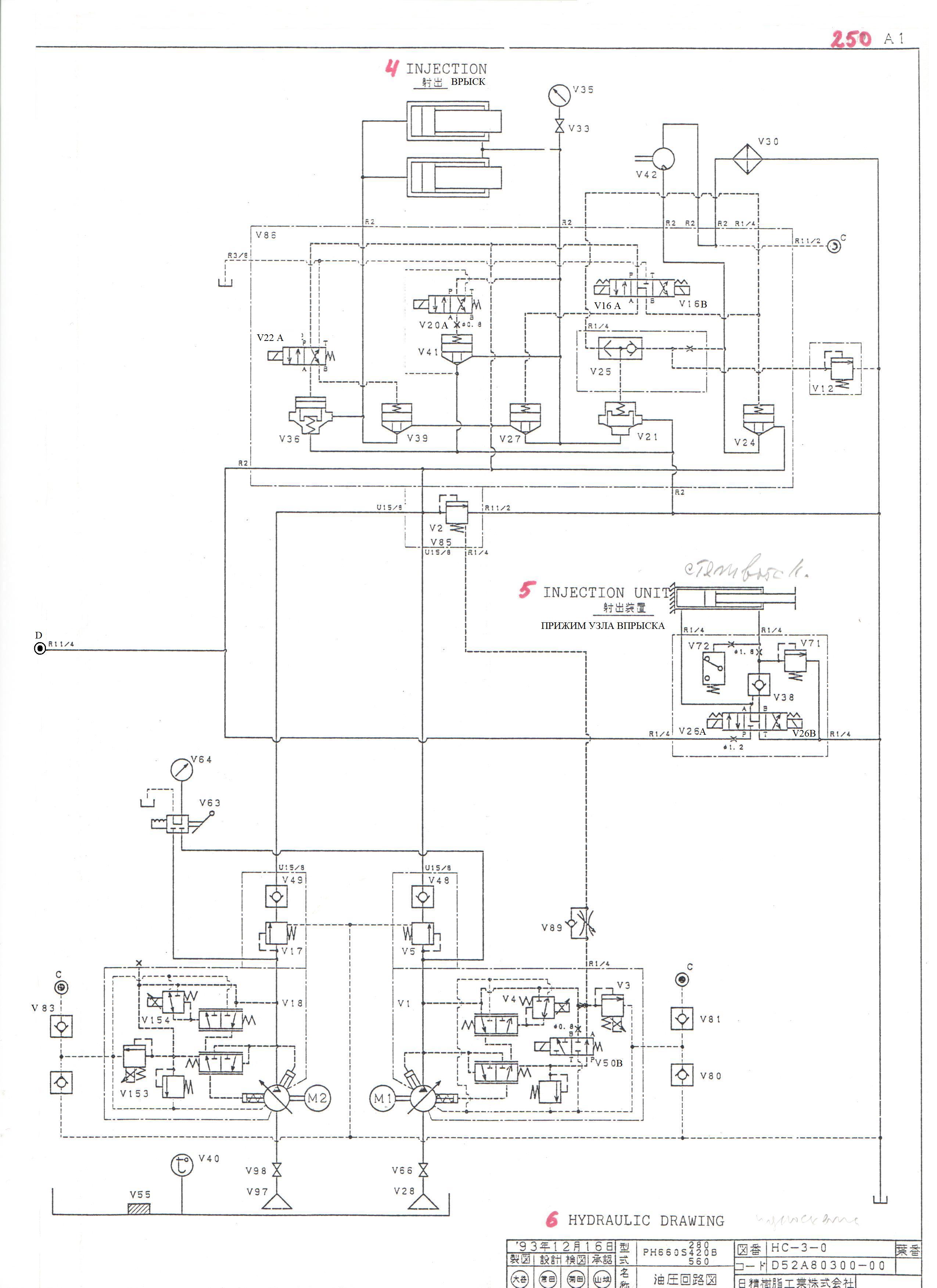
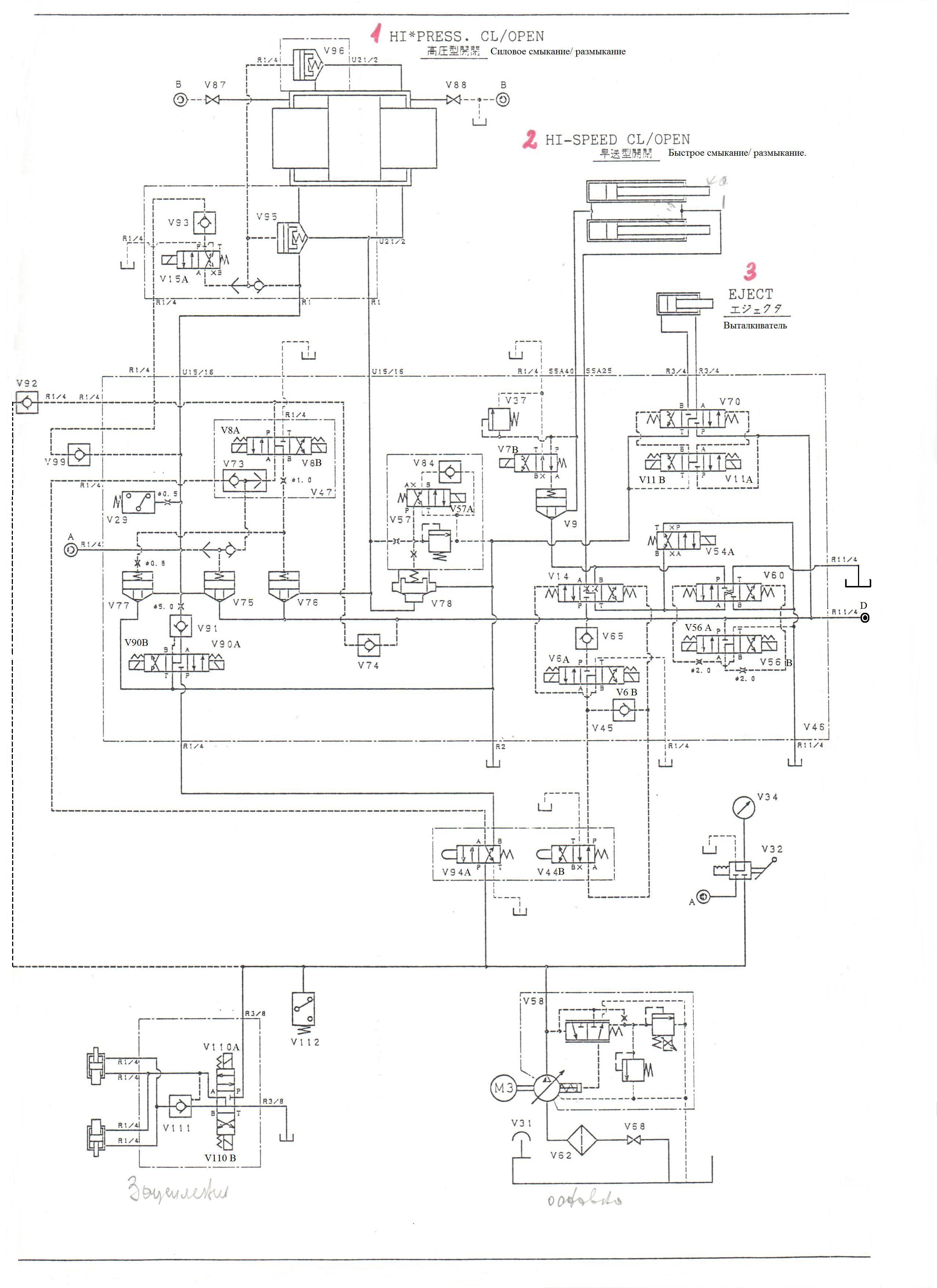
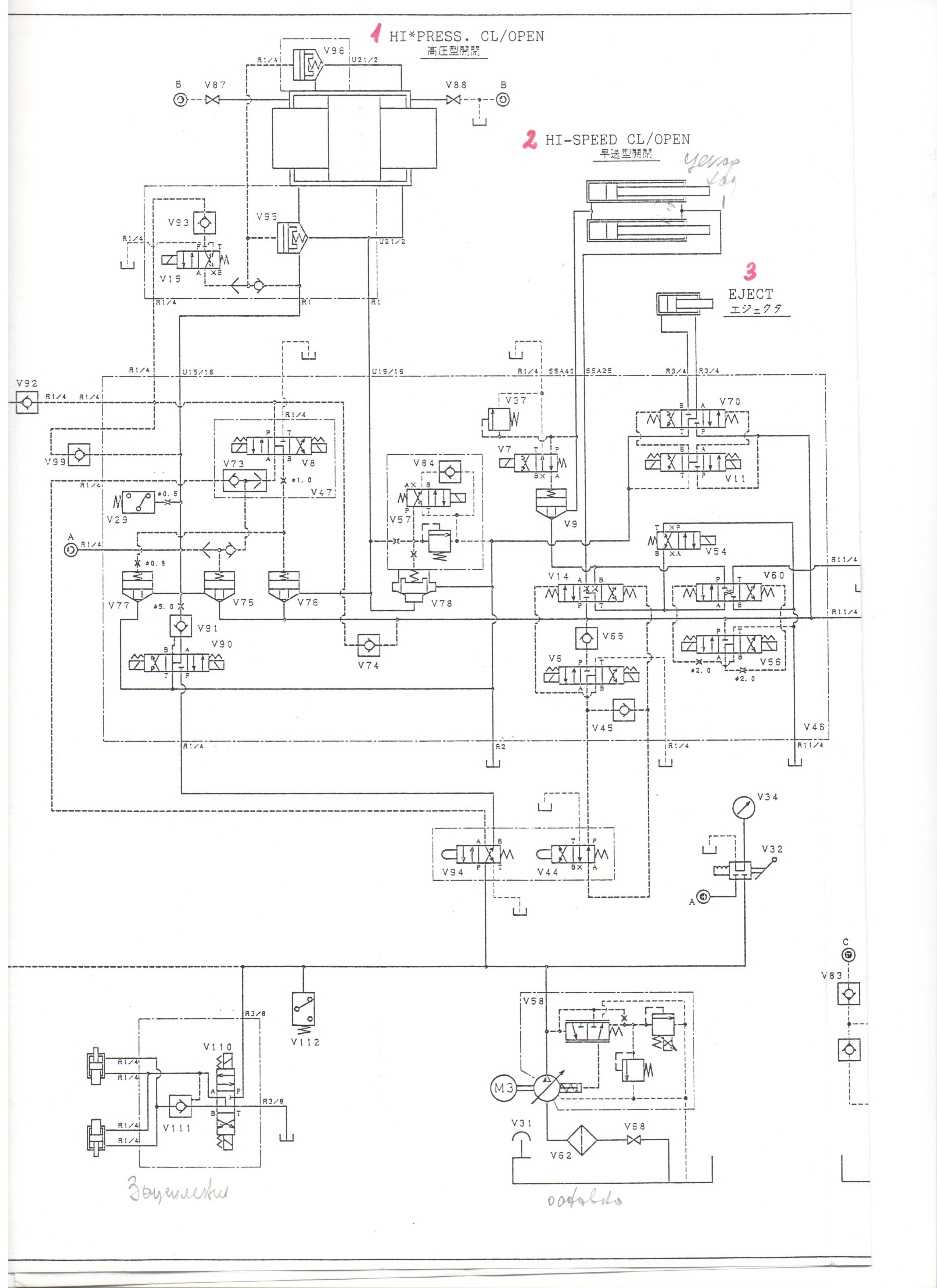
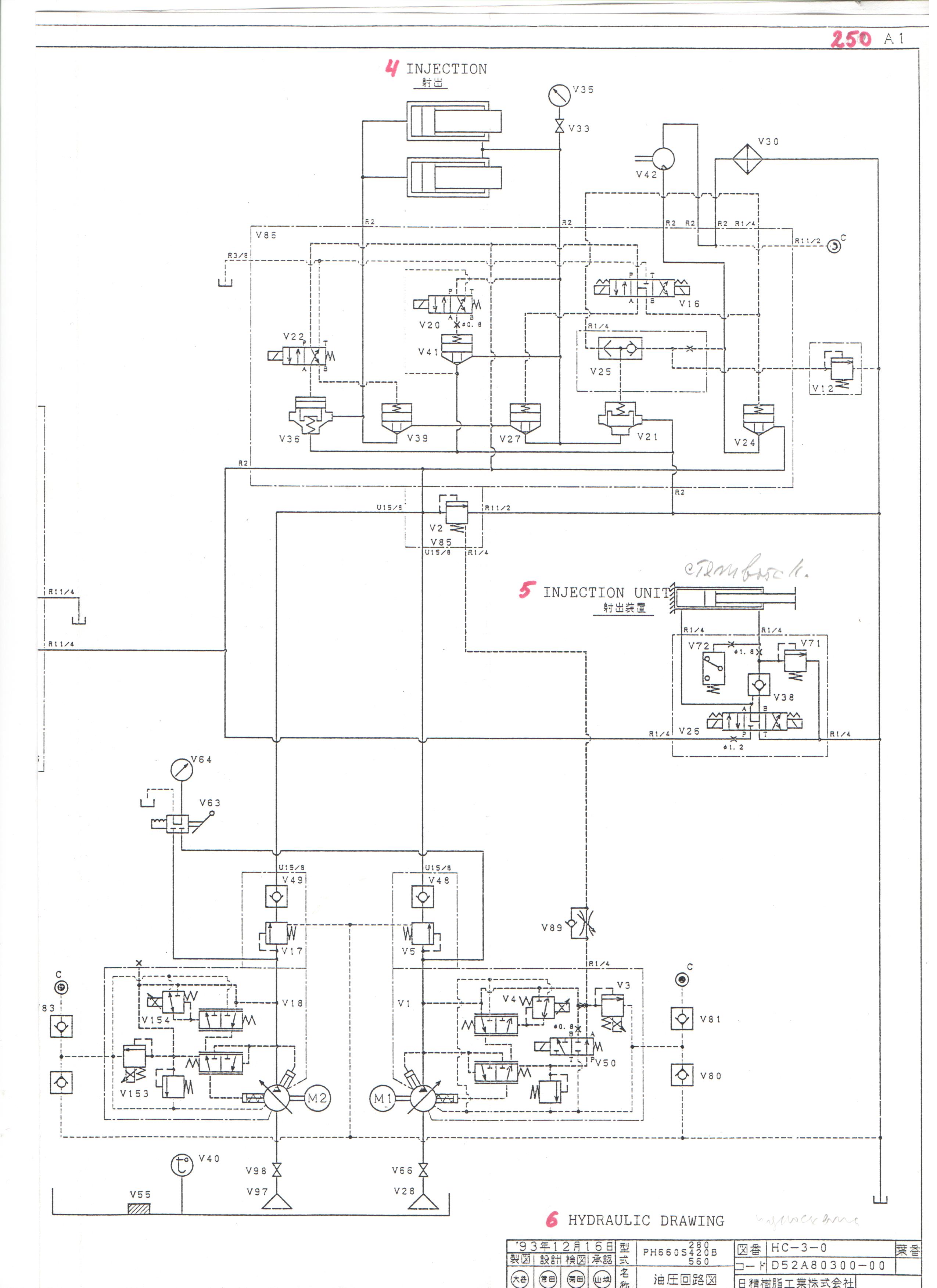
Уважаемые коллеги я прошу помощи очень редко.Много брака: Облой, недолив, не стабильна доза, разжимает форму. Нужна циклограмма и г/схема с пронумерованными э/магнитами. Встречалась ли на форуме кому такая машина?.( Искал, есть ссылка на предприятие где несколько таких машин) Задача: Проверить технические параметры, составить дефектную ведомость и по возможности привести в соответствие. Желающие поучавствовать, помочь и преобрести опыт милости прошу. Схему красивую сделал но на электромагнитах нет символики и нет циклограммы.
-
- Сообщения: 1584
- Зарегистрирован: 01 окт 2013, 15:06
- Страна, Регион, Область: Россия
- Город: Екатеринбург
- Откуда: Yevlax
- Благодарил (а): 414 раз
- Поблагодарили: 386 раз
-
- Эксперт Гидравлик
- Сообщения: 5584
- Зарегистрирован: 24 окт 2012, 20:41
- Страна, Регион, Область: СССР
- Город: Деревня Малая Малявня
- Откуда: деревня МАЛАЯ МАЛЯВНЯ
- Благодарил (а): 602 раза
- Поблагодарили: 816 раз
Re: ТПА Nissei PH660S280B 94-года Япония.
Александр спасибо. Один день потратили для изучения проблемы. К гидравлике претензий не обнаружено. пришли к выводу что не стабильна доза. Внезапный недолив, потом норма. И как специально примерно через четыре отливки. Завтра вынимаем шнек и промеряем материальный цилиндр и рисуем карту износа. И наконечника запорного клапана . Документация вся есть. С нумерацией согласны. Тоже самое сказал инженер гидравлик бывший рядом. Еще раз спасибо за потраченное время
-
- Сообщения: 1584
- Зарегистрирован: 01 окт 2013, 15:06
- Страна, Регион, Область: Россия
- Город: Екатеринбург
- Откуда: Yevlax
- Благодарил (а): 414 раз
- Поблагодарили: 386 раз
Re: ТПА Nissei PH660S280B 94-года Япония.
То есть циклограмму построение сами, или она есть?ЗЮМ писал(а):Александр спасибо. Один день потратили для изучения проблемы. К гидравлике претензий не обнаружено. пришли к выводу что не стабильна доза. Внезапный недолив, потом норма. И как специально примерно через четыре отливки. Завтра вынимаем шнек и промеряем материальный цилиндр и рисуем карту износа. И наконечника запорного клапана . Документация вся есть. С нумерацией согласны. Тоже самое сказал инженер гидравлик бывший рядом. Еще раз спасибо за потраченное время
-
- Эксперт Гидравлик
- Сообщения: 5584
- Зарегистрирован: 24 окт 2012, 20:41
- Страна, Регион, Область: СССР
- Город: Деревня Малая Малявня
- Откуда: деревня МАЛАЯ МАЛЯВНЯ
- Благодарил (а): 602 раза
- Поблагодарили: 816 раз
Re: ТПА Nissei PH660S280B 94-года Япония.
Циклограммы как таковой не нашли. Будем сами составлять по мере необходимости. в документации прежний персонал кропотливо поработал и прописал все сигналы на схеме. Пока занимаемся шнеком. Заметен проворот шнека иногда в момент впрыска. ну и наблюдения за давлением во время работы по манометрам наводят на шнек. И при задании подпора в 15 атмосфер сильно увеличивает время набора , А при 20-ти вообще практическо молотит на месте. Крутит стабильно и весело. Насосы шикарные КАВАСАКИ. 21 год. вид свежий давление и скорости в норме. На команды монитора и задание откликается послушно. По технологической карте подпор 0,8 МПа.
-
- Эксперт Гидравлик
- Сообщения: 5584
- Зарегистрирован: 24 окт 2012, 20:41
- Страна, Регион, Область: СССР
- Город: Деревня Малая Малявня
- Откуда: деревня МАЛАЯ МАЛЯВНЯ
- Благодарил (а): 602 раза
- Поблагодарили: 816 раз
Re: ТПА Nissei PH660S280B 94-года Япония.
Шнек демонтировали. Запорное кольцо лопнуло. Износ шнека приличный . Карта износа и фото на днях. Если коротко суммарный зазор 3 мм плюс продольная трещина по запорному кольцу. Далее проверка натяжения колонн и параллельности плит. Это по претензии разжима формы при впрыске с одной стороны.
-
- Эксперт Гидравлик
- Сообщения: 5584
- Зарегистрирован: 24 окт 2012, 20:41
- Страна, Регион, Область: СССР
- Город: Деревня Малая Малявня
- Откуда: деревня МАЛАЯ МАЛЯВНЯ
- Благодарил (а): 602 раза
- Поблагодарили: 816 раз
Re: ТПА Nissei PH660S280B 94-года Япония.
Причина не стабильной дозы 2) большой зазор пары: шнек- материальный цилиндр.
-
- Эксперт Гидравлик
- Сообщения: 5584
- Зарегистрирован: 24 окт 2012, 20:41
- Страна, Регион, Область: СССР
- Город: Деревня Малая Малявня
- Откуда: деревня МАЛАЯ МАЛЯВНЯ
- Благодарил (а): 602 раза
- Поблагодарили: 816 раз
Re: ТПА Nissei PH660S280B 94-года Япония.
Вердикт: по материальному цилиндру: 1) Новое запорное кольцо с шайбой решит на 70% решит проблему. 2) Восстановление реставрация шнека решит проблему на 80-90 процентов проблему. 3) Новый материальный цилиндр в сборе решит проблему на 100 %. Примерно.
-
- Эксперт Гидравлик
- Сообщения: 5584
- Зарегистрирован: 24 окт 2012, 20:41
- Страна, Регион, Область: СССР
- Город: Деревня Малая Малявня
- Откуда: деревня МАЛАЯ МАЛЯВНЯ
- Благодарил (а): 602 раза
- Поблагодарили: 816 раз
Re: ТПА Nissei PH660S280B 94-года Япония.
Есть цель и желание опробовать процесс реставрации шнека. Восстановить размер всех витков до заводских значений. В среду узнаем что по чем. Технологии супер мупер. Если разрешат сфотографируем. Поддержим отечественные технологии. " Не нужен нам берег Турецкий- чужая земля не нужна"
-
- Эксперт Гидравлик
- Сообщения: 5584
- Зарегистрирован: 24 окт 2012, 20:41
- Страна, Регион, Область: СССР
- Город: Деревня Малая Малявня
- Откуда: деревня МАЛАЯ МАЛЯВНЯ
- Благодарил (а): 602 раза
- Поблагодарили: 816 раз
Re: ТПА Nissei PH660S280B 94-года Япония.
По неисправности разжим формы мысли такие: На наше изделие действует сила на разжим 302,4 тонны. Форма зажата с силой 654 тонны. Однако при относительно слабом давлении последней ступени и выдержки впрыска 20% от мах. Одну сторону отжимает при маленьком передозе и мы видим облой. Я думаю что не равномерное натяжение колонн. Форма на новом МАРСЕ работает замечательно. Решили пригласить сотрудников ХАЙТИАНА для проверки натяжения цифровым прибором. Потом будем равнять натяг. Изделие- полка стеллажа 600 Х 400 =240000мм кв. Кто нибудь напомнит как считать силу разжима формы от впрыска. Боюсь напутать, поздно голова не варит. Есть такие тех параметры: ДАВЛЕНИЕ ВПРЫСКА 1600 кгс/ см кв. УСИЛИЕ ВПРЫСКА 126 тонн Я умножал на площадь изделия Усилие впрыска. Где то видел эту тему. Завтра поищем. А может кто сходу подскажет 

-
- Эксперт Гидравлик
- Сообщения: 5584
- Зарегистрирован: 24 окт 2012, 20:41
- Страна, Регион, Область: СССР
- Город: Деревня Малая Малявня
- Откуда: деревня МАЛАЯ МАЛЯВНЯ
- Благодарил (а): 602 раза
- Поблагодарили: 816 раз
Re: ТПА Nissei PH660S280B 94-года Япония.
Перечитал повторил дискуссию по расчету усилия запирания. Что то если так: 1600 Х 2400 =3840000. это что 3840 тонн сила РАЗЖИМА. Или я арифметику потерял . Если эта площадь велика для данной машины есть мотив свалить разжим формы на этот аргумент. И не заморачиваться с причинами А??? Если завтра не вправите мне мозг на место. Буду посылать почтовых голубей к НАТАЛЬЕ АЛЕКСАНДРОВНЕ. Все я спать...Да на входе в форму 4 горячих канала мм по 3-4 диаметром.
-
- Сообщения: 2183
- Зарегистрирован: 27 апр 2013, 02:27
- Страна, Регион, Область: Владимирская обл.
- Город: Владимир
- Благодарил (а): 772 раза
- Поблагодарили: 552 раза
Re: ТПА Nissei PH660S280B 94-года Япония.
1600 кг/кв.см. - "нолик" вроде как лишний...
Полка 60 х 40 см = 2400 кв.см.
Усилие 384 тонны...
Полка 60 х 40 см = 2400 кв.см.
Усилие 384 тонны...
-
- Эксперт Гидравлик
- Сообщения: 5584
- Зарегистрирован: 24 окт 2012, 20:41
- Страна, Регион, Область: СССР
- Город: Деревня Малая Малявня
- Откуда: деревня МАЛАЯ МАЛЯВНЯ
- Благодарил (а): 602 раза
- Поблагодарили: 816 раз
Re: ТПА Nissei PH660S280B 94-года Япония.
Логично да. С другой стороны давление внутри мат цилиндра 160 хилое, нолика не хватает вроде. Вот цифра другая УСИЛИЕ ВПРЫСКА 126 тонн напрашивается. завтра скан сделаю тех характеристик. Figaro, видел что не спишь, ждал и верил что сейчас пришлешь письмецо Спасибо.
-
- Эксперт Гидравлик
- Сообщения: 5584
- Зарегистрирован: 24 окт 2012, 20:41
- Страна, Регион, Область: СССР
- Город: Деревня Малая Малявня
- Откуда: деревня МАЛАЯ МАЛЯВНЯ
- Благодарил (а): 602 раза
- Поблагодарили: 816 раз
Re: ТПА Nissei PH660S280B 94-года Япония.
Я тут ни чего нового не увидел перечитал. давление 1600 КГ. впрыска это нормально.Figaro писал(а):viewtopic.php?t=14438
-
- Эксперт Гидравлик
- Сообщения: 5584
- Зарегистрирован: 24 окт 2012, 20:41
- Страна, Регион, Область: СССР
- Город: Деревня Малая Малявня
- Откуда: деревня МАЛАЯ МАЛЯВНЯ
- Благодарил (а): 602 раза
- Поблагодарили: 816 раз
Re: ТПА Nissei PH660S280B 94-года Япония.
А это как понимать???3. Усилия смыкания термопластавомата.
Требуемые усилия смыкания вычисляются по формуле:
Fz = A×Pf/100 (kN)
Fz — усилие смыкания формы.
A — сумма всех элементов и каналов формы (см²).
Pf — давление пластмассы в ситеме.
Практическое усилие смыкания термопластавтоматов:
Для тонкостенных материалов:
Требуемые усилия смыкания вычисляются по формуле:
Fz = A×Pf/100 (kN)
Fz — усилие смыкания формы.
A — сумма всех элементов и каналов формы (см²).
Pf — давление пластмассы в ситеме.
Практическое усилие смыкания термопластавтоматов:
Для тонкостенных материалов:
-
- Сообщения: 2183
- Зарегистрирован: 27 апр 2013, 02:27
- Страна, Регион, Область: Владимирская обл.
- Город: Владимир
- Благодарил (а): 772 раза
- Поблагодарили: 552 раза
Re: ТПА Nissei PH660S280B 94-года Япония.
Могу, конечно же, ошибаться - но давление 20% от макс в конце впрыскп - это 320 кг/кв.см. = 768 тонн
Форма зажата 654 тонны - доза впрыска большая...
Форма зажата 654 тонны - доза впрыска большая...
-
- Сообщения: 2183
- Зарегистрирован: 27 апр 2013, 02:27
- Страна, Регион, Область: Владимирская обл.
- Город: Владимир
- Благодарил (а): 772 раза
- Поблагодарили: 552 раза
Re: ТПА Nissei PH660S280B 94-года Япония.
10 kN - 1 тонна
Разжимает форму давлением в конце впрыска, т.е. остаточным, вроде как
Разжимает форму давлением в конце впрыска, т.е. остаточным, вроде как
-
- Сообщения: 2183
- Зарегистрирован: 27 апр 2013, 02:27
- Страна, Регион, Область: Владимирская обл.
- Город: Владимир
- Благодарил (а): 772 раза
- Поблагодарили: 552 раза
Re: ТПА Nissei PH660S280B 94-года Япония.
"Собака роется" в том, что расплав полимера - неньютоновская, высоковязкая, жидкость...
Часть давления теряется на пути в каналах...
Часть давления теряется на пути в каналах...
-
- Эксперт Гидравлик
- Сообщения: 5584
- Зарегистрирован: 24 окт 2012, 20:41
- Страна, Регион, Область: СССР
- Город: Деревня Малая Малявня
- Откуда: деревня МАЛАЯ МАЛЯВНЯ
- Благодарил (а): 602 раза
- Поблагодарили: 816 раз
Re: ТПА Nissei PH660S280B 94-года Япония.
Примеры расчета усилия удержания пресс-формы
расчет усилия удержания пресс-формыЧтобы определить необходимое усилие удержания, требуется знать среднее давление внутри литьевой пресс-формы и площадь проекции отливки. Затем требующееся усилие удержания рассчитывается по формуле:
Fz = P wi × S proj ÷ 100
где:
Fz = усилие удержания (кН),
P wi = среднее давление внутри пресс-формы (бар),
S proj = площадь проекции отливки (см²).
Для того, чтобы в конце пути течения был хорошо отформован контур изделия, внутреннее давление в этой зоне должно быть, по крайней мере, 300 бар. Оно достигается при соответственно высоком давлении впрыска. Эмпирически определены показатели среднего давления внутри формы для некоторых изделий (время впрыска не более 4 секунд):
расчет усилия удержания пресс-формыЧтобы определить необходимое усилие удержания, требуется знать среднее давление внутри литьевой пресс-формы и площадь проекции отливки. Затем требующееся усилие удержания рассчитывается по формуле:
Fz = P wi × S proj ÷ 100
где:
Fz = усилие удержания (кН),
P wi = среднее давление внутри пресс-формы (бар),
S proj = площадь проекции отливки (см²).
Для того, чтобы в конце пути течения был хорошо отформован контур изделия, внутреннее давление в этой зоне должно быть, по крайней мере, 300 бар. Оно достигается при соответственно высоком давлении впрыска. Эмпирически определены показатели среднего давления внутри формы для некоторых изделий (время впрыска не более 4 секунд):
-
- Эксперт Гидравлик
- Сообщения: 5584
- Зарегистрирован: 24 окт 2012, 20:41
- Страна, Регион, Область: СССР
- Город: Деревня Малая Малявня
- Откуда: деревня МАЛАЯ МАЛЯВНЯ
- Благодарил (а): 602 раза
- Поблагодарили: 816 раз
Re: ТПА Nissei PH660S280B 94-года Япония.
Счя разберусь. В этой ссылке брехня -хорош китай или фигняЗЮМ писал(а):Я тут ни чего нового не увидел перечитал. давление 1600 КГ. впрыска это нормально.Figaro писал(а):viewtopic.php?t=14438

-
- Сообщения: 2183
- Зарегистрирован: 27 апр 2013, 02:27
- Страна, Регион, Область: Владимирская обл.
- Город: Владимир
- Благодарил (а): 772 раза
- Поблагодарили: 552 раза
Re: ТПА Nissei PH660S280B 94-года Япония.
Вот из-за среднего давления и нужен наладчик :) - так как определяется среднее давление эмпирически (опытным путем) для каждой прессформы...ЗЮМ писал(а): P wi = среднее давление внутри пресс-формы (бар),
.......
Эмпирически определены
-
- Сообщения: 2183
- Зарегистрирован: 27 апр 2013, 02:27
- Страна, Регион, Область: Владимирская обл.
- Город: Владимир
- Благодарил (а): 772 раза
- Поблагодарили: 552 раза
Re: ТПА Nissei PH660S280B 94-года Япония.
Как минимум пара обратно взаимосвязанных параметров - передоз :) и остаточное давление - одно увеличиваем, другое надо уменьшить..
Так как остаточное давление влияет на "какчество" :) изделия - то надо уменьшать передоз...
Так как остаточное давление влияет на "какчество" :) изделия - то надо уменьшать передоз...
- Рейтинг: 5%
-
- Эксперт Гидравлик
- Сообщения: 5584
- Зарегистрирован: 24 окт 2012, 20:41
- Страна, Регион, Область: СССР
- Город: Деревня Малая Малявня
- Откуда: деревня МАЛАЯ МАЛЯВНЯ
- Благодарил (а): 602 раза
- Поблагодарили: 816 раз
Re: ТПА Nissei PH660S280B 94-года Япония.
Это понятно. Меня арифметика убила. Не ожидал.Я оказывается был до сегодняшнего дня в великом заблуждении. главное пытал ТЕХНОЛОГА. а что он ответил: Год назад лила без проблем. Вот так и водят нас за нос. Говорила мама мне : Учи сынок уроки.
-
- Сообщения: 2183
- Зарегистрирован: 27 апр 2013, 02:27
- Страна, Регион, Область: Владимирская обл.
- Город: Владимир
- Благодарил (а): 772 раза
- Поблагодарили: 552 раза
Re: ТПА Nissei PH660S280B 94-года Япония.
Да это вечная задачка про "полтора землекопа" - т.е. прикладная, к физике процесса литья, математика...
Технология - это "исскуство науки", на "кончиках пальцев" технолога и/или наладчика...
Технология - это "исскуство науки", на "кончиках пальцев" технолога и/или наладчика...
- Рейтинг: 5%
-
- Эксперт Гидравлик
- Сообщения: 5584
- Зарегистрирован: 24 окт 2012, 20:41
- Страна, Регион, Область: СССР
- Город: Деревня Малая Малявня
- Откуда: деревня МАЛАЯ МАЛЯВНЯ
- Благодарил (а): 602 раза
- Поблагодарили: 816 раз
Re: ТПА Nissei PH660S280B 94-года Япония.
И так господа полимерщики с институтами кто даст МАСТЕР-КЛАСС. Даю тех параметры и площадь изделия. ПЛОЩАДЬ 2400 кв см.
Последний раз редактировалось ЗЮМ 01 дек 2015, 03:29, всего редактировалось 1 раз.
Кто сейчас на конференции
Сейчас этот форум просматривают: нет зарегистрированных пользователей и 18 гостей