Литьё с закладной арматурой
-
Андерс
- Сообщения: 11
- Зарегистрирован: 16 авг 2011, 08:30
- Страна, Регион, Область: Россия
- Город: Арзамас
- Благодарил (а): 0
- Поблагодарили: 0
Литьё с закладной арматурой
Здравствуйте.
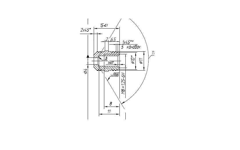
Отливаем корпус (Армамид ПА СВ 30-2Т) с закладным стальным штуцером.
Штуцер имеет кольцевые канавки.
При проверке на герметичность между штуцером и пластиком выходят мелкие пузырьки
т.е. пластик не "прилипает" к металлу.
Пробовали делать сетчатое рифление на штуцере, грели, обезжиривали, - результата нет.
Если кто сталкивался с этим прошу помочь.
Спасибо.
Отливаем корпус (Армамид ПА СВ 30-2Т) с закладным стальным штуцером.
Штуцер имеет кольцевые канавки.
При проверке на герметичность между штуцером и пластиком выходят мелкие пузырьки
т.е. пластик не "прилипает" к металлу.
Пробовали делать сетчатое рифление на штуцере, грели, обезжиривали, - результата нет.
Если кто сталкивался с этим прошу помочь.
Спасибо.
-
Sandy
- Сообщения: 635
- Зарегистрирован: 19 янв 2010, 09:16
- Страна, Регион, Область: Россия
- Город: Саров
- Благодарил (а): 39 раз
- Поблагодарили: 74 раза
Re: Литьё с закладной арматурой
У пластмассы при литье нет адгезии к металлу, правда может уже изобрели какую-нибудь спец. марку пластика, но я не в курсе.
При каком давлении проверяете? Испытания проходят в воде? При какой температуре?
Чертеж или эскиз детали хорошо бы выложить - он о многом может сказать.
При каком давлении проверяете? Испытания проходят в воде? При какой температуре?
Чертеж или эскиз детали хорошо бы выложить - он о многом может сказать.
-
Андерс
- Сообщения: 11
- Зарегистрирован: 16 авг 2011, 08:30
- Страна, Регион, Область: Россия
- Город: Арзамас
- Благодарил (а): 0
- Поблагодарили: 0
Re: Литьё с закладной арматурой
Проверяем при давлении 2 атм. но рабочее 10 атм.
Температура воды 25 35 град.
Температура воды 25 35 град.
-
Sandy
- Сообщения: 635
- Зарегистрирован: 19 янв 2010, 09:16
- Страна, Регион, Область: Россия
- Город: Саров
- Благодарил (а): 39 раз
- Поблагодарили: 74 раза
Re: Литьё с закладной арматурой
А какое давление на впрыске и на выдержке под давлением?
Пузырьки начинают идти сразу после начала испытаний, или по истечению времени?
Пузырьки начинают идти сразу после начала испытаний, или по истечению времени?
-
Андерс
- Сообщения: 11
- Зарегистрирован: 16 авг 2011, 08:30
- Страна, Регион, Область: Россия
- Город: Арзамас
- Благодарил (а): 0
- Поблагодарили: 0
Re: Литьё с закладной арматурой
Режимами литья мы экперементировали, сделали даже воздушник в зоне штуцера результат 80% текут.
пузырьки идут и сразу после отливки и через сутки.
Сейчас выходим из положения мажем торец отливки где штуцер лаком, после высыхания течь исчезает,
но это очень непроизводительно.
пузырьки идут и сразу после отливки и через сутки.
Сейчас выходим из положения мажем торец отливки где штуцер лаком, после высыхания течь исчезает,
но это очень непроизводительно.
- ПластСтер
- Сообщения: 2936
- Зарегистрирован: 29 окт 2009, 13:15
- Страна, Регион, Область: Россия
- Город: Стерлитамак
- Откуда: Как все
- Благодарил (а): 465 раз
- Поблагодарили: 807 раз
- Контактная информация:
Re: Литьё с закладной арматурой
Я не буду настаивать, но насколько я помню, закладные в полимер НЕ проектируются в сквозные отверстия, если нужна герметичность. Да и вообще кроме того что одевается на валы, проектируется в глухую. По кусочку Вашего чертежа сложно что то определить, нужно полностью показать, пусть не всю деталь, так хотя бы где вода и где протекает.
Ещё при проектировании сквозных отверстий, где потом возможно появление протечек, используют конусные резьбовые закладные, докручивающиеся после отливки и охлаждения, при разъёме формы. Пример неподвижные улитки центробежных двух лопастных насосов, где центральная закладная на конусной резьбе и разделяет два потока, движущихся с разными скоростями.
Ещё при проектировании сквозных отверстий, где потом возможно появление протечек, используют конусные резьбовые закладные, докручивающиеся после отливки и охлаждения, при разъёме формы. Пример неподвижные улитки центробежных двух лопастных насосов, где центральная закладная на конусной резьбе и разделяет два потока, движущихся с разными скоростями.
Звать меня, Сергей
-
Sandy
- Сообщения: 635
- Зарегистрирован: 19 янв 2010, 09:16
- Страна, Регион, Область: Россия
- Город: Саров
- Благодарил (а): 39 раз
- Поблагодарили: 74 раза
Re: Литьё с закладной арматурой
Воздушник - это я так понимаю канал для отвода воздуха?Андерс писал(а):Режимами литья мы экперементировали, сделали даже воздушник в зоне штуцера результат 80% текут.
пузырьки идут и сразу после отливки и через сутки.
Сейчас выходим из положения мажем торец отливки где штуцер лаком, после высыхания течь исчезает,
но это очень непроизводительно.
В общем по идее должен держать штуцер воду.
А какой у Вас впусной литник? Может не создается уплотнение матириала при подпитке?
На какой машине льете (модель, год выпуска, техническое ее состояние)?
Мне идея ПластСтера понравилась с конусной доворачиваемой резъбой в закладной.
-
Sandy
- Сообщения: 635
- Зарегистрирован: 19 янв 2010, 09:16
- Страна, Регион, Область: Россия
- Город: Саров
- Благодарил (а): 39 раз
- Поблагодарили: 74 раза
Re: Литьё с закладной арматурой
Да, еще было бы полезно посмотреть на весь чертеж детали с указаным местом впрыска.
Андерс, Вы случаем не с Приборостроительного?
Андерс, Вы случаем не с Приборостроительного?
-
Андерс
- Сообщения: 11
- Зарегистрирован: 16 авг 2011, 08:30
- Страна, Регион, Область: Россия
- Город: Арзамас
- Благодарил (а): 0
- Поблагодарили: 0
Re: Литьё с закладной арматурой
Идея с резьбой мне тоже понравилась, но штуцер сделан из шестигранника (для исключения проворота в пластике при эксплуатации), и довернуть его нельзя.
Отливаем его на демаге сумимото 160 т (6 мес. эксплуатации).
Питатель находится в 60 мм. от оси штуцера сечением 6х2 мм.
Диаметр внутреннего отверстия куда поступает жидкость -25 мм.
Я не с приборки.
Отливаем его на демаге сумимото 160 т (6 мес. эксплуатации).
Питатель находится в 60 мм. от оси штуцера сечением 6х2 мм.
Диаметр внутреннего отверстия куда поступает жидкость -25 мм.
Я не с приборки.
-
Sandy
- Сообщения: 635
- Зарегистрирован: 19 янв 2010, 09:16
- Страна, Регион, Область: Россия
- Город: Саров
- Благодарил (а): 39 раз
- Поблагодарили: 74 раза
Re: Литьё с закладной арматурой
Первое что приходит на ум - слишком большое удаление впускного литника от закладной (60мм), вследствии чего происходит недоуплотнение Армамида около штуцера. Конструкция формы позволяет расположить еще один литник в районе закладной?
-
Андерс
- Сообщения: 11
- Зарегистрирован: 16 авг 2011, 08:30
- Страна, Регион, Область: Россия
- Город: Арзамас
- Благодарил (а): 0
- Поблагодарили: 0
Re: Литьё с закладной арматурой
В принципе можно сделать, но боюсь произойдёт "стык потоков".
надо попробовать , если не получится заварю питатель. Спасибо.
надо попробовать , если не получится заварю питатель. Спасибо.
-
Sandy
- Сообщения: 635
- Зарегистрирован: 19 янв 2010, 09:16
- Страна, Регион, Область: Россия
- Город: Саров
- Благодарил (а): 39 раз
- Поблагодарили: 74 раза
Re: Литьё с закладной арматурой
Чтобы не было холодного спая (стыка потоков) температуру пластмассы и формы надо поднимать.Андерс писал(а):В принципе можно сделать, но боюсь произойдёт "стык потоков".
надо попробовать , если не получится заварю питатель. Спасибо.
В Вашем случае, я так понимаю проблем с заполнением формы нет на одном литнике, следовательно, на двух литниках также все должно быть нормально.
-
Sandy
- Сообщения: 635
- Зарегистрирован: 19 янв 2010, 09:16
- Страна, Регион, Область: Россия
- Город: Саров
- Благодарил (а): 39 раз
- Поблагодарили: 74 раза
Re: Литьё с закладной арматурой
Можно еще попробовать установить уплотнительное кольцо, которое будет сжиматься при литье и герметизировать линию стыка металл-пластмасса.
Тут видится сразу два варианта с материалом кольца:
1. Резина.
2. Термоэластопласт, который "сварится" с Армамидом.
Резина наверное будет предпочтительней - у нее лучшие показатели по остаточной деформации, хотя если уплотнительное кольцо при литье будет деформироваться на 10-15%, можно и ТПЕ использовать.
Тут видится сразу два варианта с материалом кольца:
1. Резина.
2. Термоэластопласт, который "сварится" с Армамидом.
Резина наверное будет предпочтительней - у нее лучшие показатели по остаточной деформации, хотя если уплотнительное кольцо при литье будет деформироваться на 10-15%, можно и ТПЕ использовать.
-
Андерс
- Сообщения: 11
- Зарегистрирован: 16 авг 2011, 08:30
- Страна, Регион, Область: Россия
- Город: Арзамас
- Благодарил (а): 0
- Поблагодарили: 0
Re: Литьё с закладной арматурой
Спасибо за совет, но я уже это пробовал.
Ставил даже 2 кольца, после распила одно кольцо оказалось в другой части
детали, а другое деформировалось, т.е резину срывает из посадочного паза.
ТПЕ результатов тоже не дал.
Ставил даже 2 кольца, после распила одно кольцо оказалось в другой части
детали, а другое деформировалось, т.е резину срывает из посадочного паза.
ТПЕ результатов тоже не дал.
-
Sandy
- Сообщения: 635
- Зарегистрирован: 19 янв 2010, 09:16
- Страна, Регион, Область: Россия
- Город: Саров
- Благодарил (а): 39 раз
- Поблагодарили: 74 раза
Re: Литьё с закладной арматурой
Для меня тема герметизации очень интересна и актуальна, поэтому спрошу подробности:Андерс писал(а):Спасибо за совет, но я уже это пробовал.
Ставил даже 2 кольца, после распила одно кольцо оказалось в другой части
детали, а другое деформировалось, т.е резину срывает из посадочного паза.
ТПЕ результатов тоже не дал.
1. Какая была резина, ее твердость?
2. Какой ТЭП использовали?
3. Размеры паза и кольца.
-
Андерс
- Сообщения: 11
- Зарегистрирован: 16 авг 2011, 08:30
- Страна, Регион, Область: Россия
- Город: Арзамас
- Благодарил (а): 0
- Поблагодарили: 0
Re: Литьё с закладной арматурой
Кольцо стандартное 11 мм по наруже 7 мм внутри ГОСТ 9833-73
Размер паза ширина 2 глубина 1
Марка ТЭПа ТЭМ - 2 М.
Но это очень непроизводительно, даже если бы был эффект.
Размер паза ширина 2 глубина 1
Марка ТЭПа ТЭМ - 2 М.
Но это очень непроизводительно, даже если бы был эффект.
-
navi
- Сообщения: 14
- Зарегистрирован: 12 авг 2012, 11:59
- Страна, Регион, Область: Украина
- Город: Украина
- Благодарил (а): 0
- Поблагодарили: 0
Re: Литьё с закладной арматурой
Была подобная проблема. Корпус фильтра с закладной латунной резьбой. Лили из обычного ПП все было нормально, взяли стеклонаполненный, начало течь из под закладной. Пробовали все. Частично помогло добавление высокотекучего ПП. Мне объясняли проблему тем, что наполнитель, создает шероховатость поверхности и из за этого протечки. Советовали делать закладные с лабиринтными уплотнениями.
- ПластСтер
- Сообщения: 2936
- Зарегистрирован: 29 окт 2009, 13:15
- Страна, Регион, Область: Россия
- Город: Стерлитамак
- Откуда: Как все
- Благодарил (а): 465 раз
- Поблагодарили: 807 раз
- Контактная информация:
Re: Литьё с закладной арматурой
navi писал(а):Была подобная проблема. Корпус фильтра с закладной латунной резьбой. Лили из обычного ПП все было нормально, взяли стеклонаполненный, начало течь из под закладной. Пробовали все. Частично помогло добавление высокотекучего ПП. Мне объясняли проблему тем, что наполнитель, создает шероховатость поверхности и из за этого протечки. Советовали делать закладные с лабиринтными уплотнениями.
Не знаю как поможет лабиринтное уплотнение, и поможет ли. Скорее всего Вам придётся переделывать свои закладные. Круглые с накаткой. Шестигранник наверное не самая удачная фигура. Даже если Вы перенесёте литник, боюсь что на углах граней будут завихрения, и недопрессовка, там и будет течь. Любые углы, для закладной, плохо.
Звать меня, Сергей
-
Андерс
- Сообщения: 11
- Зарегистрирован: 16 авг 2011, 08:30
- Страна, Регион, Область: Россия
- Город: Арзамас
- Благодарил (а): 0
- Поблагодарили: 0
Re: Литьё с закладной арматурой
Интересная мысль по поводу добавления высокотекучего ПП.
Хотелось бы узнать о совместимости ПП с Армамидом, и если возможно пропорции.
Что касается круглой формы закладной детали- мы пробовали оставить от шестигранника
3 мм. остальное круглое с сетчатой насечкой 0.5х45 гр. всё равно пузырилось. Спасибо.
Хотелось бы узнать о совместимости ПП с Армамидом, и если возможно пропорции.
Что касается круглой формы закладной детали- мы пробовали оставить от шестигранника
3 мм. остальное круглое с сетчатой насечкой 0.5х45 гр. всё равно пузырилось. Спасибо.
- Наталья Александровна
- Сообщения: 875
- Зарегистрирован: 15 окт 2009, 10:49
- Страна, Регион, Область: Центральный регион
- Город: ***
- Благодарил (а): 7 раз
- Поблагодарили: 27 раз
Re: Литьё с закладной арматурой
Смешивать два различных полимера нельзя. Получите расслойку и как следствие потерю прочности и внешнего вида.
Общаясь с Вами, я становлюсь умнее
- NIC
- Сообщения: 300
- Зарегистрирован: 27 май 2007, 17:50
- Откуда: Москва
- Благодарил (а): 0
- Поблагодарили: 24 раза
Re: Литьё с закладной арматурой
коэффициенты термического расширения полиамида и железки сильно отличаются сам Армамид (он же если неошибаюсь полиамид 6) гигроскопичен в воде сильно падает модуль упругости
подбирать сырье с высокой текучестью и греть форму от 50 и выше вплоть до 120 С
обрабатывать железки клеевыми аппретами (клеи типа лейконат, элад, каучуковыми растворами бутадиеннитрильными и пр. точно незнаю надо подбирать)
возможно предусмотреть отжиг деталей для снятие напряжений и перекристализации полиамида
подбирать сырье с высокой текучестью и греть форму от 50 и выше вплоть до 120 С
обрабатывать железки клеевыми аппретами (клеи типа лейконат, элад, каучуковыми растворами бутадиеннитрильными и пр. точно незнаю надо подбирать)
возможно предусмотреть отжиг деталей для снятие напряжений и перекристализации полиамида
Кто сейчас на конференции
Сейчас этот форум просматривают: нет зарегистрированных пользователей и 0 гостей